GM Service Manual Online
For 1990-2009 cars only
Figure 1:

Headlamp Switch (Domestic)


Object Number: 1411899  Size: FS
Master Electrical Component List
Exterior Lighting Systems Description and Operation
Low Beam Headlamps (Domestic)
Instrument Panel Dimming
Dimming Control
G200
Air Temperature and Sunload Sensor
Class 2 Serial Data (1 of 3)
G200
Figure 2:

Low Beam Headlamps (Domestic)


Object Number: 1411901  Size: FS
Master Electrical Component List
Exterior Lighting Systems Description and Operation
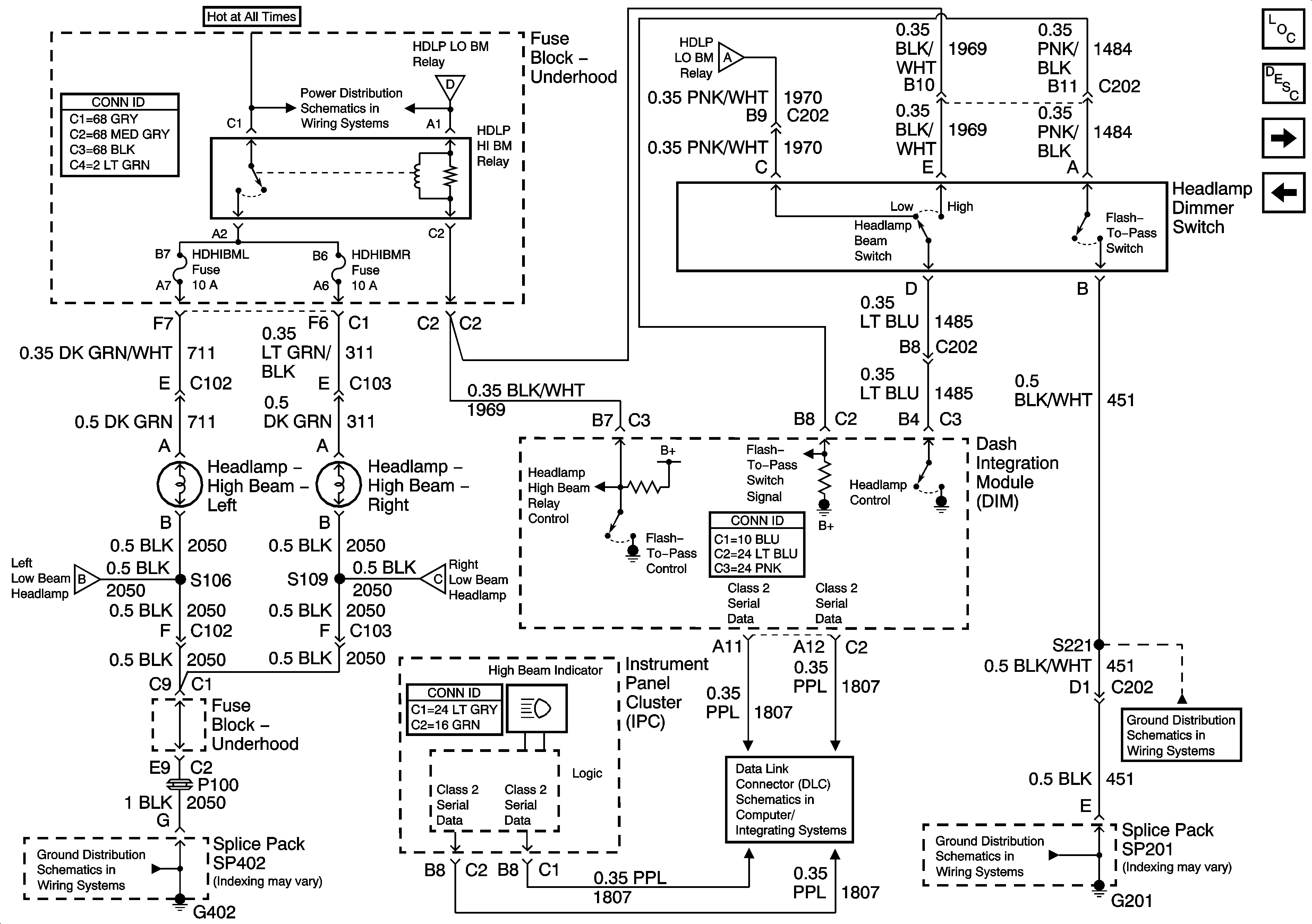
High Beam Headlamps (Domestic)
Headlamp Switch (Domestic)
High Beam Headlamps (Domestic)
ACCY, WSW, HDLO BMR, HDLO BML, HDHI BML, and HDHI BMR Fuses and ACCY, HDLP LO BM, and HDLP HI BM Relays
Underhood Fuse Block Battery Voltage
Headlamp Switch and Park Lamp Relay
High Beam Headlamps (Domestic)
High Beam Headlamps (Domestic)
High Beam Headlamps (Domestic)
Class 2 Serial Data (1 of 3)
Wiper/Washer Switch and Pump
Figure 3:

High Beam Headlamps (Domestic)


Object Number: 1411902  Size: FS
Master Electrical Component List
Exterior Lighting Systems Description and Operation
Headlamp Switch (Export)
Low Beam Headlamps (Domestic)
ACCY, WSW, HDLO BMR, HDLO BML, HDHI BML, and HDHI BMR Fuses and ACCY, HDLP LO BM, and HDLP HI BM Relays
Low Beam Headlamps (Domestic)
Low Beam Headlamps (Domestic)
Low Beam Headlamps (Domestic)
Low Beam Headlamps (Domestic)
G402 - 2 of 2
Class 2 Serial Data (1 of 3)
G201 - 1 of 3
G201 - 1 of 3
Figure 4:

Headlamp Switch (Export)


Object Number: 1411904  Size: FS
Master Electrical Component List
Exterior Lighting Systems Description and Operation
Low Beam Headlamps (Export)
High Beam Headlamps (Domestic)
Instrument Panel Dimming
Headlamp Switch and Park Lamp Relay
Dimming Control
G200
G200
Air Temperature and Sunload Sensor
Class 2 Serial Data (1 of 3)
Figure 5:

Low Beam Headlamps (Export)


Object Number: 1411906  Size: FS
Master Electrical Component List
Exterior Lighting Systems Description and Operation
High Beam Headlamps (Export)
Headlamp Switch (Export)
High Beam Headlamps (Export)
Underhood Fuse Block Battery Voltage
Class 2 Serial Data (1 of 3)
Wiper/Washer Switch and Pump
High Beam Headlamps (Export)
High Beam Headlamps (Export)
High Beam Headlamps (Export)
Headlamp Switch and Park Lamp Relay
Figure 6:

High Beam Headlamps (Export)


Object Number: 1411908  Size: FS
Master Electrical Component List
Exterior Lighting Systems Description and Operation
Low Beam Headlamps (Export)
Underhood Fuse Block Battery Voltage
Low Beam Headlamps (Export)
Low Beam Headlamps (Export)
Low Beam Headlamps (Export)
Low Beam Headlamps (Export)
G402 - 2 of 2
Class 2 Serial Data (1 of 3)
G201 - 1 of 3
G201 - 1 of 3