GM Service Manual Online
For 1990-2009 cars only
Figure 1:

HVAC Air Delivery Schematics (Cell 68: Vacuum and Electric Solenoids)


Object Number: 488966  Size: FS
HVAC Components
HVAC Temperature Controls Circuit Description
Cell 68: Actuators
Figure 2:

Cell 68: Actuators


Object Number: 488968  Size: FS
HVAC Components
HVAC Temperature Controls Circuit Description
Cell 68: Temperature Sensors
HVAC Air Delivery Schematics (Cell 68: Vacuum and Electric Solenoids)
Handling ESD Sensitive Parts Notice
HVAC Connector End Views
Figure 3:

Cell 68: Temperature Sensors


Object Number: 488971  Size: FS
HVAC Components
HVAC Temperature Controls Circuit Description
Cell 68: Passenger Temperature Control
Cell 68: Actuators
Handling ESD Sensitive Parts Notice
Handling ESD Sensitive Parts Notice
Handling ESD Sensitive Parts Notice
HVAC Air Delivery/Temperature Control Schematics
HVAC Connector End Views
Data Link Connector Schematics
Data Link Connector Schematics
Data Link Connector Schematics
Data Link Connector Schematics
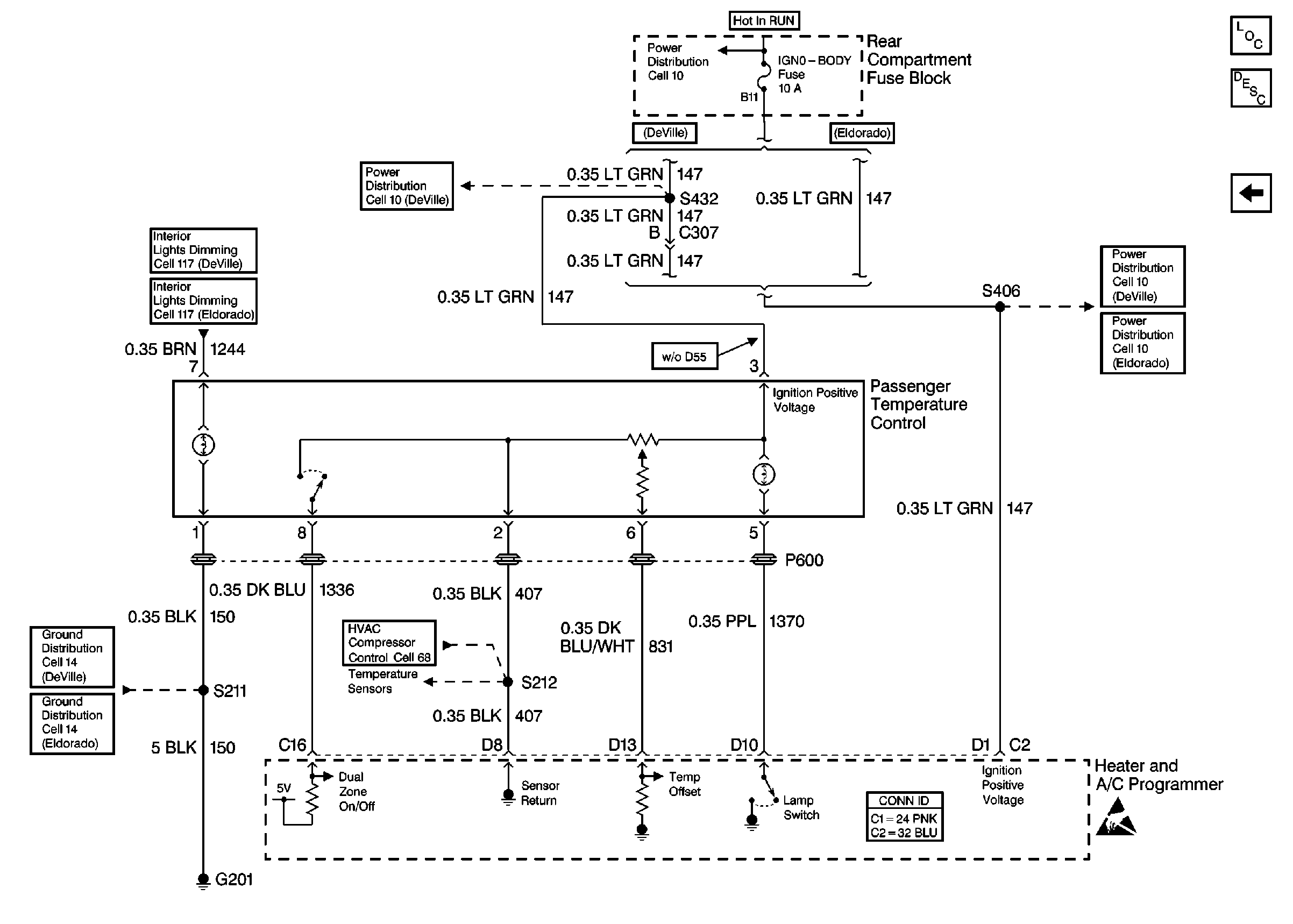
Figure 4:

Cell 68: Passenger Temperature Control


Object Number: 488973  Size: FS
HVAC Components
HVAC Temperature Controls Circuit Description
Cell 68: Temperature Sensors
Cell 10: BODY 2 Fuse
Cell 10: IGN 0 - BODY Fuse (DeVille)
Cell 10: IGN 0 - BODY Fuse (DeVille)
Cell 10: IGN 0 - BODY Fuse (Eldorado)
Interior Lights Schematics
Interior Lights Schematics
Cell 14: G201
Cell 14: G201
Cell 68: Temperature Sensors
HVAC Connector End Views