GM Service Manual Online
For 1990-2009 cars only
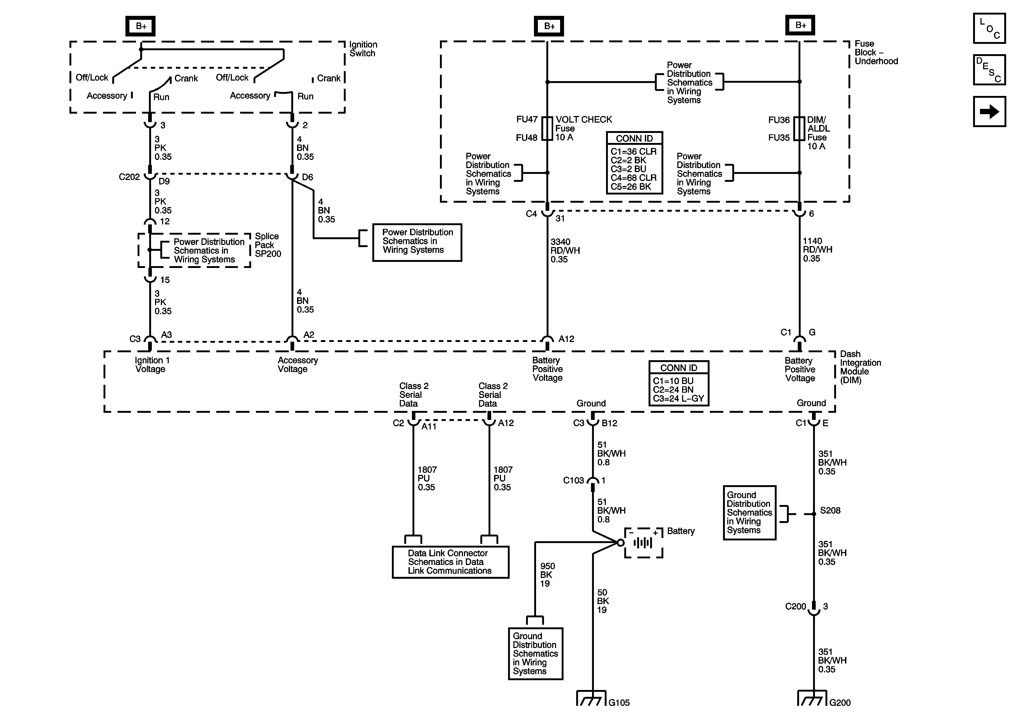
Figure 1:

DIM Power, Ground, and Seial Data


Object Number: 1202687  Size: FS
Master Electrical Component List
Body Control System Description and Operation
DIM Inputs and Outputs - 1 of 2
RIM and THEFT Fuses and Ignition Switch - 2 of 2
RIM and THEFT Fuses and Ignition Switch - 2 of 2
CCP (B+), DIM/ALDL, EBCM (B+), ECM/TCM, FLASHER, and VOLT CHECK Fuses
Fuse Block - Underhood B+ Bus Schematic
CCP (B+), DIM/ALDL, EBCM (B+), ECM/TCM, FLASHER, and VOLT CHECK Fuses
Class 2 Serial Data - 1 of 2
G200
G102, G105, G107, G108, G109 and G110
G102, G105, G107, G108, G109 and G110
G200
Figure 2:

DIM Inputs and Outputs - 1 of 2


Object Number: 1202692  Size: FS
Master Electrical Component List
Body Control System Description and Operation
DIM Inputs and Outputs - 2 of 2
DIM Power, Ground and Serial Data
Courtesy/Reading Lamps
Headlamp Controls
Front Fog Lamps
Headlamp Controls
Horns Schematic
Headlamp Controls
Park Lamp Relay, Switch and Instrument Cluster (Dom, Exp) Schematic
Interior Lights Dimming Controls
Headlamp Controls
Ignition Lock Schematic
Headlamp Controls
Audible Warnings
Front Wiper/Washer Controls
Front Fog Lamps
Figure 3:

DIM Inputs and Outputs - 2 of 2


Object Number: 1202693  Size: FS
Master Electrical Component List
Body Control System Description and Operation
RIM Power, Ground and Serial Data
DIM Inputs and Outputs - 1 of 2
Turn/Hazard Flasher Module Schematic
Courtesy/Reading Lamps
Content Theft Deterrent (CTD)
Front Fog Lamps
Front Washer (CE4)
Headlamp Controls
Turn/Hazard Flasher Module Schematic
Front Washer (CE4)
Courtesy/Reading Lamps
Cigar Lighter/Auxiliary Outlets Schematics
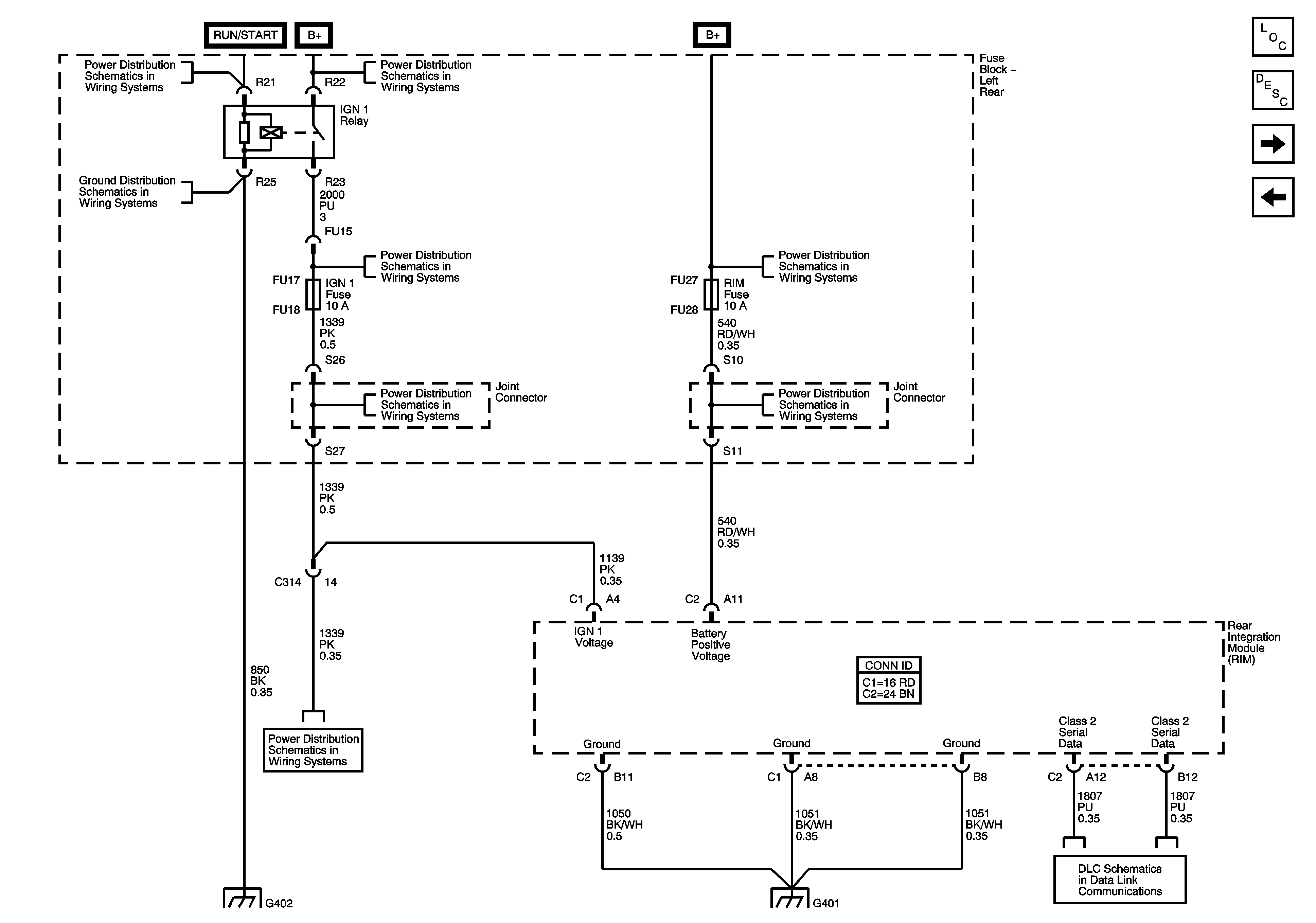
Figure 4:

RIM Power, Ground, and Serial Data


Object Number: 1202694  Size: FS
Master Electrical Component List
Body Control System Description and Operation
Rim Inputs and Outputs
DIM Inputs and Outputs - 2 of 2
RIM and THEFT Fuses and Ignition Switch - 2 of 2
Fuse Block - Left Rear B+ Bus
G402 - 1 of 2
AIRBAG, CCP (RUN), EBCM (RUN), HDLP LEVELING, IGN 1, AND IGN 3 Fuses
Fuse Block - Left Rear B+ Bus
AIRBAG, CCP (RUN), EBCM (RUN), HDLP LEVELING, IGN 1, AND IGN 3 Fuses
POWER SOUNDER, RIM, RT FRT DR MOD, SUSPNTN, and VICS/RAP Fuses
AIRBAG, CCP (RUN), EBCM (RUN), HDLP LEVELING, IGN 1, AND IGN 3 Fuses
G402 - 1 of 2
G401 - 1 of 2
Class 2 Serial Data - 2 of 2
Figure 5:

RIM Inputs and Outputs


Object Number: 1202695  Size: FS
Master Electrical Component List
Body Control System Description and Operation
RIM Power, Ground and Serial Data
Content Theft Deterrent (CTD) Sensors and Sirens (UA2)
Content Theft Deterrent (CTD) Sensors and Sirens (UA2)
Indicators, Traction Control, and Brake Pedal Position
Courtesy/Reading Lamps
Heated Seats (KA1)
Heated Seat
Courtesy Lamps
Backup Lamps (Domestic, Export) Schematic
Rear Fog Lamps
Content Theft Deterrent (CTD) Sensors and Sirens (UA2)
Heated Seat
Heated Seats (KA1)
Sunroof and Front Sunshade
License, Park and Side Marker Lamps (Export) Schematic
Liftgate Ajar Schematic
Rear Parking Assist Schematic
Shift Lock Control Schematic
Defogger Schematic