GM Service Manual Online
For 1990-2009 cars only
Figure 1:

ECM Power, Ground, Serial Data, and MIL


Object Number: 1820837  Size: FS
Master Electrical Component List
Engine Control Module Description
Control Module References
Engine Data Sensors - 5-Volt and Low Reference
Fuse Block Underhood Wiring Bussing
Fuse Block Underhood Wiring Bussing
Fuse Block Underhood Wiring Bussing
Fuse Block - Right Rear - Lt Turn Signal, RIM 1, Rear Fog Lamp, Ft Pass Door Module, Htd Stg Clm, IGN 1, RIM 2 and Airbag Fuses, Rear Fog Lamp and Ign 1 Relays
Fuse Block - Underhood Fuses/Relays: IPM/ALDL, Auto Headlamp Dimming, CCP, ECM/TCM, WPR MOD, WPR SW/VICS and Rain Sensor/HDLP Wash Fuses; ACC Relay
Fuse Block Underhood Wiring Bussing
Fuse Block - Underhood: Main, Low Speed, Hi Speed, and S/P Fan Relays, V8 ECM, PRE O2/CAM, HFV6 ECM, Low Speed Fan, Hi Speed Fan Fuses
Fuse Block - Underhood: Starter, RUN/CRANK Relays; Starter, Starter Relay, CCP, TCM/IPM/ECM, MAF, ABS and Washer Nozzle/ACC Fuses
G104 (1 of 2)
Engine Data Sensors - Pressure, Temperature, MAF, VSS
Power, Grounds, ECM, IPM
Automatic Transmission Shift Lock Control Schematics
G100 (LH2/LC3)
ECM, EBCM
G104 (1 of 2)
Figure 2:

Engine Data Sensors - 5-Volt and Low Reference


Object Number: 1820848  Size: FS
Master Electrical Component List
Engine Control Module Description
Control Module References
Engine Data Sensors - Pressure, Temperature, MAF, VSS
ECM. Power, Ground, Serial Data, and MIL
Figure 3:

Ignition Controls - CMP Sensors and Solenoids


Object Number: 1845306  Size: FS
Master Electrical Component List
Engine Control Module Description
Control Module References
Engine Data Sensors - Pressure, Temperature, MAF, VSS
Engine Data Sensors - 5-Volt and Low Reference
Figure 4:

Engine Data Sensors - Pressure, Temperature, MAF, VSS


Object Number: 1820852  Size: FS
Master Electrical Component List
Engine Control Module Description
Control Module References
Engine Data Sensors - Oxygen Sensors
Engine Data Sensors - 5 Volt and Low Reference 2 of 2
ECM. Power, Ground, Serial Data, and MIL
G100 (LH2/LC3)
Figure 5:

Engine Data Sensors - Oxygen Sensors


Object Number: 1820888  Size: FS
Master Electrical Component List
Engine Control Module Description
Control Module References
Engine Data Sensors - Electronic Throttle Controls
Engine Data Sensors - Pressure, Temperature, MAF, VSS
Fuse Block Underhood Wiring Bussing
Figure 6:

Engine Data Sensors - Electronic Throttle Controls


Object Number: 1820894  Size: FS
Master Electrical Component List
Engine Control Module Description
Control Module References
Ignition Controls - Ignition System Bank 1
Engine Data Sensors - Oxygen Sensors
Engine Controls Schematic Icons
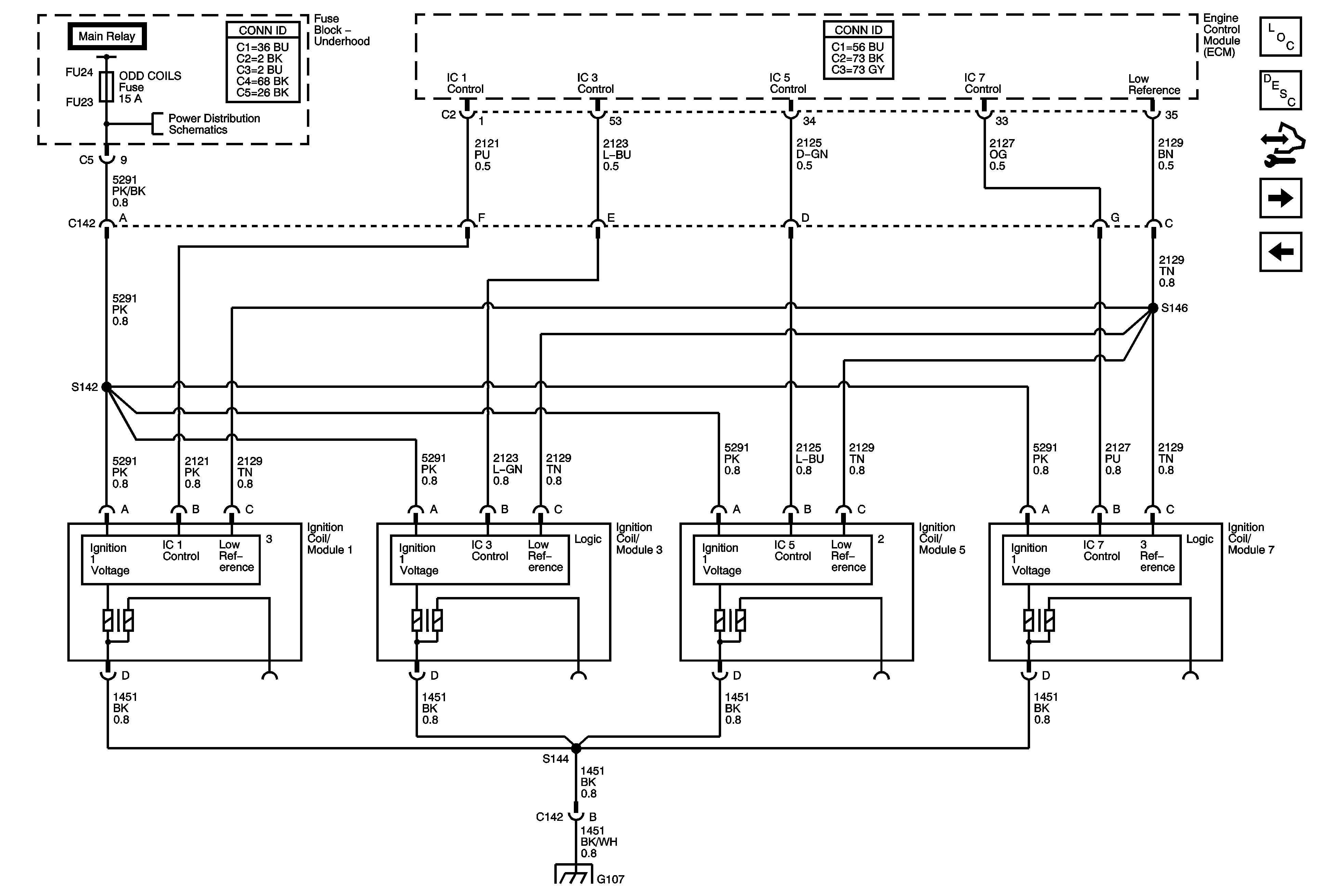
Figure 7:

Ignition Controls - Ignition System Bank 1


Object Number: 1821314  Size: FS
Master Electrical Component List
Engine Control Module Description
Control Module References
Ignition Controls - Ignition System Bank 2
Engine Data Sensors - Electronic Throttle Controls
Fuse Block - Underhood: Odd Inj/Coils, Even Inj/Coils and Post O2 Fuses
G107 (LH2/LC3), G113 (LY7)
Figure 8:

Ignition Controls - Ignition System Bank 2


Object Number: 1821342  Size: FS
Master Electrical Component List
Engine Control Module Description
Control Module References
Ignition Controls - CMP Sensors and Solenoids
Ignition Controls - Ignition System Bank 1
Fuse Block - Underhood: Odd Inj/Coils, Even Inj/Coils and Post O2 Fuses
G107 (LH2/LC3), G113 (LY7)
Figure 9:

Ignition Controls - CMP Sensors and Solenoids


Object Number: 1821800  Size: FS
Master Electrical Component List
Engine Control Module Description
Control Module References
Crankshaft Position (CKP) Sensor and Knock Sensors
Ignition Controls - Ignition System Bank 2
Figure 10:

Crankshaft Position (CKP) Sensor and Knock Sensors


Object Number: 1821805  Size: FS
Master Electrical Component List
Engine Control Module Description
Control Module References
Fuel Controls - Injectors and Pump
Ignition Controls - CMP Sensors and Solenoids
Engine Controls Schematic Icons
Engine Controls Schematic Icons
Engine Controls Schematic Icons
Engine Controls Schematic Icons
Engine Controls Schematic Icons
Engine Controls Schematic Icons
Figure 11:

Fuel Controls - Injectors and Pump


Object Number: 1821811  Size: FS
Master Electrical Component List
Engine Control Module Description
Control Module References
07 STS Engine Controls 4.4L - Fuel Controls - EVAP, Fuel Tank Pressure (FTP) Sensor, and Vacuum Bypass Valve
Crankshaft Position (CKP) Sensor and Knock Sensors
Fuse Block - Underhood: Odd Inj/Coils, Even Inj/Coils and Post O2 Fuses
Fuse Block Underhood Wiring Bussing
G401 (1 of 2)
G401 (1 of 2)
Engine Oil and Fuel Tank Level
Figure 12:

Fuel Controls - EVAP, Fuel Tank Pressure (FTP) Sensor, Vacuum Bypass Valve


Object Number: 1821823  Size: FS
Master Electrical Component List
Engine Control Module Description
Control Module References
Controlled/Monitored Subsystem References
Fuel Controls - Injectors and Pump
Fuse Block - Underhood: Main, Low Speed, Hi Speed, and S/P Fan Relays, V8 ECM, PRE O2/CAM, HFV6 ECM, Low Speed Fan, Hi Speed Fan Fuses
Fuse Block - Right Rear Bussing
Engine Oil and Fuel Tank Level
Figure 13:

Controlled/Monitored Subsystem References


Object Number: 1821834  Size: FS
Master Electrical Component List
Engine Control Module Description
Control Module References
Charge Air Cooler (CAC) Coolant Pump
07 STS Engine Controls 4.4L - Fuel Controls - EVAP, Fuel Tank Pressure (FTP) Sensor, and Vacuum Bypass Valve
Power, Grounds, ECM, IPM
Starting System - LH2
Charging System
Cooling Fans
Automatic Transmission Shift Lock Control Schematics
Indicators
A/C Refrigerant Pressure Sensor and Compressor Clutch
Backup Lamps, CHMSL - Domestic and Export
Engine Oil and Fuel Tank Level
Figure 14:

Charge Air Cooler (CAC) Coolant Pump


Object Number: 1821850  Size: FS
Master Electrical Component List
Engine Control Module Description
Control Module References
Engine Data Sensors - IAT2, BARO, SCIAP
Controlled/Monitored Subsystem References
Fuse Block - Left Rear Bussing
G100 (LH2/LC3)
Figure 15:

Engine Data Sensors -- IAT 2, BARO, SCIAP


Object Number: 1821907  Size: FS
Master Electrical Component List
Engine Control Module Description
Control Module References
Charge Air Cooler (CAC) Coolant Pump