GM Service Manual Online
For 1990-2009 cars only
Figure 1:

Module Power, Ground, Serial Data, and MIL


Object Number: 1220523  Size: FS
Master Electrical Component List
Powertrain Control Module Description
OBD II Symbol Description Notice
Power Distribution Schematics-Battery Feed to Fuseblock Underhood
Power Distribution Schematics-Ignition Switch Supply
Power Distribution Schematics-Ignition Switch Supply
Data Link Connector (DLC) Schematics-Serial Data Line (LH Drive) (1 of 2)
Ground Distribution Schematics-G106
Figure 2:

Engine Data Sensors -- 5 Volt and Low Reference


Object Number: 1220557  Size: FS
Master Electrical Component List
Powertrain Control Module Description
Engine Controls Schematics-Engine Data Sensors, Pressure and Temperature
Engine Controls Schematics-Module Power,Ground,Serial Data and MIL
OBD II Symbol Description Notice
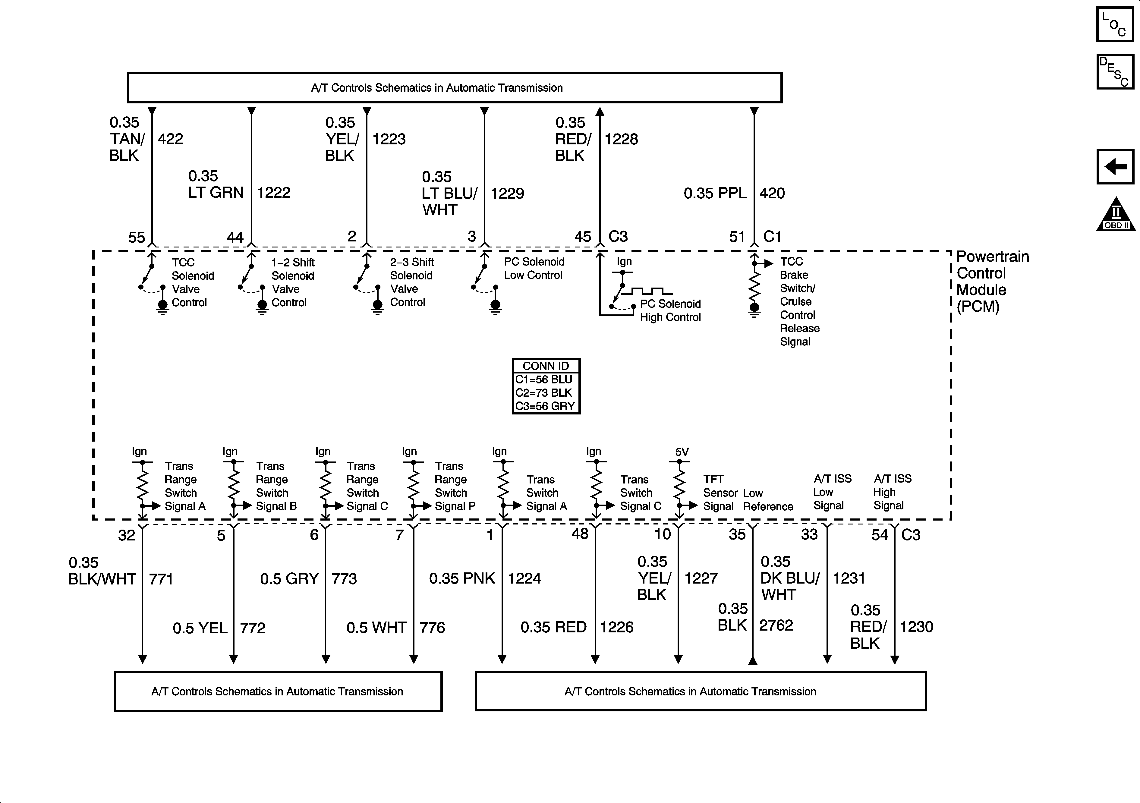
Figure 3:

Engine Data Sensors -- Pressure and Temperature


Object Number: 1220560  Size: FS
Master Electrical Component List
Powertrain Control Module Description
Power Distribution Schematics-Battery Feed to Fuseblock Underhood
Engine Controls Schematics-Engine Data Sensors (HO2S)
Engine Data Sensors, 5 Volt and Low Reference
OBD II Symbol Description Notice
Automatic Transmission Controls-Trans Internal Mode Switch (IMS) and (VSS)
Automatic Transmission Controls Schematics-TCC/Cruise Rel. Switch,Solenoids
Ground Distribution Schematics-G106
Instrument Cluster Schematics-PCM Signals
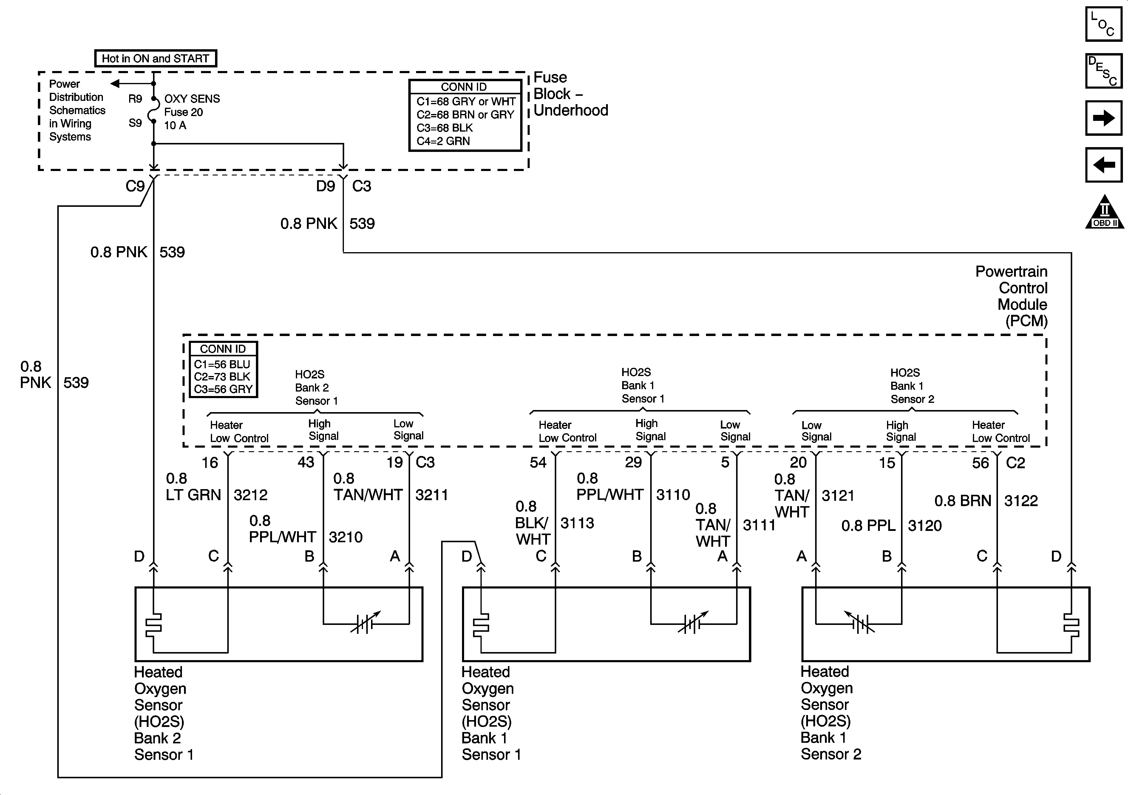
Figure 4:

Engine Data Sensors -- HO2S


Object Number: 1220566  Size: FS
Master Electrical Component List
Electronic Ignition (EI) System Description
Odd bank Ignition Modules
Engine Controls Schematics-Engine Data Sensors, Pressure and Temperature
OBD II Symbol Description Notice
Power Distribution Schematics-Battery Feed to Fuseblock Underhood
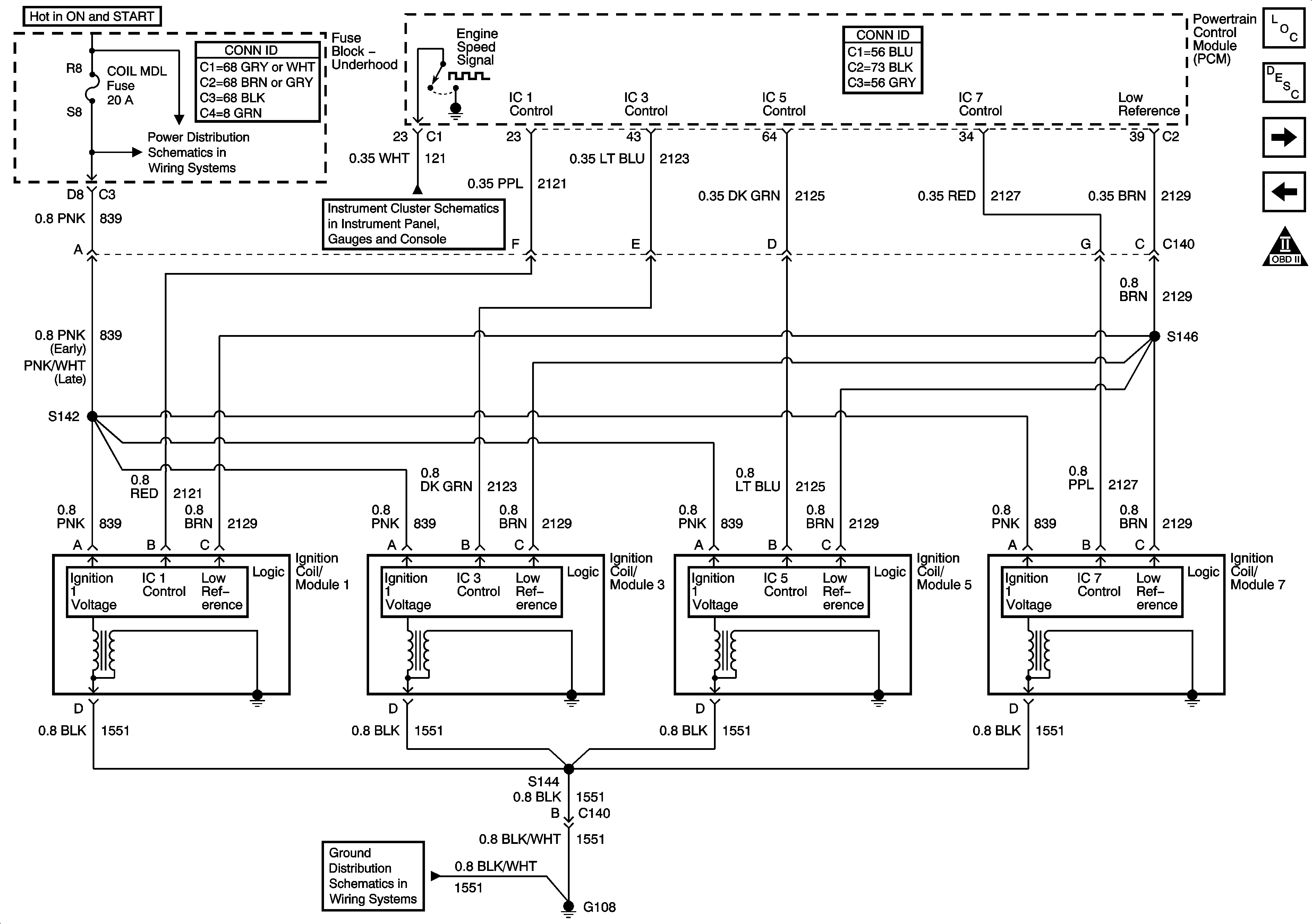
Figure 5:

Ignition Coil/Module 1,3,5, and 7


Object Number: 1370975  Size: FS
Master Electrical Component List
Electronic Ignition (EI) System Description
Engine Controls Schematics-Engine Data Sensors (HO2S)
OBD II Symbol Description Notice
G108
Instrument Cluster Schematics-PCM Signals
Even Ignition Coil Modules
Coil Module Fuse
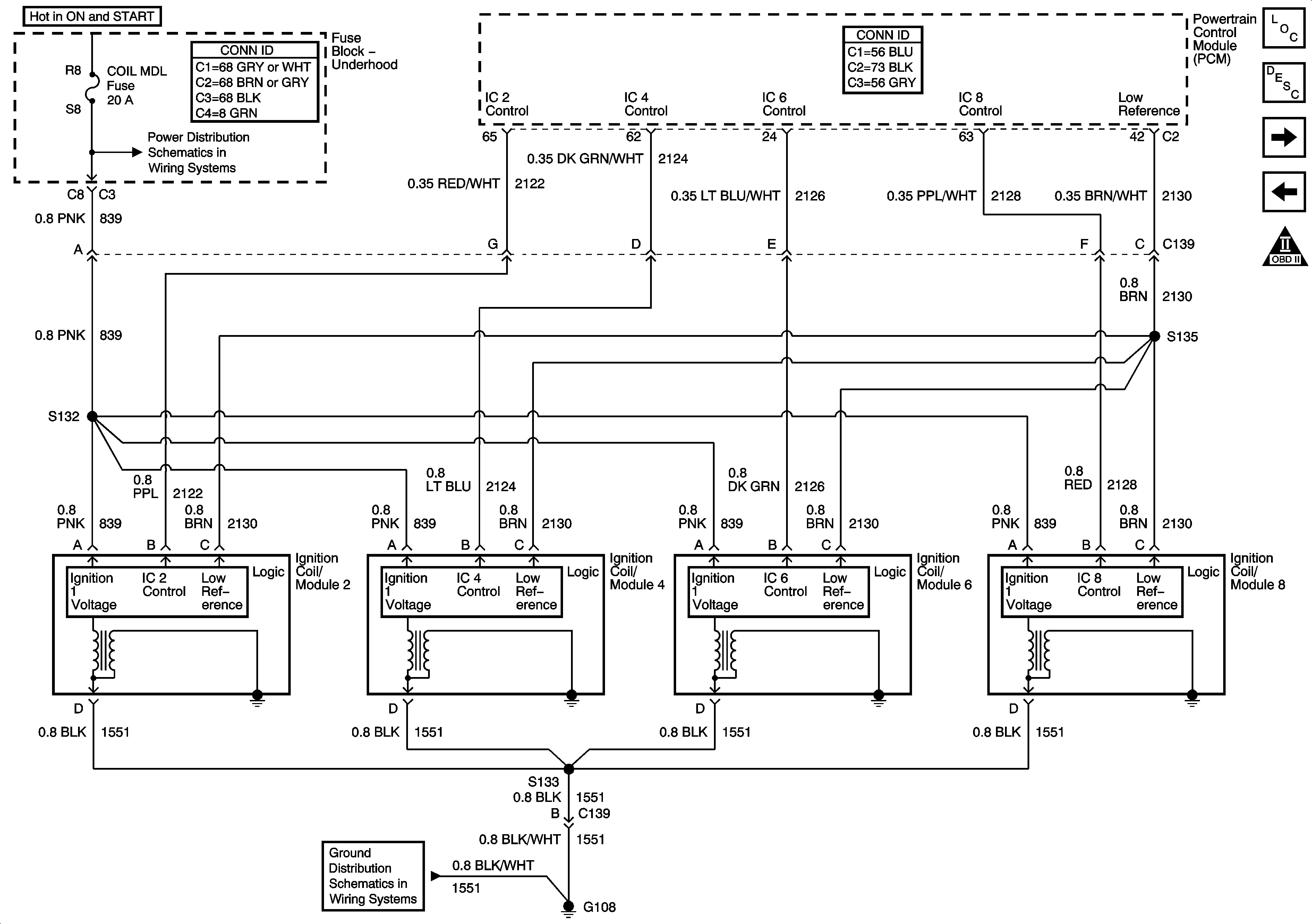
Figure 6:

Ignition Coil/ Modules 2,4,6, and 8


Object Number: 1370977  Size: FS
Master Electrical Component List
Electronic Ignition (EI) System Description
Engine Controls Schematics-Ignition Controls Sensors
OBD II Symbol Description Notice
G108
Odd bank Ignition Modules
Coil Module Fuse
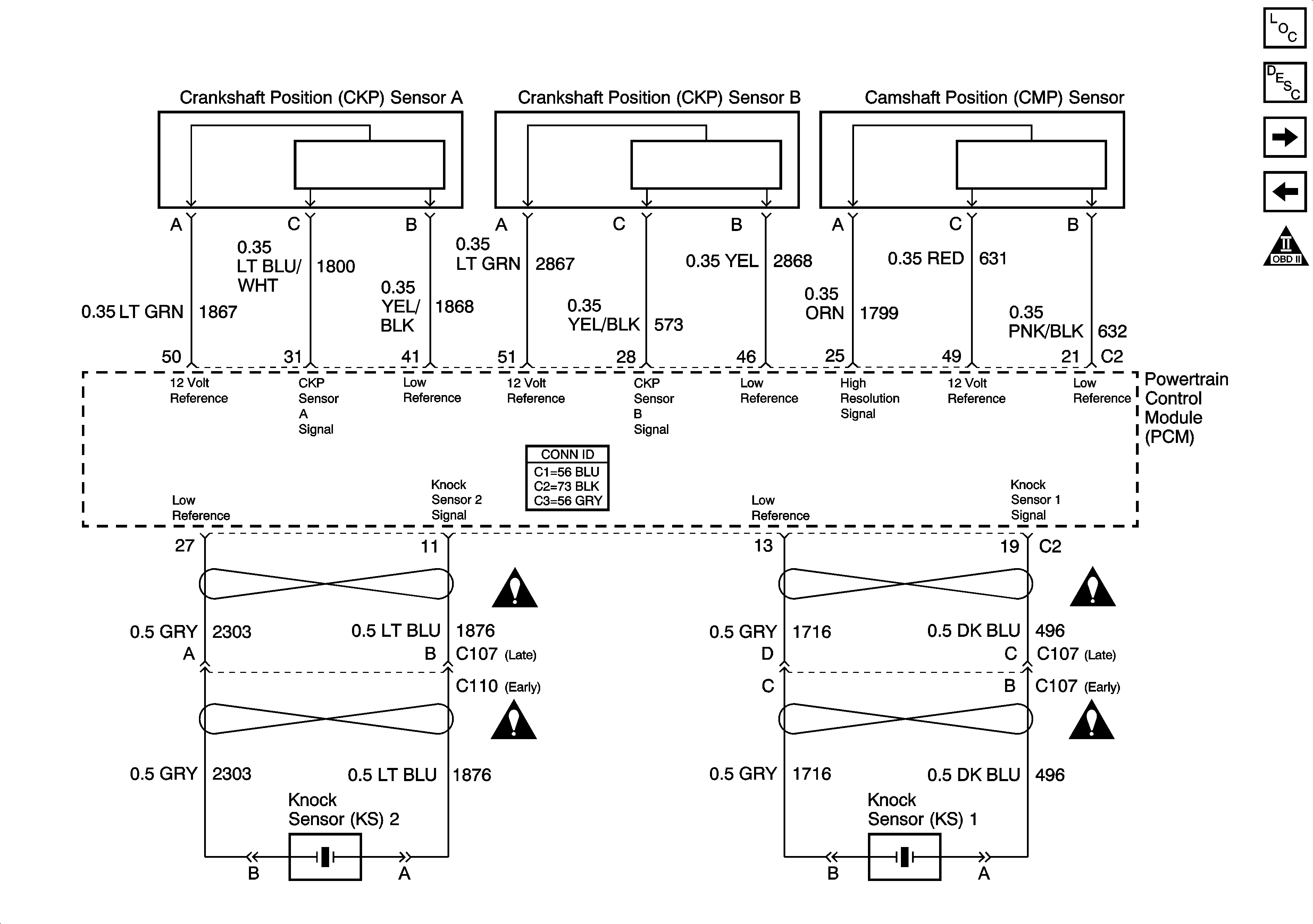
Figure 7:

Ignition Controls -- Sensors


Object Number: 1220576  Size: FS
Master Electrical Component List
Electronic Ignition (EI) System Description
Engine Controls Schematics-Fuel Controls, Fuel Pump, and EVAP Controls
Engine Controls Schematics-Ignition Controls and Ignition Systems
OBD II Symbol Description Notice
Engine Controls Schematic Icons
Engine Controls Schematic Icons
Figure 8:

Fuel Controls -- Fuel Pump and EVAP Controls


Object Number: 1220580  Size: FS
Master Electrical Component List
Electronic Ignition (EI) System Description
Engine Controls Schematics-Fuel Controls and Fuel Injectors
Engine Controls Schematics-Ignition Controls Sensors
OBD II Symbol Description Notice
Power Distribution Schematics-Battery Feed to Fuse Block Rear
Power Distribution Schematics-Battery Feed to Fuse Block Rear
Power Distribution Schematics-Battery Feed to Fuseblock Underhood
Ground Distribution Schematics-G301
Ground Distribution Schematics-G401 (1 of 3)
Instrument Cluster Schematics-PCM Signals
Figure 9:

Fuel Controls -- Fuel Injectors


Object Number: 1220590  Size: FS
Master Electrical Component List
Electronic Ignition (EI) System Description
Engine Controls Schematics-Device COntrols
Engine Controls Schematics-Fuel Controls, Fuel Pump, and EVAP Controls
OBD II Symbol Description Notice
Power Distribution Schematics-Battery Feed to Fuseblock Underhood
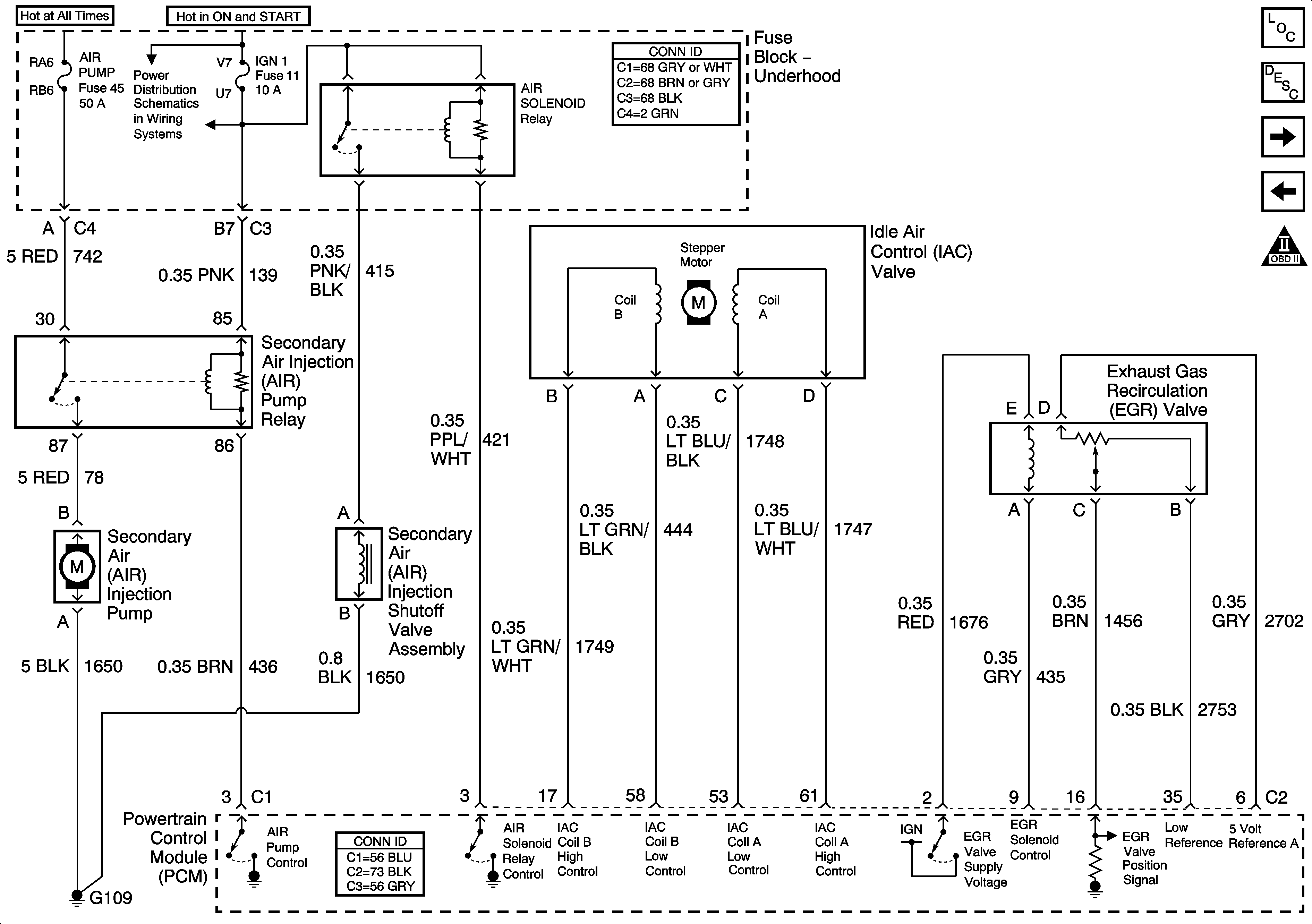
Figure 10:

Device Controls


Object Number: 1220595  Size: FS
Master Electrical Component List
Powertrain Control Module Description
Engine Controls Schematics-Controlled/Monitored Subsystem References
Engine Controls Schematics-Fuel Controls and Fuel Injectors
OBD II Symbol Description Notice
Power Distribution Schematics-Ignition 1 Fuse
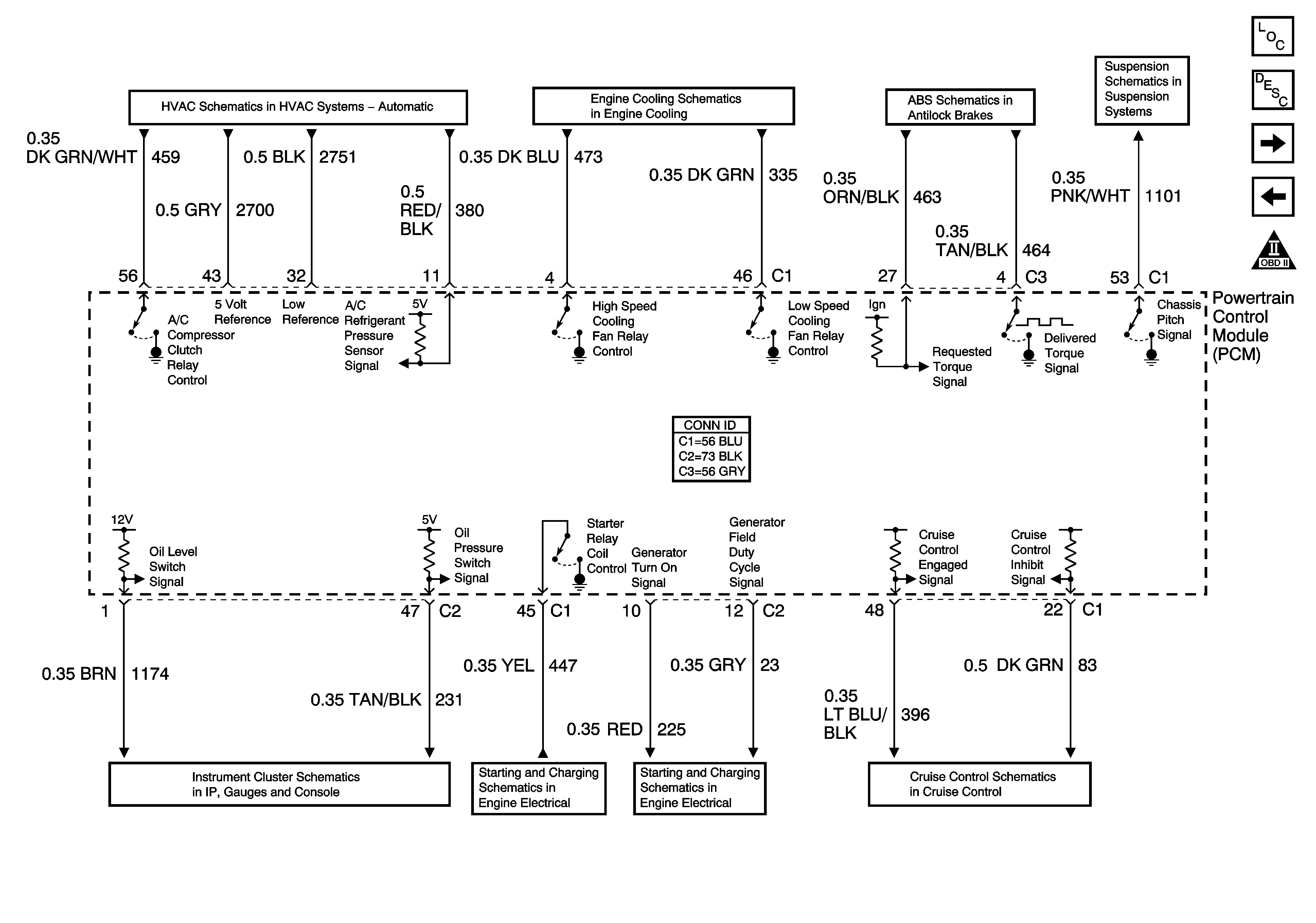
Figure 11:

Controlled/Monitored Subsystem References


Object Number: 1220600  Size: FS
Master Electrical Component List
Powertrain Control Module Description
Engine Controls Schematics-Transmission Controls A/T
Engine Controls Schematics-Device COntrols
OBD II Symbol Description Notice
HVAC Schematics-A/C Compressor Clutch
Engine Cooling Schematics-Cooling Fans
ABS Schematics-Suspension Inputs,Class 2, and Variable Effort Steering
Suspension Controls Schematics-Power and Ground
Instrument Cluster Schematics-PCM and IPM Signals
Starting and Charging Schematics-Starting Controls
Starting and Charging Schematics-Generator Controls
Cruise Control Schematics-PCM Controls and Class 2
Figure 12:

Transmission Controls -- A/T


Object Number: 1220607  Size: FS
Master Electrical Component List
Powertrain Control Module Description
Engine Controls Schematics-Controlled/Monitored Subsystem References
OBD II Symbol Description Notice
Automatic Transmission Controls Schematics-TCC/Cruise Rel. Switch,Solenoids
Automatic transmission Controls-Transaxle Sensors
Automatic Transmission Controls-Trans Internal Mode Switch (IMS) and (VSS)