GM Service Manual Online
For 1990-2009 cars only
Figure 1:

ECM Power, Ground, MIL, and Serial Data


Object Number: 1753445  Size: FS
Master Electrical Component List
Engine Control Module Description
Control Module References
5-Volt Reference Bussing
Fuse Block - Underhood Bussing
COOLFAN, AMP, HVAC, ABS, MRRTD, ECM/TCM, HORN, BATT 2 Fuses, and HORN, REAR DEFOG Relays
COOLFAN, AMP, HVAC, ABS, MRRTD, ECM/TCM, HORN, BATT 2 Fuses, and HORN, REAR DEFOG Relays
Fuse Block - Underhood Bussing
Fuse Block - Underhood Bussing
CLUSTER, A.C. LATCH/PK BRK B, DOOR LOCKS, INTERIOR LIGHTS, HVAC/PWR SND, ISRVM/HVAC, TUTD SW/STRG COL SW FUSES, and RUN/CRANK Relay 2
CLUSTER, A.C. LATCH/PK BRK B, DOOR LOCKS, INTERIOR LIGHTS, HVAC/PWR SND, ISRVM/HVAC, TUTD SW/STRG COL SW FUSES, and RUN/CRANK Relay 2
RPA/H/C SEAT, GMLAN DEVICES, ECM, SDM/PSIR SW, ACC/TCM, and ABS/MRRTD Fuses
RPA/H/C SEAT, GMLAN DEVICES, ECM, SDM/PSIR SW, ACC/TCM, and ABS/MRRTD Fuses
Power, Ground, and DLC
Power, Ground, and DLC
Power, Ground, and DLC
Class 2
GMLAN
G104 and G106
G104 and G106
G104 and G106
Figure 2:

5-Volt Reference Bussing


Object Number: 1753446  Size: FS
Master Electrical Component List
Engine Control Module Description
Control Module References
Low Reference Bussing
ECM Power, Ground, MIL, and Serial Data
Figure 3:

Low Reference Bussing


Object Number: 1753448  Size: FS
Master Electrical Component List
Engine Control Module Description
Control Module References
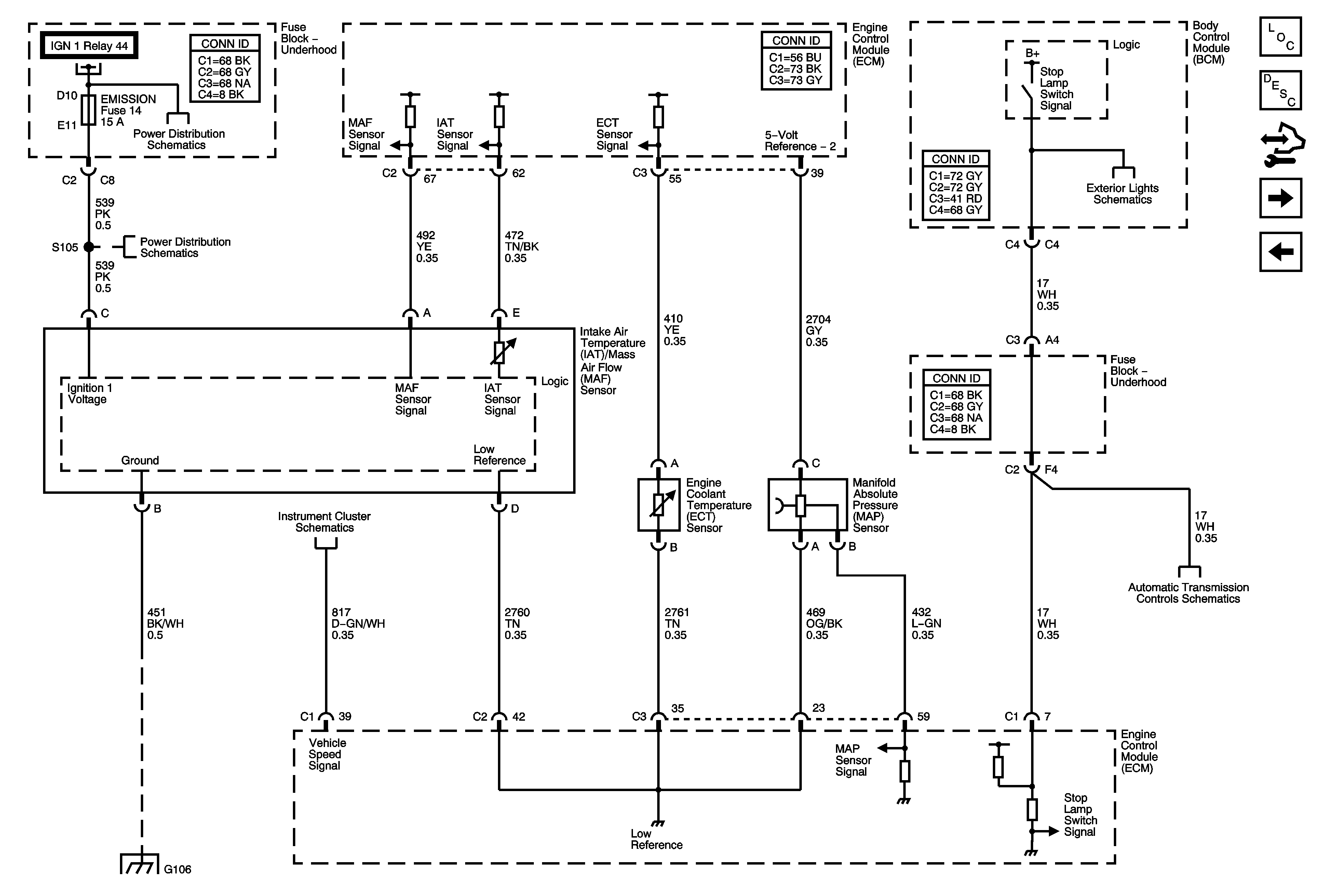
MAF/IAT, ECT, MAP Sensors, and Stop Lamp Switch Signal
5-Volt Reference Bussing
Figure 4:

MAF/IAT, ECT, MAP Sensors, and Stop Lamp Switch Signal


Object Number: 1753449  Size: FS
Master Electrical Component List
Engine Control Module Description
Control Module References
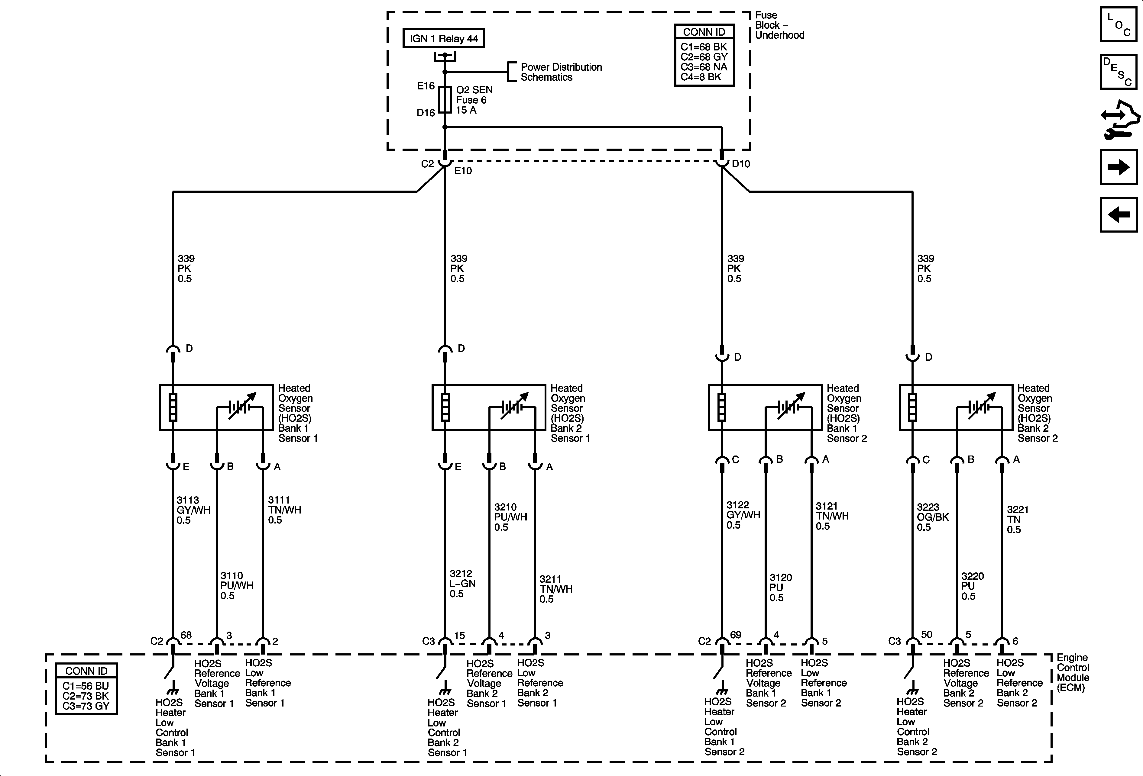
Heated Oxygen Sensors
Low Reference Bussing
ETC, O2 SEN, EMISSION, ODD INJ, EVEN INJ, and IGN 1, A/C COMP Relays
ETC, O2 SEN, EMISSION, ODD INJ, EVEN INJ, and IGN 1, A/C COMP Relays
ETC, O2 SEN, EMISSION, ODD INJ, EVEN INJ, and IGN 1, A/C COMP Relays
Stop and License Lamps
Gages
Power, Ground, and Serial Data
G104 and G106
Figure 5:

Heated Oxygen Sensors


Object Number: 1753459  Size: FS
Master Electrical Component List
Engine Control Module Description
Control Module References
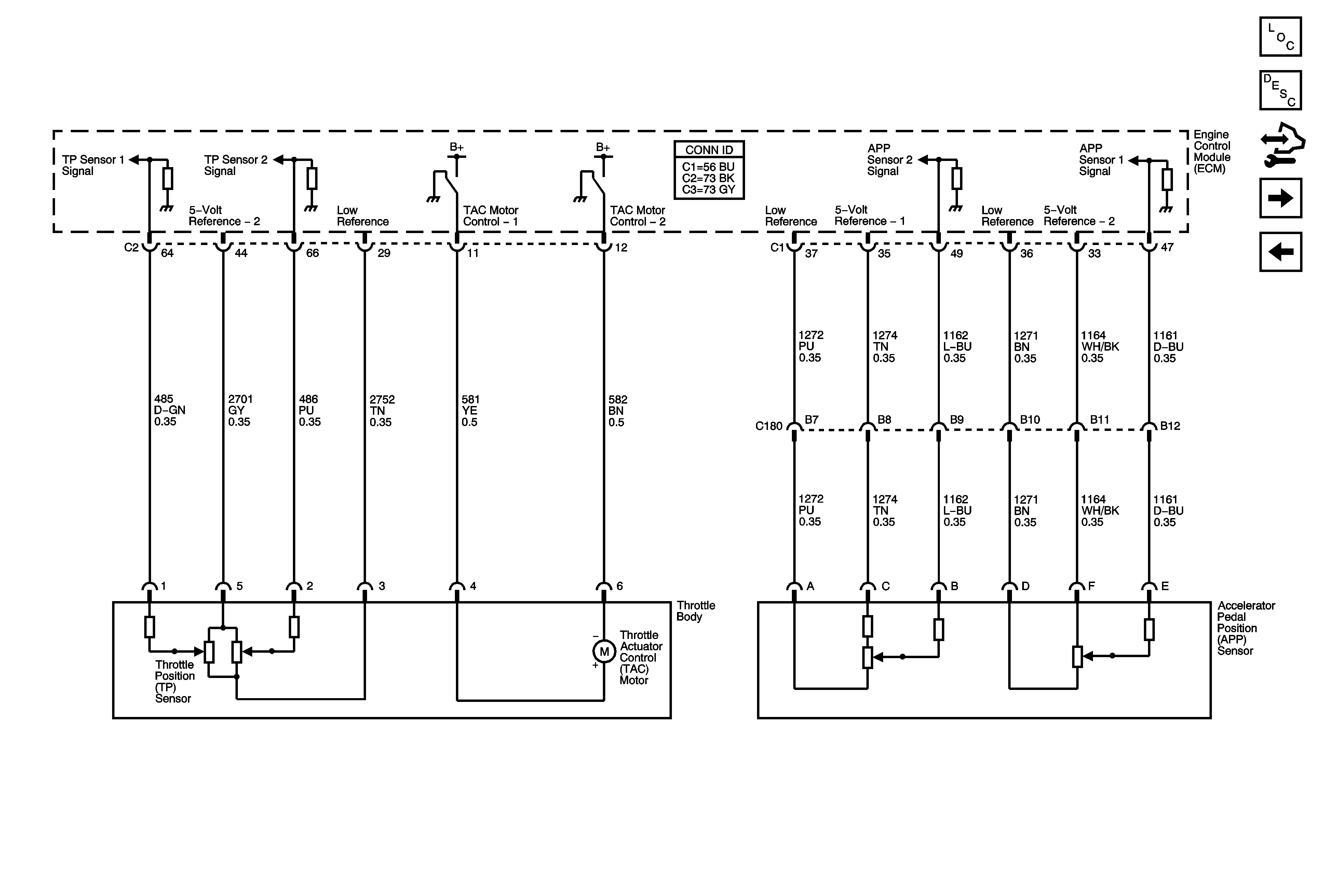
Electronic Throttle Controls
MAF/IAT, ECT, MAP Sensors, and Stop Lamp Switch Signal
ETC, O2 SEN, EMISSION, ODD INJ, EVEN INJ, and IGN 1, A/C COMP Relays
ETC, O2 SEN, EMISSION, ODD INJ, EVEN INJ, and IGN 1, A/C COMP Relays
Figure 6:

Electronic Throttle Controls


Object Number: 1753470  Size: FS
Master Electrical Component List
Engine Control Module Description
Control Module References
SCIAP, IAT 2, BARO Sensors, and Super Charger Vacuum Bypass Valve
Heated Oxygen Sensors
Figure 7:

SCIAP, IAT2, BARO Sensors, Super Charger Vacuum Bypass Valve, and Charge Air Cooler (CAC) Coolant Pump


Object Number: 1753485  Size: FS
Master Electrical Component List
Engine Control Module Description
Control Module References
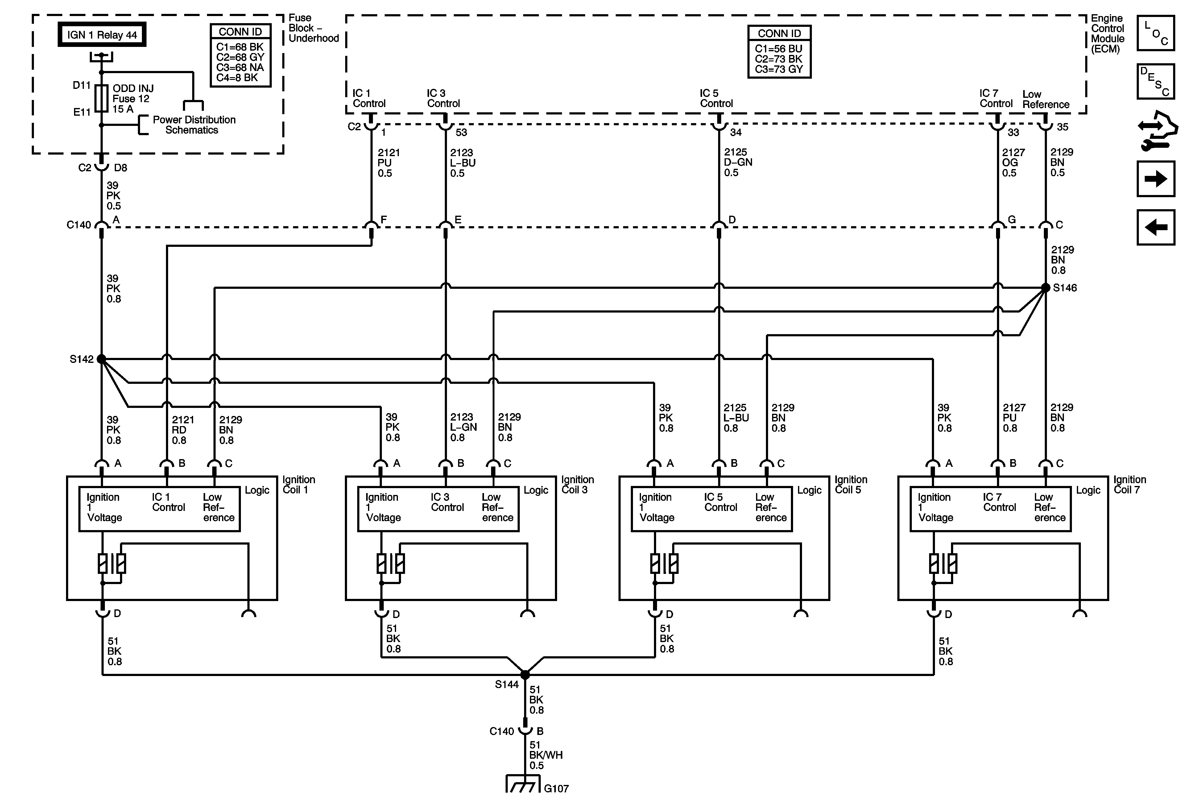
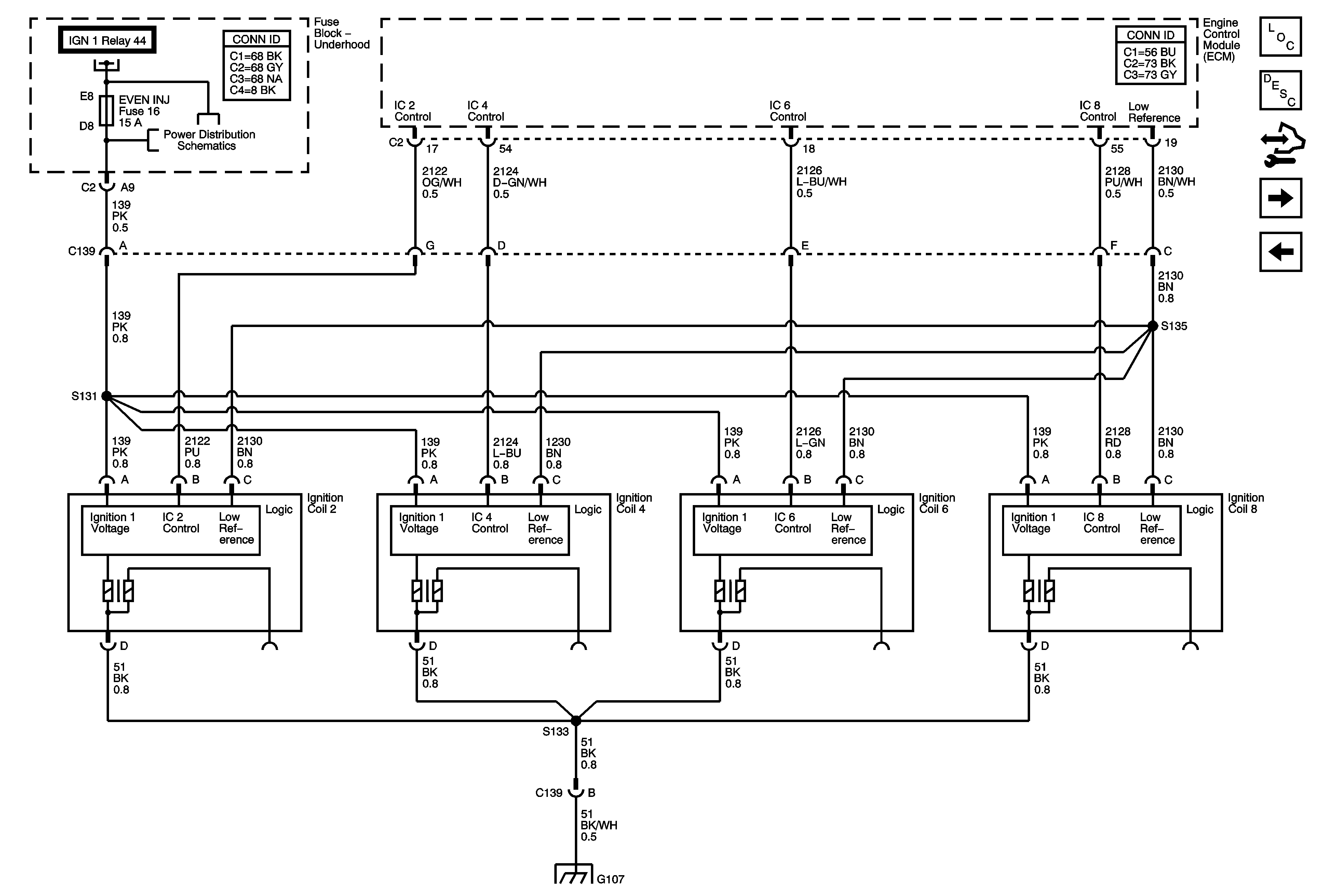
Ignition Coils Bank 1
Electronic Throttle Controls
ETC, O2 SEN, EMISSION, ODD INJ, EVEN INJ, and IGN 1, A/C COMP Relays
ETC, O2 SEN, EMISSION, ODD INJ, EVEN INJ, and IGN 1, A/C COMP Relays
ETC, O2 SEN, EMISSION, ODD INJ, EVEN INJ, and IGN 1, A/C COMP Relays
Fuse Block - Underhood Bussing
COOLFAN, AMP, HVAC, ABS, MRRTD, ECM/TCM, HORN, BATT 2 Fuses, and HORN, REAR DEFOG Relays
COOLFAN, AMP, HVAC, ABS, MRRTD, ECM/TCM, HORN, BATT 2 Fuses, and HORN, REAR DEFOG Relays
G102
Figure 8:

Ignition Coils Bank 1


Object Number: 1753487  Size: FS
Master Electrical Component List
Engine Control Module Description
Control Module References
Ignition Coils Bank 2
SCIAP, IAT 2, BARO Sensors, and Super Charger Vacuum Bypass Valve
ETC, O2 SEN, EMISSION, ODD INJ, EVEN INJ, and IGN 1, A/C COMP Relays
ETC, O2 SEN, EMISSION, ODD INJ, EVEN INJ, and IGN 1, A/C COMP Relays
G105, G107, G109, G110, G111 and G112
Figure 9:

Ignition Coils Bank 2


Object Number: 1753489  Size: FS
Master Electrical Component List
Engine Control Module Description
Control Module References
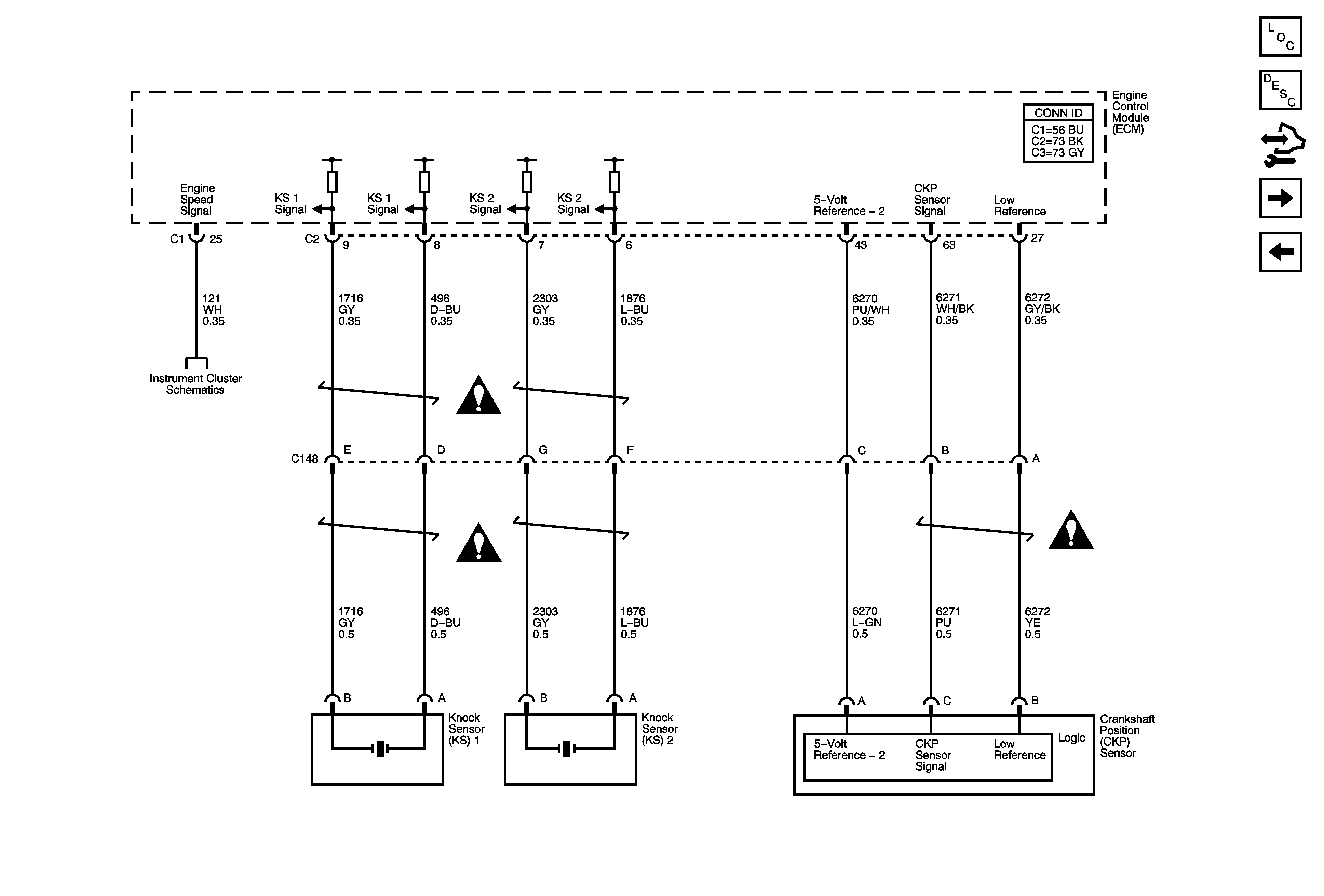
CKP and KS Sensors
Ignition Coils Bank 1
ETC, O2 SEN, EMISSION, ODD INJ, EVEN INJ, and IGN 1, A/C COMP Relays
ETC, O2 SEN, EMISSION, ODD INJ, EVEN INJ, and IGN 1, A/C COMP Relays
G105, G107, G109, G110, G111 and G112
Figure 10:

CKP and KS Sensors


Object Number: 1753490  Size: FS
Master Electrical Component List
Engine Control Module Description
Control Module References
CMP Sensors and Actuators
Ignition Coils Bank 2
Gages
Engine Controls Schematic Icons
Engine Controls Schematic Icons
Engine Controls Schematic Icons
Figure 11:

CMP Sensors and Actuators


Object Number: 1753493  Size: FS
Master Electrical Component List
Engine Control Module Description
Control Module References
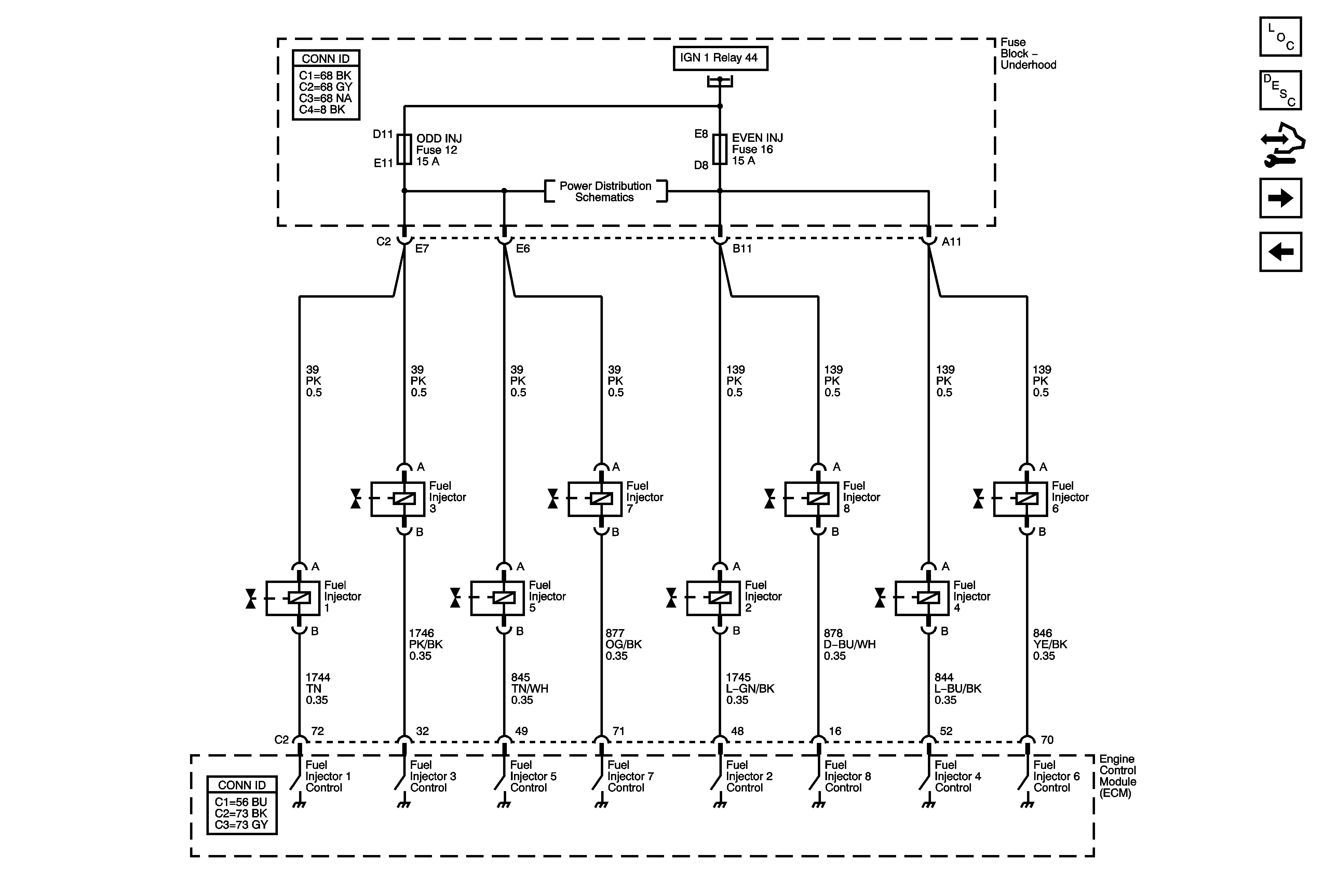
Fuel Injectors
CKP and KS Sensors
Figure 12:

Fuel Injectors


Object Number: 1753495  Size: FS
Master Electrical Component List
Engine Control Module Description
Control Module References
EVAP Solenoids, and FTP Sensor
CMP Sensors and Actuators
ETC, O2 SEN, EMISSION, ODD INJ, EVEN INJ, and IGN 1, A/C COMP Relays
ETC, O2 SEN, EMISSION, ODD INJ, EVEN INJ, and IGN 1, A/C COMP Relays
Figure 13:

EVAP Solenoids, and FTP Sensor


Object Number: 1753499  Size: FS
Master Electrical Component List
Engine Control Module Description
Control Module References
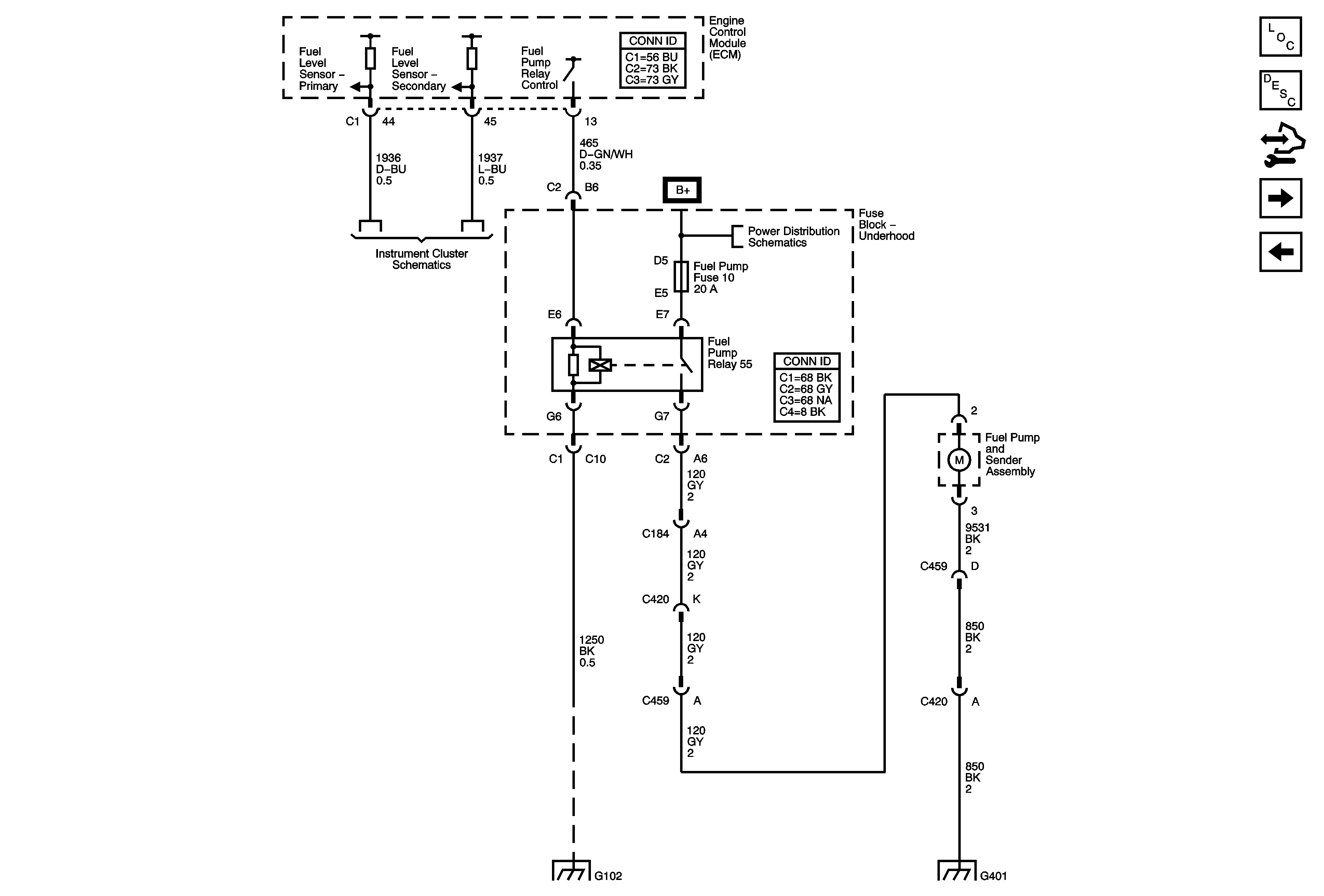
Fuel Pump Controls
Fuel Injectors
ETC, O2 SEN, EMISSION, ODD INJ, EVEN INJ, and IGN 1, A/C COMP Relays
ETC, O2 SEN, EMISSION, ODD INJ, EVEN INJ, and IGN 1, A/C COMP Relays
ETC, O2 SEN, EMISSION, ODD INJ, EVEN INJ, and IGN 1, A/C COMP Relays
Fuse Block - Underhood Bussing
COOLFAN, AMP, HVAC, ABS, MRRTD, ECM/TCM, HORN, BATT 2 Fuses, and HORN, REAR DEFOG Relays
COOLFAN, AMP, HVAC, ABS, MRRTD, ECM/TCM, HORN, BATT 2 Fuses, and HORN, REAR DEFOG Relays
Gages
Figure 14:

Fuel Pump Controls


Object Number: 1753504  Size: FS
Master Electrical Component List
Engine Control Module Description
Control Module References
Controlled/Monitored Subsystem References
EVAP Solenoids, and FTP Sensor
Gages
Fuse Block - Underhood Bussing
Fuse Block - Underhood Bussing
G102
G302, G401, and G402
Figure 15:

Controlled/Monitored Subsystem References


Object Number: 1753510  Size: FS
Master Electrical Component List
Engine Control Module Description
Control Module References
Fuel Pump Controls
Charging
Starting
A/C Compressor Controls
4.4L
Messages
Gages