GM Service Manual Online
For 1990-2009 cars only
Makes
🢒
Cadillac
🢒
2007
🢒
XLR
🢒
Engine
🢒
Engine Electrical
🢒 Starting and Charging Schematics
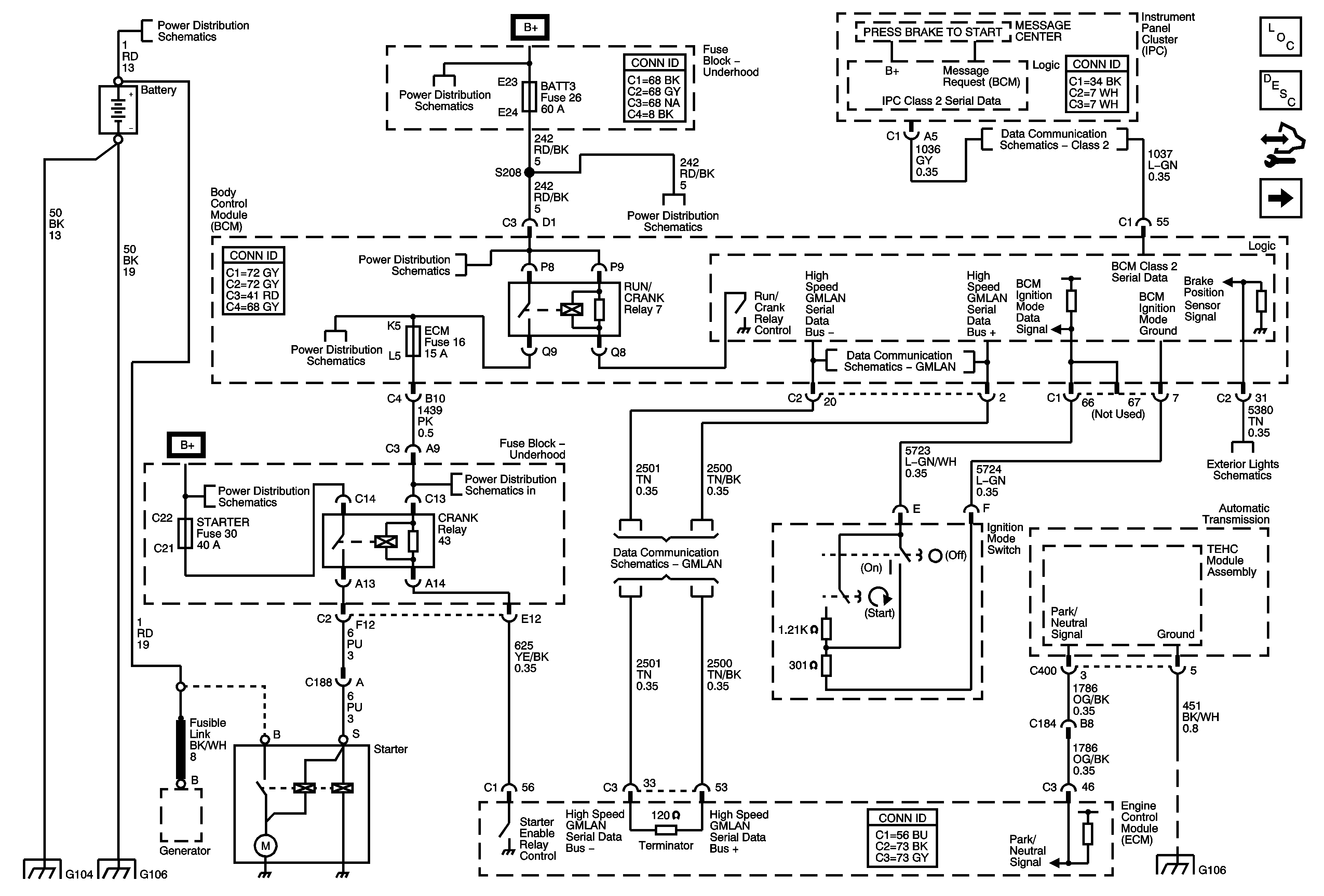
Figure
1:
Starting
Master Electrical Component List
Starting System Description and Operation
Control Module References
Charging
Fuse Block - Underhood Bussing
Fuse Block - Underhood Bussing
Fuse Block - Underhood Bussing
BATT 3, STOP/B/U/LPS, BTSI SOL/COL LOCK, RADIO/ANT/VICS, PWR FLDG MIR - EXT/RET, REAR FOG/ALDL TOP SW, REVERSE LAMPS Fuses, AND STOP LAMP, REVERSE LAMP Relays
CLUSTER, A.C. LATCH/PK BRK B, DOOR LOCKS, INTERIOR LIGHTS, HVAC/PWR SND, ISRVM/HVAC, TUTD SW/STRG COL SW FUSES, and RUN/CRANK Relay 2
RPA/H/C SEAT, GMLAN DEVICES, ECM, SDM/PSIR SW, ACC/TCM, and ABS/MRRTD Fuses
RPA/H/C SEAT, GMLAN DEVICES, ECM, SDM/PSIR SW, ACC/TCM, and ABS/MRRTD Fuses
Fuse Block - Underhood Bussing
Fuse Block - Underhood Bussing
Class 2
GMLAN
GMLAN
Hazards and Park Lamp Control
G104 and G106
G104 and G106
G104 and G106
Figure
2:
Charging
Master Electrical Component List
Charging System Description and Operation
Control Module References
Starting
Fuse Block - Underhood Bussing
COOLFAN, AMP, HVAC, ABS, MRRTD, ECM/TCM, HORN, BATT 2 Fuses, and HORN, REAR DEFOG Relays
Fuse Block - Underhood Bussing
Class 2
GMLAN
G104 and G106
G104 and G106