GM Service Manual Online
For 1990-2009 cars only

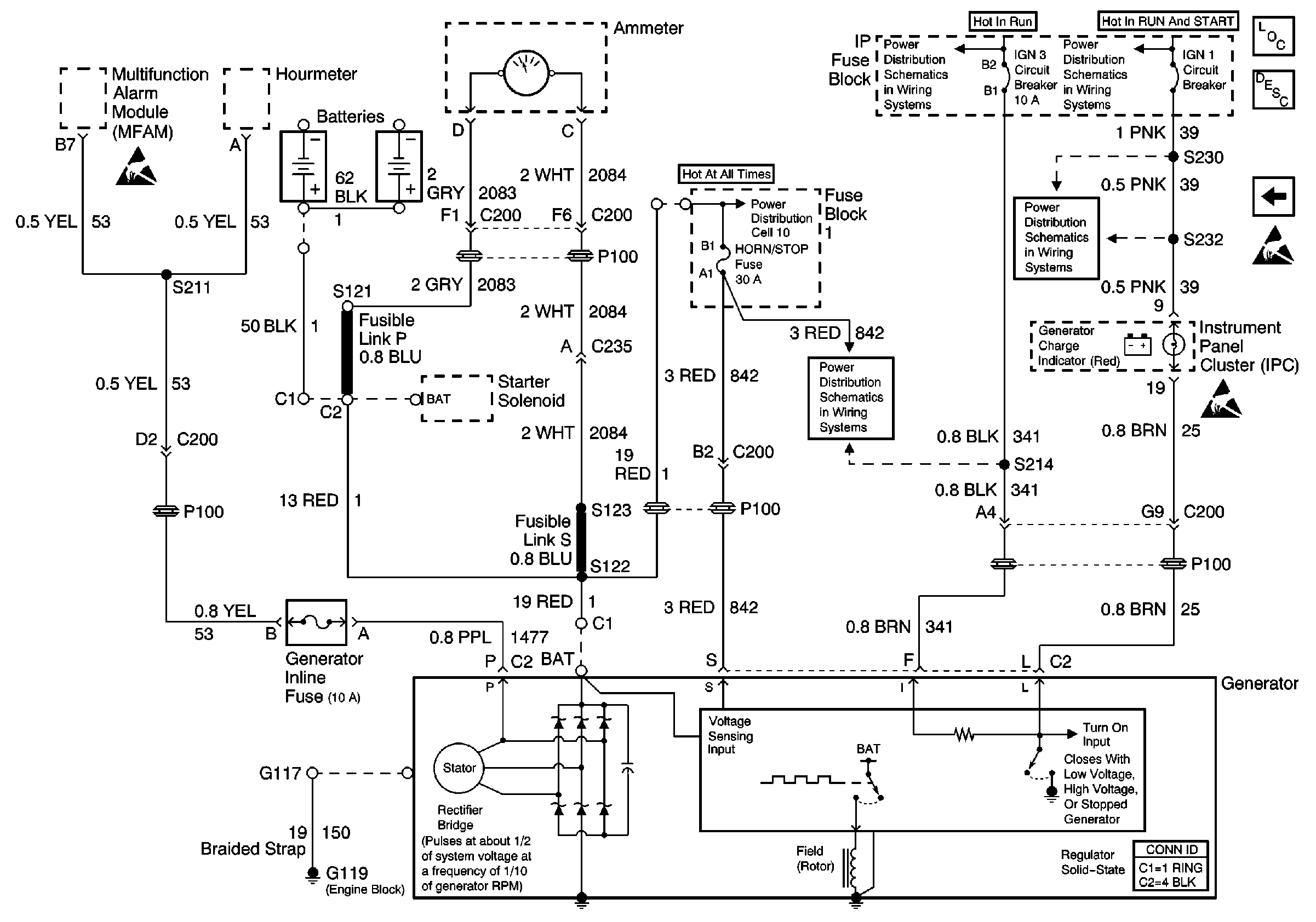
Starting and Charging Schematics LG5 Engine

Figure 1:

Starting Circuit (1 of 2)


Object Number: 608650  Size: FS
Engine Electrical Components
Starting System Circuit Description LG5 Engine
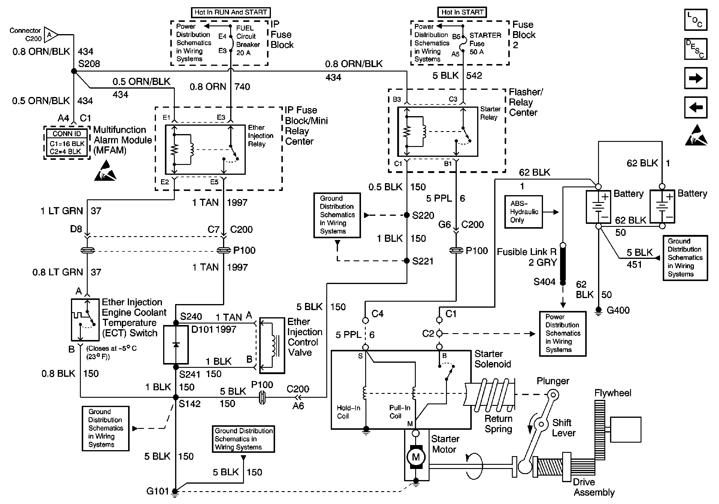
Starting Circuit (2 of 2)
Starting Circuit (2 of 2)
CHASSIS, IGN 3, B/U, ACC, START, IGN 1 Circuit Breakers
Power and Grounding Connector End Views
Figure 2:

Starting Circuit (2 of 2)


Object Number: 608652  Size: FS
Engine Electrical Components
Starting System Circuit Description LG5 Engine
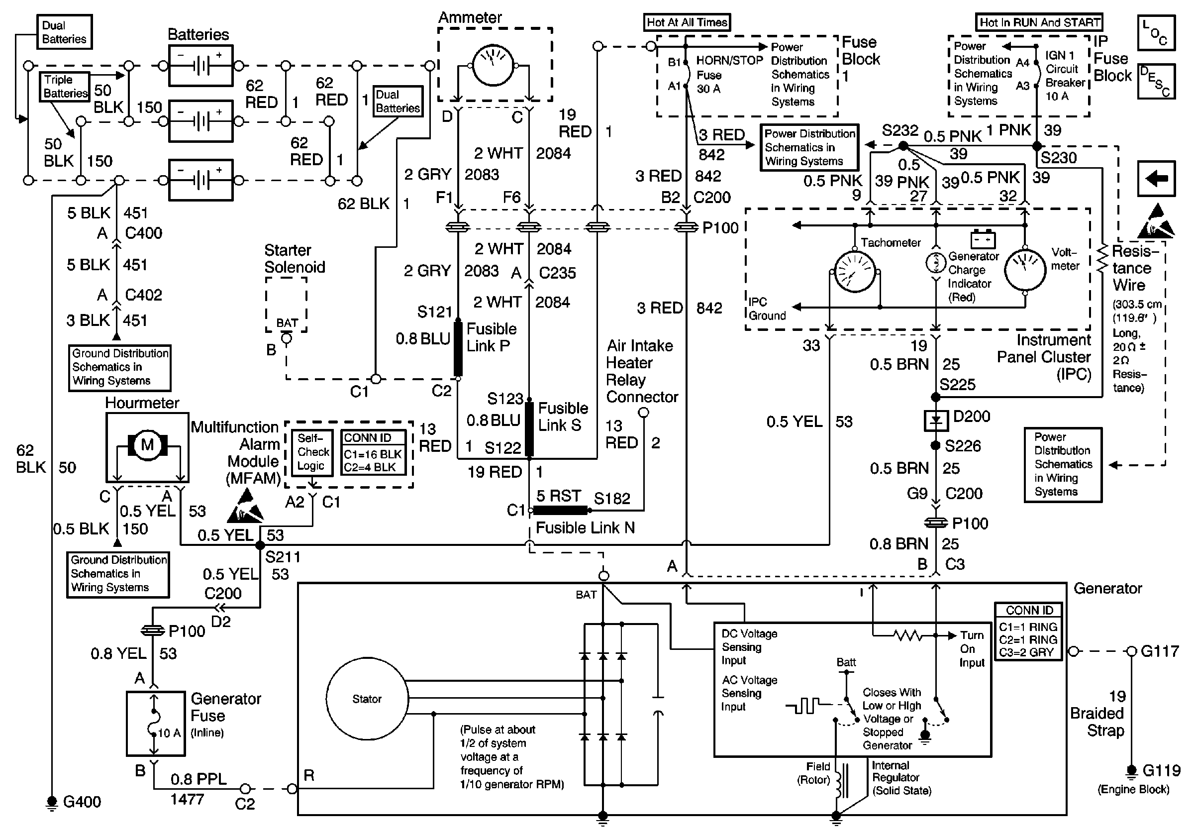
Charging Circuit
Starting Circuit (1 of 2)
Handling ESD Sensitive Parts Notice
Starting Circuit (1 of 2)
ENG, ECM, FUEL Circuit Breakers
BODY POWER 2, PCM/INJECTORS, ABS, IGN SW 2, STARTER, LIGHTING Fuses, EVEN INJ, ODD INJ, TL/MKR, PNL, HAZ Circuit Breakers
Diesel Engine, S221
G100, G101, G103, G107, G117, G119, G120, G121, G124, G400, G401, G412,G413, G414
Battery, HORN/STOP, HD LP SW, IGN SW 1 Fuses, BRK, HORNS, STOP LP CircUit Breakers
Diesel Engine, S142
Diesel Engine, G101
Engine Controls Connector End Views
Handling ESD Sensitive Parts Notice
Figure 3:

Charging Circuit


Object Number: 608653  Size: FS
Engine Electrical Components
Charging System Circuit Description
Starting Circuit (2 of 2)
Handling ESD Sensitive Parts Notice
Battery, HORN/STOP, HD LP SW, IGN SW 1 Fuses, BRK, HORNS, STOP LP CircUit Breakers
IGN 1 Circuit Breaker (1 of 2)
Battery, HORN/STOP, HD LP SW, IGN SW 1 Fuses, BRK, HORNS, STOP LP CircUit Breakers
G100, G101, G103, G107, G117, G119, G120, G121, G124, G400, G401, G412,G413, G414
Gasoline Engine, S220
IGN 1 Circuit Breaker (1 of 2)
Handling ESD Sensitive Parts Notice
Engine Controls Connector End Views
Engine Electrical Connector End Views

Starting and Charging Schematics LP4/L21 Engines

Figure 1:

Starting Circuit


Object Number: 608647  Size: FS
Engine Electrical Components
Starting System Circuit Description LP4/L21 Engines
Charging Circuit
Handling ESD Sensitive Parts Notice
CHASSIS, IGN 3, B/U, ACC, START, IGN 1 Circuit Breakers
Battery, HORN/STOP, HD LP SW, IGN SW 1 Fuses, BRK, HORNS, STOP LP CircUit Breakers
Gasoline Engine, G102
Power and Grounding Connector End Views
Powertrain Control Module Connector End Views
Figure 2:

Charging Circuit


Object Number: 608648  Size: FS
Engine Electrical Components
Charging System Circuit Description
Starting Circuit
Handling ESD Sensitive Parts Notice
Handling ESD Sensitive Parts Notice
IGN 3 Circuit Breaker
IGN 1 Circuit Breaker (1 of 2)
IGN 1 Circuit Breaker (1 of 2)
Battery, HORN/STOP, HD LP SW, IGN SW 1 Fuses, BRK, HORNS, STOP LP CircUit Breakers
Engine Electrical Connector End Views