GM Service Manual Online
For 1990-2009 cars only
Figure 1:

Power, Ground, MIL, and DLC


Object Number: 1284691  Size: FS
Master Electrical Component List
Powertrain Control Module Description
5 Volt Reference
B+ Bus - Underhood Fuse Block
SIR, CRUISE/MISC, TRANS, BACK UP, and ABS Fuses
SPARE, IGN, and A/C COMP Fuses
WIPER SW, PWR WDO, ETC, and 02 SENSOR Fuses
Data Link Connector (DLC) Schematics
Splice Pack SP105 and G105 - 1 of 2
IGN TRANS D Fuse
G100, G104, G102, G103, and G101
G100, G104, G102, G103, and G101
Figure 2:

5-Volt Reference


Object Number: 1284692  Size: FS
Master Electrical Component List
Powertrain Control Module Description
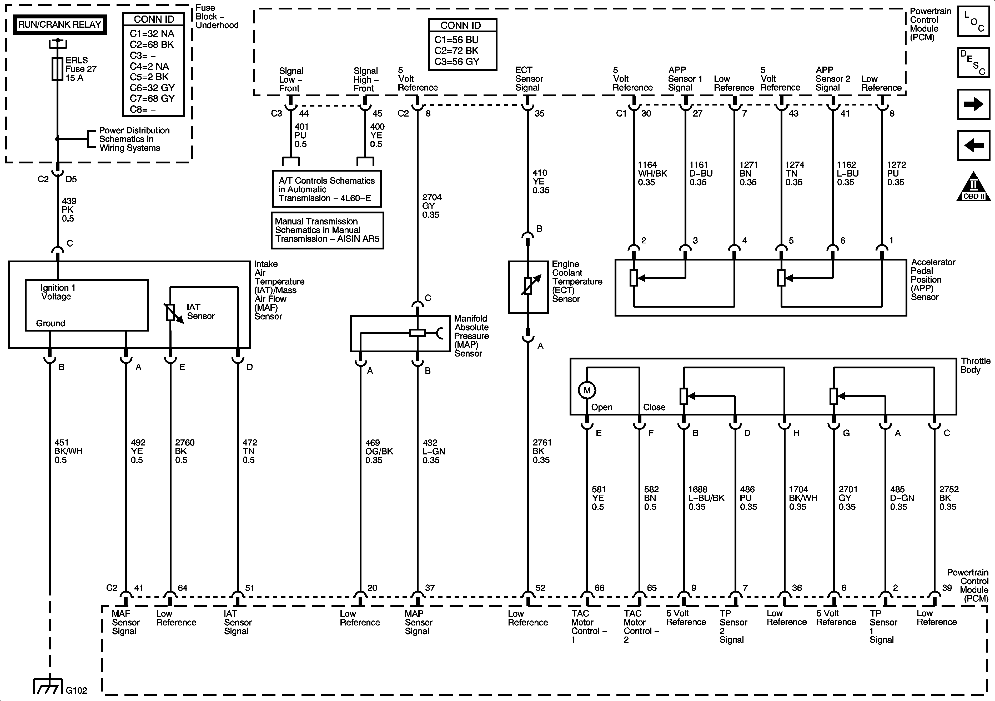
Engine Data Sensors
Power, Ground, MIL, and DLC
OBD II Symbol Description Notice
Figure 3:

Engine Data Sensors


Object Number: 1284693  Size: FS
Master Electrical Component List
Powertrain Control Module Description
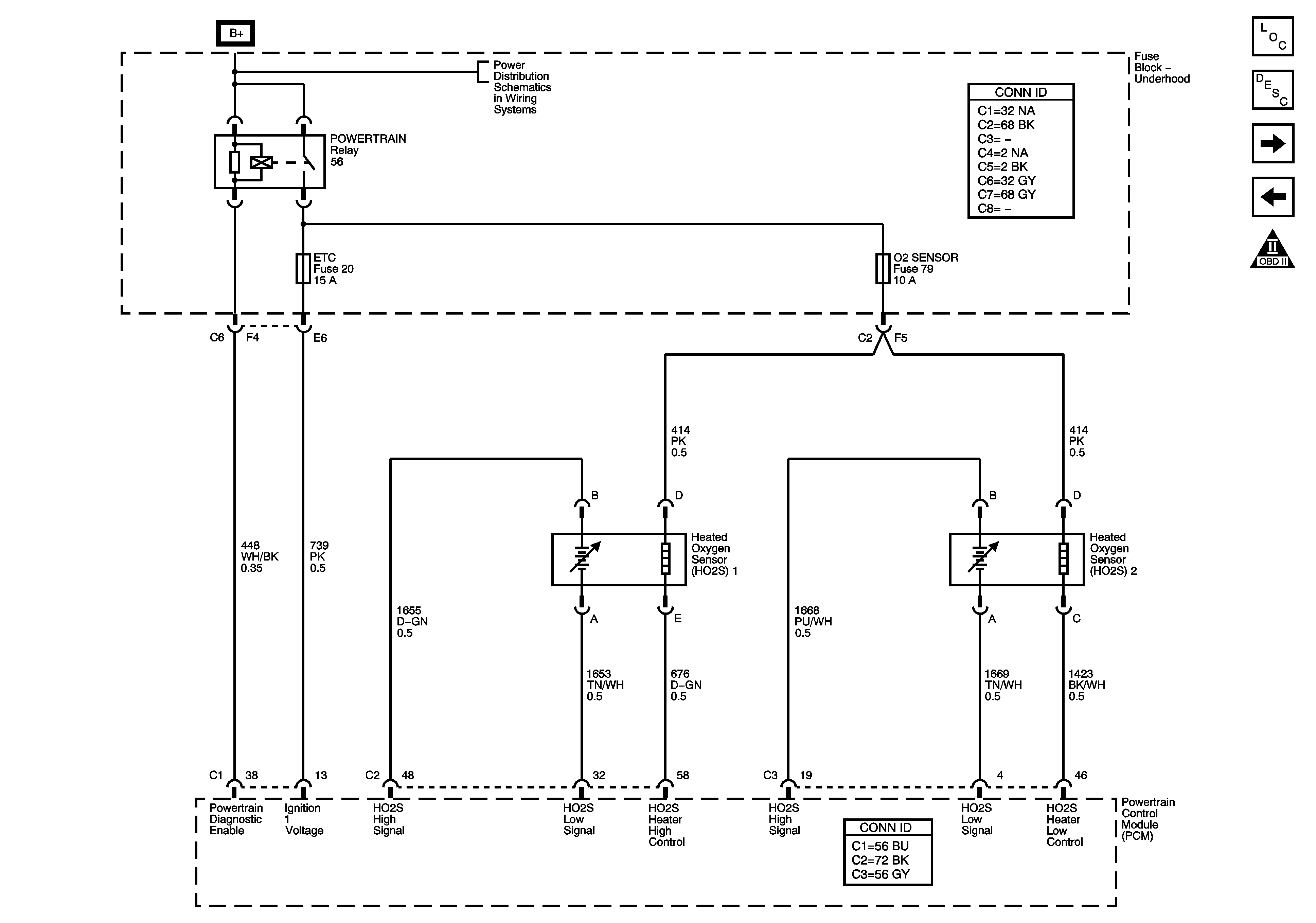
Oxygen Sensors
5 Volt Reference
OBD II Symbol Description Notice
Power, Ground, MIL, and DLC
04 GMT355 Power Distribution Schematics - ERLS, FRT AXLE, PCM - I, and INJECTORS Fuses
TCC Brake/Cruise Release Switch and Vehicle Speed Sensor
04 GMT355 Manual Transmission Schematics
G100, G104, G102, G103, and G101
Figure 4:

Oxygen Sensors


Object Number: 1284694  Size: FS
Master Electrical Component List
Powertrain Control Module Description
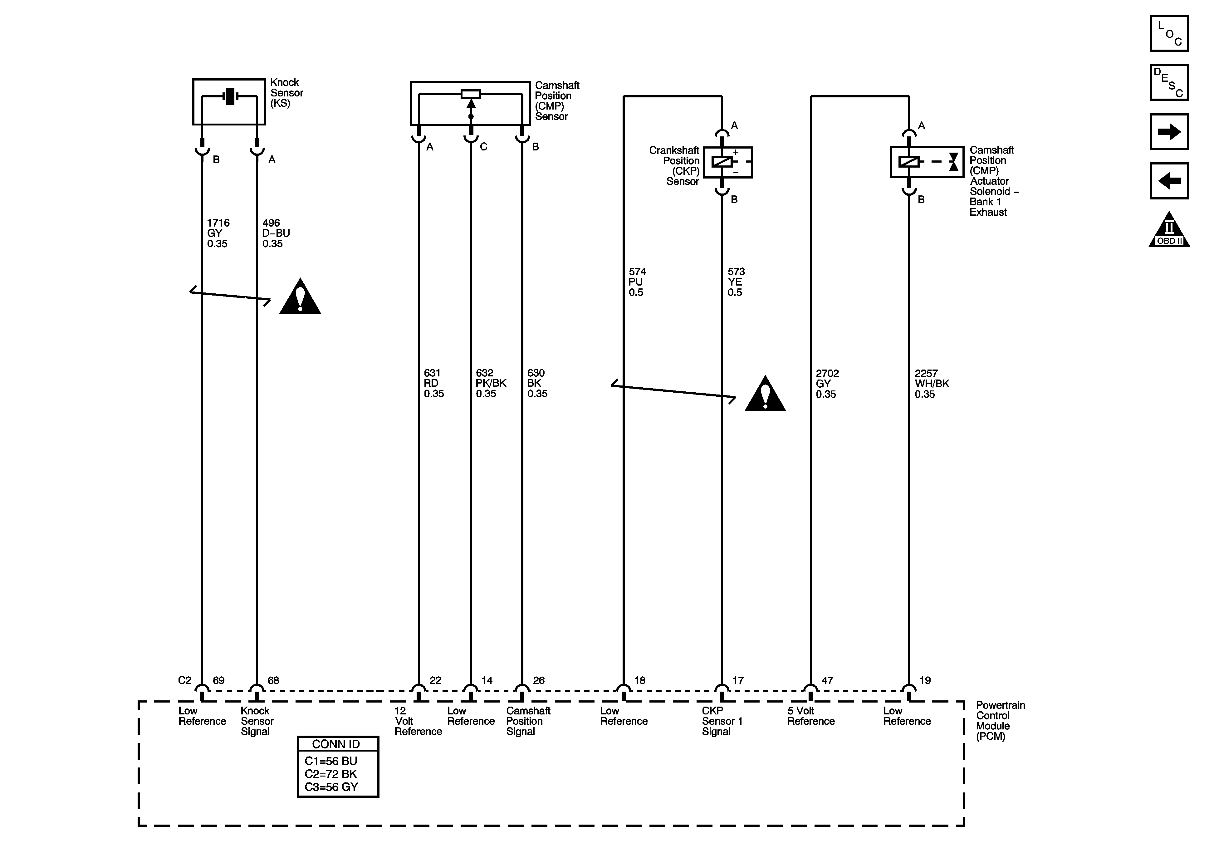
Knock, CMP, CKP Sensors, and EGR
Engine Data Sensors
OBD II Symbol Description Notice
B+ Bus - Underhood Fuse Block
Figure 5:

Knock, CMP, CKP Sensors, and CMP Actuator Solenoid


Object Number: 1284695  Size: FS
Master Electrical Component List
Powertrain Control Module Description
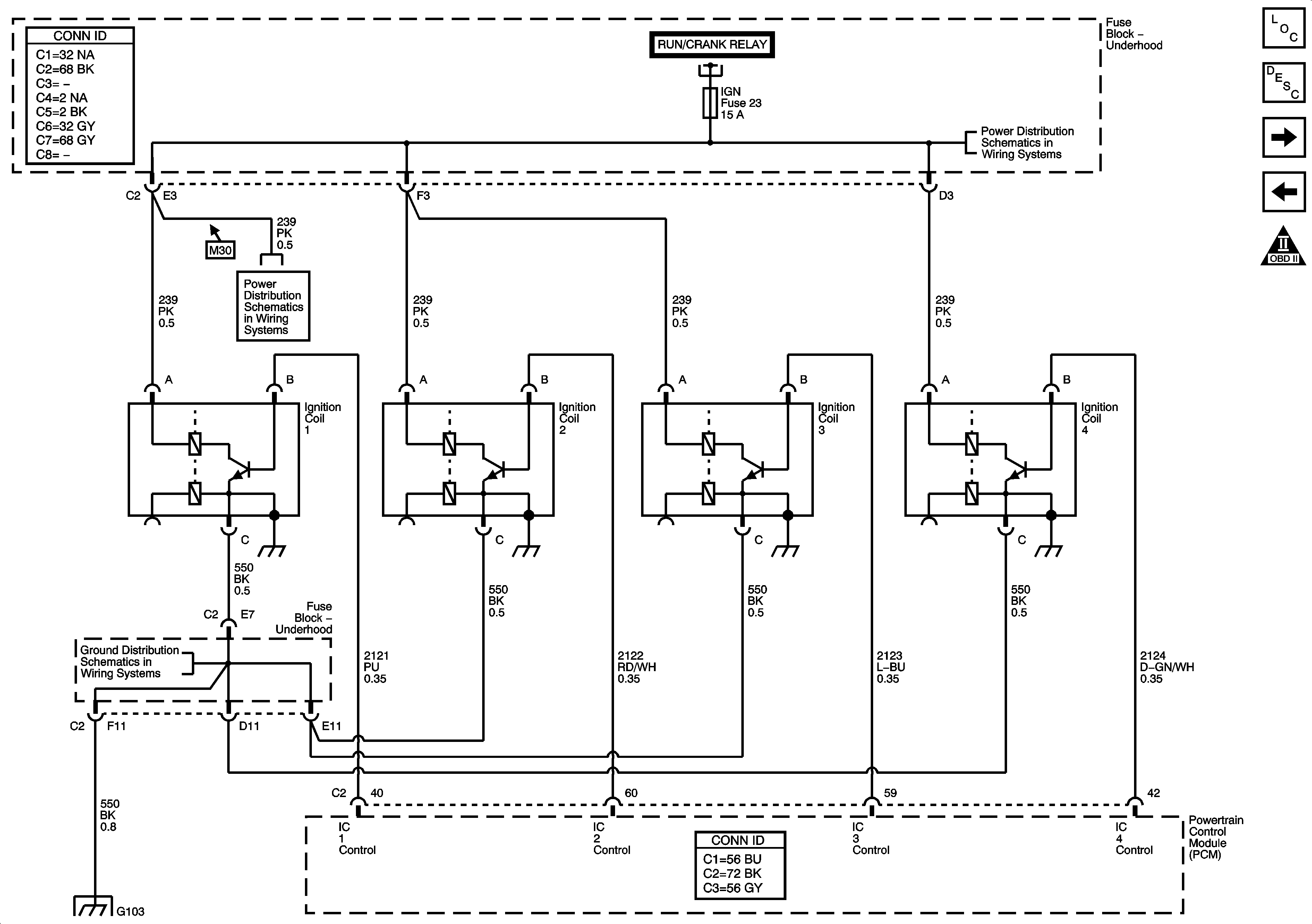
Ignition Controls
Oxygen Sensors
OBD II Symbol Description Notice
Engine Controls Schematic Icons
Engine Controls Schematic Icons
Figure 6:

Ignition Controls


Object Number: 1284696  Size: FS
Master Electrical Component List
Powertrain Control Module Description
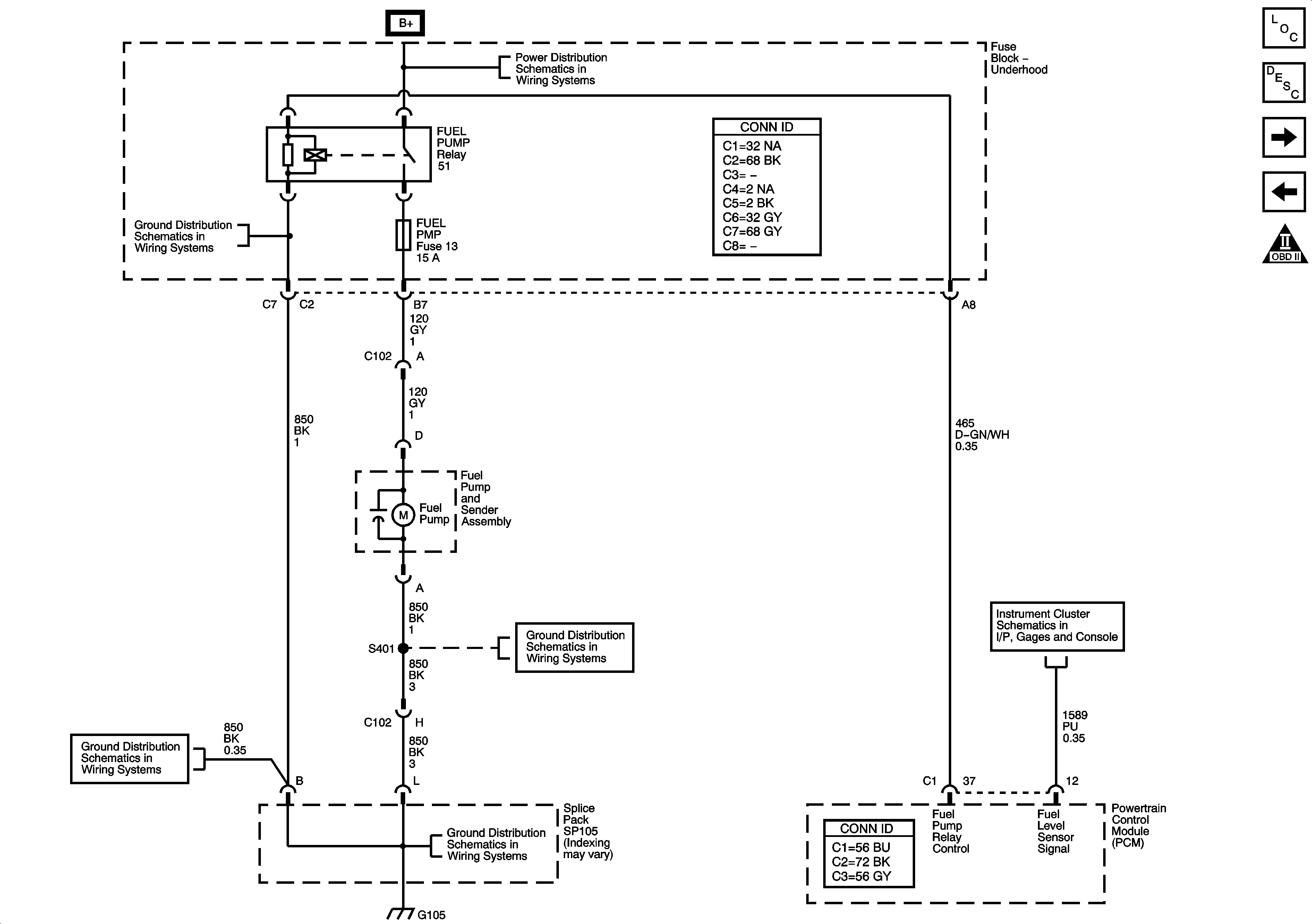
Fuel Controls
Knock, CMP, CKP Sensors, and EGR
OBD II Symbol Description Notice
Power, Ground, MIL, and DLC
SPARE, IGN, and A/C COMP Fuses
SPARE, IGN, and A/C COMP Fuses
G100, G104, G102, G103, and G101
G100, G104, G102, G103, and G101
Figure 7:

Fuel Controls


Object Number: 1284697  Size: FS
Master Electrical Component List
Powertrain Control Module Description
Fuel Injection Controls
Ignition Controls
OBD II Symbol Description Notice
B+ Bus - Underhood Fuse Block
Splice Pack SP105 and G105 - 1 of 2
Splice Pack SP105 and G105 - 1 of 2
Splice Pack SP105 and G105 - 2 of 2
Splice Pack SP105 and G105 - 1 of 2
Gages
Figure 8:

Fuel Injection Controls


Object Number: 1284698  Size: FS
Master Electrical Component List
Powertrain Control Module Description
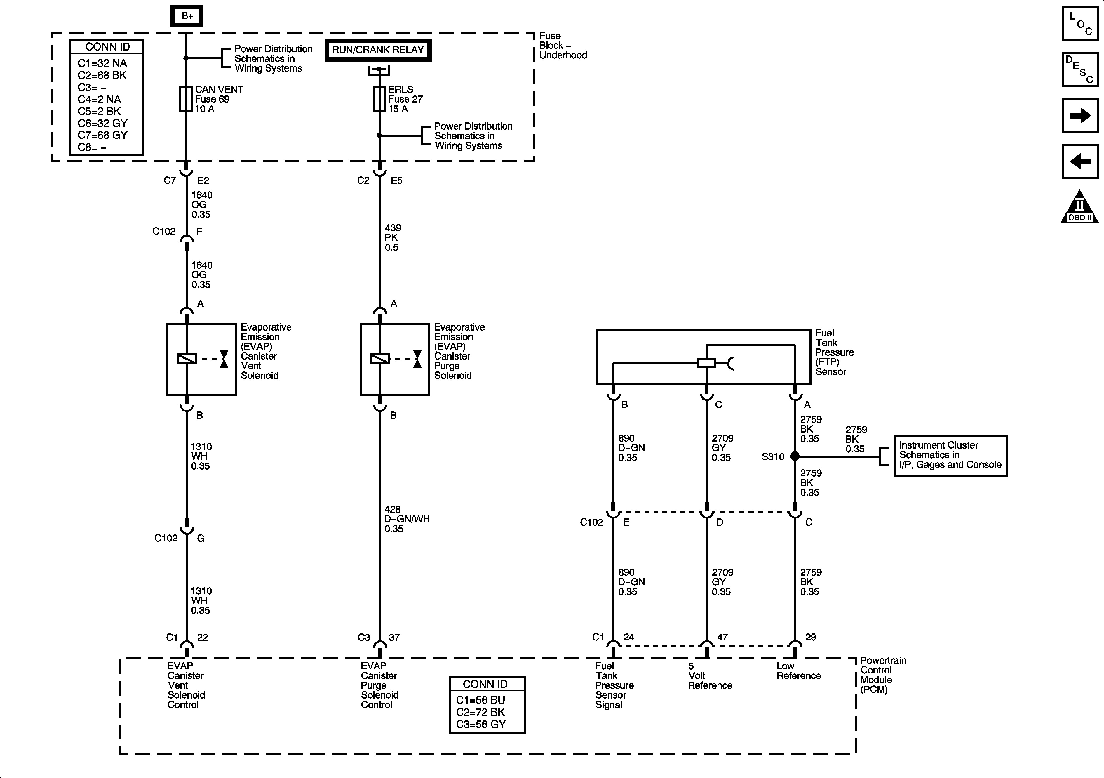
Fuel and EVAP Controls
Fuel Controls
OBD II Symbol Description Notice
Power, Ground, MIL, and DLC
Figure 9:

Fuel and EVAP Controls


Object Number: 1284700  Size: FS
Master Electrical Component List
Powertrain Control Module Description
Controlled/Monitored Subsystem and Transmission References
Fuel Injection Controls
OBD II Symbol Description Notice
B+ Bus - Underhood Fuse Block
Power, Ground, MIL, and DLC
04 GMT355 Power Distribution Schematics - ERLS, FRT AXLE, PCM - I, and INJECTORS Fuses
Gages
Figure 10:

Controlled/Monitored Subsystem and Transmission References


Object Number: 1284702  Size: FS
Master Electrical Component List
Powertrain Control Module Description
Fuel and EVAP Controls
OBD II Symbol Description Notice
Power, Ground, and Electronic Brake Control Module
Starting System (M30)
Starting System (MA5)
Charging System
Compressor Controls (C60)
Cruise Control
Indicators
Stop Lamps, and License Lamps
Transfer Case Encoder Motor
Switches and VSS
Transmission Controls