GM Service Manual Online
For 1990-2009 cars only
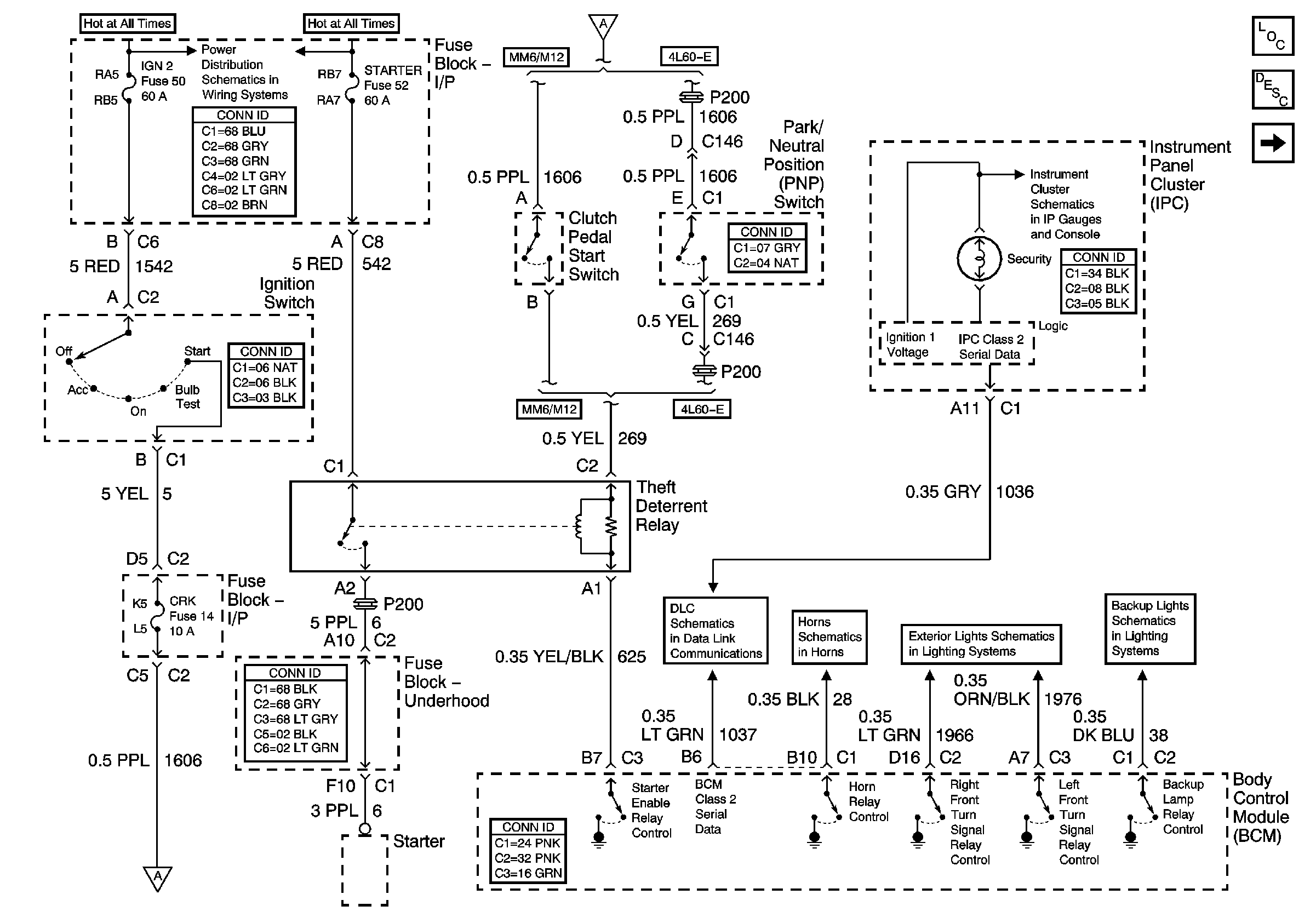
Figure 1:

Theft Deterrent Relay, Security Indicator, Lighting and Horn References


Object Number: 690656  Size: FS
Master Electrical Component List
Theft Systems Description and Operation
Door Signals
Fuse Block-I/P Bussing (1 of 2)
Star Connectors
Horns Schematic
Ambient Light Sensor and RF Turn Signal Indicators
Rear Parklamps Export
Indicators
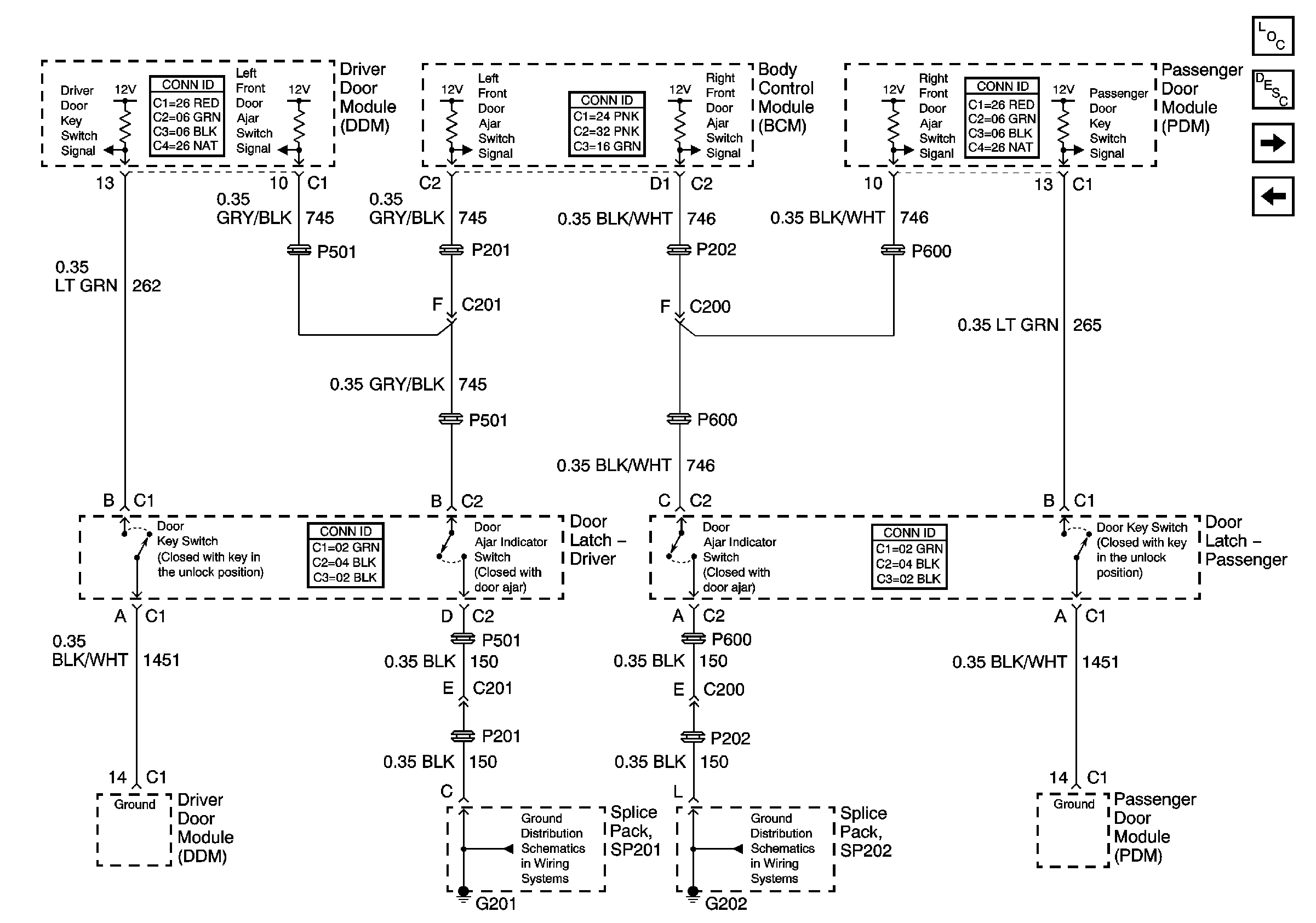
Figure 2:

Door Signals


Object Number: 690668  Size: FS
Master Electrical Component List
Theft Systems Description and Operation
Ignition Key Signals and Trunk Release Switch Signal
Theft Deterrent Relay, Security Indicator, Lighting and Horn References
G201
G202
Figure 3:

Ignition Key Signals and Trunk Release Switch Signal


Object Number: 690671  Size: FS
Master Electrical Component List
Theft Systems Description and Operation
Hood Ajar Switch Signal and Folding Top Lid Latch Supply Voltage
Door Signals
Rear Compartment Lid Release Control and Rear Compartment Lid Ajar Switch (Hardtop/Convertible)
Domestic and Export Manual Transmission
G202
G202
Fuse Block-I/P Bussing (1 of 2)
Fuse Block-I/P Fuses 32, 26, 52 and Relay 39
Figure 4:

Hood Ajar Switch Signal and Convertable Top Cover Ajar Switch Supply Voltage


Object Number: 690673  Size: FS
Master Electrical Component List
Theft Systems Description and Operation
Ignition Key Signals and Trunk Release Switch Signal
G202
G202
G301, G402 and G30