GM Service Manual Online
For 1990-2009 cars only
Figure 1:

Power, Ground, MIL, and DLC


Object Number: 588335  Size: FS
PCM BAT and R/CMPT REL Fuses
PCM BAT and R/CMPT REL Fuses
G113
Fuses 12, 21, 30 and 39
Fuses 12, 21, 30 and 39
G201
Fuses 12, 21, 30 and 39
IPC Engine Oil Pressure Indicator, Theft Inputs and PCM MIL Outputs
Fuses 10 and 19
Handling ESD Sensitive Parts Notice
Fuses 10 and 19
DLC Schematic
Handling ESD Sensitive Parts Notice
Engine Controls Components
Powertrain Control Module Description
CKP, CMP, ICM and Knock Sensor
OBD II Symbol Description Notice
Figure 2:

CKP, CMP, ICM and Knock Sensor


Object Number: 588339  Size: FS
F/INJN, PCM IGN, ELEK IGN Fuses
Handling ESD Sensitive Parts Notice
Handling ESD Sensitive Parts Notice
Handling ESD Sensitive Parts Notice
Engine Controls Components
Powertrain Control Module Description
Fuel Controls
Power, Ground, MIL, and DLC
OBD II Symbol Description Notice
Figure 3:

Fuel Controls


Object Number: 588341  Size: FS
Handling ESD Sensitive Parts Notice
PCM BAT and R/CMPT REL Fuses
PCM BAT and R/CMPT REL Fuses
G205 (2 of 2), G251, and G301
G113
Handling ESD Sensitive Parts Notice
Engine Controls Components
Powertrain Control Module Description
Fuel Injectors
CKP, CMP, ICM and Knock Sensor
OBD II Symbol Description Notice
Figure 4:

Fuel Injectors


Object Number: 588346  Size: FS
F/INJN, PCM IGN, ELEK IGN Fuses
Handling ESD Sensitive Parts Notice
Engine Controls Components
Powertrain Control Module Description
A/C Refrigerant Pressure, TP, MAP, ECT, and IAT
Fuel Controls
OBD II Symbol Description Notice
Figure 5:

A/C Refrigerant Pressure, TP, MAP, ECT, and IAT


Object Number: 588353  Size: FS
Handling ESD Sensitive Parts Notice
Handling ESD Sensitive Parts Notice
Engine Controls Components
Powertrain Control Module Description
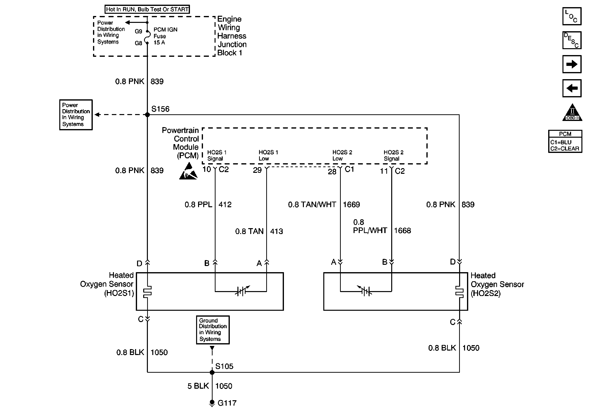
Heated Oxygen Sensors
Fuel Injectors
OBD II Symbol Description Notice
Figure 6:

Heated Oxygen Sensors


Object Number: 588355  Size: FS
F/INJN, PCM IGN, ELEK IGN Fuses
F/INJN, PCM IGN, ELEK IGN Fuses
Handling ESD Sensitive Parts Notice
G117
Engine Controls Components
Powertrain Control Module Description
MAF, EGR and EVAP Canister and Vent Solenoid
A/C Refrigerant Pressure, TP, MAP, ECT, and IAT
OBD II Symbol Description Notice
Figure 7:

MAF, EGR and EVAP Canister and Vent Solenoid


Object Number: 588359  Size: FS
F/INJN, PCM IGN, ELEK IGN Fuses
G113
F/INJN, PCM IGN, ELEK IGN Fuses
Fuses 5, 14, 23, 32, 33 41, and 42
Handling ESD Sensitive Parts Notice
Engine Controls Components
Powertrain Control Module Description
IAC and Engine Oil Level Sensor
Heated Oxygen Sensors
OBD II Symbol Description Notice
Figure 8:

IAC and Engine Oil Level Sensor


Object Number: 588363  Size: FS
G113
Handling ESD Sensitive Parts Notice
Engine Controls Components
Powertrain Control Module Description
Secondary AIR and Theft Deterrent Module
MAF, EGR and EVAP Canister and Vent Solenoid
OBD II Symbol Description Notice
Figure 9:

Secondary AIR and Theft Deterrent Module


Object Number: 588366  Size: FS
Maxifuses 1, 2, 3 and 4, Fuses 1, 5, 10, 14, 19, 23, 28, 32, 37 and41, PCM BAT and R/CMPT Fuses, Circuit Breaker D, and FAN CONT #1 Relay
TRANS, A/C CONT, AIR PUMP Fuses
Handling ESD Sensitive Parts Notice
Handling ESD Sensitive Parts Notice
Engine Controls Components
Powertrain Control Module Description
CCM, I/P, VSS and Radio
IAC and Engine Oil Level Sensor
OBD II Symbol Description Notice
Figure 10:

CCM, I/P, VSS and Radio


Object Number: 588369  Size: FS
Engine Controls Components
Powertrain Control Module Description
I/P and Generator
Secondary AIR and Theft Deterrent Module
OBD II Symbol Description Notice
Handling ESD Sensitive Parts Notice
Figure 11:

I/P and Generator


Object Number: 588373  Size: FS
Fuses 12, 21, 30 and 39
Fuses 12, 21, 30 and 39
Handling ESD Sensitive Parts Notice
G201
G201
Handling ESD Sensitive Parts Notice
Engine Controls Components
Powertrain Control Module Description
Park/Neutral Position Switch
CCM, I/P, VSS and Radio
OBD II Symbol Description Notice
Figure 12:

Park/Neutral Position Switch


Object Number: 588375  Size: FS
G113
Handling ESD Sensitive Parts Notice
Engine Controls Components
Powertrain Control Module Description
Automatic Transaxle and Stop Lamp Switch
I/P and Generator
OBD II Symbol Description Notice
Figure 13:

Automatic Transaxle and Stop Lamp Switch


Object Number: 588379  Size: FS
Fuses 12, 21, 30 and 39
Fuses 12, 21, 30 and 39
TRANS, A/C CONT, AIR PUMP Fuses
Handling ESD Sensitive Parts Notice
Engine Controls Components
Powertrain Control Module Description
Automatic Transaxle Inputs
Park/Neutral Position Switch
OBD II Symbol Description Notice
Figure 14:

Automatic Transaxle Inputs


Object Number: 588380  Size: FS
Handling ESD Sensitive Parts Notice
Handling ESD Sensitive Parts Notice
Engine Controls Components
Powertrain Control Module Description
Heater A/C Controls
Automatic Transaxle and Stop Lamp Switch
OBD II Symbol Description Notice
Figure 15:

Heater A/C Controls


Object Number: 588382  Size: FS
Fuses 4, 13, and 22
Fuses 4, 13, and 22
TRANS, A/C CONT, AIR PUMP Fuses
Handling ESD Sensitive Parts Notice
G117
Engine Controls Components
Powertrain Control Module Description
Cooling Fan Controls
Automatic Transaxle Inputs
OBD II Symbol Description Notice
Figure 16:

Cooling Fan Controls


Object Number: 588383  Size: FS
Maxifuses 1, 2, 3 and 4, Fuses 1, 5, 10, 14, 19, 23, 28, 32, 37 and41, PCM BAT and R/CMPT Fuses, Circuit Breaker D, and FAN CONT #1 Relay
PCM BAT and R/CMPT REL Fuses
PCM BAT and R/CMPT REL Fuses
Handling ESD Sensitive Parts Notice
ABS, FAN 3, PARK LPS and HORN Fuses
G117
Engine Controls Components
Powertrain Control Module Description
Heater A/C Controls
OBD II Symbol Description Notice