GM Service Manual Online
For 1990-2009 cars only
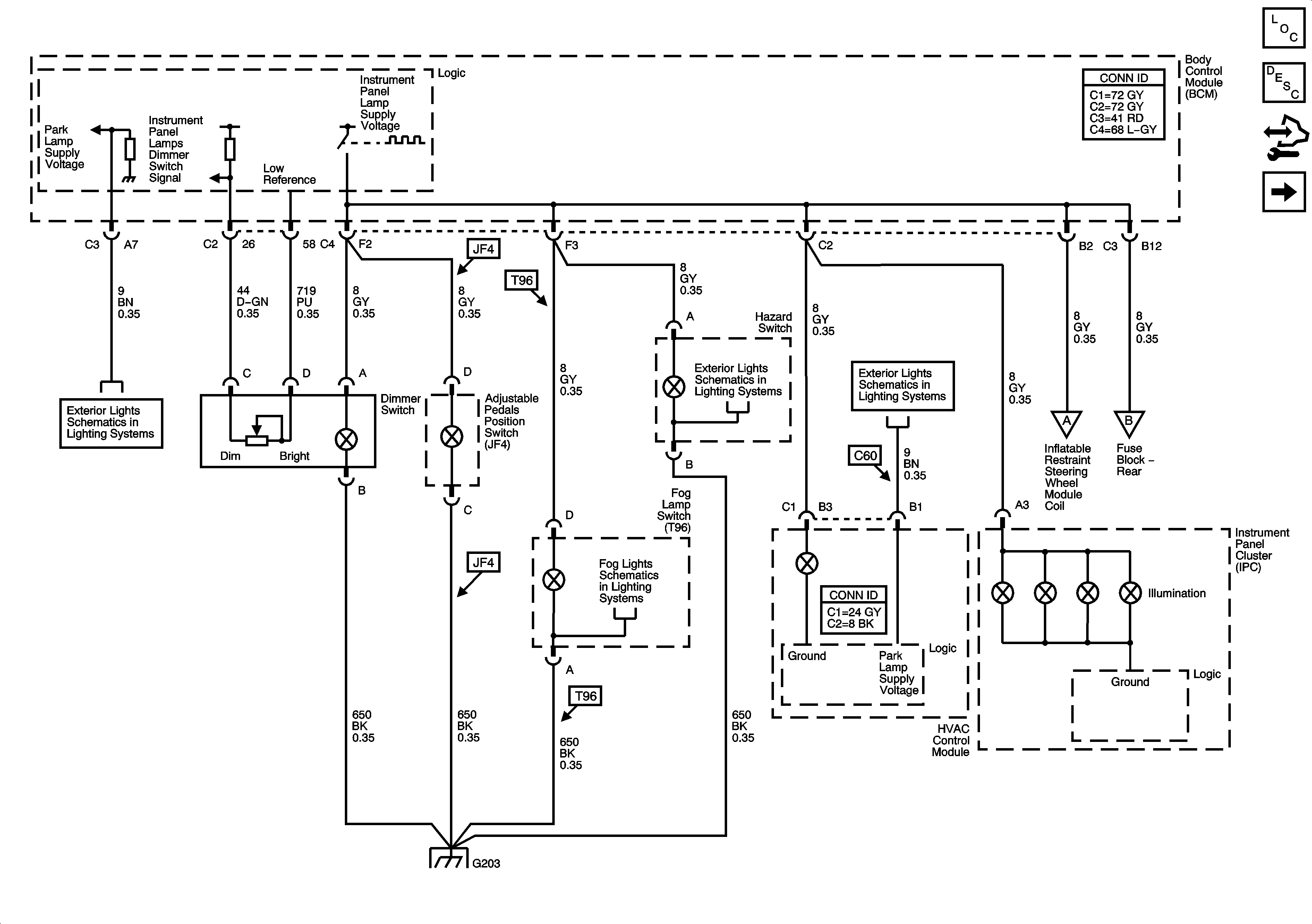
Figure 1:

Displays


Object Number: 1501078  Size: FS
Master Electrical Component List
Interior Lighting Systems Description and Operation
Control Module References
Switches
Park Lamps
Ambient Light Sensor, Brake Pedal Position Sensor, Hazard Switch and Turn Signal/Multifunction Switch
Park Lamps
Switches
Switches
Fog Lights
G203
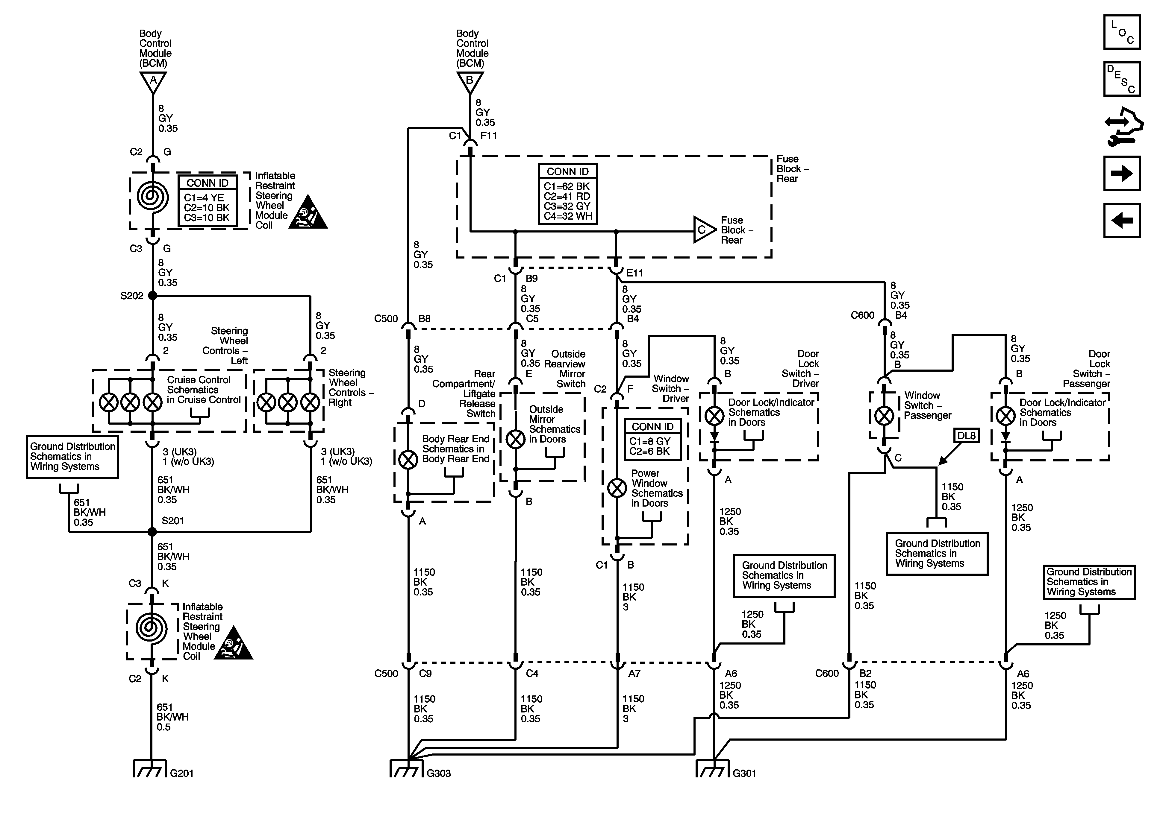
Figure 2:

Switches


Object Number: 1501080  Size: FS
Master Electrical Component List
Interior Lighting Systems Description and Operation
Control Module References
Seats and Center Console
Displays
Displays
Displays
Seats and Center Console
G201
Power, Ground, Serial Data and Switches
Sedan
Outside Mirrors
Power Window Schematics
Door Lock Switches
Door Lock Switches
G301
G303
G301
G201
G303
G301
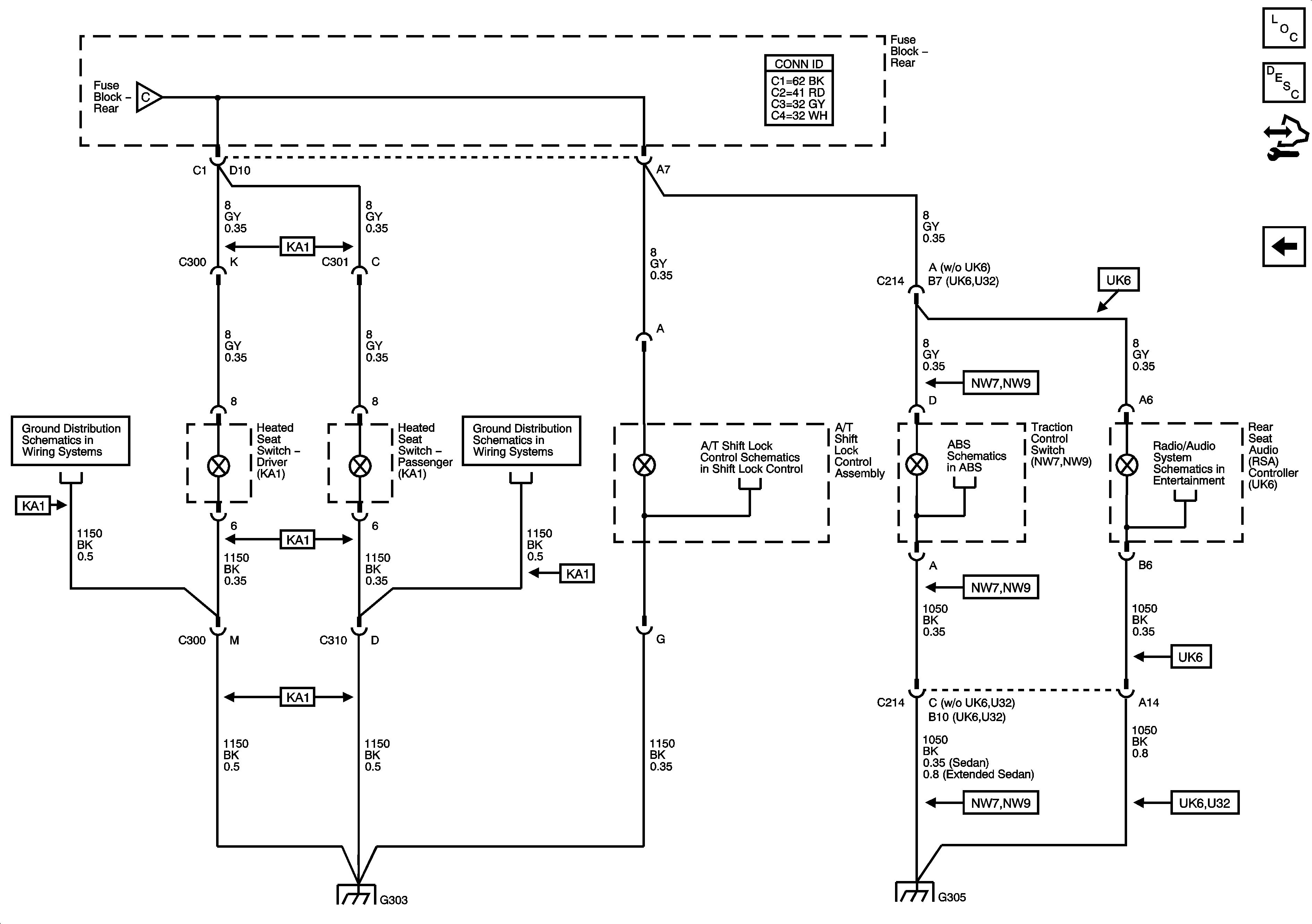
Figure 3:

Seats and Center Console


Object Number: 1501081  Size: FS
Master Electrical Component List
Interior Lighting Systems Description and Operation
Control Module References
Switches
Switches
G303
G303
Shift Lock Control System
Brake Pedal Position Sensor, Traction control Switch and Data Link communications
Rear Seat Audio (RSA) Controller
G303
G304 and G305