GM Service Manual Online
For 1990-2009 cars only
Figure 1:

Cell 20: Power, Grounding, Generator and MIL


Object Number: 365761  Size: FS
Cell 10: ECM B Fuse and Horn, Rear Defogger Relays
Cell 10: ECM I Fuse
Cell 10: CRANK and CLSTR Fuses
Cell 10: AUX PWR, RDO BATT and HDLP SW Fuses
Engine Controls Components
Powertrain Control Module Description
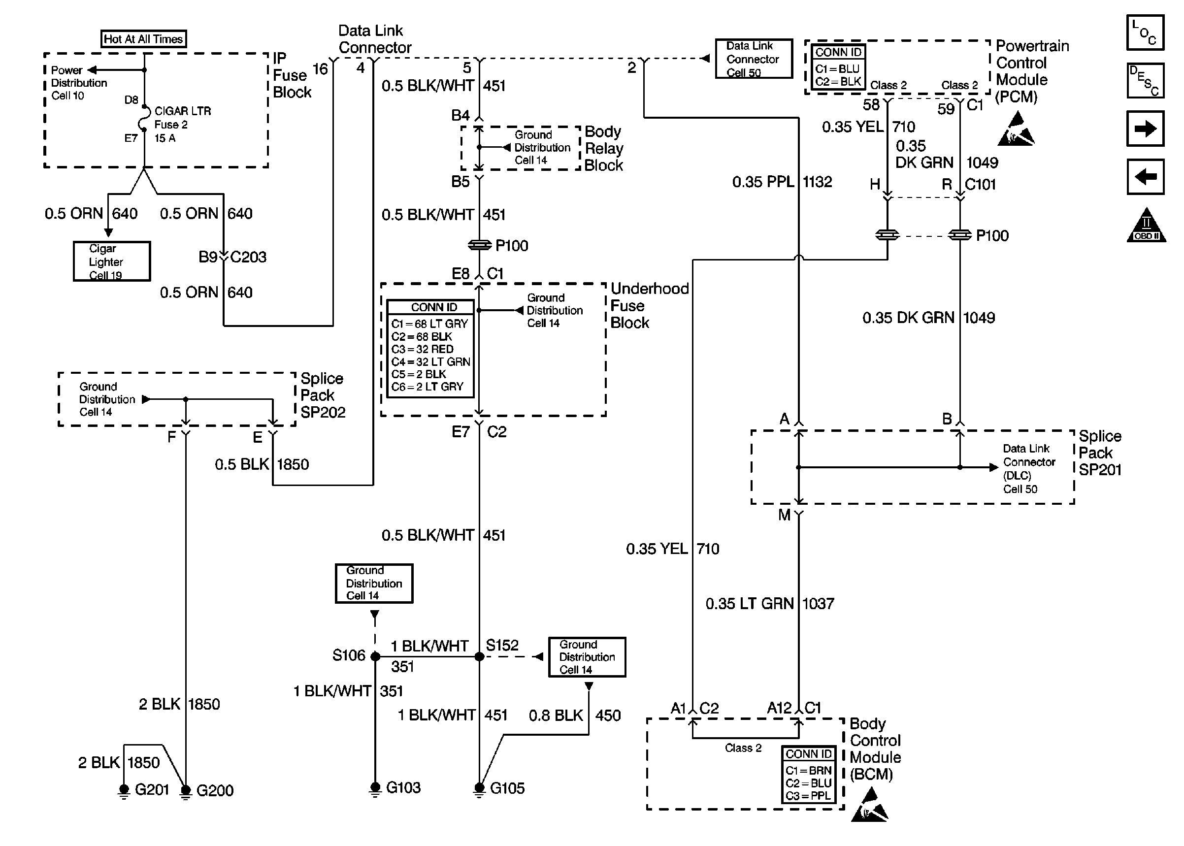
Cell 20: Data Link Connector
OBD II Symbol Description Notice
Handling ESD Sensitive Parts Notice
Cell 51: Power and Ground
Cell 81: ILLUM, CLSTR and GAUGES Fuses and Instrument Cluster
Handling ESD Sensitive Parts Notice
Powertrain Control Module Connector End Views
Cell 14: G103 and G105 (2.2L)
Cell 20: Vehicle Speed Sensor Signal
Cell 20: Automatic Transmission Valve Controls
Cell 81: ILLUM, CLSTR and GAUGES Fuses and Instrument Cluster
Figure 2:

Cell 20: Data Link Connector


Object Number: 365763  Size: FS
Cell 10: INT BATT Fuse
Cell 19 (Except Envoy)
Cell 14: G200, G201 and G207 (Pickup)
Power and Grounding Connector End Views
Cell 14: Body Relay Block and Underhood Fuse Block
Cell 14: Body Relay Block and Underhood Fuse Block
Cell 50: Power, Ground, SDM and VIU
Powertrain Control Module Connector End Views
Handling ESD Sensitive Parts Notice
Engine Controls Components
Powertrain Control Module Description
Cell 20: Ignition Controls
Cell 20: Power, Grounding, Generator and MIL
OBD II Symbol Description Notice
Handling ESD Sensitive Parts Notice
Body Control System Connector End Views
Cell 50: Class 2 Communication (2.2L)
Cell 14: G103 and G105 (2.2L)
Cell 14: G103 and G105 (2.2L)
Figure 3:

Cell 20: Ignition Controls


Object Number: 365767  Size: FS
Cell 10: ECM I Fuse
Power and Grounding Connector End Views
Handling ESD Sensitive Parts Notice
Engine Controls Components
Powertrain Control Module Description
Cell 20: Fuel Level and Fuel Tank Pressure Sensors
Cell 20: Data Link Connector
OBD II Symbol Description Notice
Handling ESD Sensitive Parts Notice
Handling ESD Sensitive Parts Notice
Powertrain Control Module Connector End Views
Engine Controls Connector End Views
Cell 14: G103 and G105 (2.2L)
Figure 4:

Cell 20: Fuel Level and Fuel Tank Pressure Sensors


Object Number: 365769  Size: FS
Powertrain Control Module Connector End Views
Handling ESD Sensitive Parts Notice
Engine Controls Components
Powertrain Control Module Description
Cell 20: Fuel Injectors and Fuel Pump
Cell 20: Ignition Controls
OBD II Symbol Description Notice
Cell 50: Class 2 Communication (2.2L)
Handling ESD Sensitive Parts Notice
Handling ESD Sensitive Parts Notice
Figure 5:

Cell 20: Fuel Injectors and Fuel Pump


Object Number: 365771  Size: FS
Powertrain Control Module Connector End Views
Handling ESD Sensitive Parts Notice
Engine Controls Components
Powertrain Control Module Description
Cell 20: MAP, IAT, TPS and ECT Sensors
Cell 20: Fuel Level and Fuel Tank Pressure Sensors
OBD II Symbol Description Notice
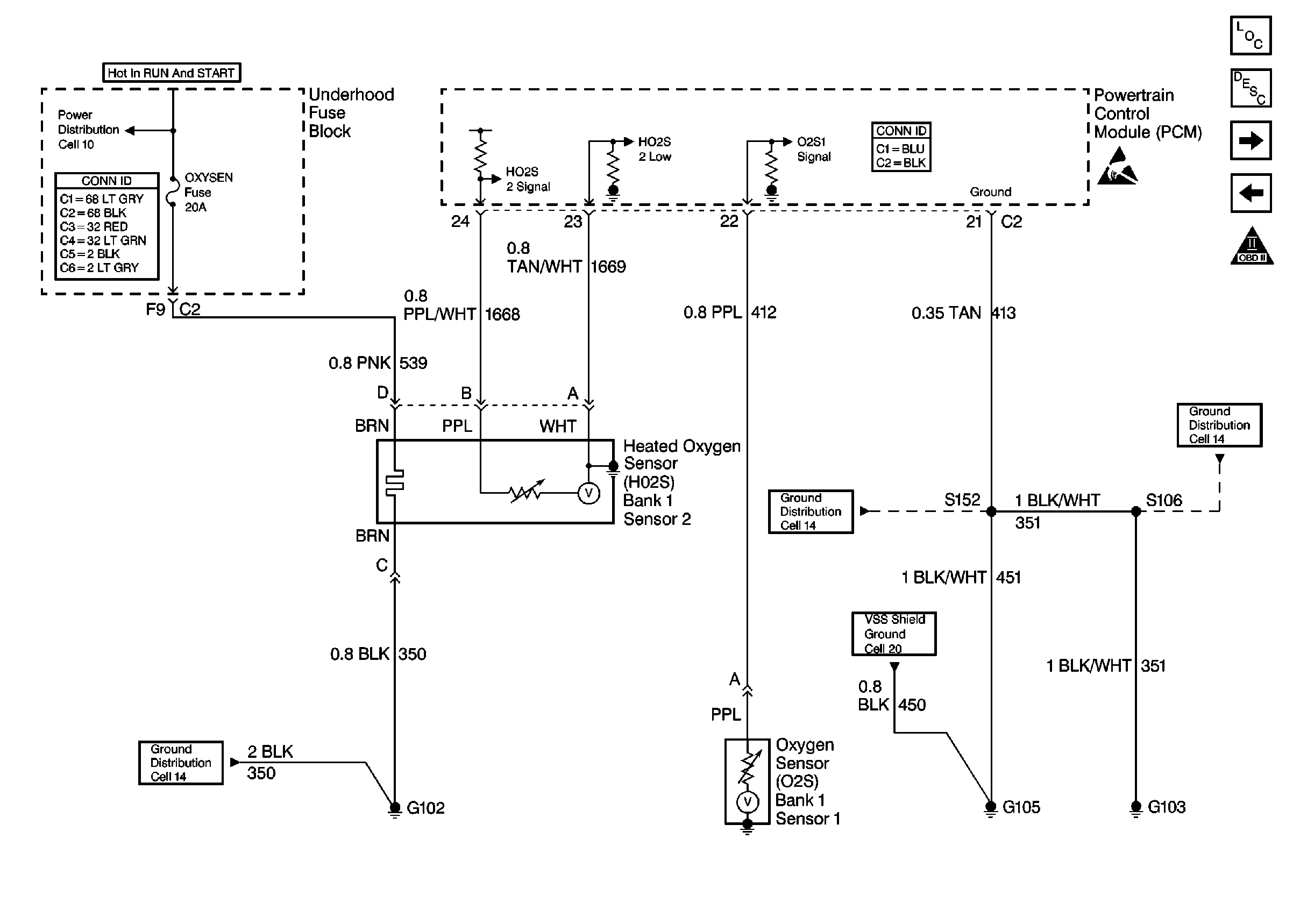
Cell 20: Oxygen Sensors
Handling ESD Sensitive Parts Notice
Cell 14: G102 (Except Envoy)
Cell 10: ECM B Fuse and Horn, Rear Defogger Relays
Figure 6:

Cell 20: MAP, IAT, TPS and ECT Sensors


Object Number: 365772  Size: FS
Powertrain Control Module Connector End Views
Handling ESD Sensitive Parts Notice
Engine Controls Components
Powertrain Control Module Description
Cell 20: IAC, EVAP and EGR Valve Controls
Cell 20: Fuel Injectors and Fuel Pump
OBD II Symbol Description Notice
Handling ESD Sensitive Parts Notice
Figure 7:

Cell 20: IAC, EVAP and EGR Valve Controls


Object Number: 365773  Size: FS
Power and Grounding Connector End Views
Cell 10: ENG I and OXYSEN Fuses
Handling ESD Sensitive Parts Notice
Engine Controls Components
Powertrain Control Module Description
Cell 20: Oxygen Sensors
Cell 20: MAP, IAT, TPS and ECT Sensors
OBD II Symbol Description Notice
Handling ESD Sensitive Parts Notice
Powertrain Control Module Connector End Views
Figure 8:

Cell 20: Oxygen Sensors


Object Number: 365774  Size: FS
Cell 10: ENG I and OXYSEN Fuses
Power and Grounding Connector End Views
Powertrain Control Module Connector End Views
Handling ESD Sensitive Parts Notice
Cell 14: G103 and G105 (2.2L)
Cell 20: Vehicle Speed Sensor Signal
Cell 14: G102 (Except Envoy)
Cell 14: G103 and G105 (2.2L)
Engine Controls Components
Powertrain Control Module Description
Cell 20: Brake Switch Input
Cell 20: IAC, EVAP and EGR Valve Controls
OBD II Symbol Description Notice
Figure 9:

Cell 20: Brake Switch Input


Object Number: 365778  Size: FS
Cell 10: STUD 2, ABS, TBC and RR W/W Fuses
Cell 44: Power and Ground
Cell 34: Clutch Pedal Position Switch and TCC/Stop Lamp Switch
Cell 44: Power and Ground
Powertrain Control Module Connector End Views
Handling ESD Sensitive Parts Notice
Engine Controls Components
Powertrain Control Module Description
Cell 20: Automatic Transmission Valve Controls
Cell 20: Oxygen Sensors
OBD II Symbol Description Notice
Figure 10:

Cell 20: Automatic Transmission Valve Controls


Object Number: 365782  Size: FS
Cell 10: CRANK and CLSTR Fuses
Cell 81: ILLUM, CLSTR and GAUGES Fuses and Instrument Cluster
Cell 20: Power, Grounding, Generator and MIL
Powertrain Control Module Connector End Views
Handling ESD Sensitive Parts Notice
Engine Controls Components
Powertrain Control Module Description
Cell 20: Automatic Transmission Switch Inputs
Cell 20: Brake Switch Input
OBD II Symbol Description Notice
Figure 11:

Cell 20: Automatic Transmission Switch Inputs


Object Number: 365788  Size: FS
Engine Controls Components
Powertrain Control Module Description
Cell 20: Vehicle Speed Sensor Signal
Cell 20: Automatic Transmission Valve Controls
OBD II Symbol Description Notice
Handling ESD Sensitive Parts Notice
Tilt Wheel/Column Connector End Views
Cell 14: G103 and G105 (2.2L)
Powertrain Control Module Connector End Views
Handling ESD Sensitive Parts Notice
Cell 14: G103 and G105 (2.2L)
Cell 20: Vehicle Speed Sensor Signal
Figure 12:

Cell 20: Vehicle Speed Sensor Signal


Object Number: 365790  Size: FS
Antilock Brake System Connector End Views
Handling ESD Sensitive Parts Notice
Handling ESD Sensitive Parts Notice
Handling ESD Sensitive Parts Notice
Entertainment Connector End Views
Handling ESD Sensitive Parts Notice
Engine Controls Components
Powertrain Control Module Description
Cell 20: A/C Compressor Controls
Cell 20: Automatic Transmission Switch Inputs
OBD II Symbol Description Notice
Cell 14: G103 and G105 (2.2L)
Handling ESD Sensitive Parts Notice
Powertrain Control Module Connector End Views
Body Control System Connector End Views
Handling ESD Sensitive Parts Notice
Figure 13:

Cell 20: A/C Compressor Controls


Object Number: 365798  Size: FS
Cell 10: HTD SEAT, ATC, HVAC and A/C Fuses
Power and Grounding Connector End Views
Cell 10: IGN E Fuse and A/C Compressor, Rear Defogger, DRL Relays
Cell 10: HVAC and CRUISE Fuses
Engine Controls Components
Powertrain Control Module Description
Cell 20: Vehicle Speed Sensor Signal
OBD II Symbol Description Notice
HVAC Connector End Views
Cell 63
Handling ESD Sensitive Parts Notice
Powertrain Control Module Connector End Views
Cell 20: Oxygen Sensors
Cell 14: G102 (Except Envoy)