GM Service Manual Online
For 1990-2009 cars only
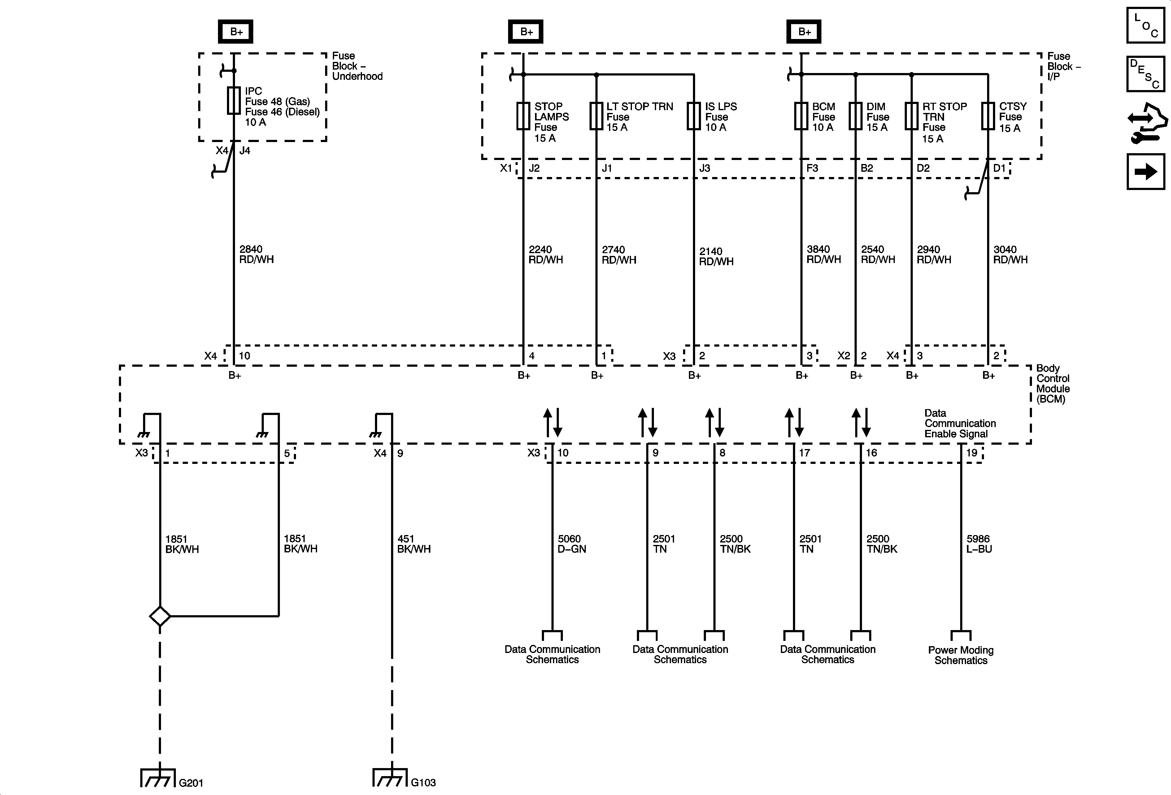
Figure 1:

Module Power, Ground and Serial Data


Object Number: 1855448  Size: FS
Master Electrical Component List
Body Control System Description and Operation
Control Module References
Power Moding and Interior Light References
IS LPS, LT STOP TRN, OBS DET, REAR SEAT and STOP LAMPS Fuses, LT DR Circuit Breaker
IS LPS, LT STOP TRN, OBS DET, REAR SEAT and STOP LAMPS Fuses, LT DR Circuit Breaker
IS LPS, LT STOP TRN, OBS DET, REAR SEAT and STOP LAMPS Fuses, LT DR Circuit Breaker
BCM, COOLED SEATS, CTSY, DDM, DIM, DSM, LBEC 2, PWR MIR, REAR HVAC and RT STOP TRN Fuses
BCM, COOLED SEATS, CTSY, DDM, DIM, DSM, LBEC 2, PWR MIR, REAR HVAC and RT STOP TRN Fuses
BCM, COOLED SEATS, CTSY, DDM, DIM, DSM, LBEC 2, PWR MIR, REAR HVAC and RT STOP TRN Fuses
BCM, COOLED SEATS, CTSY, DDM, DIM, DSM, LBEC 2, PWR MIR, REAR HVAC and RT STOP TRN Fuses
Low Speed Bus - 2 of 3
High Speed Bus - 1 of 3
High Speed Bus - 1 of 3
Serial Data Communication Enable
G201 1 of 2
G106 (4.3L) and G103
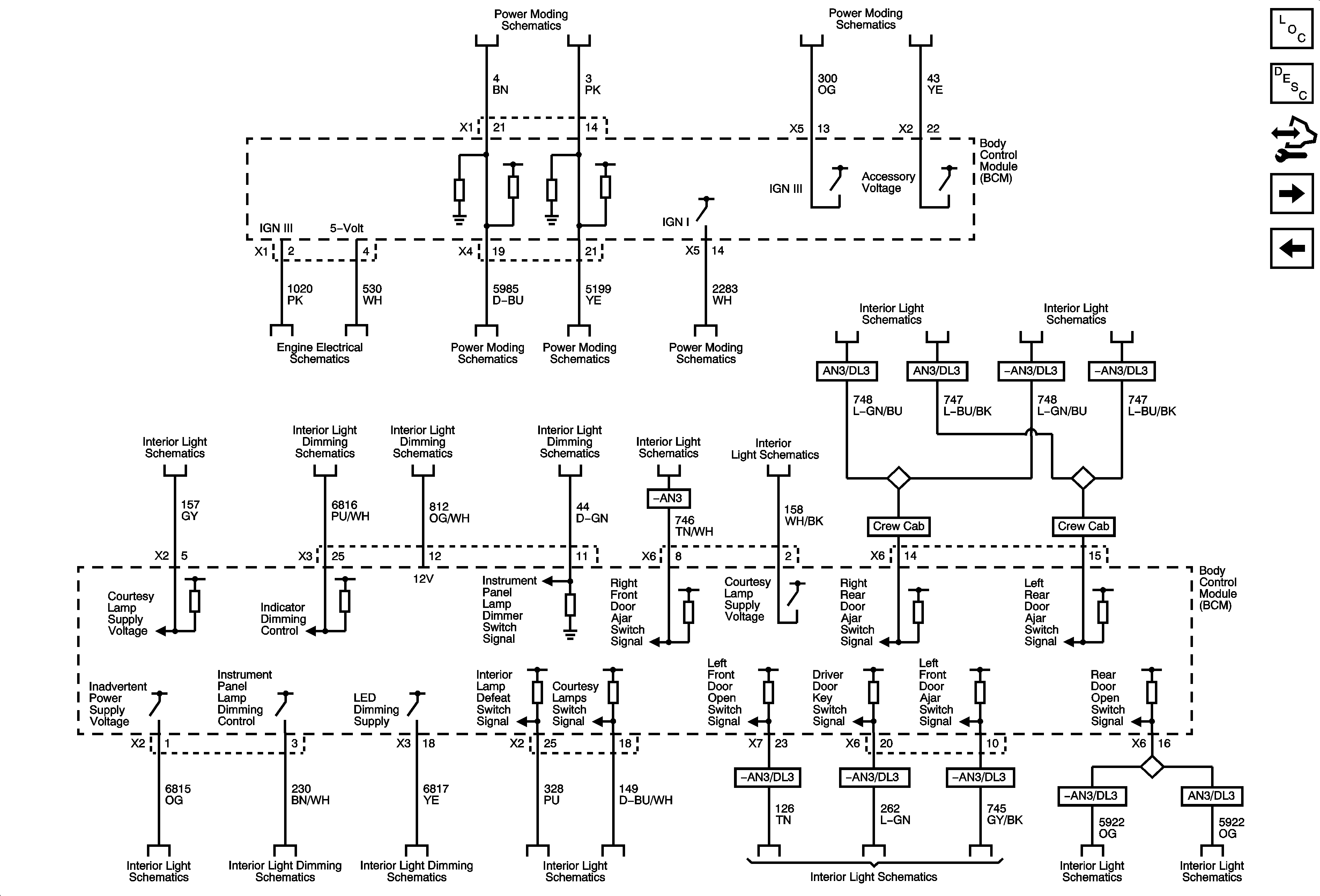
Figure 2:

Power Moding and Interior Light References


Object Number: 1855451  Size: FS
Master Electrical Component List
Body Control System Description and Operation
Control Module References
Exterior Light References
Module Power, Ground and Serial Data References
Ignition II/III Voltage
Ignition III Voltage and Accessory Voltage
Door Jamb Switches AN3/DL3
Door Jamb Switches -AN3/DL3
Starting
Accessory Wakeup Serial Data
Ignition II/III Voltage
Ignition I Voltage and 12 Volt Reference
Courtesy Lamp Control
LED Dimming 3 of 3
Dimming Control and LED Dimming 1 of 3
Dimming Control and LED Dimming 1 of 3
Door Jamb Switches -AN3/DL3
Courtesy Lamp Control
Inadvertent Lamp Control
I/P Bulb Dimming 1 of 2
Dimming Control and LED Dimming 1 of 3
Inadvertent Lamp Control
Door Jamb Switches -AN3/DL3
Door Jamb Switches -AN3/DL3
Door Jamb Switches AN3/DL3
Figure 3:

Exterior Light References


Object Number: 1855452  Size: FS
Master Electrical Component List
Body Control System Description and Operation
Control Module References
Vehicle Access and Wiper References
Power Moding and Interior Light References
Headlight and Daytime Running Light Control
Low Beam and Daytime Running Lights
High Beams
Backup Lamps and Backup Alarm
Turn Signal Controls and Front Turn Signal Lamps
Park Lamp Controls and Front Park Lamps
Turn Signal Controls and Front Turn Signal Lamps
Rear Stop/Turn Signal Lamps
Stop Lamp Controls and CHMSL
Trialer Connector 2 of 2
2007 C/K 900 Pickup - Fog Light Schematics
Stop Lamp Controls and CHMSL
Figure 4:

Vehicle Access and Wiper References


Object Number: 1855453  Size: FS
Master Electrical Component List
Body Control System Description and Operation
Control Module References
Brake, Horn, Transmission, Theft and Secondary/Configurable References
Exterior Light References
Door Lock Controls AU3 -AN3/DL3
Door Lock Motors AU3 -AN3/DL3
Door Lock Motors AU3 -AN3/DL3
Left Doors AN3/DL3
Right Doors AN3/DL3
Wiper and Washer Motor Control
Seat Adjuster Switches (AN3)
Wiper and Washer Motor Control
Wiper Controls
Wiper and Washer Motor Control
Wiper Controls
Figure 5:

Brake, Horn, Transmission, Theft and Secondary/Configurable References


Object Number: 1855454  Size: FS
Master Electrical Component List
Body Control System Description and Operation
Control Module References
Vehicle Access and Wiper References
Module Power, Ground, Serial Data, Pump Motor and Brake Switch JL4
Hydraulic Brake Schematics
Horn Schematics
Charging - Gas
PNP Signals, VSS Signal and Tow/Haul Signal
Power, Ground, Driver Shift request Switch, Tow/Haul Switch, and Serial Data
PNP Signals, VSS Signal and Tow/Haul Signal
Power, Ground, Driver Shift request Switch, Tow/Haul Switch, and Serial Data
Transmission Range Signals and Driver Shift Request
Shift Lock Controls Schematics
-AN3
Steering Wheel Controls
Imobilizer Schematics
SPO Theft