GM Service Manual Online
For 1990-2009 cars only
Figure 1:

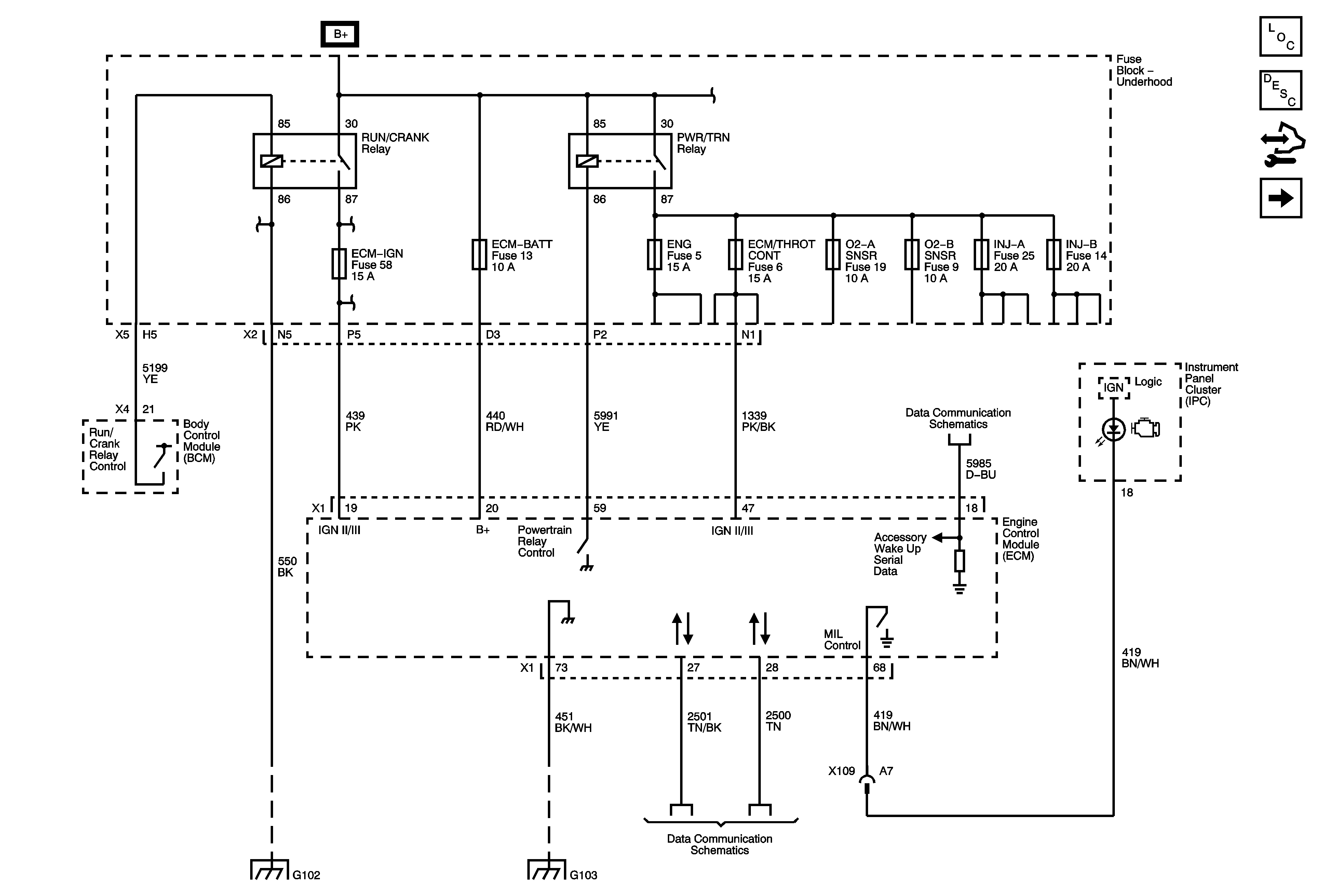
Module Power, Ground and Serial Data


Object Number: 1844395  Size: FS
Master Electrical Component List
Engine Control Module Description
Control Module References
5-Volt and Low Reference
RUN/CRANK BUS - ECM-IGN and TRANS IGN 1 Fuses
ECM-BATT, HDLP WASH, HVAC BATT, IPC, LTR, S/ROOF and TCM-BATT Fuses
PWR/TRN BUS - ECM/THROT CONT and ENG Fuses
PWR/TRN BUS - ECM/THROT CONT and ENG Fuses
PWR/TRN BUS - DSL ECM, FUEL HTR, O2-A SNSR and O2-B SNSR Fuses
PWR/TRN BUS - DSL ECM, FUEL HTR, O2-A SNSR and O2-B SNSR Fuses
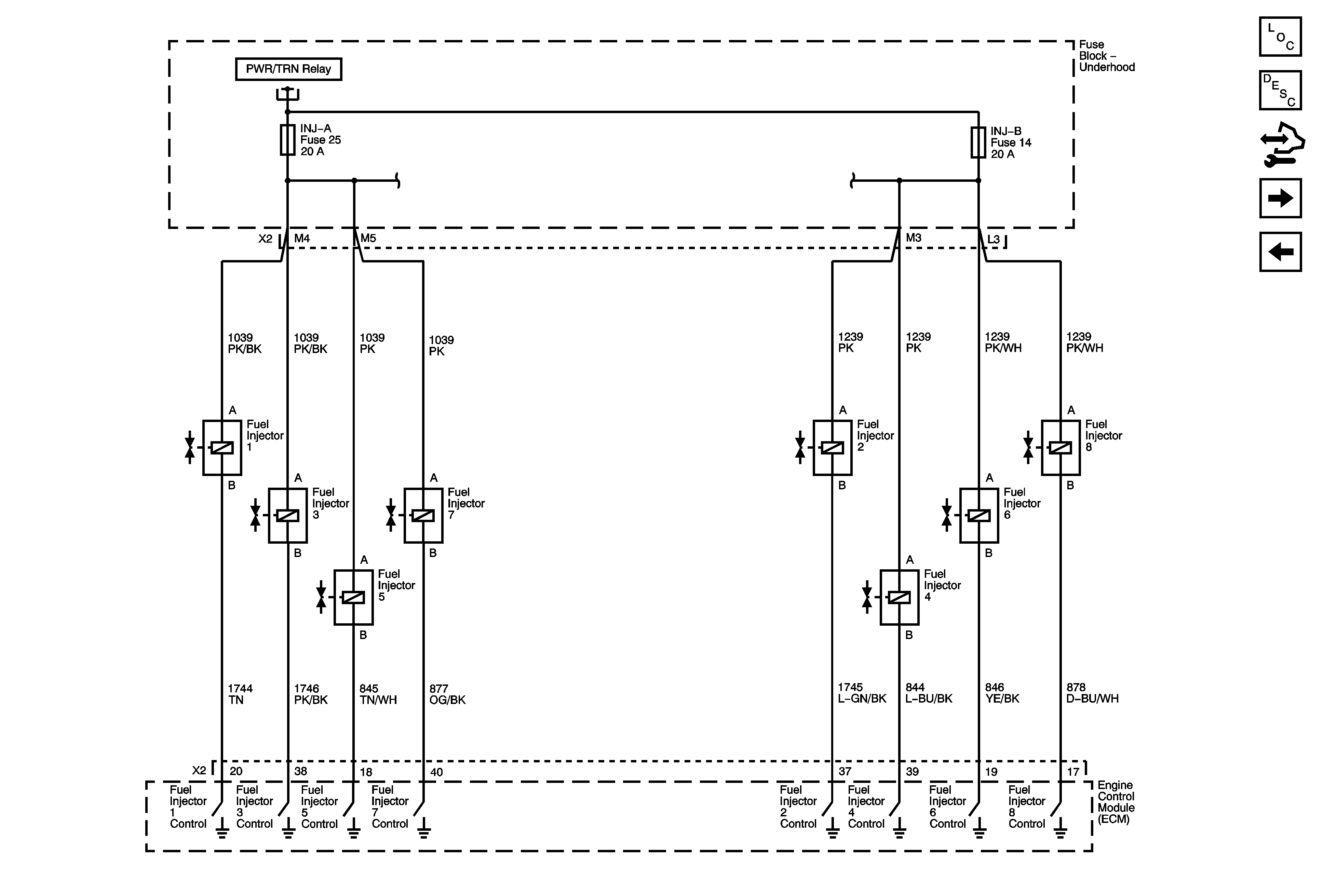
PWR/TRN BUS - INJ-A and INJ-B Fuses
PWR/TRN BUS - INJ-A and INJ-B Fuses
Accessory Wakeup Serial Data
High Speed Bus - 1 of 3
G102, G107 (4.3L), G104, G108
G106 (4.3L) and G103
Figure 2:

5-Volt and Low Reference


Object Number: 1844396  Size: FS
Master Electrical Component List
Engine Control Module Description
Control Module References
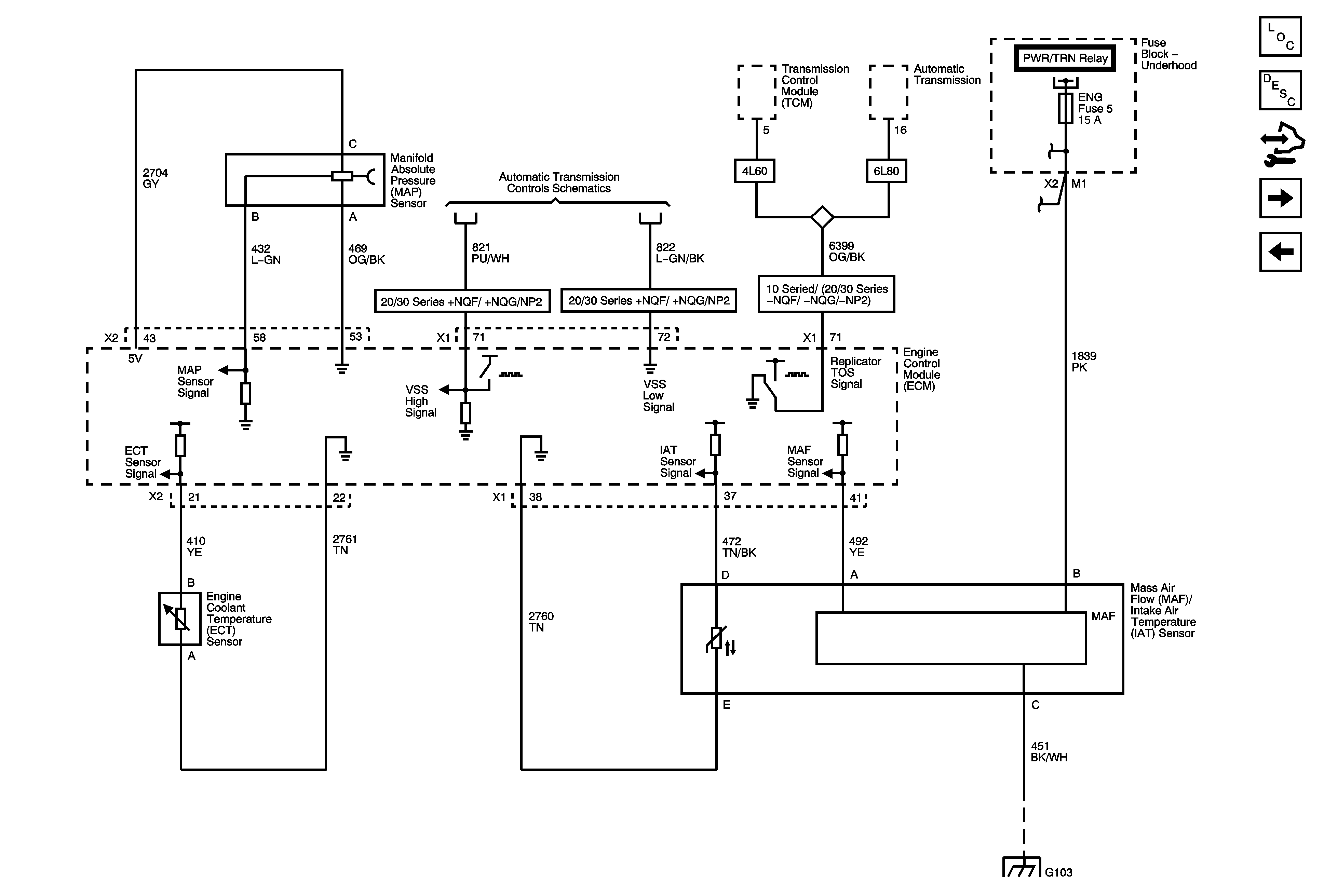
Engine Data Sensors - Pressure and Temperature
Module Power, Ground and Serial Data
Figure 3:

Engine Data Sensors - Pressure and Temperature


Object Number: 1844398  Size: FS
Master Electrical Component List
Engine Control Module Description
Control Module References
Engine Data Sensors - Heated Oxygen Sensors
5-Volt and Low Reference
Module Power, Ground and Serial Data
G106 (4.3L) and G103
Figure 4:

Engine Data Sensors - Heated Oxygen Sensors


Object Number: 1844399  Size: FS
Master Electrical Component List
Engine Control Module Description
Control Module References
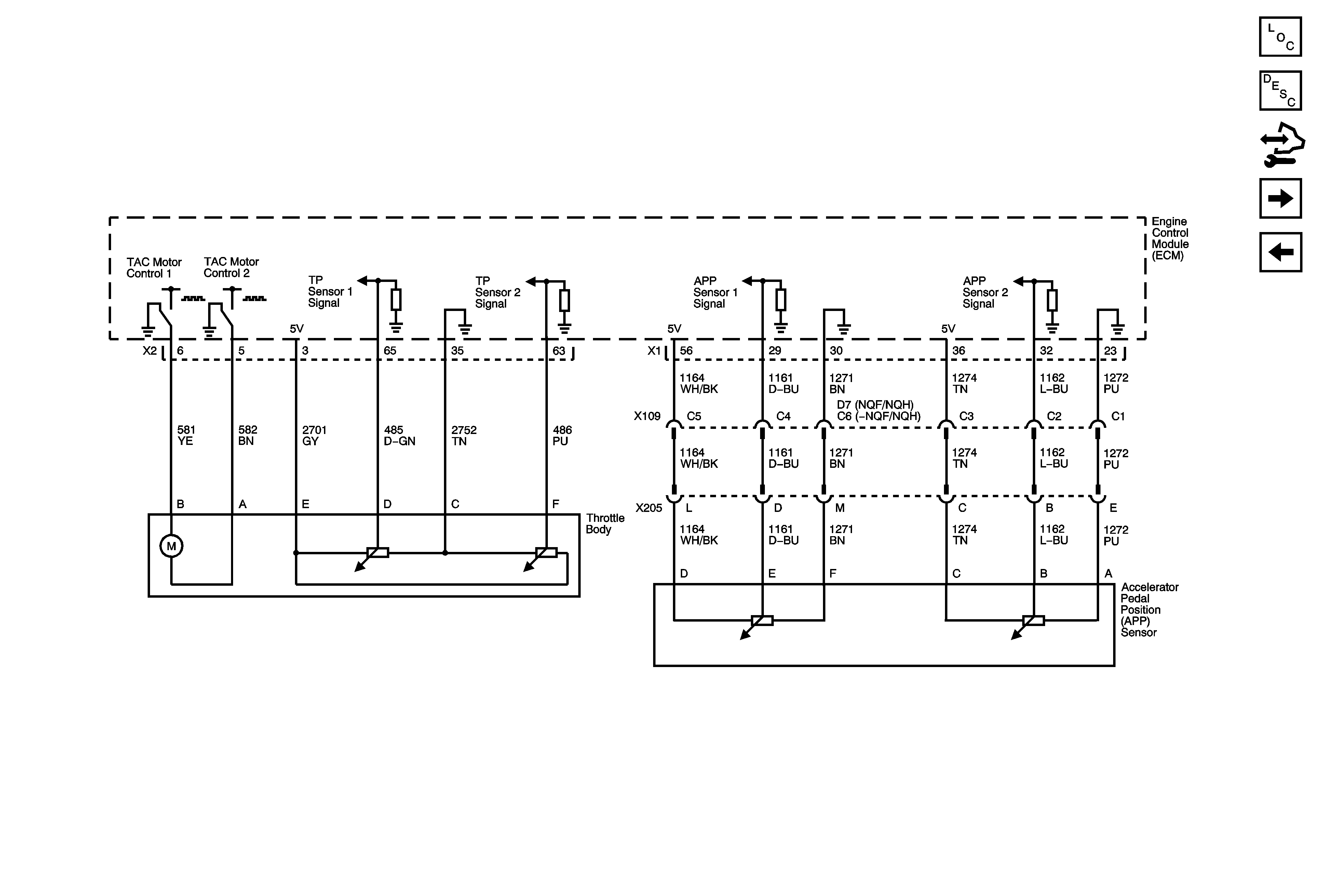
Engine Data Sensors - Throttle Controls
Engine Data Sensors - Pressure and Temperature
Module Power, Ground and Serial Data
PWR/TRN BUS - DSL ECM, FUEL HTR, O2-A SNSR and O2-B SNSR Fuses
PWR/TRN BUS - DSL ECM, FUEL HTR, O2-A SNSR and O2-B SNSR Fuses
Figure 5:

Engine Data Sensors - Throttle Controls


Object Number: 1844401  Size: FS
Master Electrical Component List
Throttle Actuator Control (TAC) System Description
Control Module References
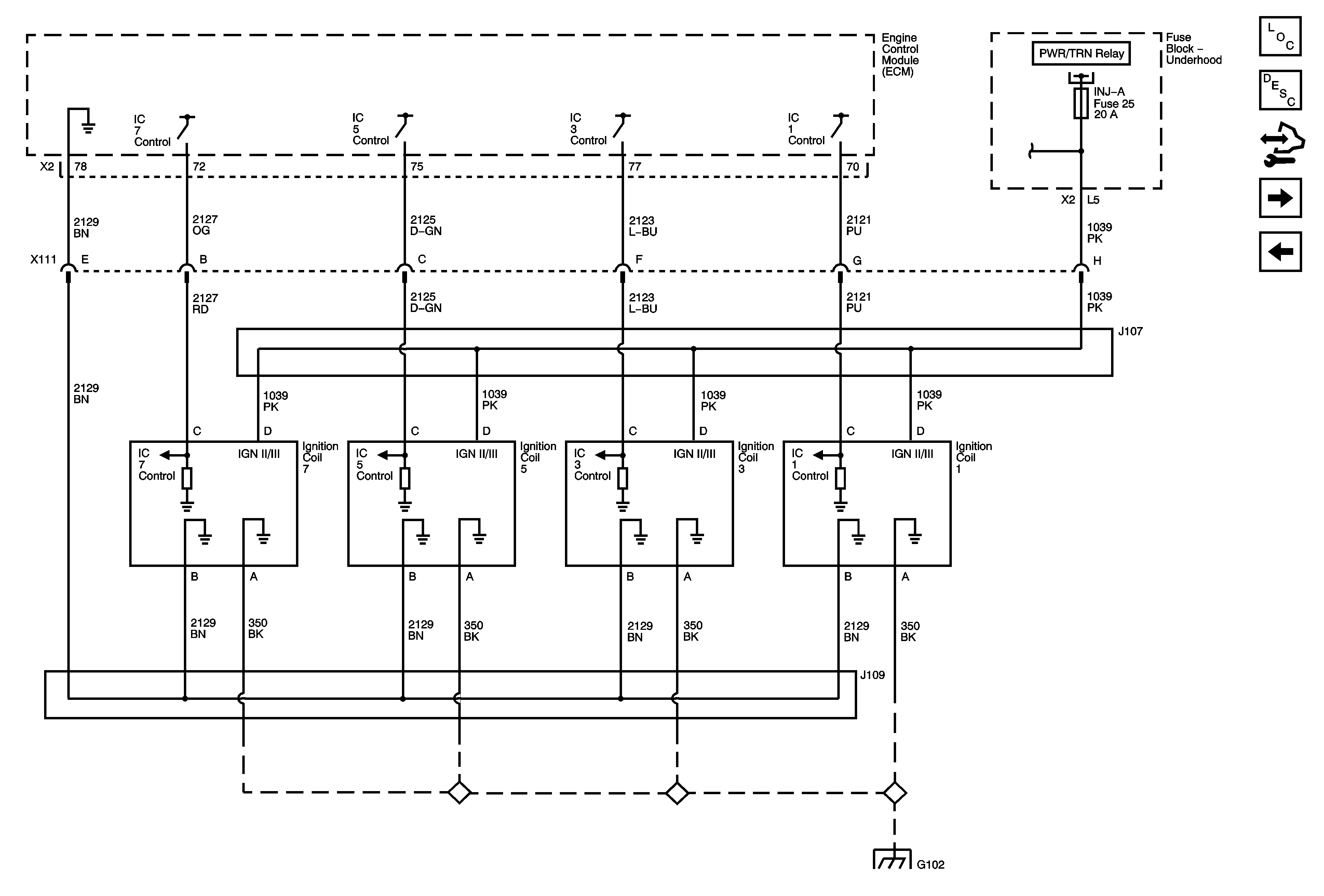
Ignition Controls - Ignition System Coils 1,3,5 and 7
Engine Data Sensors - Heated Oxygen Sensors
Figure 6:

Ignition Controls - Ignition System Coils 1, 3, 5 and 7


Object Number: 1844403  Size: FS
Master Electrical Component List
Electronic Ignition (EI) System Description
Control Module References
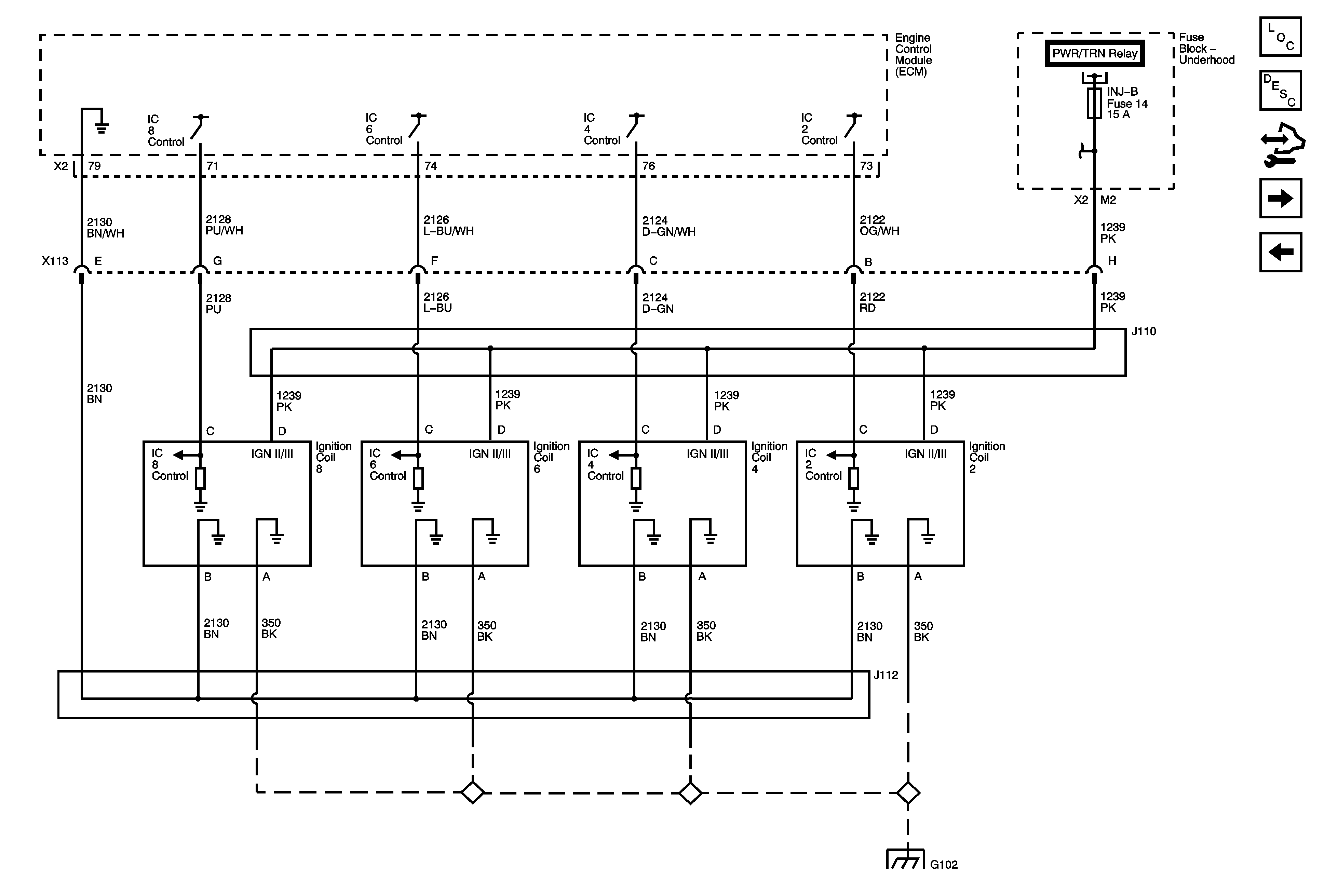
Ignition Controls - Ignition System Coils 2,4,6 and 8
Engine Data Sensors - Throttle Controls
Module Power, Ground and Serial Data
G102, G107 (4.3L), G104, G108
Figure 7:

Ignition Controls - Ignition System Coils 2, 4, 6 and 8


Object Number: 1844404  Size: FS
Master Electrical Component List
Electronic Ignition (EI) System Description
Control Module References
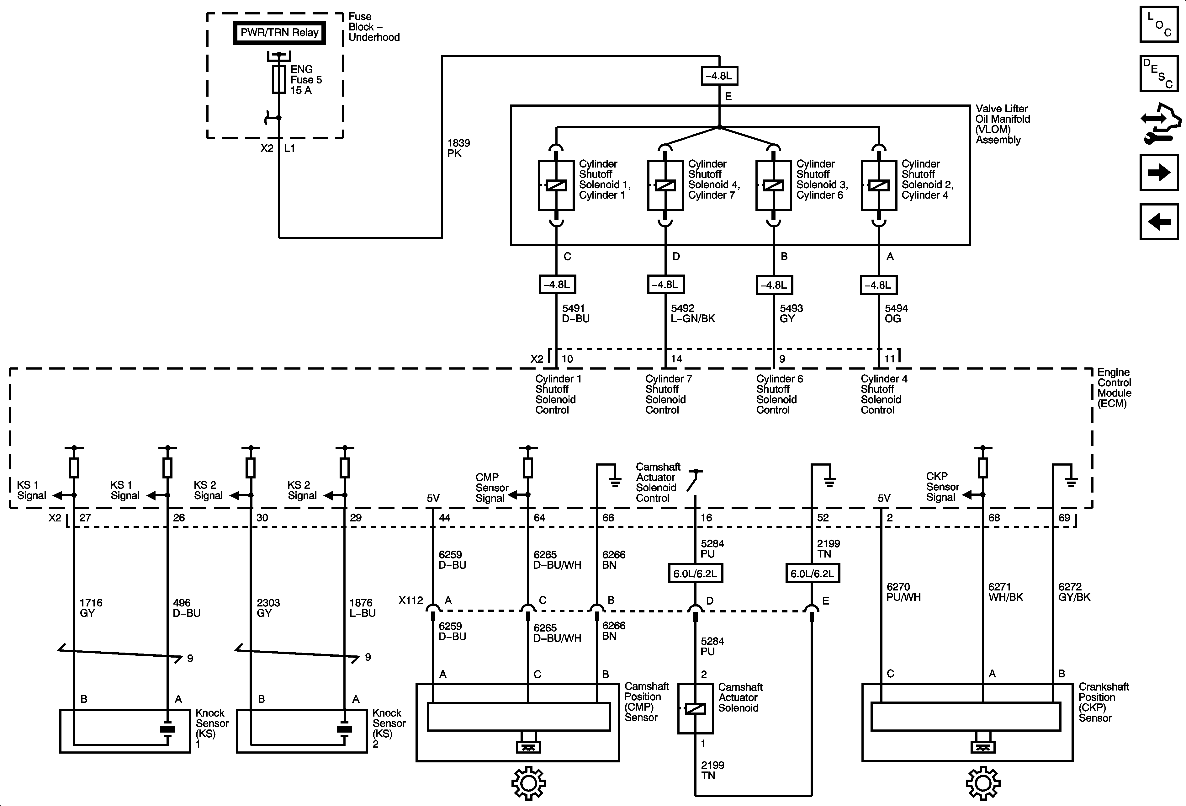
Ignition Controls - Sensors
Ignition Controls - Ignition System Coils 1,3,5 and 7
Module Power, Ground and Serial Data
PWR/TRN BUS - INJ-A and INJ-B Fuses
G102, G107 (4.3L), G104, G108
Figure 8:

Ignition Controls - Sensors


Object Number: 1844405  Size: FS
Master Electrical Component List
Knock Sensor (KS) System Description
Control Module References
Fuel Controls - Fuel Pump Controls (-LMG/LY6/LC9)
Ignition Controls - Ignition System Coils 2,4,6 and 8
Module Power, Ground and Serial Data
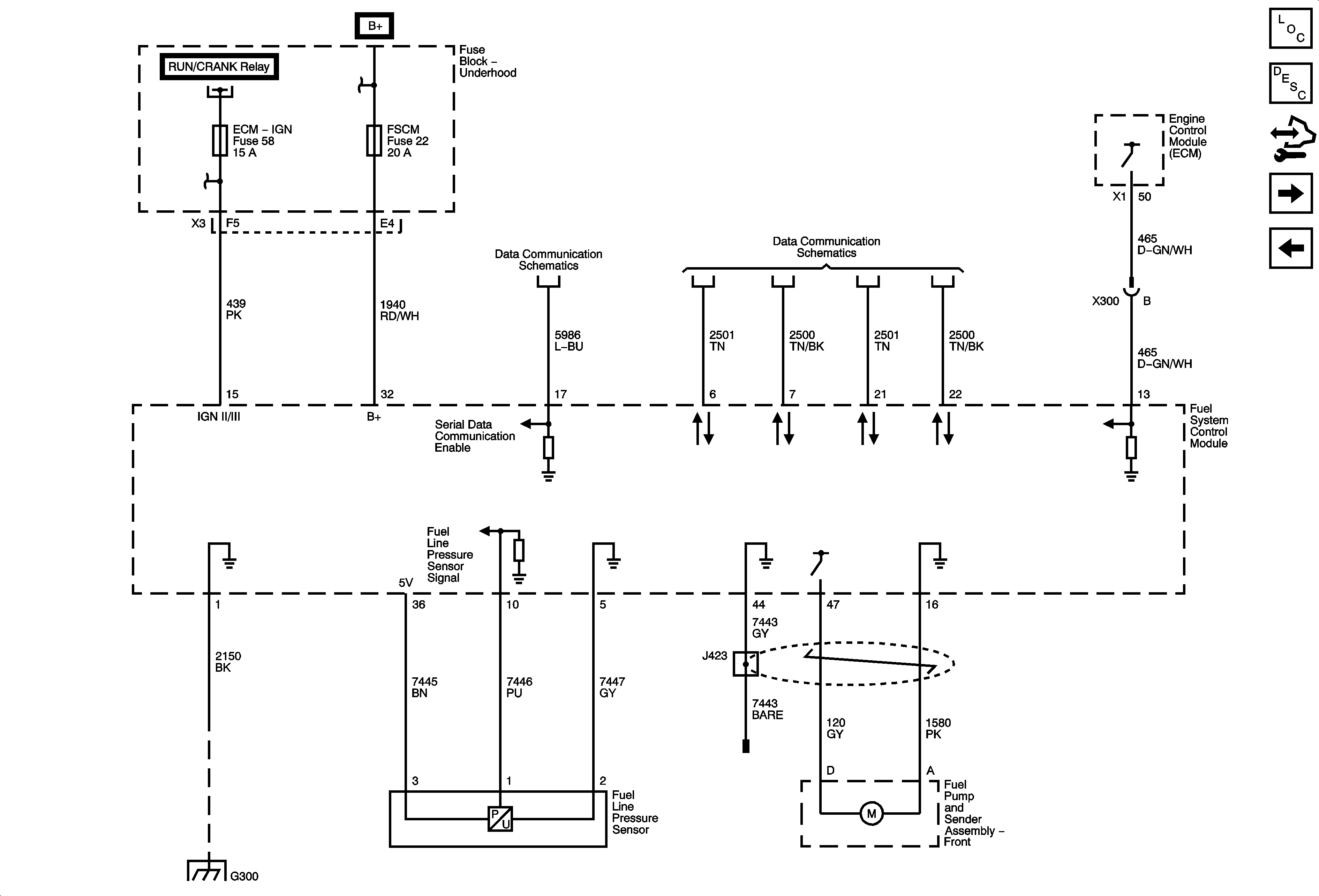
Figure 9:

Fuel Pump Controls (-LMG/LY6/LC9)


Object Number: 1844406  Size: FS
Master Electrical Component List
Fuel System Description
Control Module References
Fuel Pump Controls +LMG/LY6/LC9
Ignition Controls - Sensors
Ignition II/III Voltage
Module Power, Ground and Serial Data
FSCM, ITBC and RDO Fuses
Serial Data Communication Enable
High Speed Bus - 2 of 3
G300
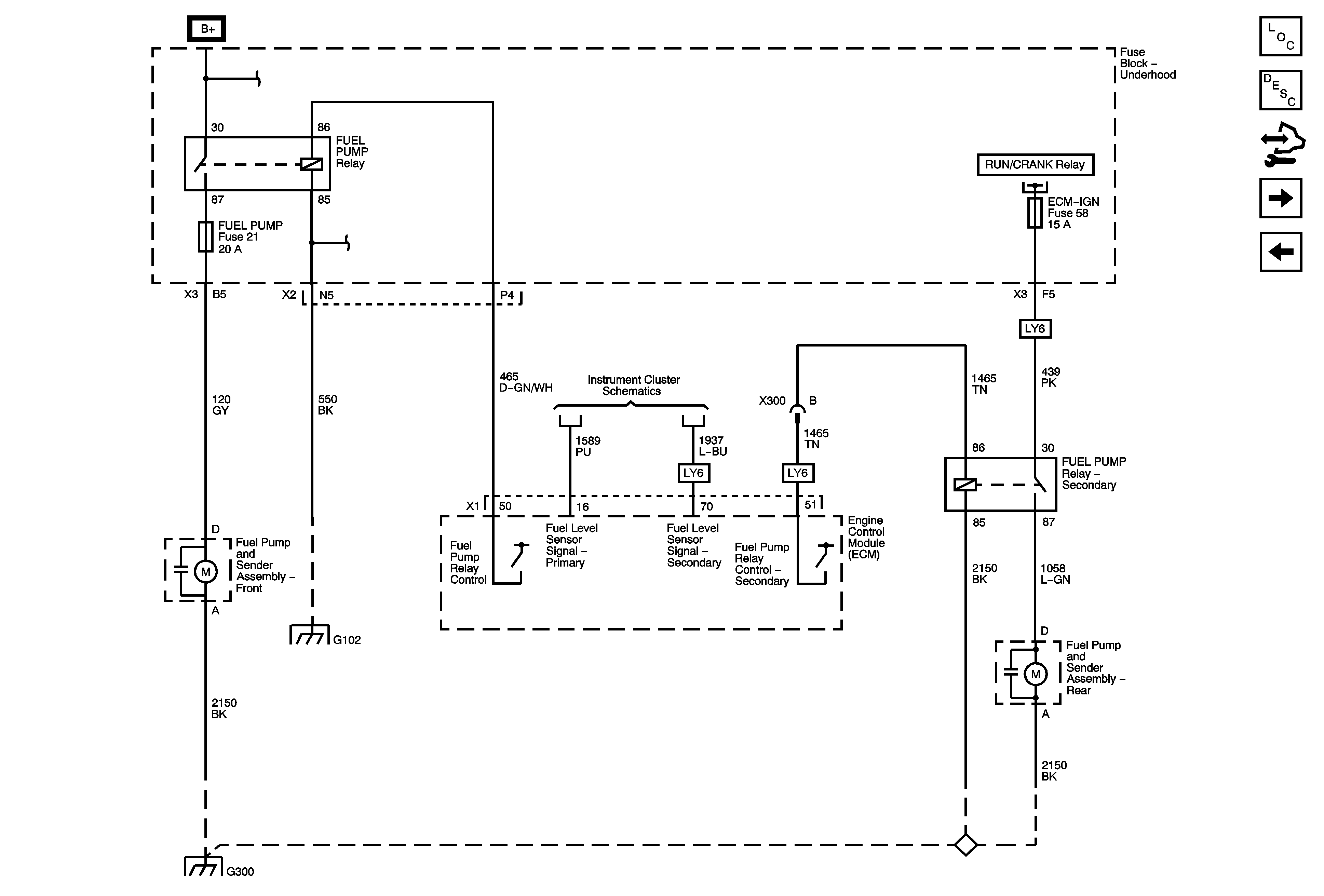
Figure 10:

Fuel Pump Controls (+LMG/LY6/LC9)


Object Number: 1844408  Size: FS
Master Electrical Component List
Fuel System Description
Control Module References
Fuel Controls - Fuel Injectors
Fuel Controls - Fuel Pump Controls (-LMG/LY6/LC9)
Ignition II/III Voltage
A/C CMPRSR, FRT WASH, FUEL PUMP, HORN, HTD MIR, REAR DEFOG and STRTR Fuses
RUN/CRANK BUS - ECM-IGN and TRANS IGN 1 Fuses
Gages
G102, G107 (4.3L), G104, G108
G300
Figure 11:

Fuel Controls - Fuel Injectors


Object Number: 1844409  Size: FS
Master Electrical Component List
Fuel System Description
Control Module References
Fuel Controls - EVAP Controls
Fuel Pump Controls +LMG/LY6/LC9
Module Power, Ground and Serial Data
PWR/TRN BUS - INJ-A and INJ-B Fuses
PWR/TRN BUS - INJ-A and INJ-B Fuses
Figure 12:

Fuel Controls - EVAP Controls


Object Number: 1844411  Size: FS
Master Electrical Component List
Evaporative Emission Control System Description
Control Module References
Controlled/Monitored Subsystem References
Fuel Controls - Fuel Injectors
Module Power, Ground and Serial Data
PWR/TRN BUS - ECM/THROT CONT and ENG Fuses
ECM-BATT, HDLP WASH, HVAC BATT, IPC, LTR, S/ROOF and TCM-BATT Fuses
Gages
Figure 13:

Controlled/Monitored Subsystem References


Object Number: 1844412  Size: FS
Master Electrical Component List
Engine Control Module Description
Control Module References
Fuel Controls - EVAP Controls
Gas
A/C Compressor Controls - C67
A/C Compressor Controls
Stop Lamp Controls and CHMSL
Transfer Case Control Schematics
Transfer Case Control Schematics
Charging - Gas
Starting
PNP Signals, VSS Signal and Tow/Haul Signal
Indicators
Gages
JF3/JF7