GM Service Manual Online
For 1990-2009 cars only

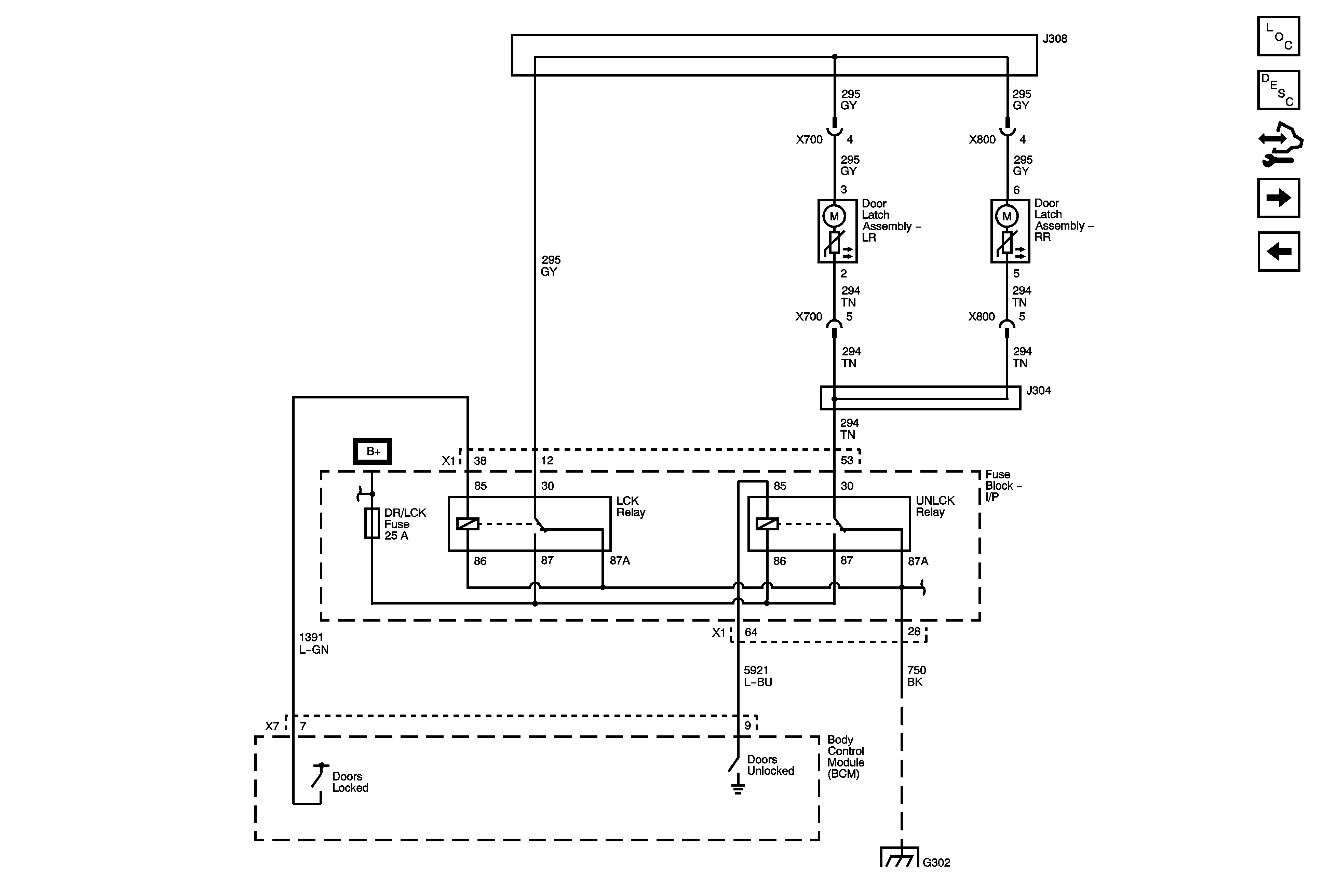
Door Lock/Indicator Schematics except AXC/AXE

Figure 1:

Switches


Object Number: 1843968  Size: FS
Master Electrical Component List
Power Door Locks Description and Operation (AXA)
Control Module References
Actuators
Driver, LR, and RR Door Lamps
Indicators
Door Open Switches
Console, I/P, Passenger Door, and Roof Lamp
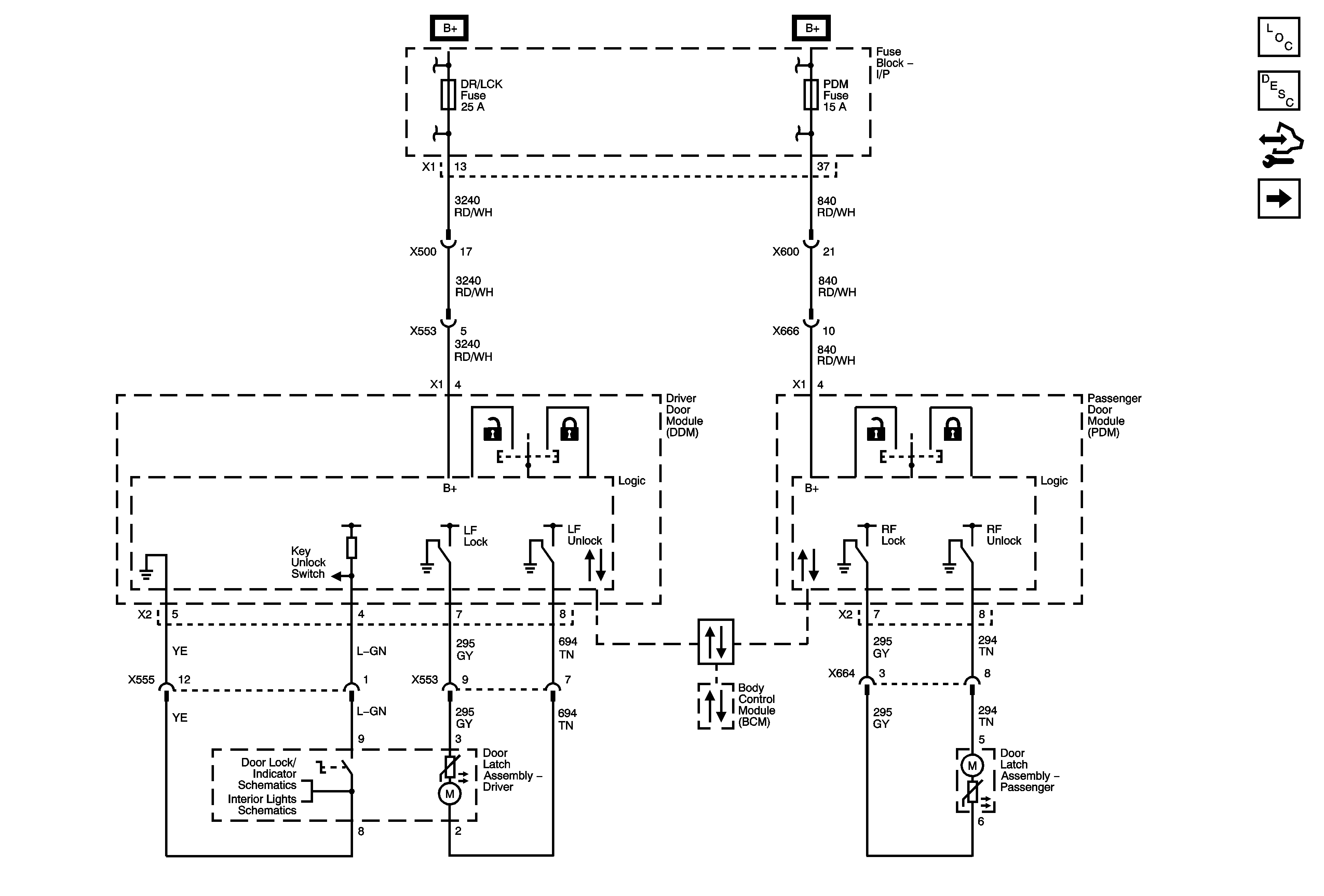
Figure 2:

Actuators


Object Number: 1843969  Size: FS
Master Electrical Component List
Power Door Locks Description and Operation (AXA)
Control Module References
Indicators
Switches
BATT 3, DRL, DRL 2, DR/LCK, FRT/WSW, HVAC, and REAR WIPER Fuses, PWR/WNDW Circuit Breaker
G302 1 of 3
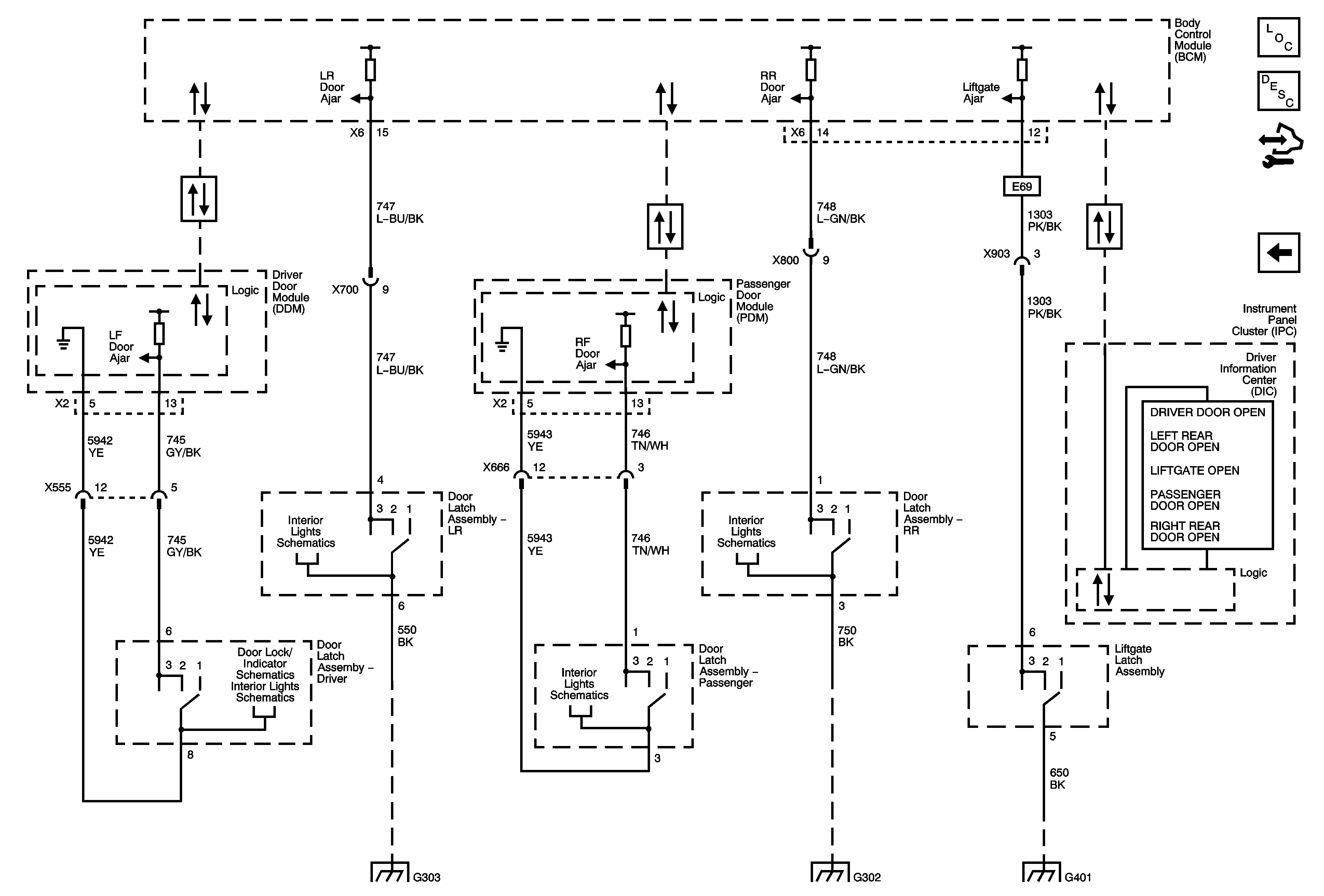
Figure 3:

Indicators


Object Number: 1843970  Size: FS
Master Electrical Component List
Door Ajar Indicator Description and Operation
Control Module References
Actuators
Data Communication Schematics
Door Open Switches
Door Open Switches
Switches
Door Open Switches
Door Open Switches
G303 1 of 2
G302 1 of 3
G401 1 of 2

Door Lock/Indicator Schematics AXC/AXE

Figure 1:

Front Doors


Object Number: 1843971  Size: FS
Master Electrical Component List
Power Door Locks Description and Operation (AXC/AXE)
Control Module References
Rear Doors
BATT 3, DRL, DRL 2, DR/LCK, FRT/WSW, HVAC, and REAR WIPER Fuses, PWR/WNDW Circuit Breaker
BATT 2, BCK/UP/STOP, HTD/SEAT, LT/TRN/SIG, PDM, PWR/MIRRORS, and RT/TRN/SIG Fuses, LT/PWR/SEAT, PWR/COLUMN, and RT/PWR/SEAT Circuit Breakers
Data Communication Schematics
Indicators
Door Open Switches
Figure 2:

Rear Doors


Object Number: 1843972  Size: FS
Master Electrical Component List
Power Door Locks Description and Operation (AXC/AXE)
Control Module References
Indicators
Front Doors
BATT 3, DRL, DRL 2, DR/LCK, FRT/WSW, HVAC, and REAR WIPER Fuses, PWR/WNDW Circuit Breaker
G302 1 of 3
Figure 3:

Indicators


Object Number: 1843973  Size: FS
Master Electrical Component List
Power Door Locks Description and Operation (AXC/AXE)
Control Module References
Rear Doors
Data Communication Schematics
Data Communication Schematics
Data Communication Schematics
Door Open Switches
Door Open Switches
Front Doors
Door Open Switches
Door Open Switches
G303 1 of 2
G302 1 of 3
G401 1 of 2