GM Service Manual Online
For 1990-2009 cars only
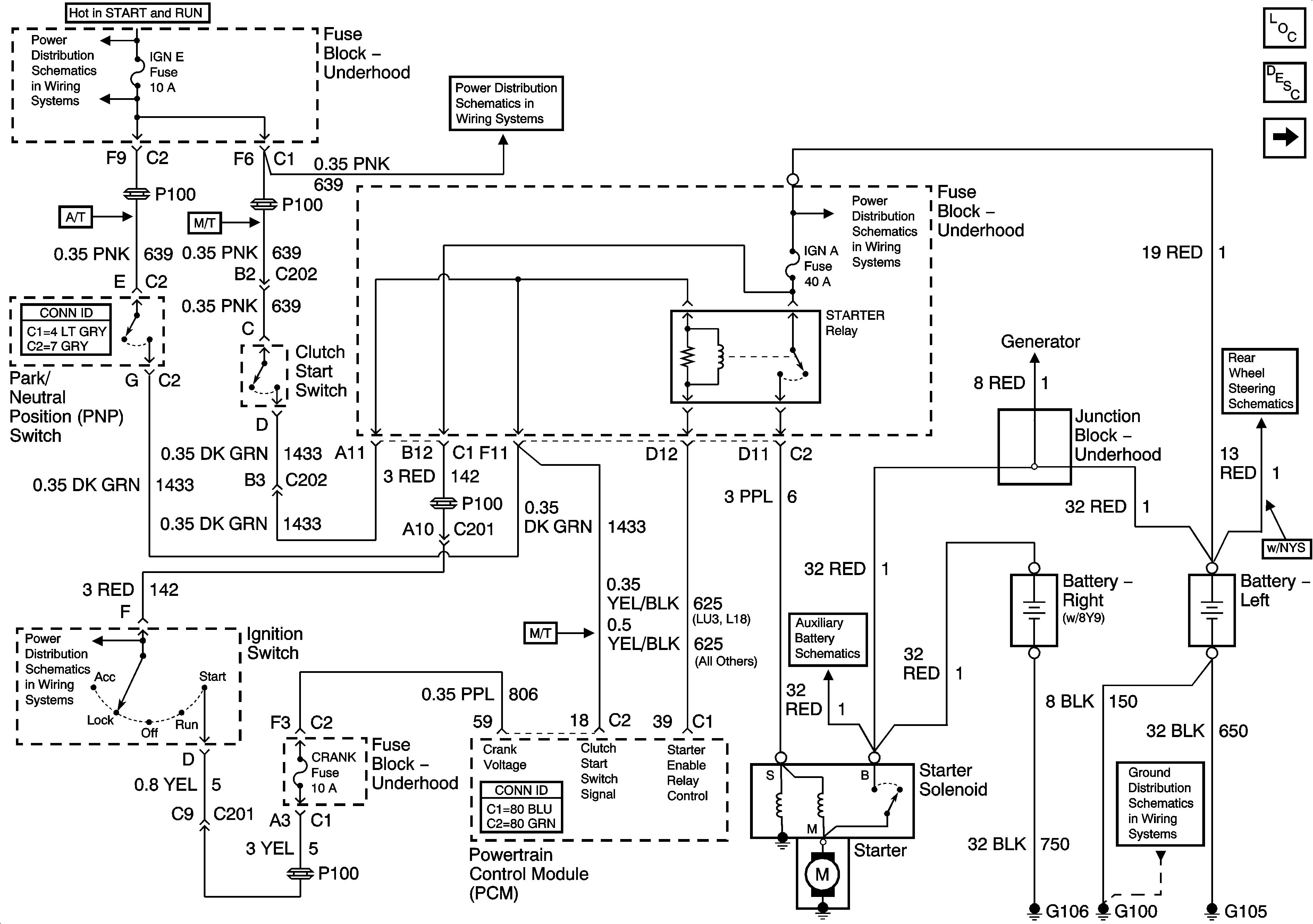
Figure 1:

Starting System-Gas


Object Number: 868756  Size: FS
Master Electrical Component List
Starting System Description and Operation
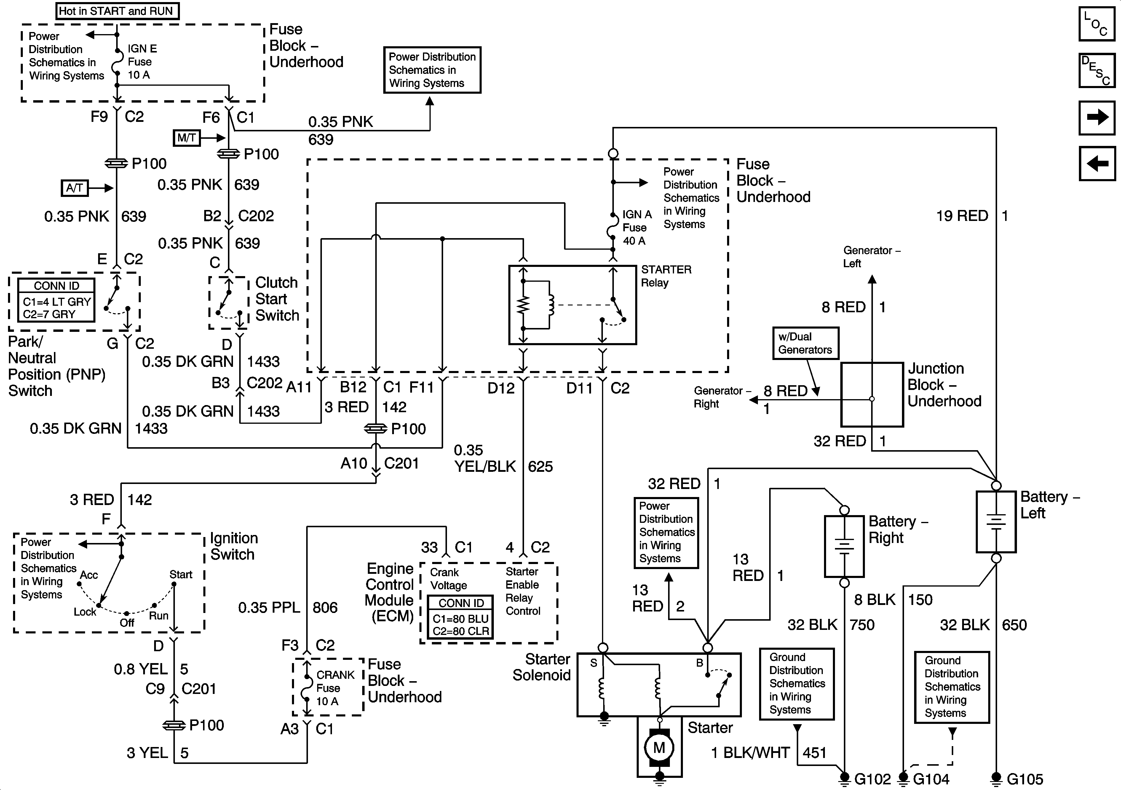
Starting System-Diesel
IGN E
IGN E
B+ Bus Bar (Gas) - 1 of 3
Auxiliary Battery
Power, Ground, DLC, and Vehicle Speed
G100, G101, G105
Figure 2:

Starting System-Diesel


Object Number: 868759  Size: FS
Master Electrical Component List
Starting System Description and Operation
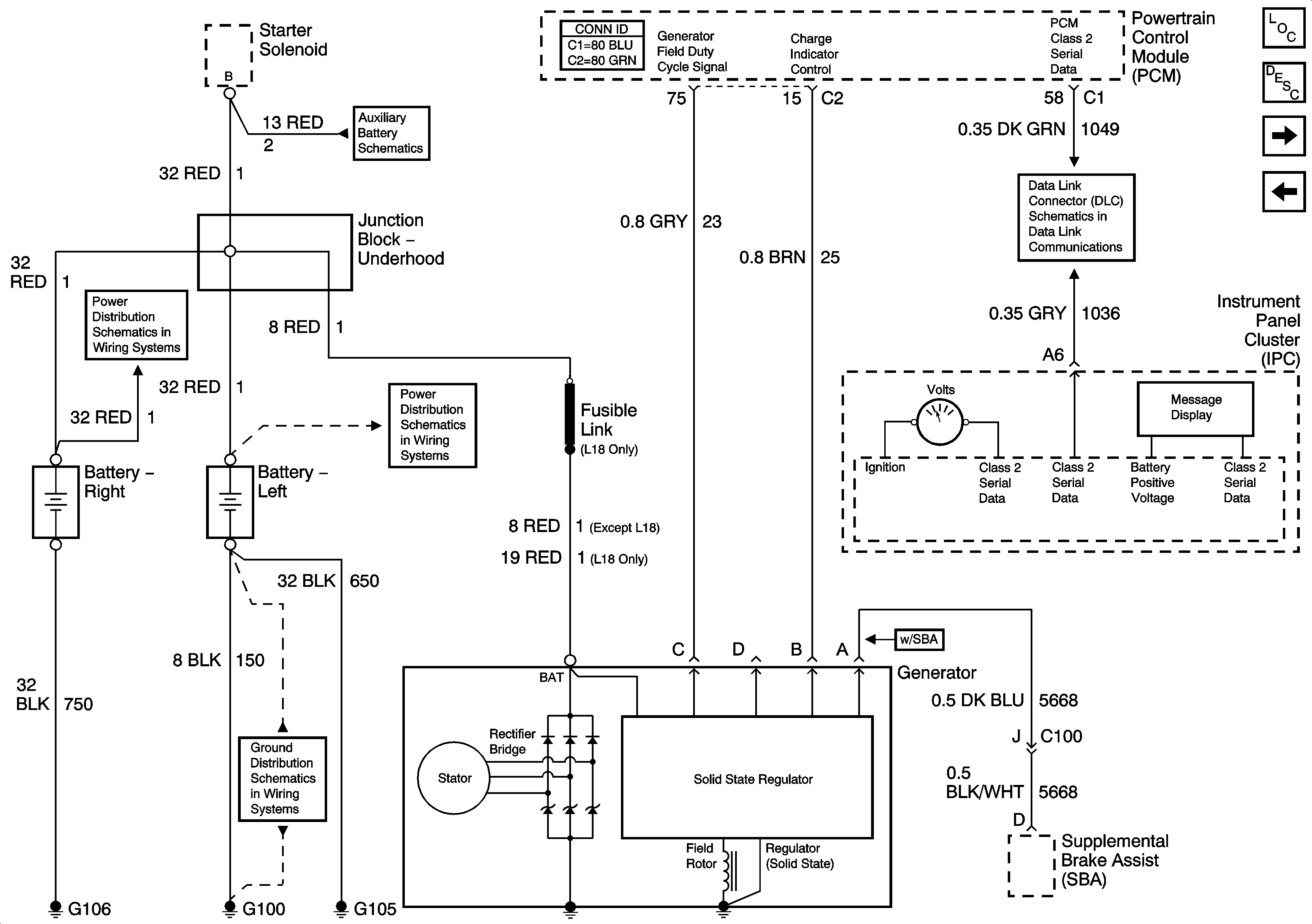
Charging System-Gas
Starting System-Gas
Ignition, Run, Start, Accy Bus Bar
IGN E
B+ Bus Bar (Diesel) - 2 of 3
B+ Bus Bar (Diesel) - 2 of 3
G104, G106, G107
G102, G103, G108, and G109 - Diesel
Figure 3:

Charging System-Gas


Object Number: 868762  Size: FS
Master Electrical Component List
Charging System Description and Operation W/O Generator/Battery Control Module
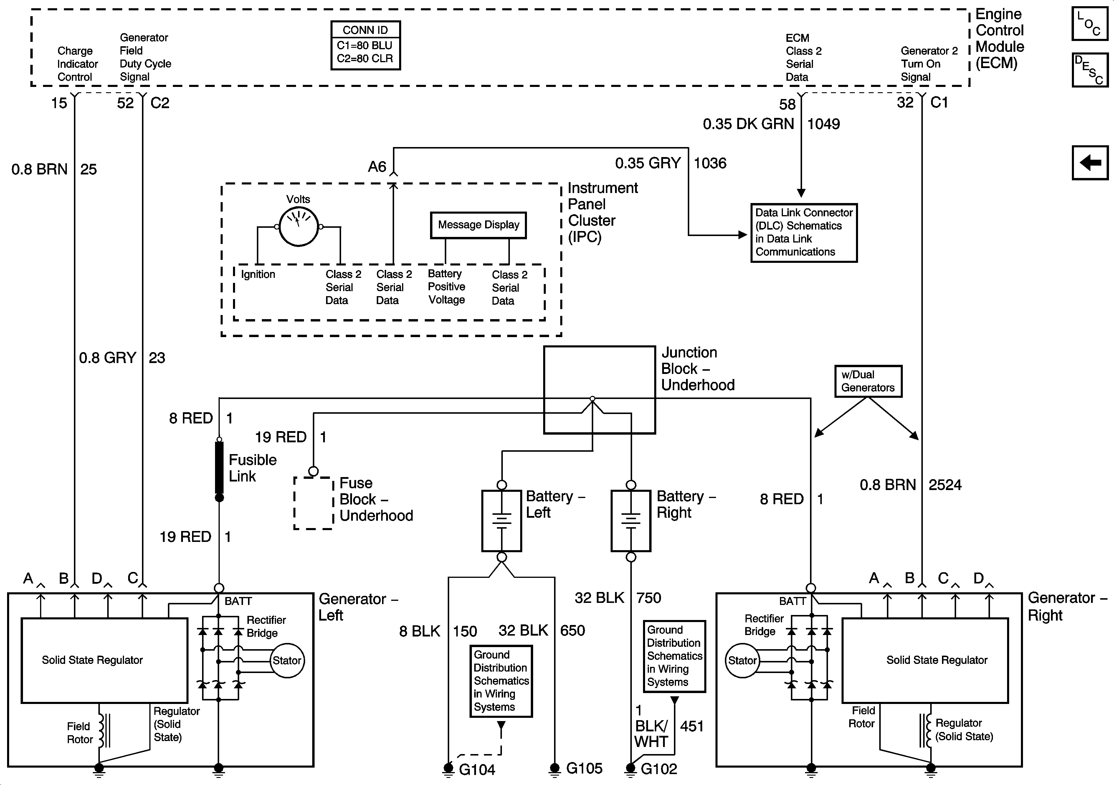
Charging System-Diesel
Starting System-Diesel
B+ Bus Bar (Gas) - 1 of 3
Auxiliary Battery
B+ Bus Bar (Gas) - 1 of 3
G100, G101, G105
SP205 - 2 of 2
Figure 4:

Charging System-Diesel


Object Number: 868763  Size: FS
Master Electrical Component List
Charging System Description and Operation W/O Generator/Battery Control Module
Charging System-Gas
G104, G106, G107
G102, G103, G108, and G109 - Diesel
SP205 - 2 of 2