GM Service Manual Online
For 1990-2009 cars only
Figure 1:

Module Power, Ground, Serial Data, and MIL


Object Number: 1752739  Size: FS
Master Electrical Component List
Powertrain Control Module Description
Control Module References
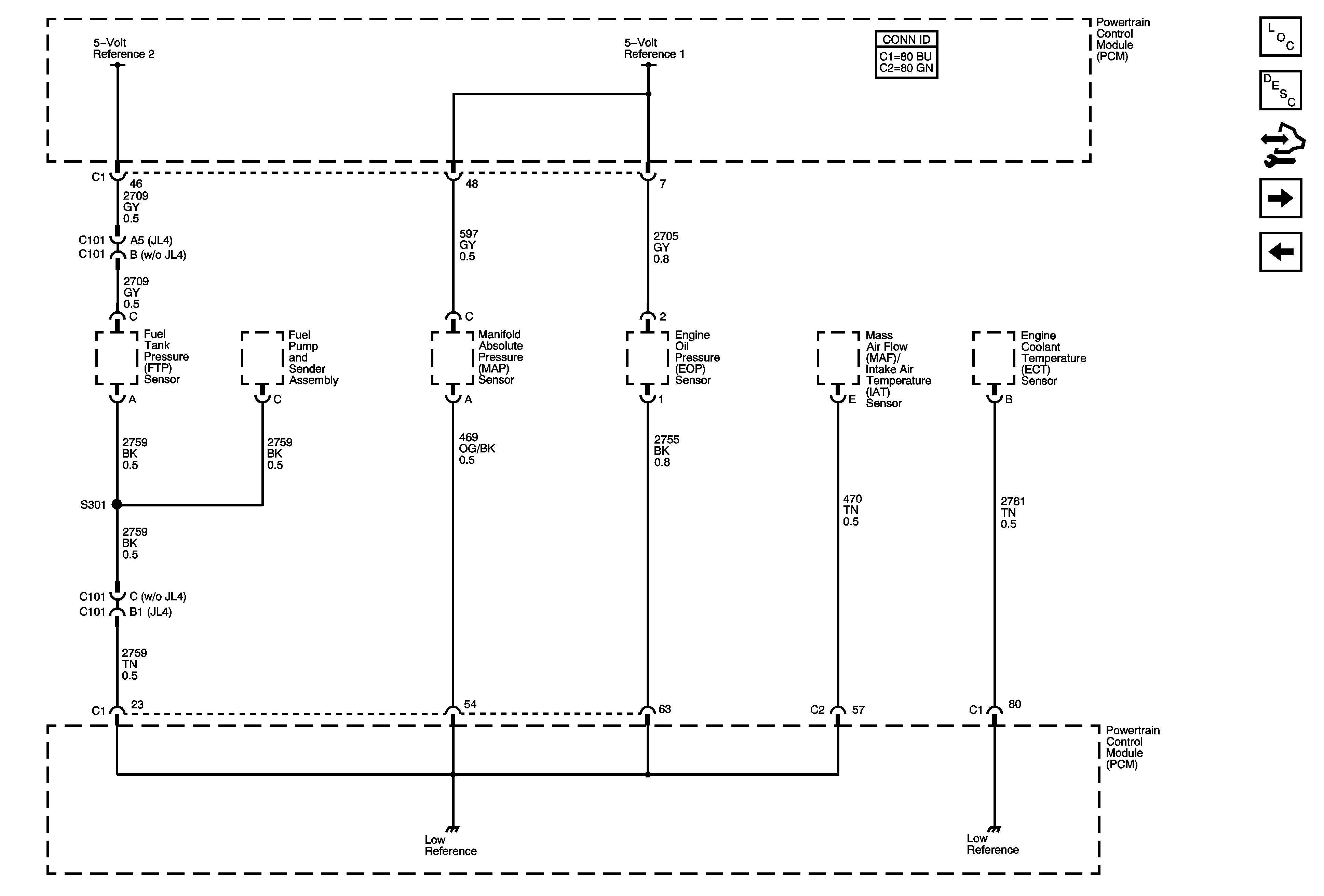
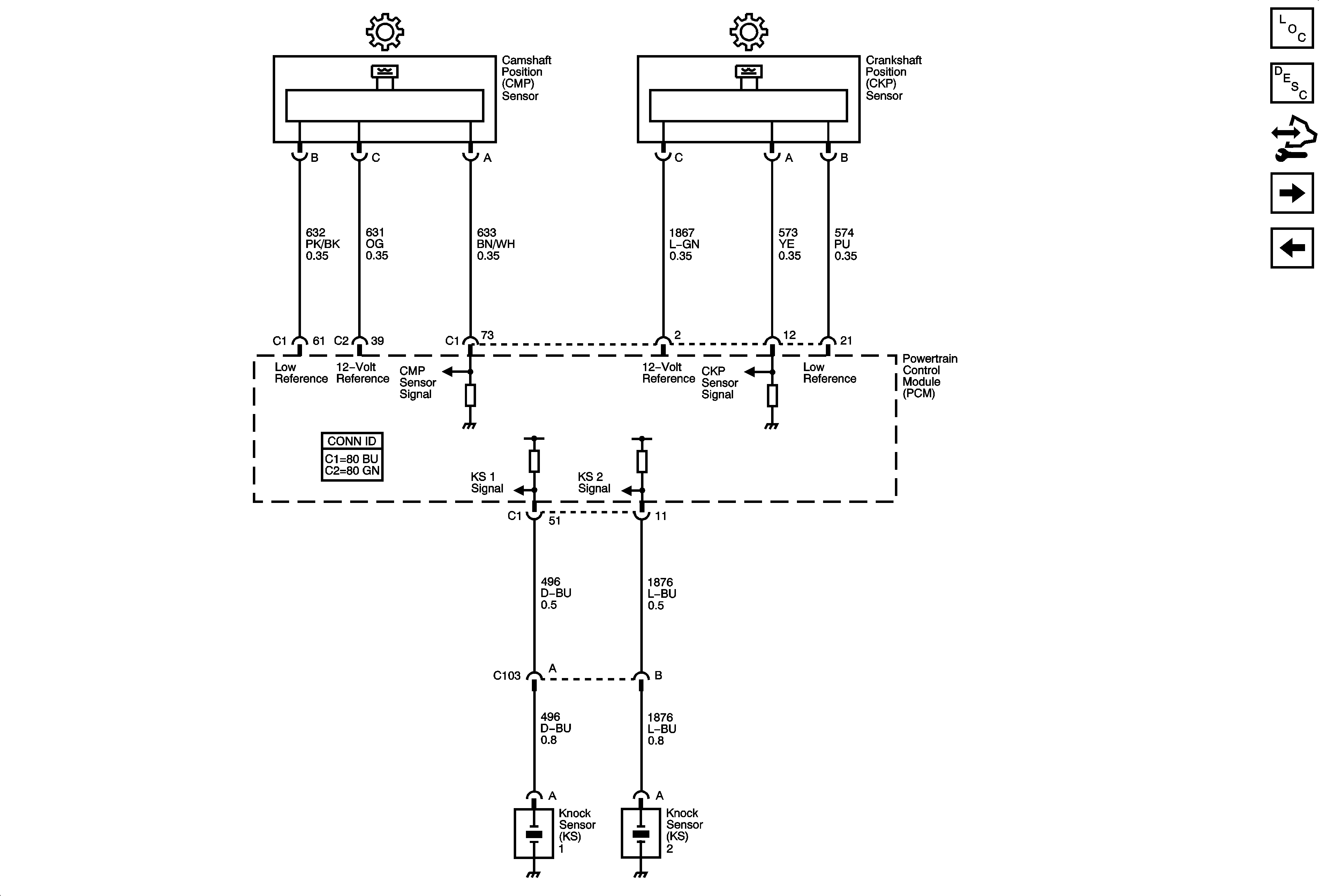
Engine Data Sensors - 5-Volt and Low Reference
B+ Bus - Underhood Fuse Block - Gas
Ignition Switch - ACCY/RUN, RUN/START Bus Bars and IGN B Fuse
BTSI, BTSI BCK/UP, ECM/TCM/GLOW PLUG CNTRL MDL IGN 1, FUEL HTR, O2 SNSR A, O2 SNSR B, PCM IGN 1, SPARE and TRLR BCK/UP Fuses
BRK, CRNK, FRT WPR, HVAC, ING 0, TBC ACCY and TBC/TCM ACCY Fuses
BRK, CRNK, FRT WPR, HVAC, ING 0, TBC ACCY and TBC/TCM ACCY Fuses
G103, G104, G105, G106, G107, G108, G300, G301 and G305
Power, Ground, DLC and Splice Pack SP200
Figure 2:

Engine Data Sensors - 5-Volt and Low Reference


Object Number: 1752749  Size: FS
Master Electrical Component List
Powertrain Control Module Description
Control Module References
Engine Data Sensors - Pressure, Temperature and Position
Module Power, Ground, Serial Data and MIL
Figure 3:

Engine Data Sensors - Pressure, Temperature, and Position


Object Number: 1752757  Size: FS
Master Electrical Component List
Powertrain Control Module Description
Control Module References
Engine Data Sensors - Oxygen Sensors
Engine Data Sensors - 5-Volt and Low Reference
Ignition Switch - ACCY/RUN, RUN/START Bus Bars and IGN B Fuse
ENG 1 and ENG 2 Fuses - 4.8L, 5.3L and 6.0L
ENG 1 and ENG 2 Fuses - 4.8L, 5.3L and 6.0L
Module Power, Ground, Serial Data and MIL
Pressure Controls, Temperature and VSS
Pressure Controls, Temperature and VSS
Pressure Controls, Temperature and VSS
Figure 4:

Engine Data Sensors - Oxygen Sensors


Object Number: 1752759  Size: FS
Master Electrical Component List
Powertrain Control Module Description
Control Module References
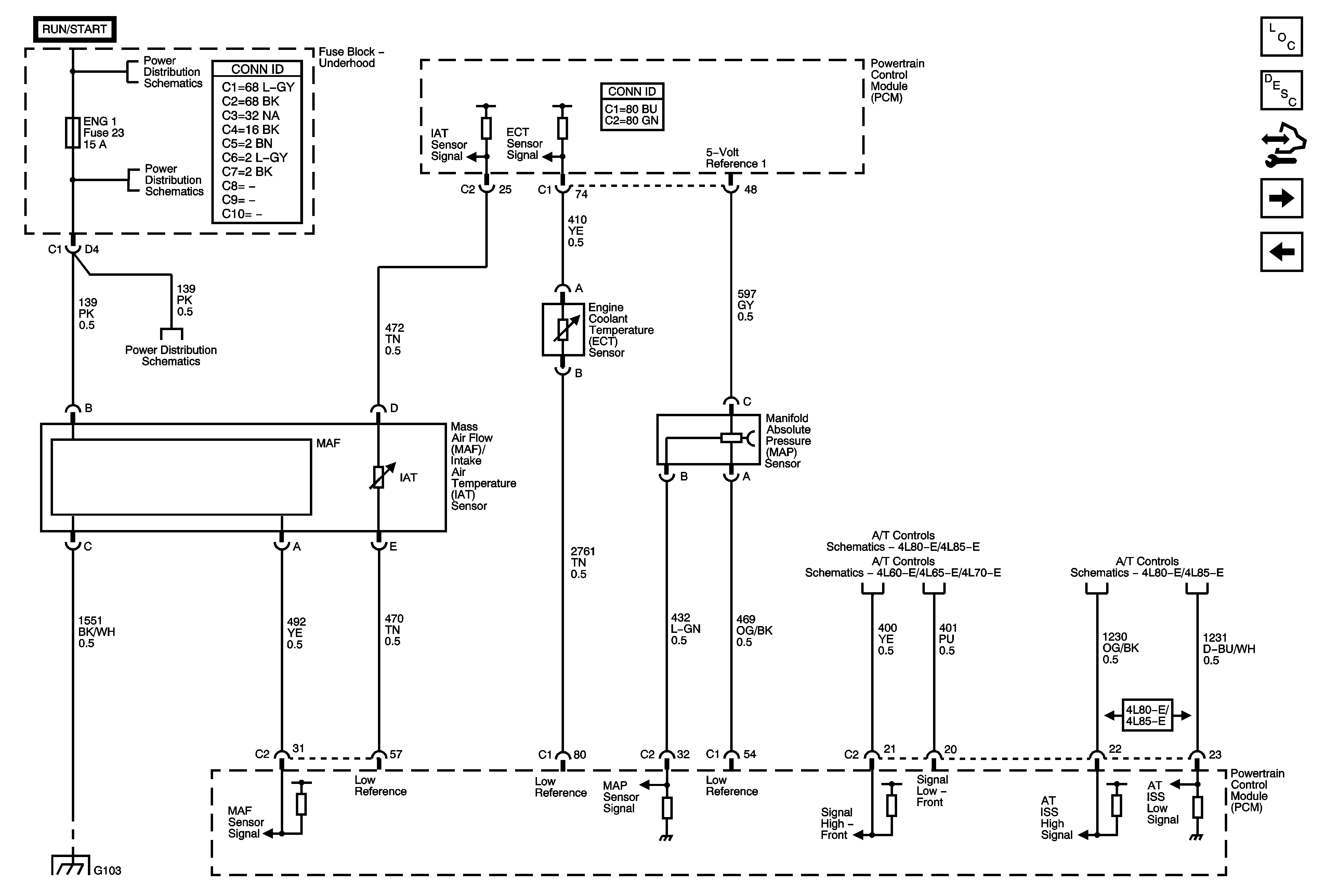
Engine Data Sensors - Electronic Throttle Control
Engine Data Sensors - Pressure, Temperature and Position
Ignition Switch - ACCY/RUN, RUN/START Bus Bars and IGN B Fuse
Module Power, Ground, Serial Data and MIL
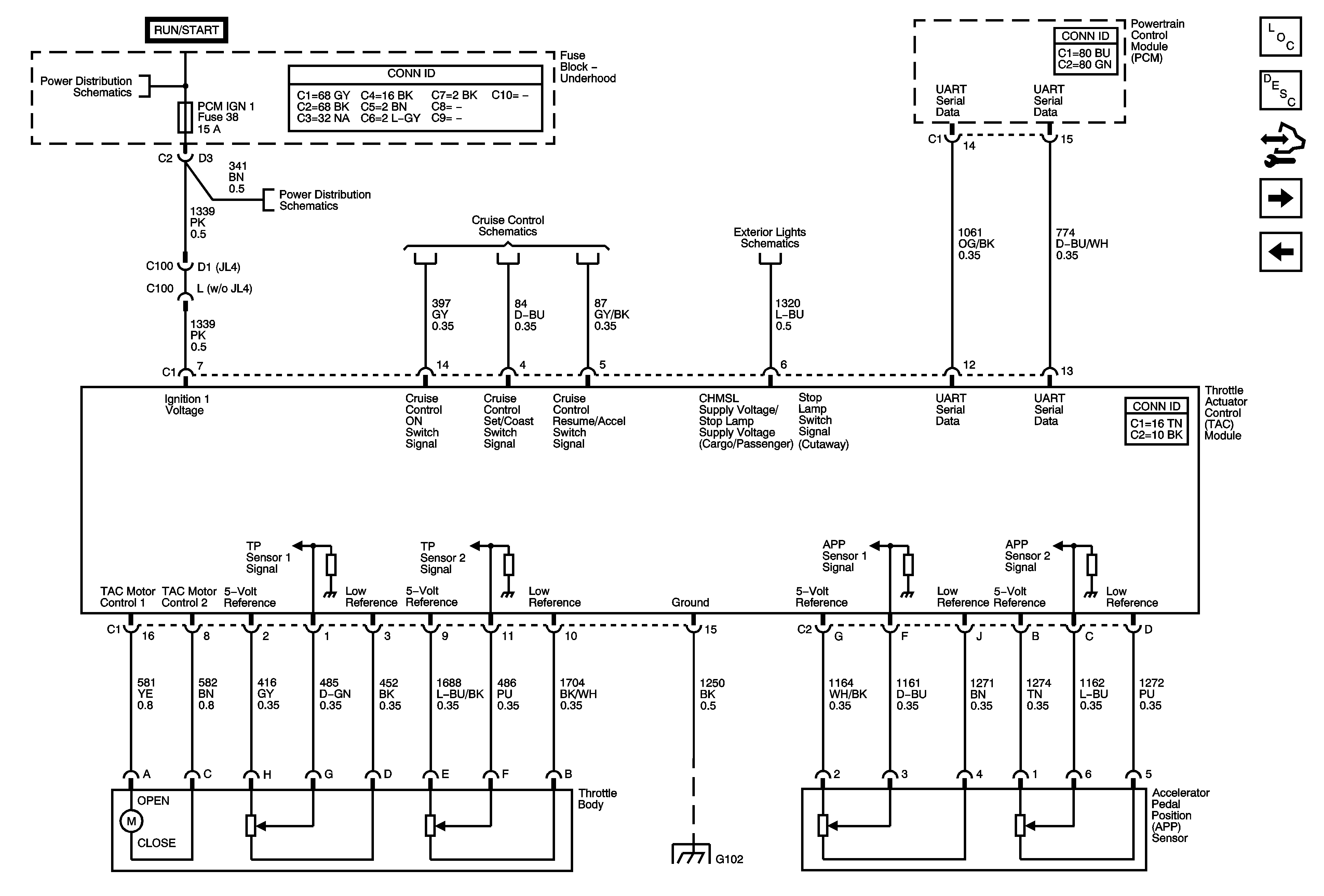
Figure 5:

Engine Data Sensors - Electronic Throttle Control


Object Number: 1752766  Size: FS
Master Electrical Component List
Powertrain Control Module Description
Control Module References
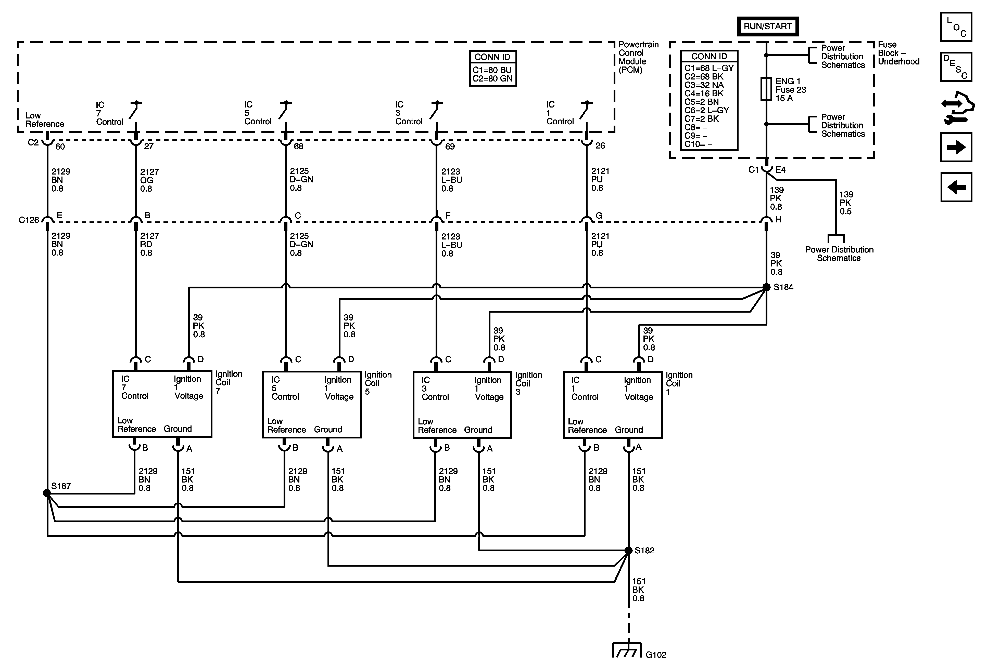
Ignition Controls - Ignition System Coils 1, 3, 5, 7
Engine Data Sensors - Oxygen Sensors
Ignition Switch - ACCY/RUN, RUN/START Bus Bars and IGN B Fuse
BTSI, BTSI BCK/UP, ECM/TCM/GLOW PLUG CNTRL MDL IGN 1, FUEL HTR, O2 SNSR A, O2 SNSR B, PCM IGN 1, SPARE and TRLR BCK/UP Fuses
4.8L, 5.3L and 6.0L
Stop Lamp Switch
G102
Figure 6:

Ignition Controls - Ignition System Coils 1, 3, 5, 7


Object Number: 1752770  Size: FS
Master Electrical Component List
Powertrain Control Module Description
Control Module References
Ignition Controls - Ignition System Coils 2, 4, 6, 8
Engine Data Sensors - Electronic Throttle Control
Ignition Switch - ACCY/RUN, RUN/START Bus Bars and IGN B Fuse
ENG 1 and ENG 2 Fuses - 4.8L, 5.3L and 6.0L
ENG 1 and ENG 2 Fuses - 4.8L, 5.3L and 6.0L
G102
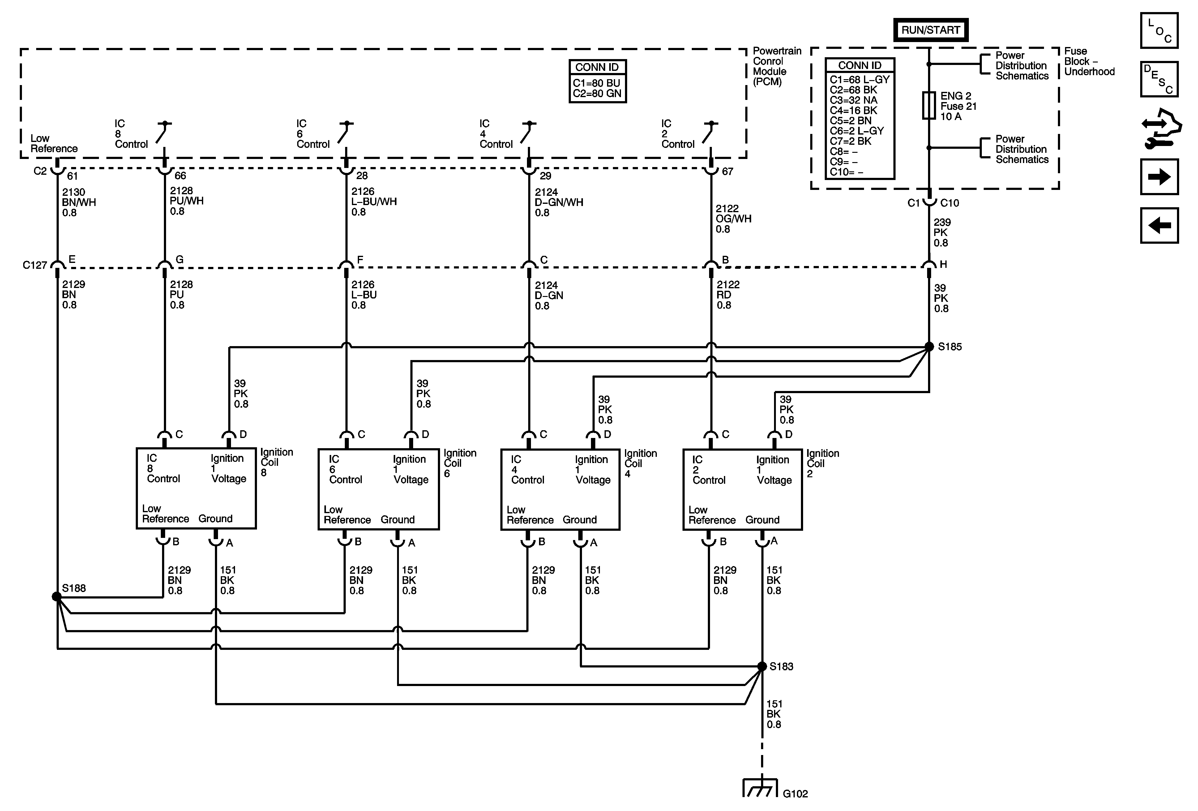
Figure 7:

Ignition Controls - Ignition System Coils 2, 4, 6, 8


Object Number: 1752774  Size: FS
Master Electrical Component List
Powertrain Control Module Description
Control Module References
Ignition Controls - Sensors
Ignition Controls - Ignition System Coils 1, 3, 5, 7
Ignition Switch - ACCY/RUN, RUN/START Bus Bars and IGN B Fuse
ENG 1 and ENG 2 Fuses - 4.8L, 5.3L and 6.0L
G102
Figure 8:

Ignition Controls - Sensors


Object Number: 1752775  Size: FS
Master Electrical Component List
Powertrain Control Module Description
Control Module References
Fuel Controls - Fuel Pump Controls
Ignition Controls - Ignition System Coils 2, 4, 6, 8
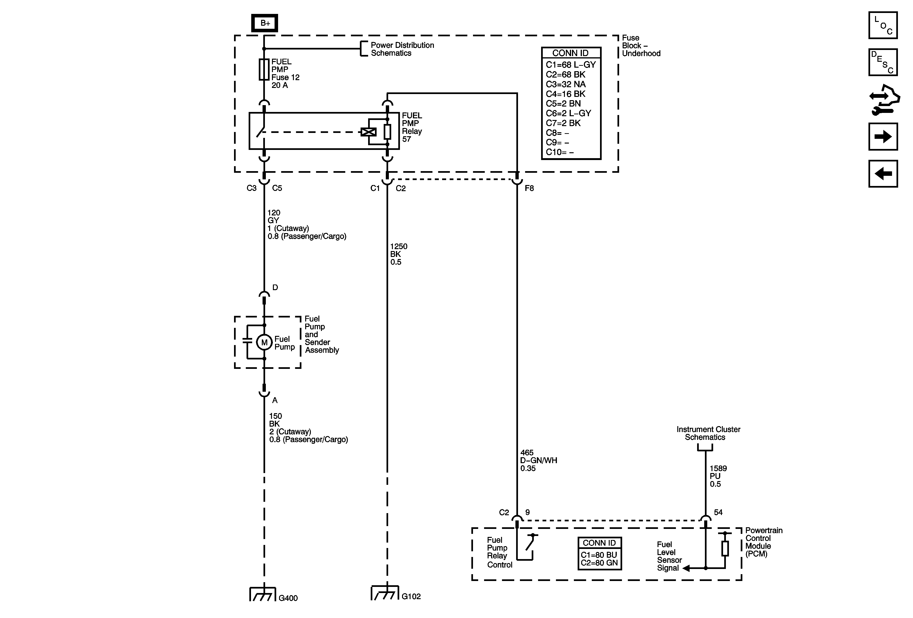
Figure 9:

Fuel Controls - Fuel Pump Controls


Object Number: 1752780  Size: FS
Master Electrical Component List
Powertrain Control Module Description
Control Module References
Fuel Controls - Fuel Injectors
Ignition Controls - Sensors
B+ Bus - Underhood Fuse Block - Gas
Gages
G400
G102
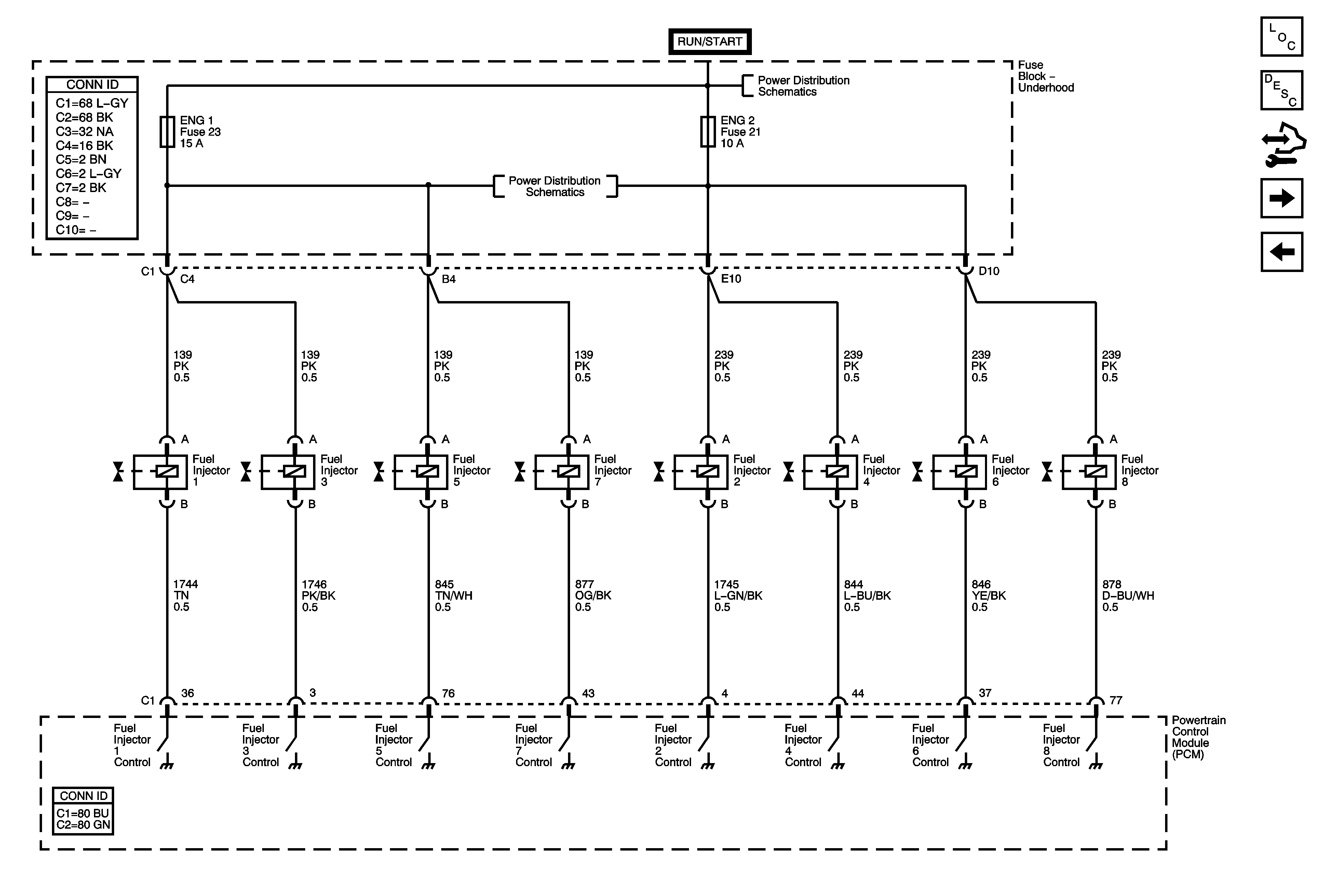
Figure 10:

Fuel Controls - Fuel Injectors


Object Number: 1752781  Size: FS
Master Electrical Component List
Powertrain Control Module Description
Control Module References
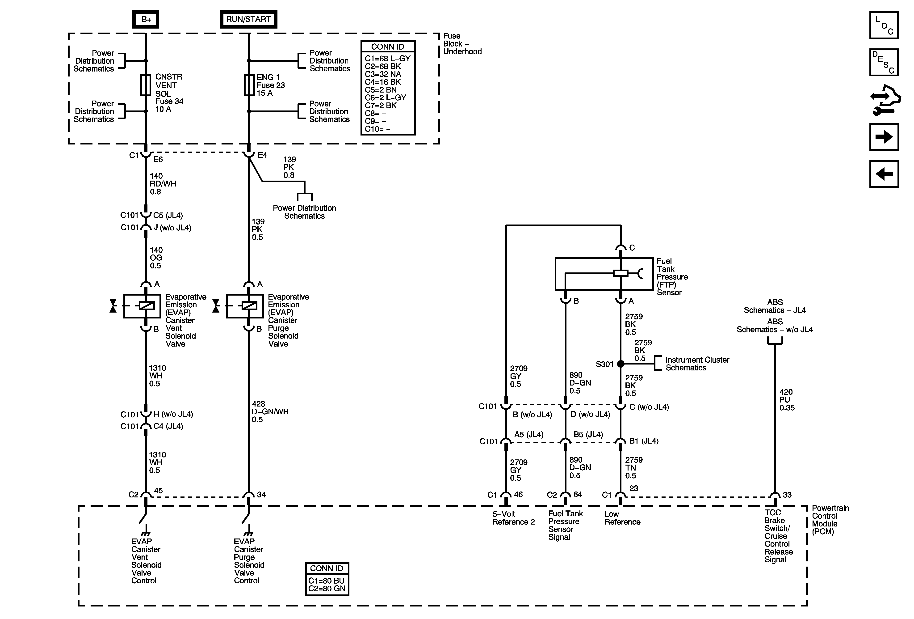
Fuel Controls - EVAP and Device Controls
Fuel Controls - Fuel Pump Controls
ENG 1 and ENG 2 Fuses - 4.8L, 5.3L and 6.0L
Ignition Switch - ACCY/RUN, RUN/START Bus Bars and IGN B Fuse
Figure 11:

Fuel Controls - EVAP and Device Controls


Object Number: 1752788  Size: FS
Master Electrical Component List
Powertrain Control Module Description
Control Module References
Controlled/Monitored Subsystem and Transmission References
Fuel Controls - Fuel Injectors
B+ Bus - Underhood Fuse Block - Gas
AUX PWR, BLWR, CNSTR VENT SOL, IPC, LTR, REAR FOG LMPS, and STOP LAMP Fuses
Ignition Switch - ACCY/RUN, RUN/START Bus Bars and IGN B Fuse
ENG 1 and ENG 2 Fuses - 4.8L, 5.3L and 6.0L
ENG 1 and ENG 2 Fuses - 4.8L, 5.3L and 6.0L
Gages
Power, Ground, Serial Data, Indicator, VSS and Stop Lamp Switch - JL4
Power, Ground, Serial Data, Indicator and Stop Lamp Switch - w/o JL4
Figure 12:

Controlled/Monitored Subsystem and Transmission References


Object Number: 1752789  Size: FS
Master Electrical Component List
Powertrain Control Module Description
Control Module References
Fuel Controls - EVAP and Device Controls
Compressor Controls - C60
Power, Ground, Serial Data, Indicator, VSS and Stop Lamp Switch - JL4
Wheel Speed Sensors and VSS - w/o JL4
Power, Ground, Serial Data, Indicator, VSS and Stop Lamp Switch - JL4
Charging System - Gas
Starting System - Gas
Gages
Indicators
PNP Switch, Tow/Haul Switch, Serial Data and Indicator
PNP Switch, Tow/Haul Switch, Serial Data and Indicator
Shift Controls and Stop Lamp Switch
Shift Controls and Stop Lamp Switch
Shift Controls and Stop Lamp Switch
Pressure Controls, Temperature and VSS
Pressure Controls, Temperature and VSS