GM Service Manual Online
For 1990-2009 cars only
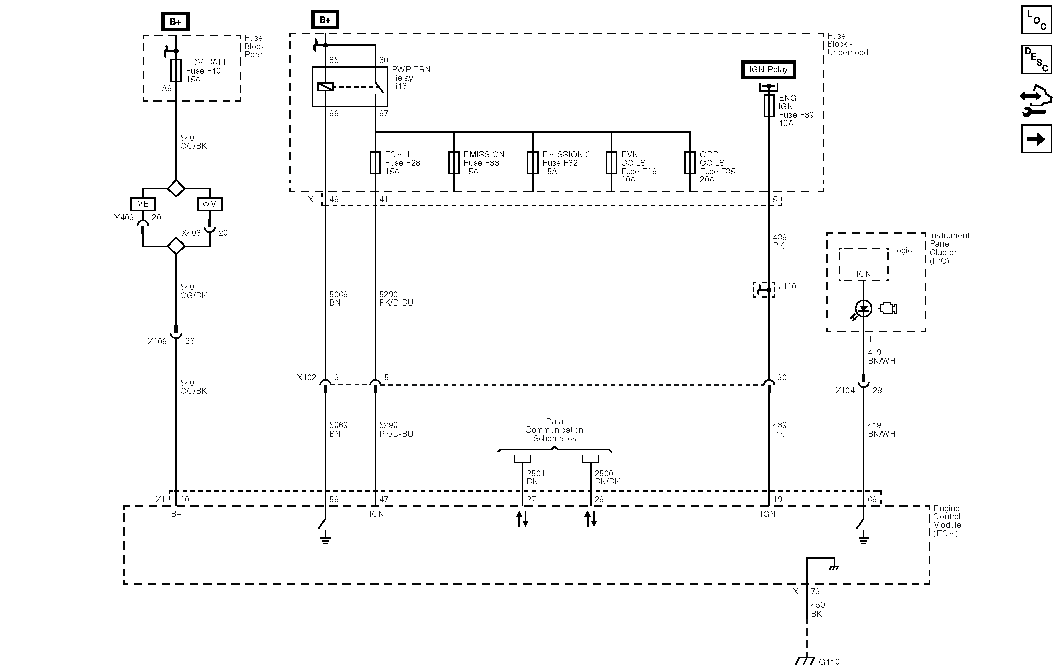
Figure 1:

ECM Power, Ground and Serial Data


Object Number: 2012530  Size: FS
Master Electrical Component List
Engine Control Module Description
Control Module References
5 Volt Reference and Low Reference
B+ Bus - 2 of 2
B+ Bus - 2 of 2
ECM, Fuel Pump, Rear Main, RVC Sense and Trailer Fuses
Batt Main 2, Console Lighting, BCM Logic, Stop Lamps/Park Assist and IGNSW/Theft Fuses and Ignition Switch
PWR/TRN Bus - ECM 1, Emission 1 and REV/LOCK Fuses
IGN II/III Bus - Airbag, IGN Engine and Phone/Cruise
Batt Main 2, Console Lighting, BCM Logic, Stop Lamps/Park Assist and IGNSW/Theft Fuses and Ignition Switch
IGN II/III Bus - Airbag, IGN Engine and Phone/Cruise
ECM, Fuel Pump, Rear Main, RVC Sense and Trailer Fuses
Batt Main 2, Console Lighting, BCM Logic, Stop Lamps/Park Assist and IGNSW/Theft Fuses and Ignition Switch
G102 and G310
G102 and G310
Cooling Fans and Relays
Camshaft Position Sensor, MAP Sensor, Reverse Lockout Solenoid, EVAP Canister Purge Solenoid, Coolant Temp Sensor, MAF Sensor, Oil Level and Temp Sensor and Backup Lamp Switch
TCM and Transmission, Power, Ground, Serial Data, Inputs and Outputs
Pin Allocation
G102 and G310
G103, G110, G111 and G112 (6.0L)
G103, G106, G107, G108 and G109 (3.6L)
Engine Controls Schematic Icons
Batt Main 2, Console Lighting, BCM Logic, Stop Lamps/Park Assist and IGNSW/Theft Fuses and Ignition Switch
Instrument Cluster Power, Ground, Serial Data, Inputs and Outputs
Figure 2:

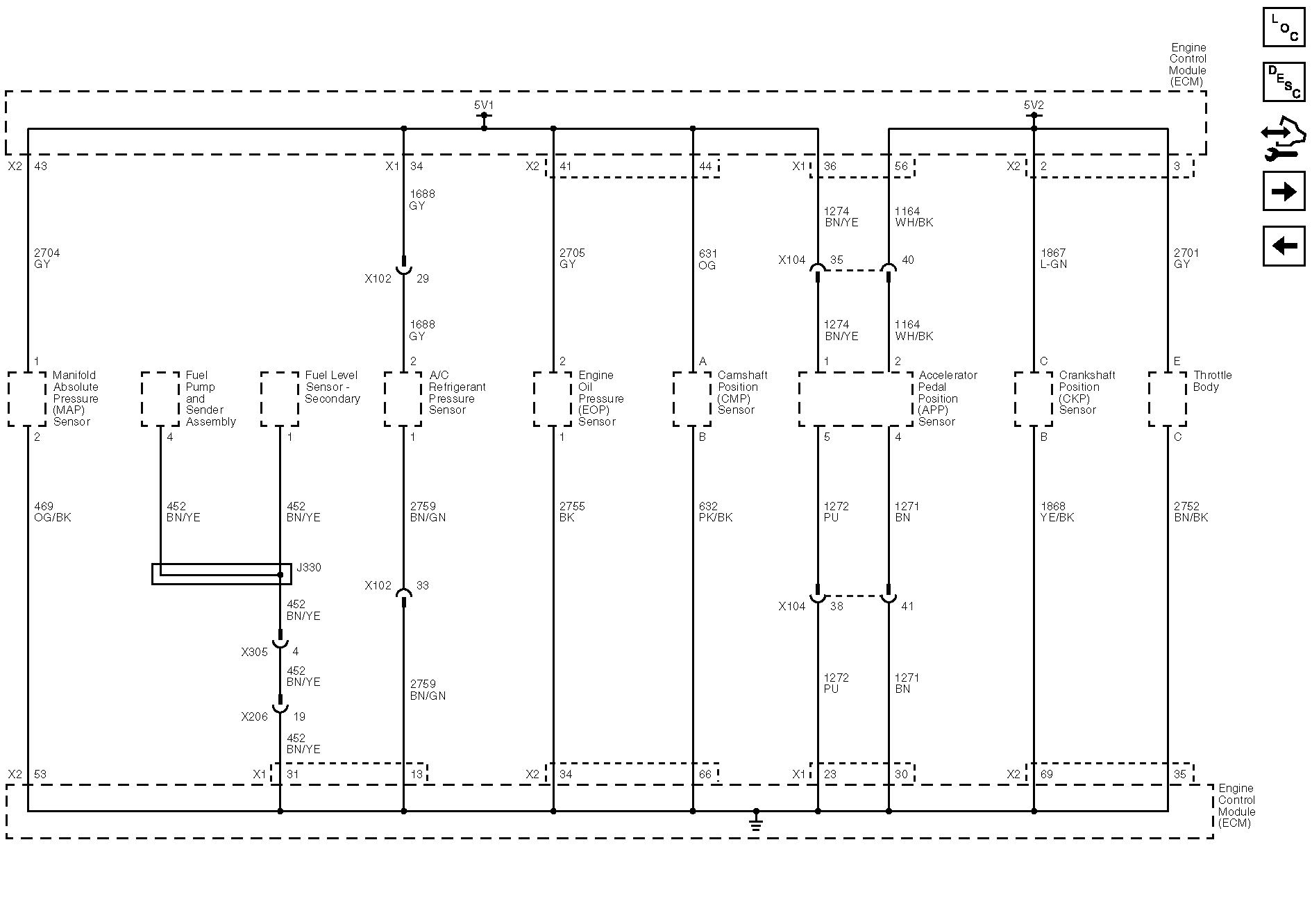
5 Volt Reference and Low Reference


Object Number: 2012532  Size: FS
Master Electrical Component List
Engine Control Module Description
Control Module References
Fuel Injectors
ECM Power, Ground and Serial Data
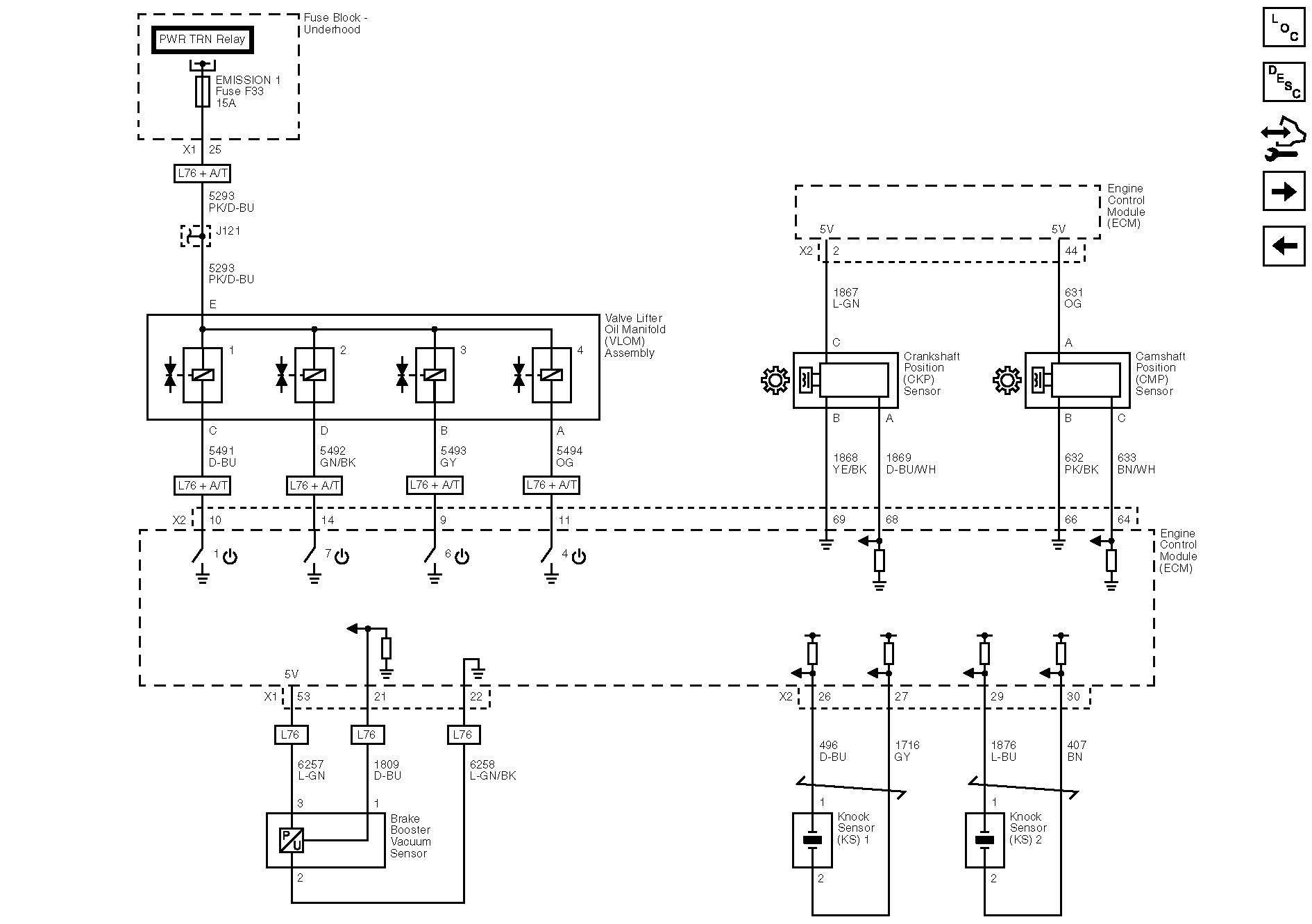
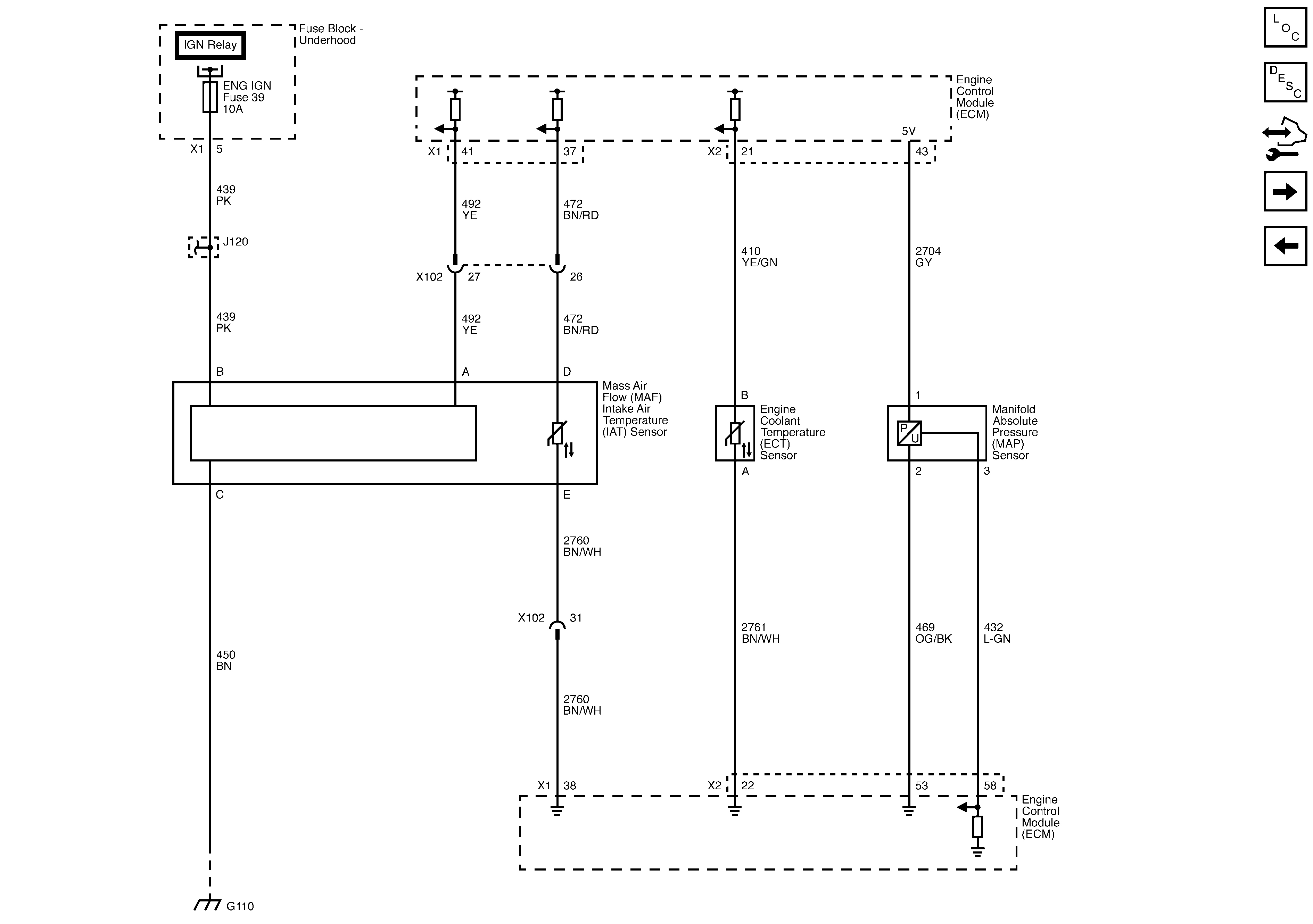
Figure 3:

Engine Data Sensors - Pressure and Temperature


Object Number: 2146243  Size: FS
Figure 4:

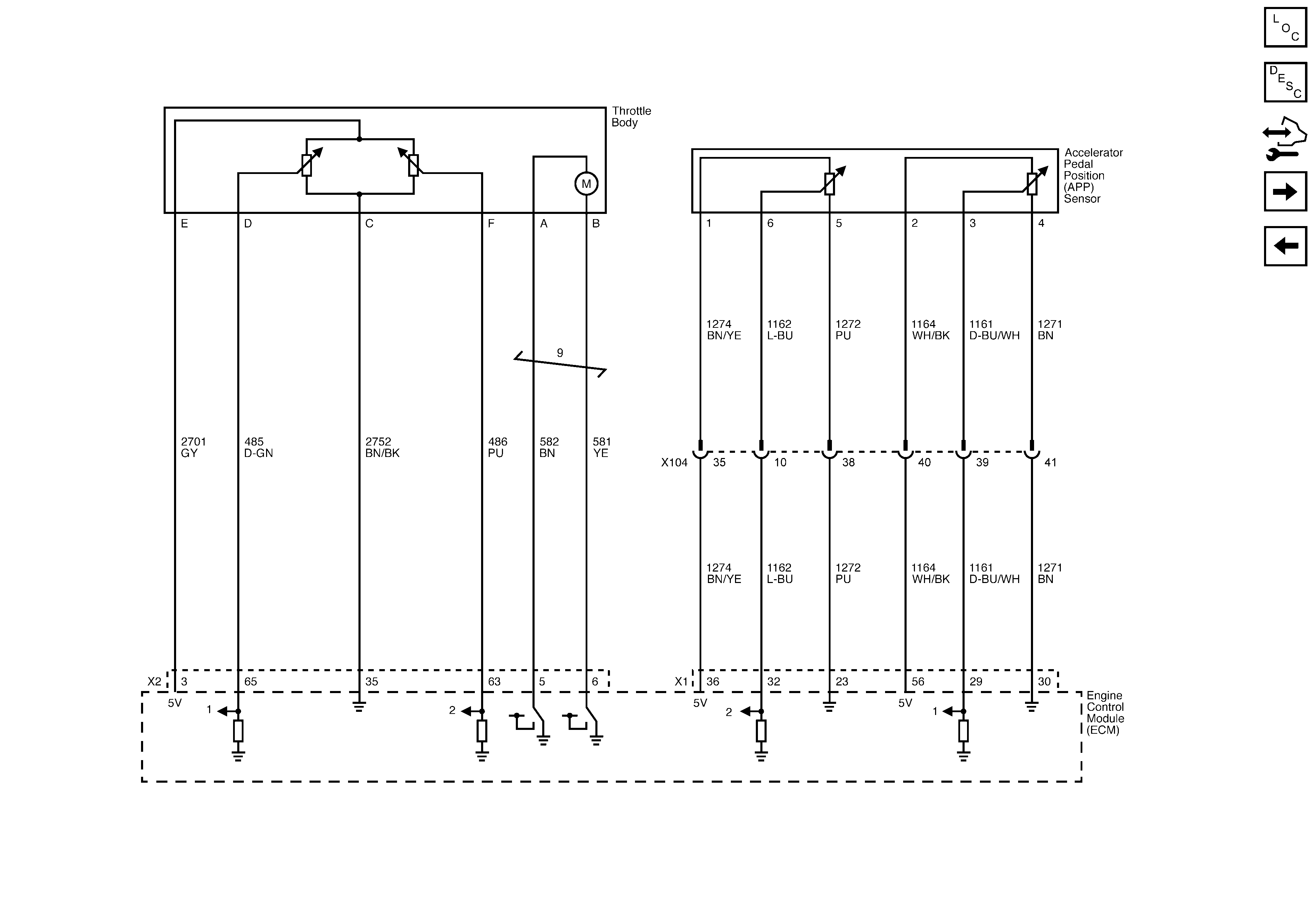
Engine Data Sensors - Electronic Throttle Controls


Object Number: 2146245  Size: FS
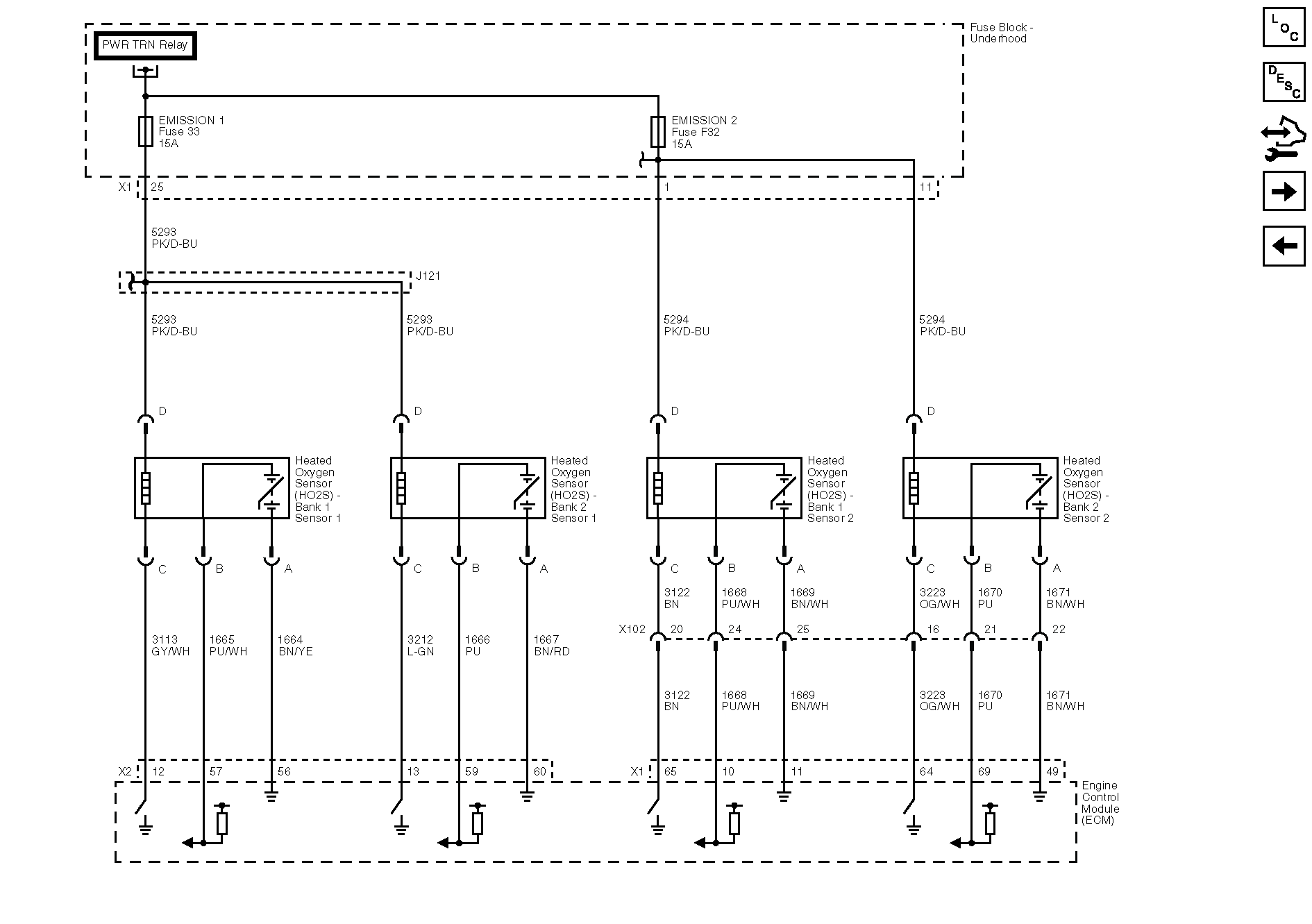
Figure 5:

Engine Data Sensors - HO2S


Object Number: 2146246  Size: FS
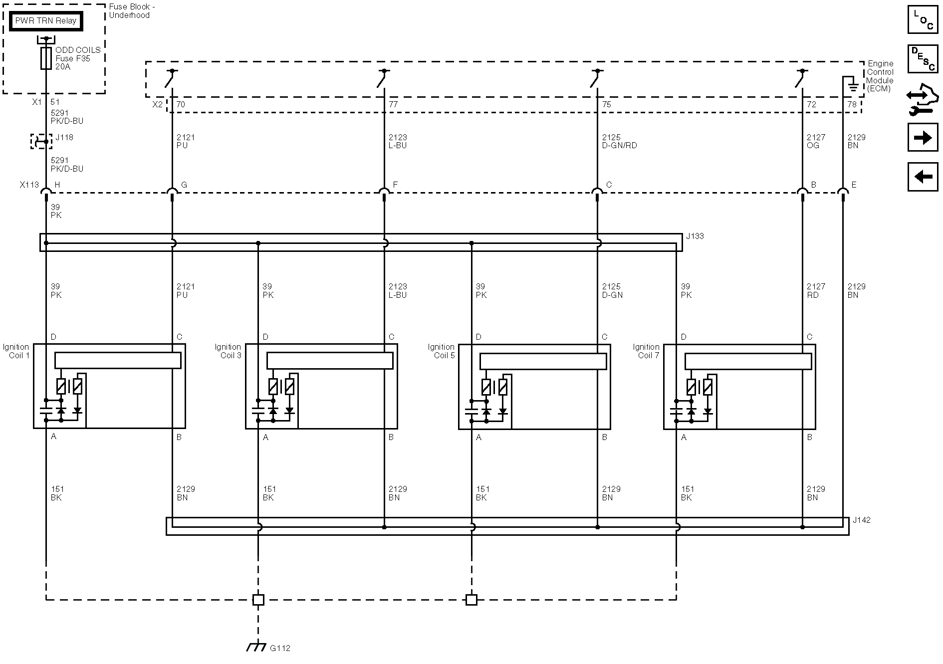
Figure 6:

Ignition Controls - Ignition System Coils 1, 3, 5, and 7


Object Number: 2146247  Size: FS
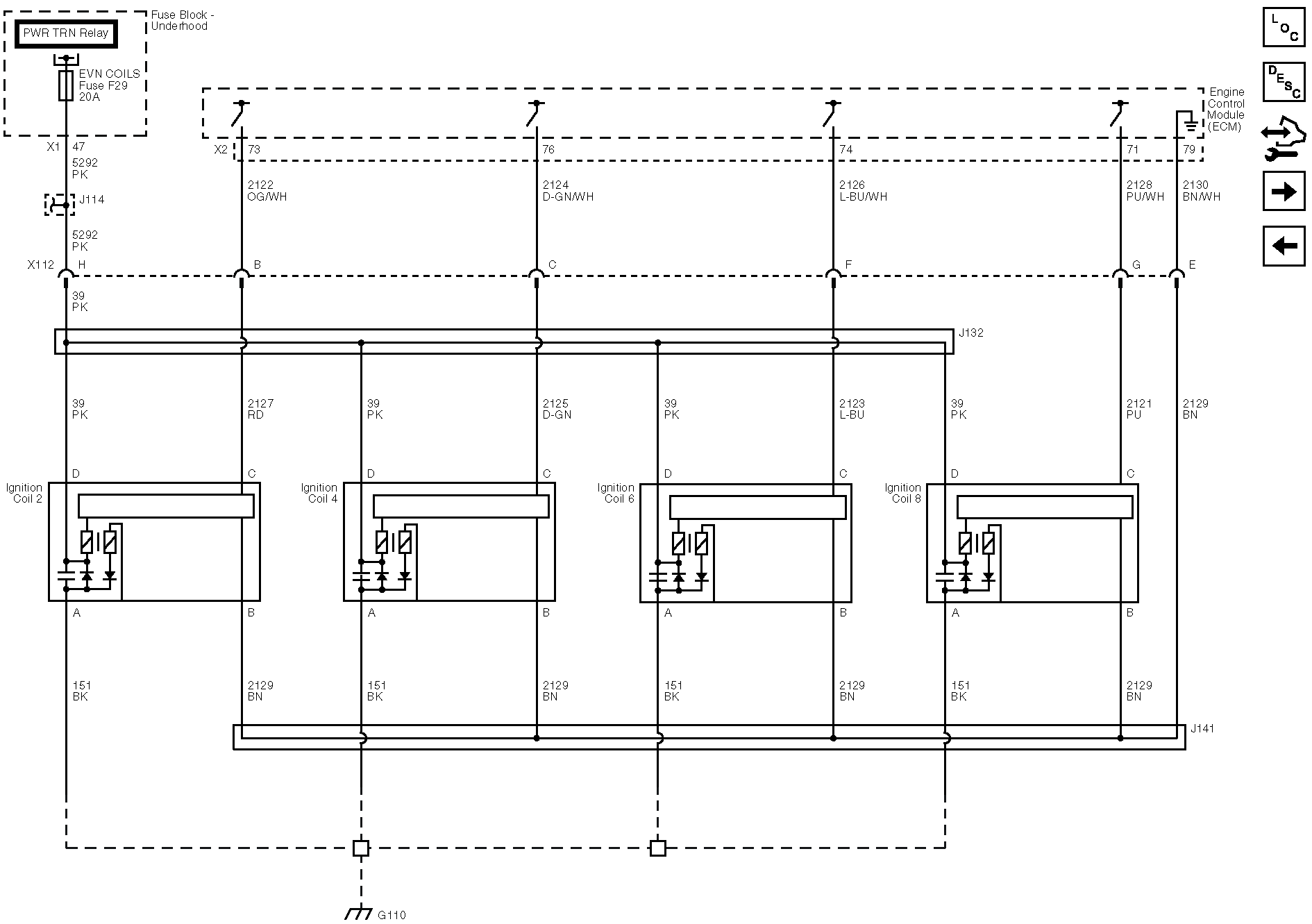
Figure 7:

Ignition Controls - Ignition System Coils 2, 4, 6, and 8


Object Number: 2146248  Size: FS
Figure 8:

Ignition Controls - Sensors and Active Fuel Management


Object Number: 2146250  Size: FS
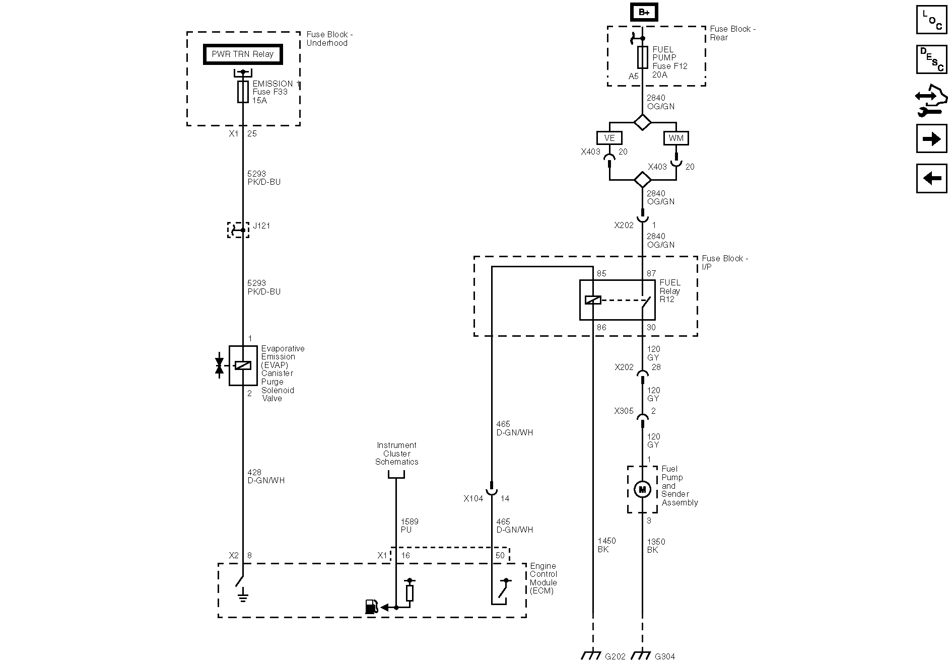
Figure 9:

Fuel Controls - EVAP and Fuel Pump Controls


Object Number: 2146252  Size: FS
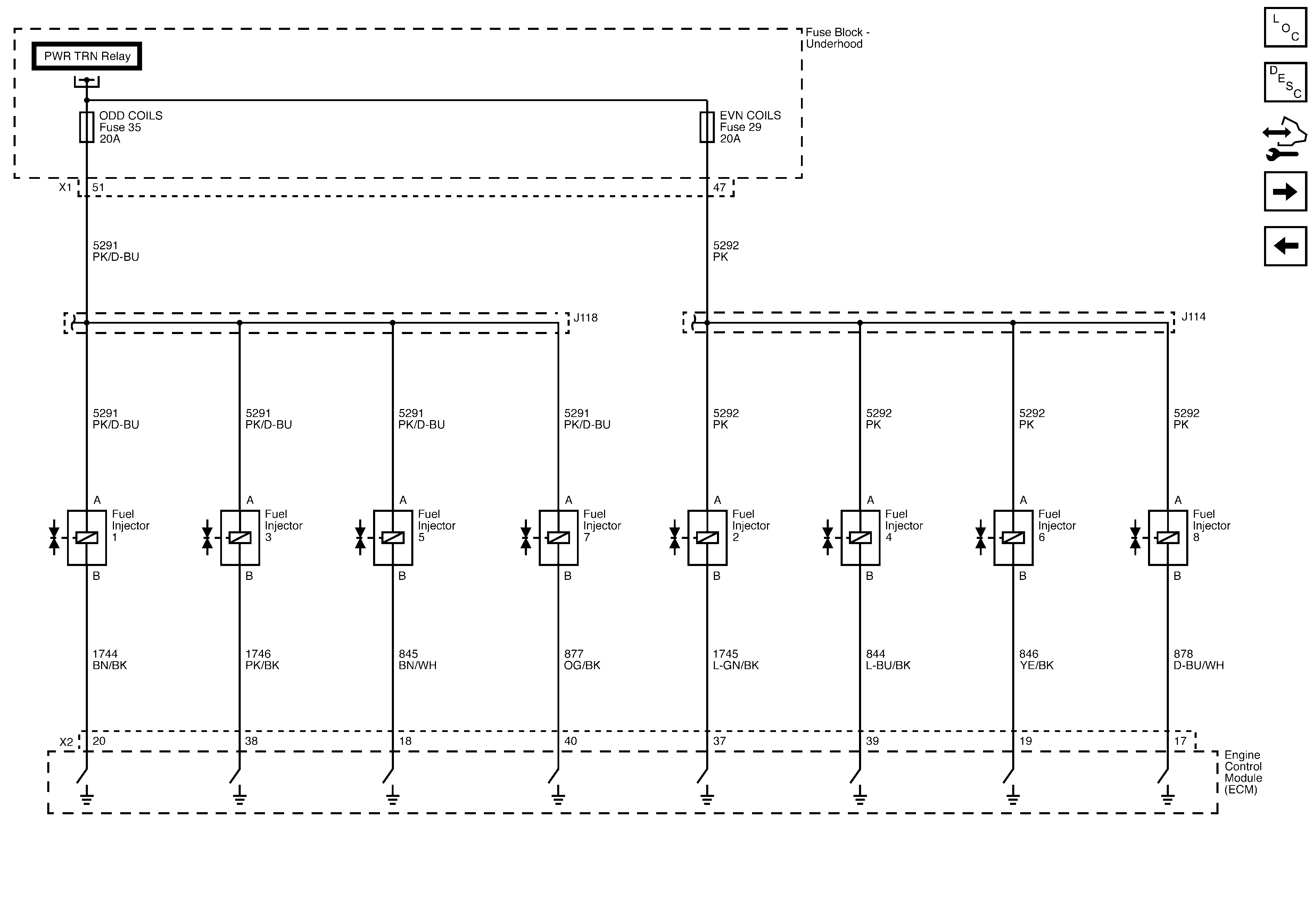
Figure 10:

Fuel Controls - Fuel Injectors


Object Number: 2146251  Size: FS
Figure 11:

Controlled/Monitored Subsystem References


Object Number: 2146253  Size: FS