GM Service Manual Online
For 1990-2009 cars only
Figure 1:

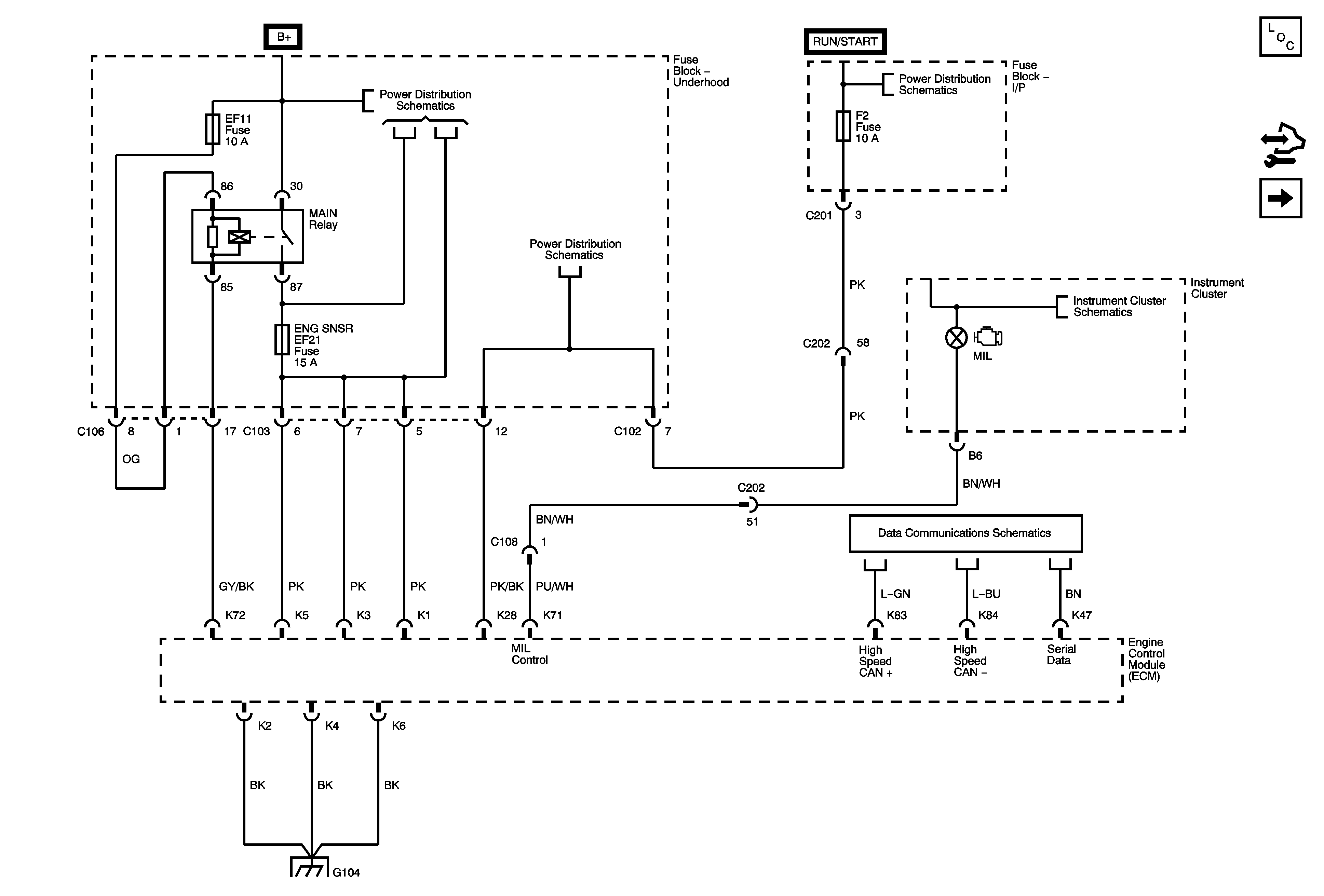
ECM Power and Ground, Serial Data, MIL Control


Object Number: 1887634  Size: FS
Master Electrical Component List
Control Module References
Water in Fuel, MAF, IAT, ECT, Boost Pressure, Refrigerant Pressure Sensors, Fuel Injection Pump
Underhood Fuse Block Battery Feeds - 2 of 3
Underhood Fuse Block Battery Feeds - 3 of 3
I/P Fuse Block - ECM Fuse
I/P Fuse Block - ECM Fuse
Air Bag, MIL Lamp, Oil Pressure, DRL, Cruise and Fog Lamp Indicators
Data Communications Schematics
G104
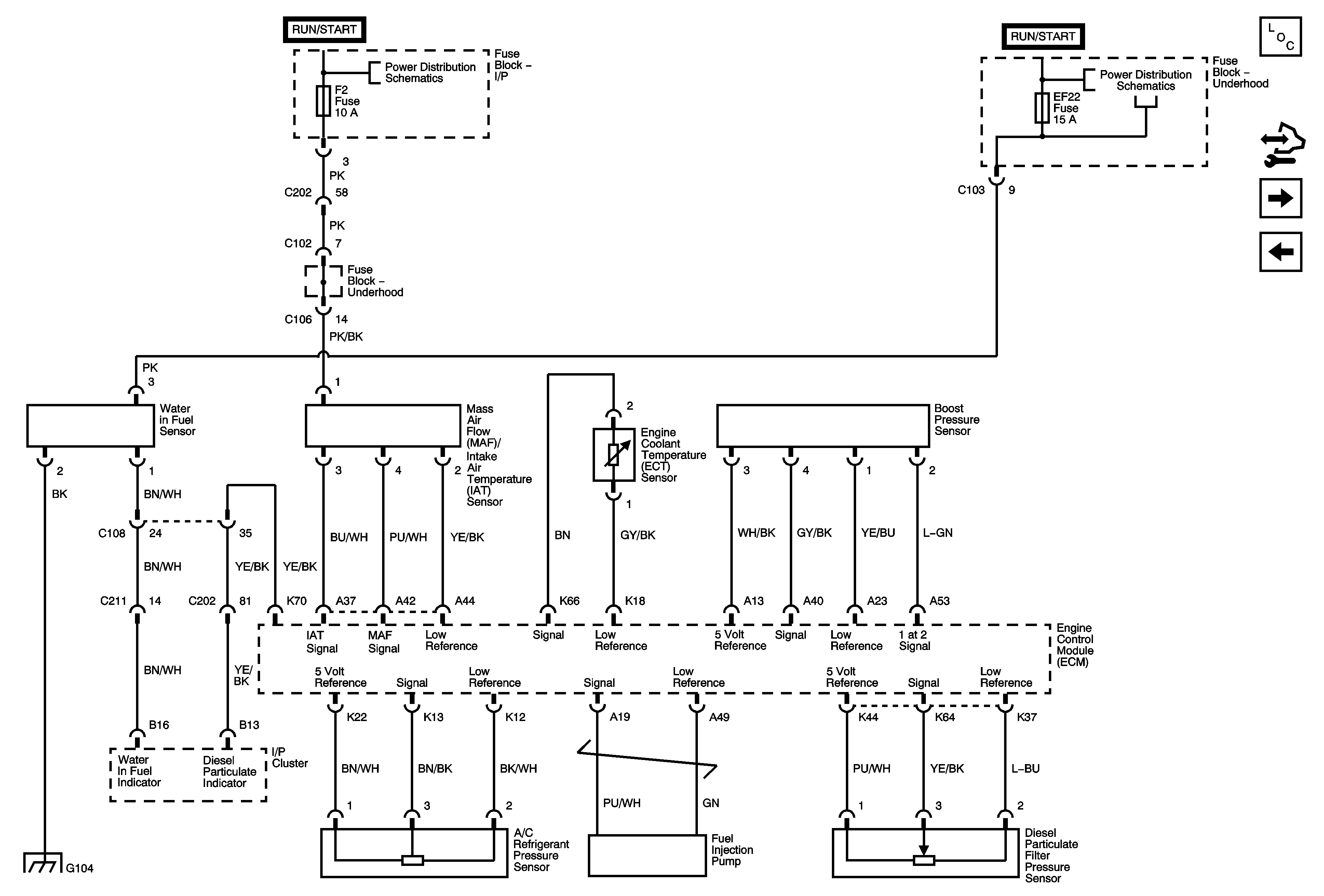
Figure 2:

Water in Fuel, MAF, IAT, ECT, Boost Pressure, Refrigerant Pressure Sensors, Fuel Injection Pump


Object Number: 1887635  Size: FS
Master Electrical Component List
Control Module References
Throttle Plate Actuator, APP Sensor, EGR Valve, Exhaust Gas Temperature Sensors
ECM Power and Ground, Serial Data, MIL Control
I/P Fuse Block - ECM Fuse
Underhood Fuse Block Battery Feeds - 3 of 3
G104
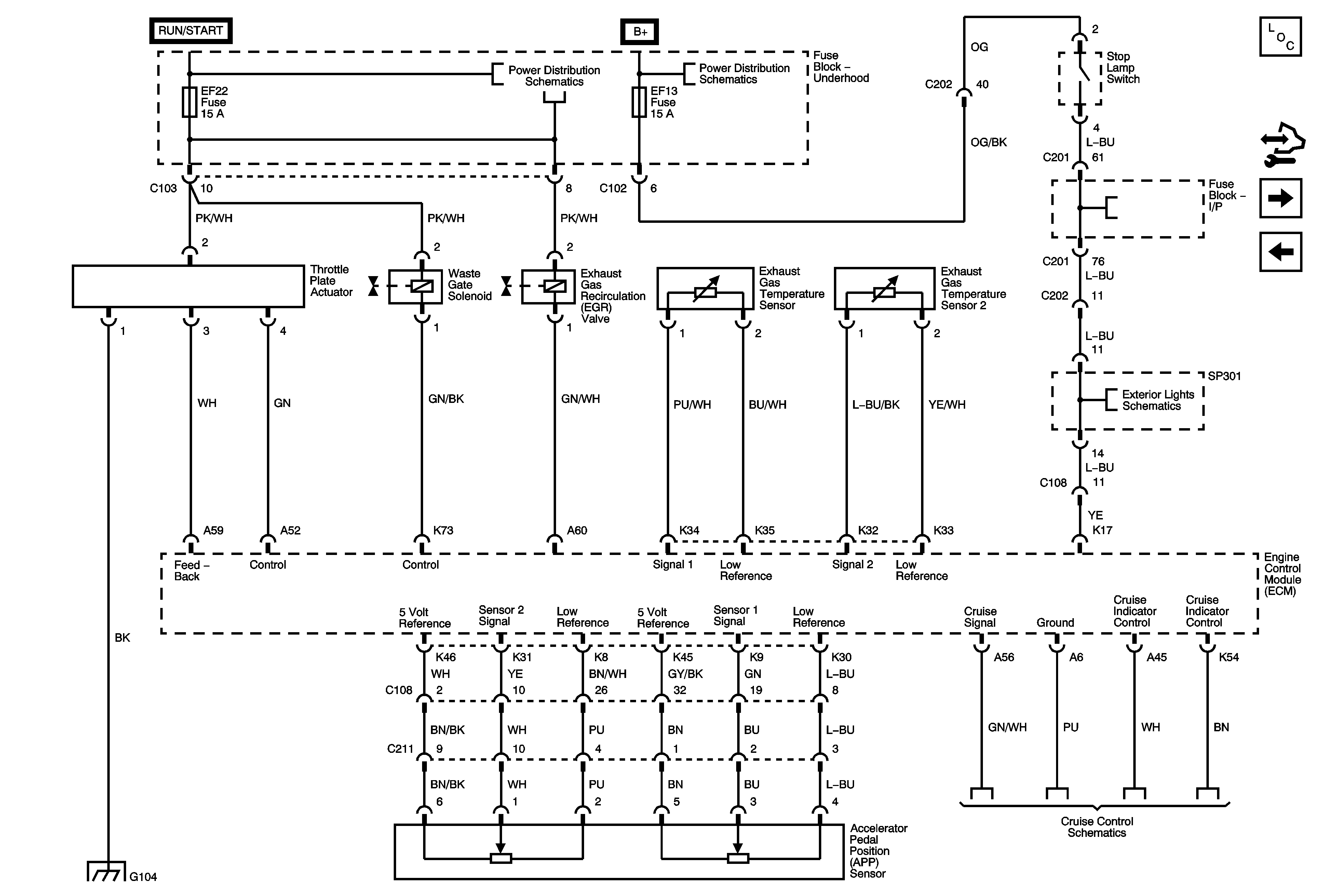
Figure 3:

Throttle Plate Actuator, APP Sensor, EGR Valve, Exhaust Gas Temperature Sensors, Waste Gate Solenoid


Object Number: 1887636  Size: FS
Master Electrical Component List
Control Module References
Glow Plug Control, CKP, CMP Sensors, Clutch Start Switch
Water in Fuel, MAF, IAT, ECT, Boost Pressure, Refrigerant Pressure Sensors, Fuel Injection Pump
Underhood Fuse Block Battery Feeds - 3 of 3
Underhood Fuse Block - Battery Feeds - 1of 2
Stop Lamps - Station Wagon
G104
Diesel
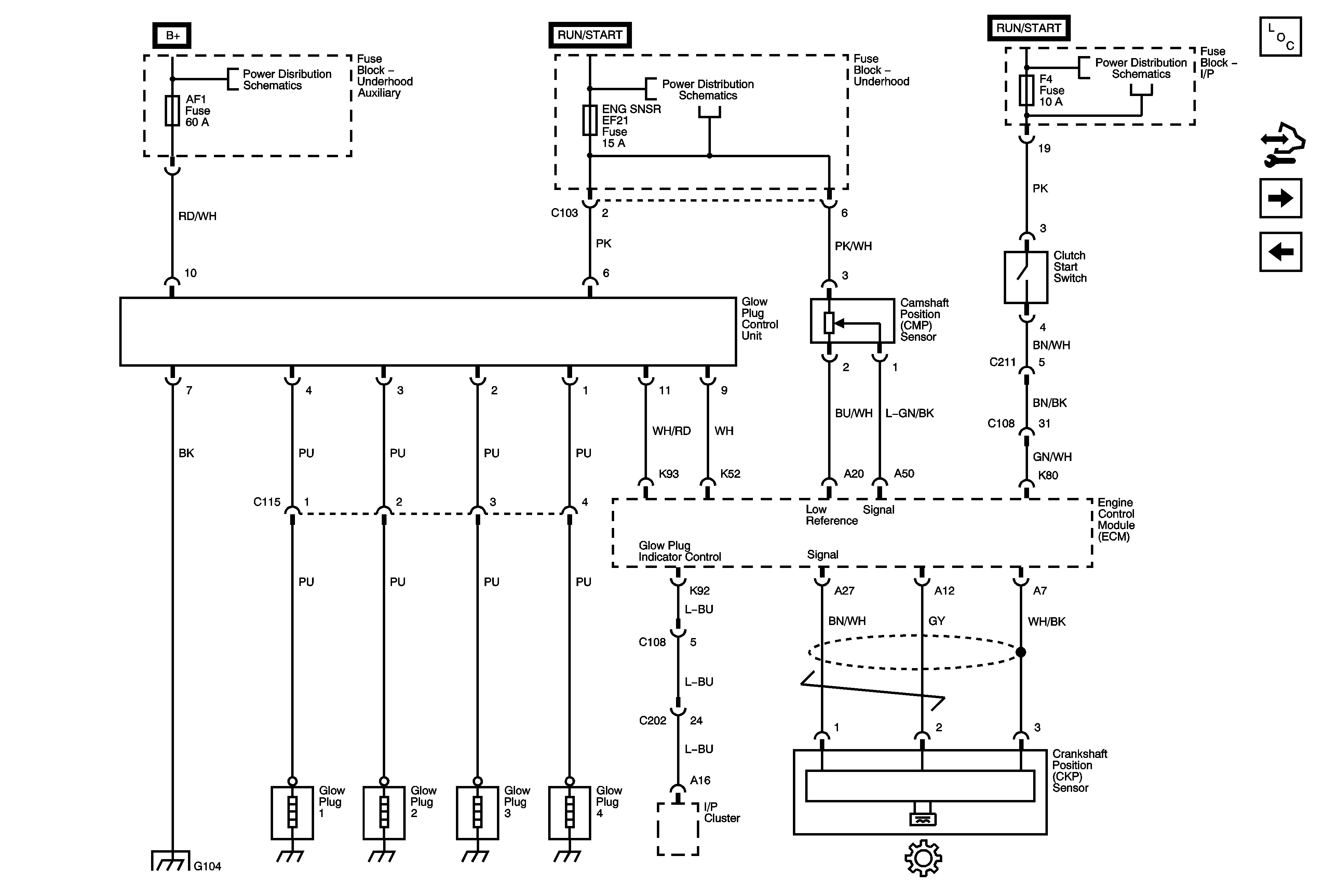
Figure 4:

Glow Plug Control, CKP, CMP Sensors, Clutch Start Switch


Object Number: 1887637  Size: FS
Master Electrical Component List
Control Module References
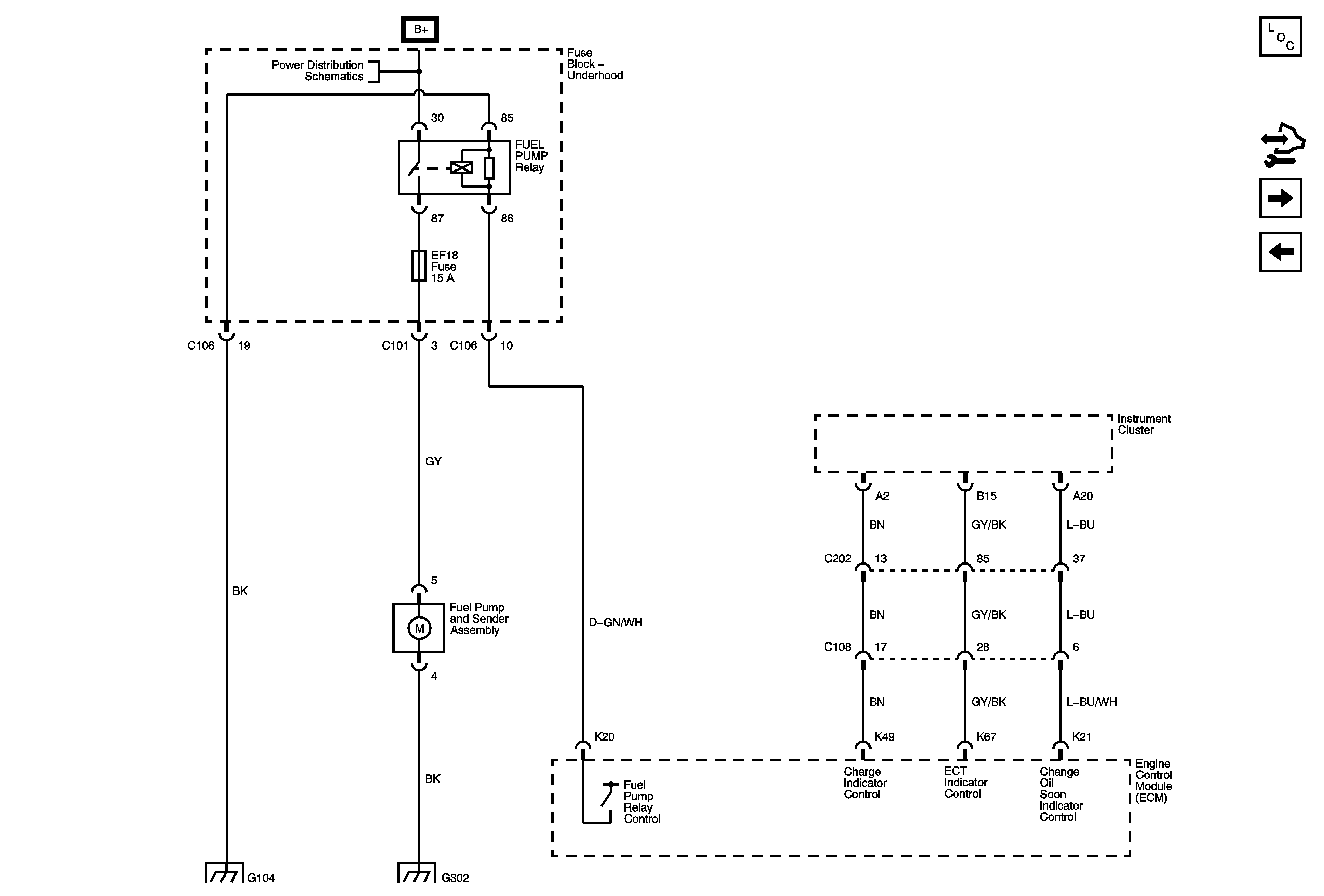
Fuel Pump
Throttle Plate Actuator, APP Sensor, EGR Valve, Exhaust Gas Temperature Sensors
Underhood Fuse Block - Battery Feeds - 1of 2
Underhood Fuse Block Battery Feeds - 3 of 3
I/P Fuse Block - CLSTR, AIR BAG, BCK/UP and ENG FUSE BOX DRL Fuses
G104
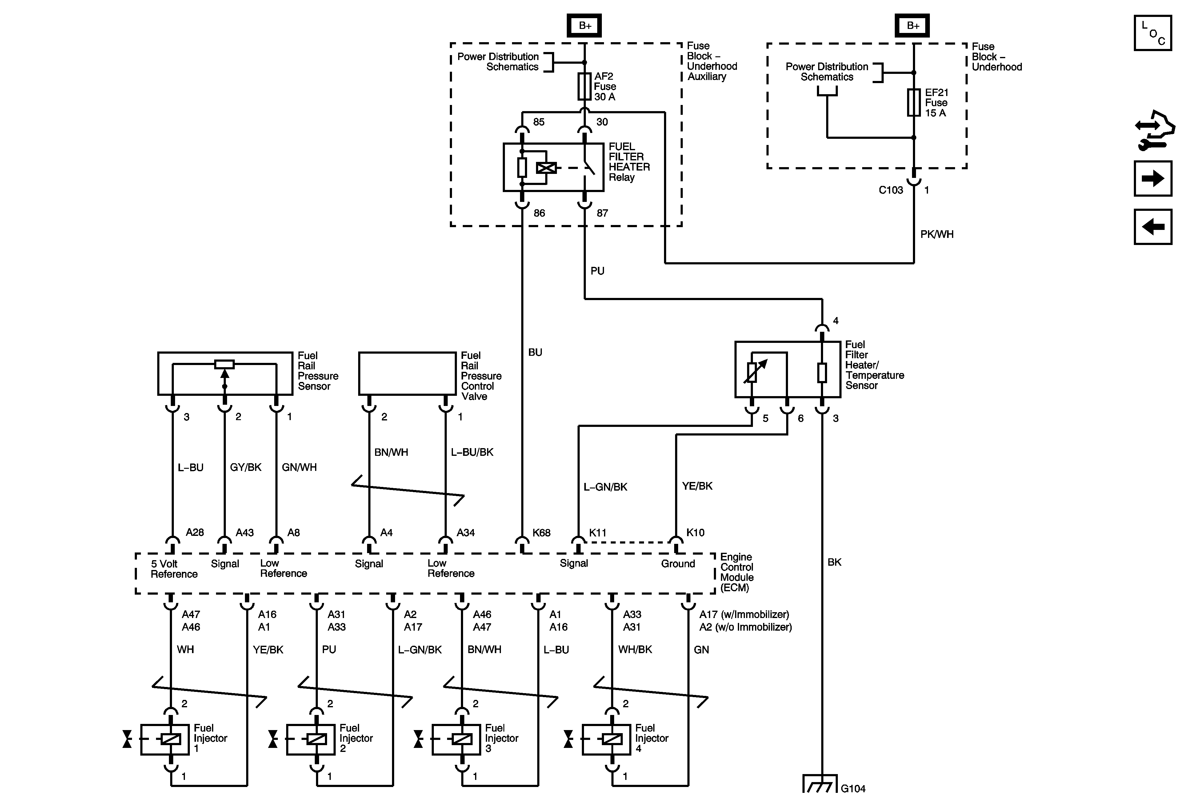
Figure 5:

Fuel Pump


Object Number: 1887638  Size: FS
Master Electrical Component List
Control Module References
Fuel Rail Pressure Sensor and Control Valve, Fuel Filter Heater/Temperature Sensor, Fuel Injectors
Glow Plug Control, CKP, CMP Sensors, Clutch Start Switch
Underhood Fuse Block Battery Feeds - 2 of 3
G104
G302
Figure 6:

Fuel Rail Pressure Sensor and Control Valve, Fuel Filter Heater/Temperature Sensor, Fuel Injectors


Object Number: 1887639  Size: FS
Master Electrical Component List
Control Module References
PTC Heater
Fuel Pump
Underhood Fuse Block - Battery Feeds - 1of 2
Underhood Fuse Block Battery Feeds - 3 of 3
G104
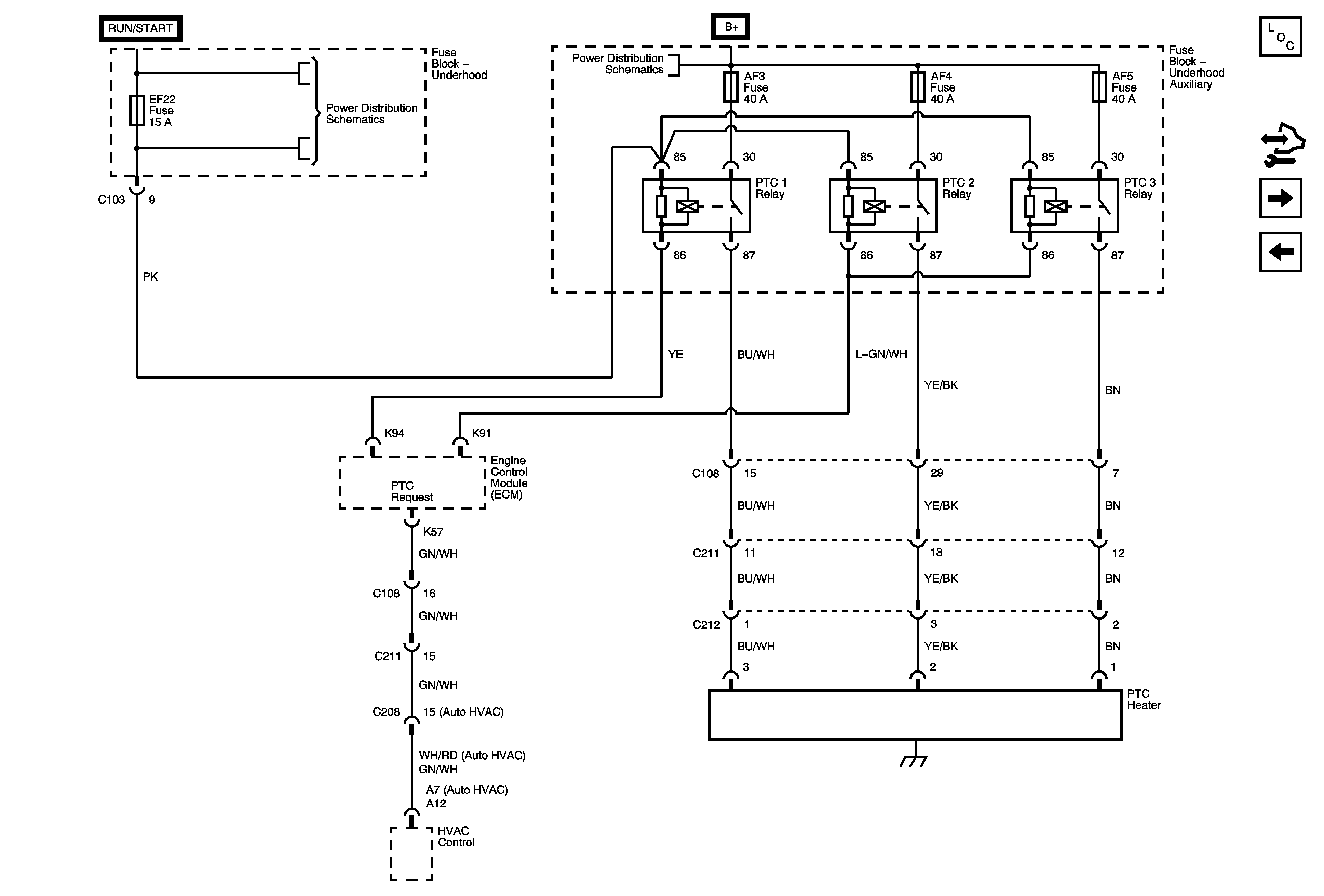
Figure 7:

PTC Heater


Object Number: 1887640  Size: FS
Master Electrical Component List
Control Module References
Controlled/Monitored Subsystem References
Fuel Rail Pressure Sensor and Control Valve, Fuel Filter Heater/Temperature Sensor, Fuel Injectors
Underhood Fuse Block Battery Feeds - 3 of 3
Underhood Fuse Block - Battery Feeds - 1of 2
Figure 8:

Controlled/Monitored Subsystem References


Object Number: 1887641  Size: FS
Master Electrical Component List
Control Module References
PTC Heater
Starting
Compressor Controls Sirius D4, MR 140, MT 34
Compressor Controls Sirius D4
Single Fan