GM Service Manual Online
For 1990-2009 cars only

Engine Controls Schematics w/Throttle Actuators Controls

Figure 1:

Module Power, Ground, Serial Data, Malfunction Indicator Lamp (MIL)


Object Number: 1956758  Size: FS
Master Electrical Component List
Control Module References
Accelerator Pedal Position (APP), TP Sensor, Throttle Actuator Control Motor
Fuse Block - Underhood B+ Bus, 1 of 3
Fuse Block - Underhood B+ Bus, 1 of 3
Fuse Block - Underhood B+ Bus, 1 of 3
Fuse Block - Underhood B+ Bus, 1 of 3
Fuse Block - Underhood B+ Bus, 1 of 3
Power, Ground, I/P Illumination, and Door Open Indicators
Power, Ground, Hold Switch, and DLC
Data Communication
G104
G201 - 1 of 2
Figure 2:

Accelerator Pedal Position (APP), TP Sensors, Throttle Actuator Control Motor


Object Number: 1956763  Size: FS
Master Electrical Component List
Control Module References
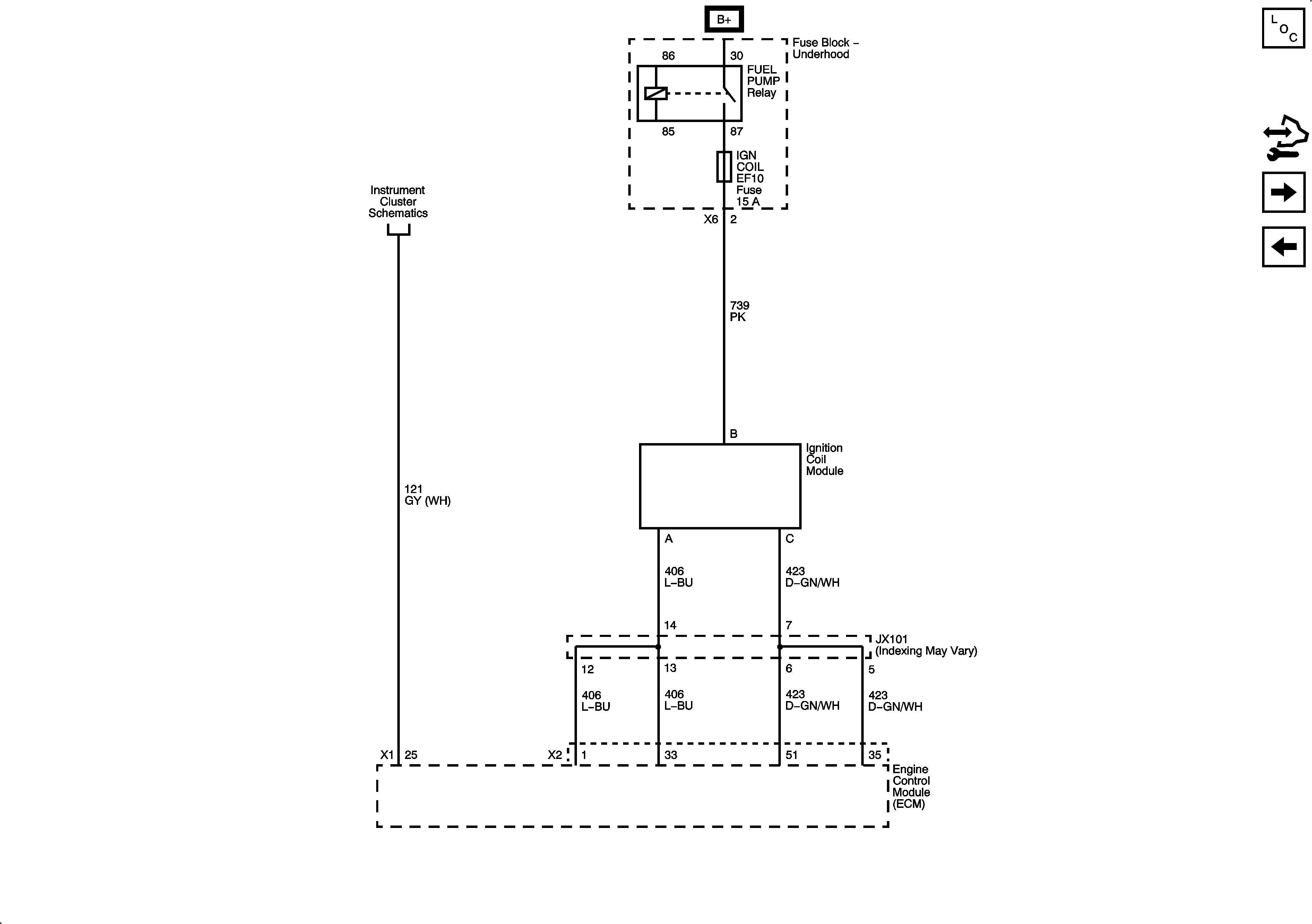
Ignition Coil
Module Power, Ground, Serial Data, Malfunction Indicator Lamp (MIL)
Manual Transmission w/o Throttle Actuator Control
Figure 3:

Ignition Coil


Object Number: 1956766  Size: FS
Master Electrical Component List
Control Module References
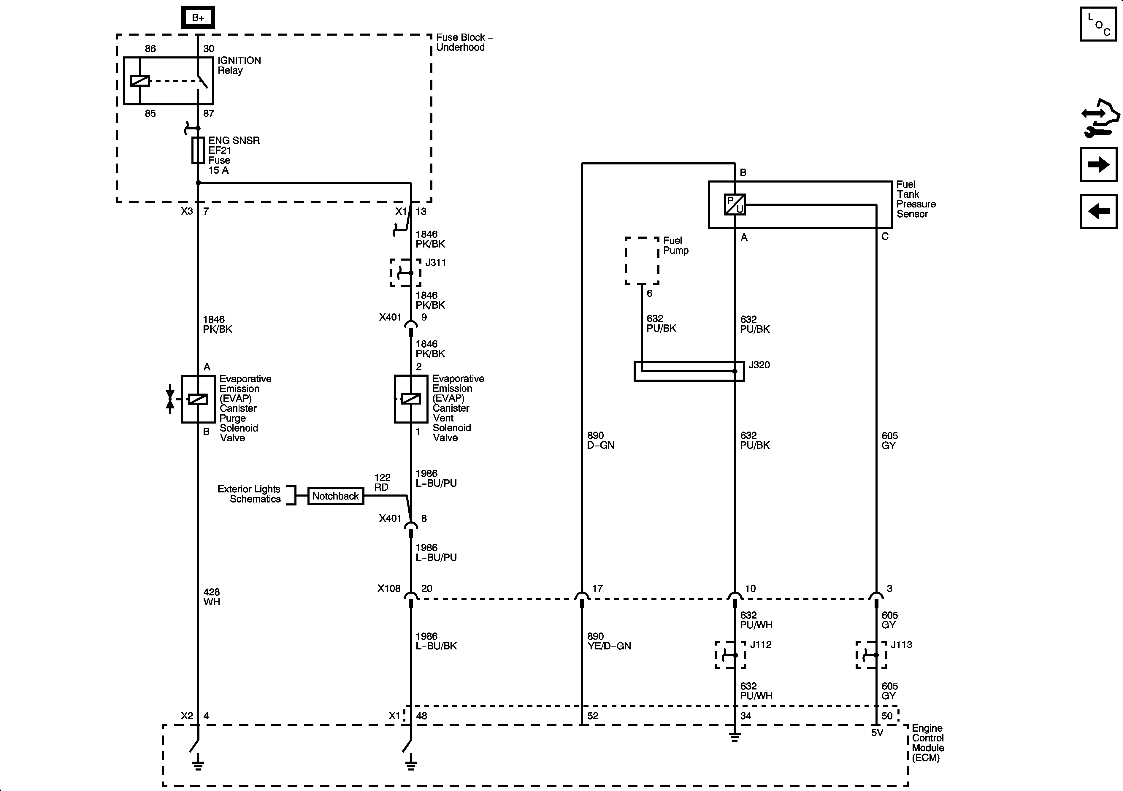
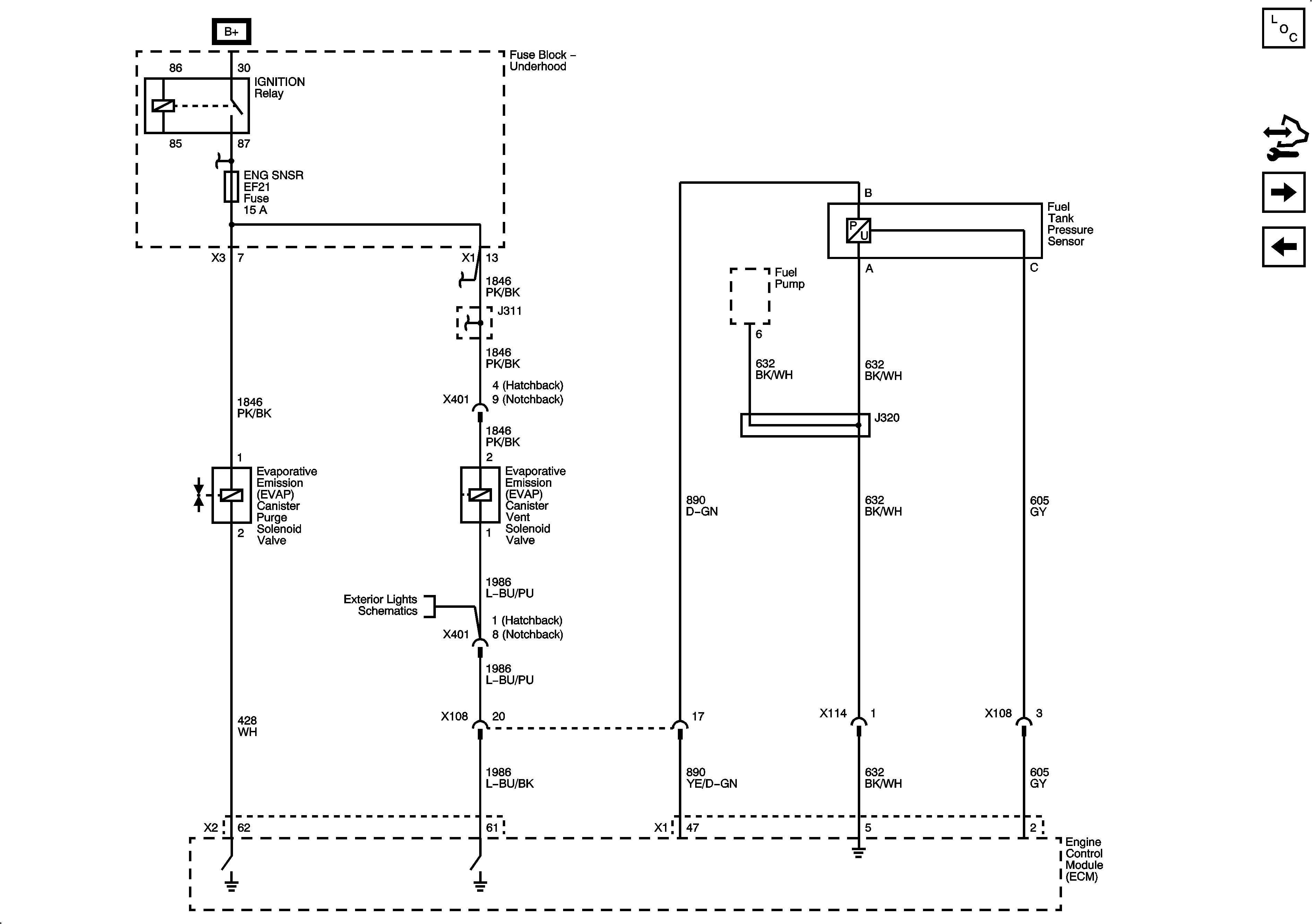
EVAP Solenoids, FTP Sensor
Accelerator Pedal Position (APP), TP Sensor, Throttle Actuator Control Motor
Fuse Block - Underhood B+ Bus, 1 of 3
Power, Ground, I/P Illumination, and Door Open Indicators
Figure 4:

EVAP Solenoids, FTP Sensor


Object Number: 1956769  Size: FS
Master Electrical Component List
Control Module References
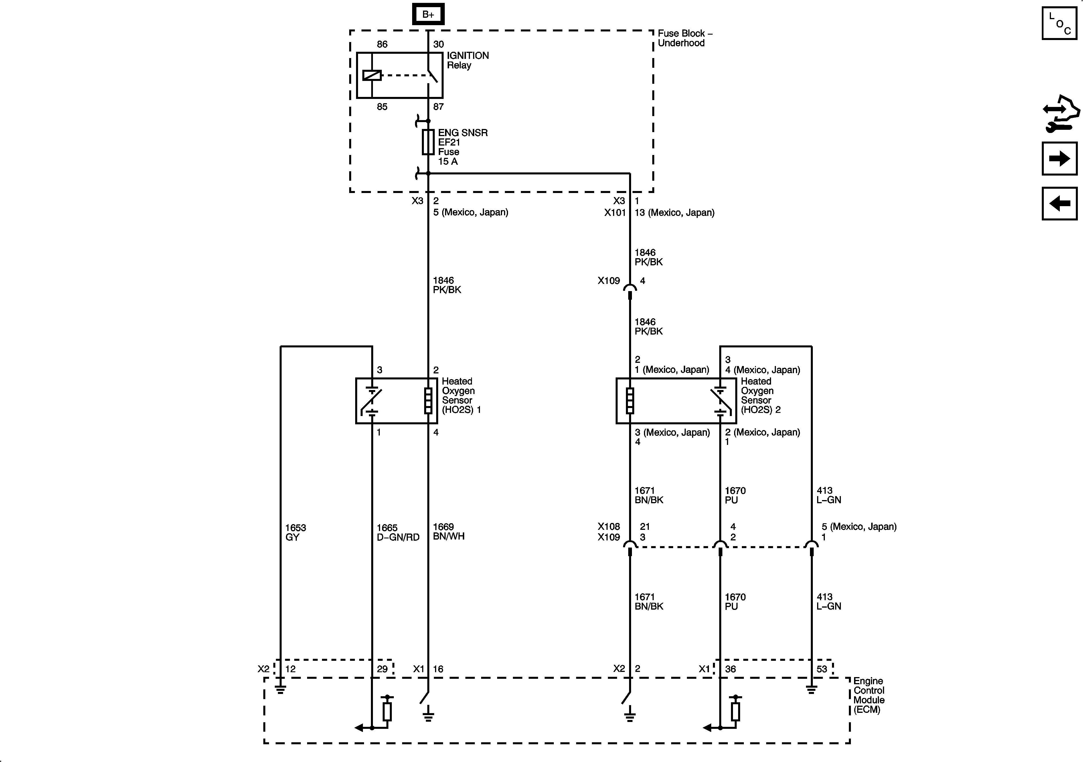
Heated Oxygen Sensors
Ignition Coil
Fuse Block - Underhood B+ Bus, 1 of 3
Fuse Block - Underhood B+ Bus, 1 of 3
Park Lamps and License Plate Lamps
Figure 5:

Heated Oxygen Sensors


Object Number: 1956773  Size: FS
Master Electrical Component List
Control Module References
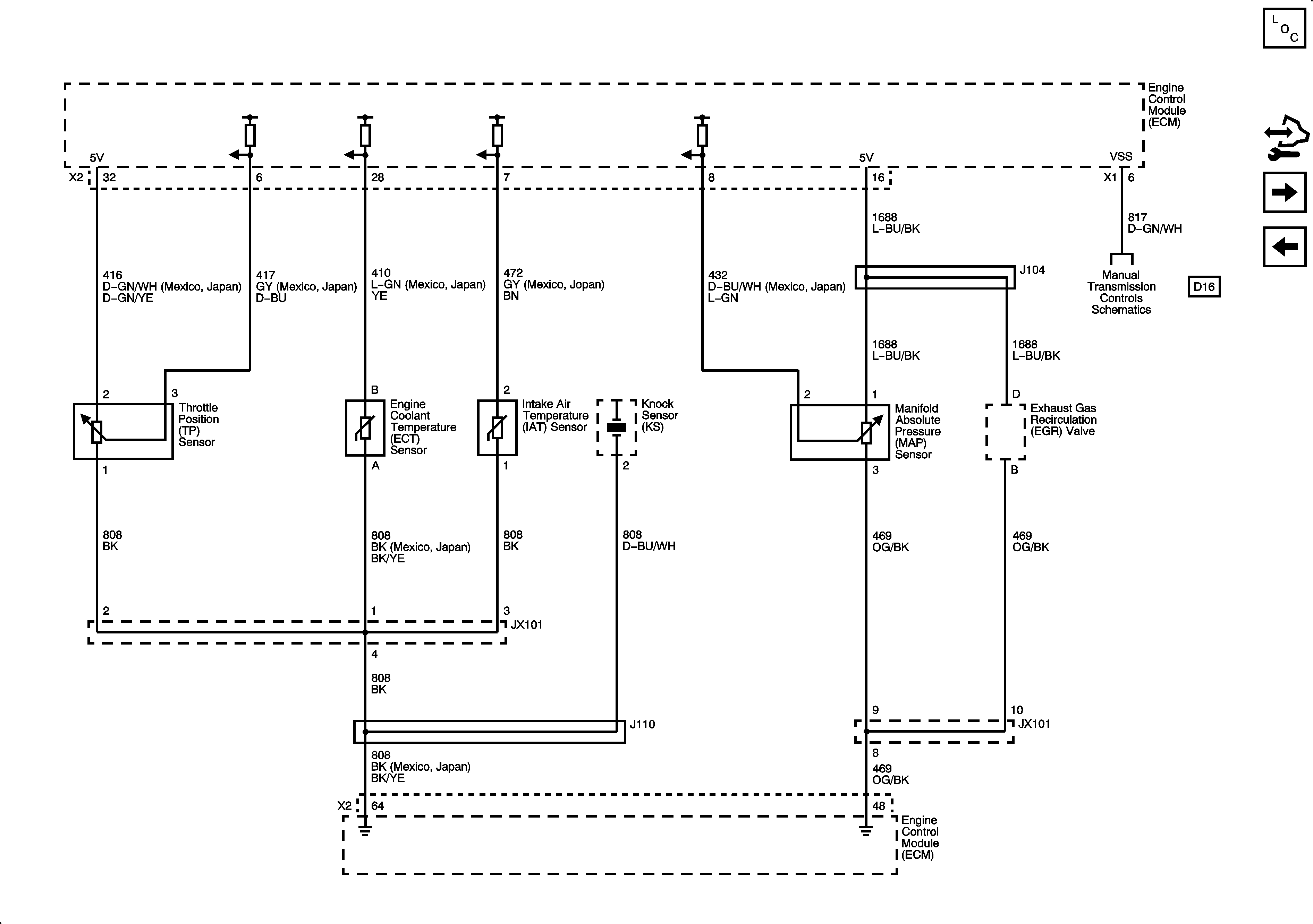
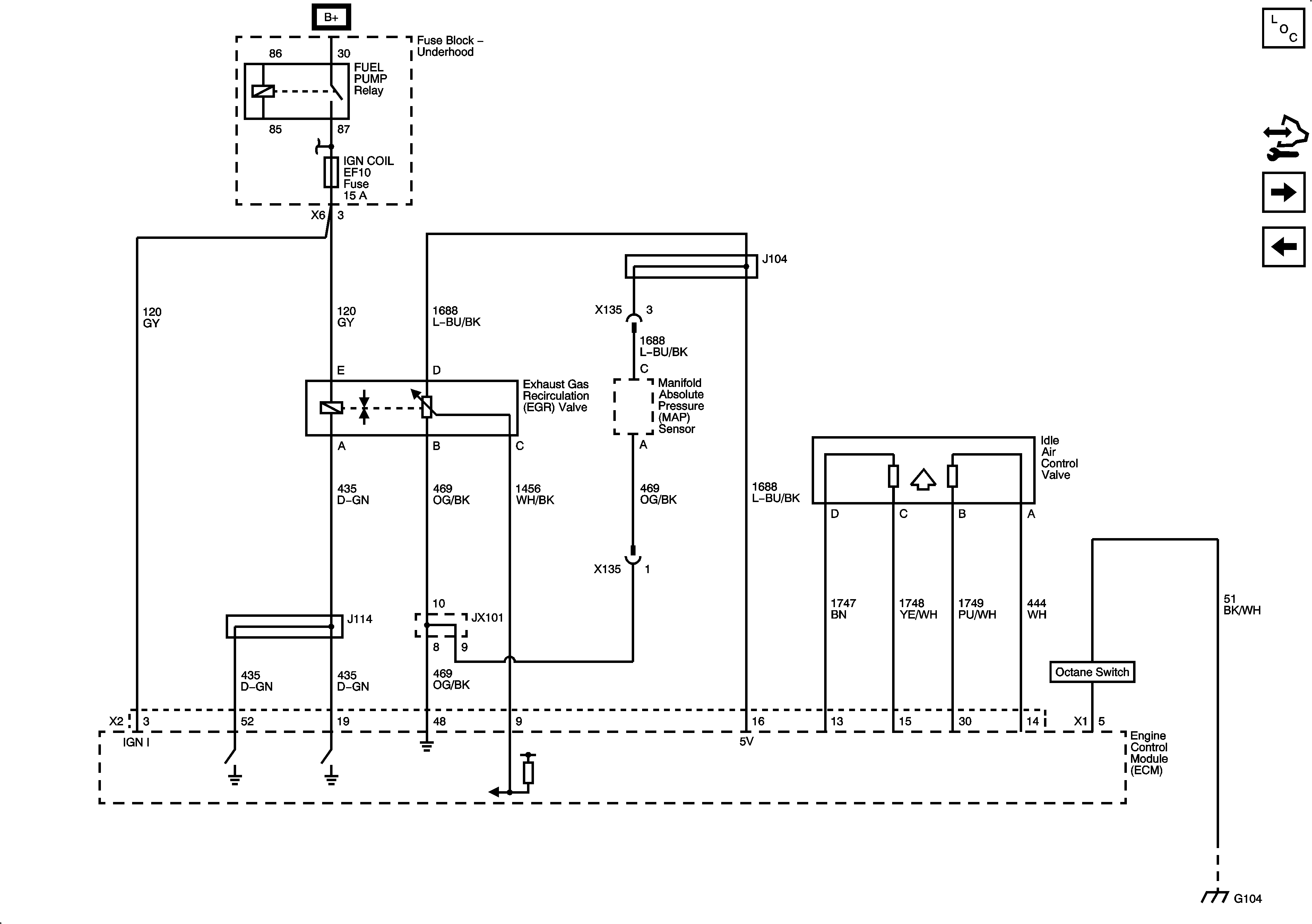
EGR Valve, MAP, ECT, IAT Sensors
EVAP Solenoids, FTP Sensor
Fuse Block - Underhood B+ Bus, 1 of 3
Fuse Block - Underhood B+ Bus, 1 of 3
Figure 6:

EGR Valve, MAP, ECT, IAT Sensors


Object Number: 1956776  Size: FS
Master Electrical Component List
Control Module References
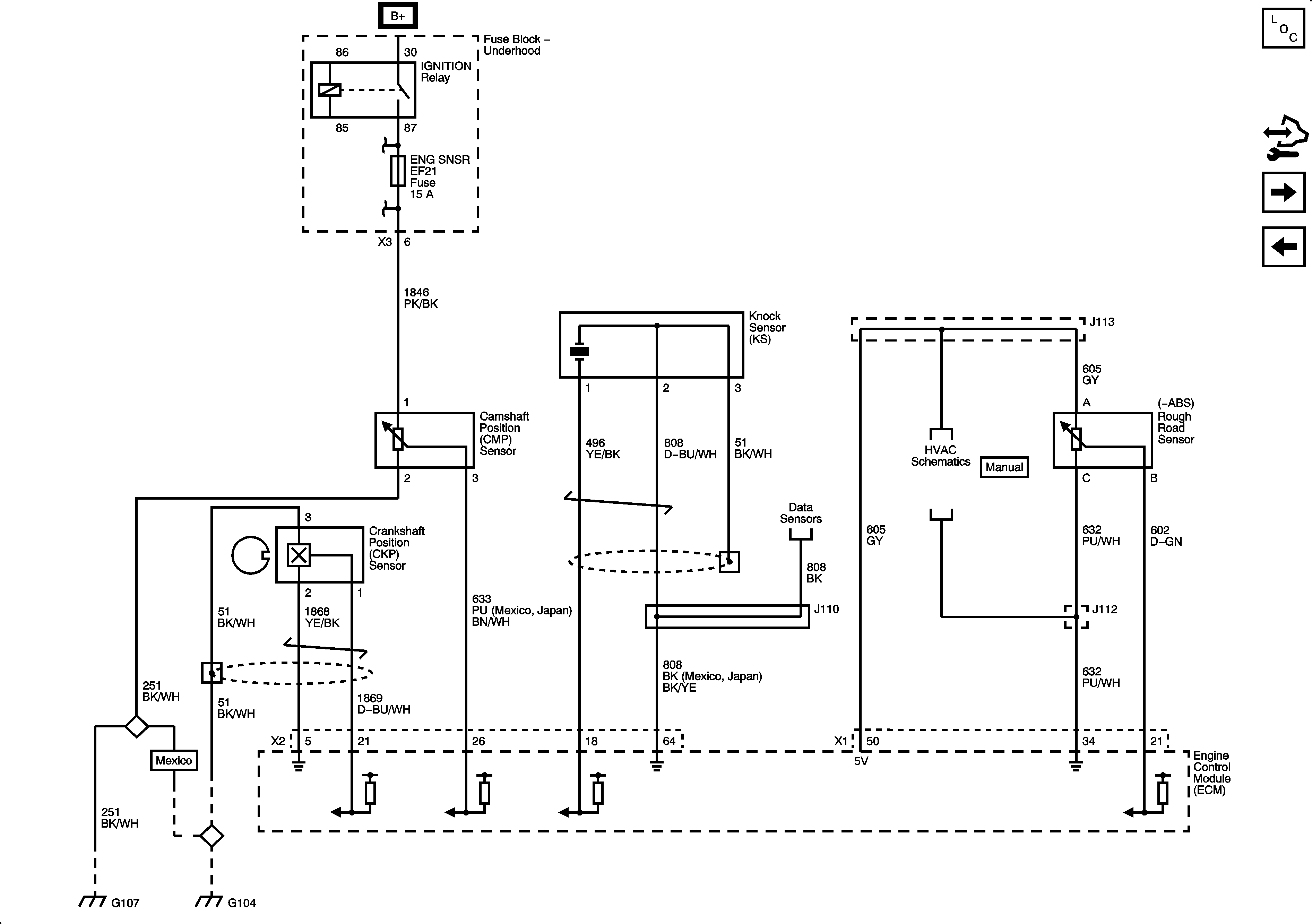
CKP, CMP, Knock, Rough Road Sensors
Heated Oxygen Sensors
Fuse Block - Underhood B+ Bus, 1 of 3
Figure 7:

CKP, CMP, Knock, Rough Road Sensors


Object Number: 1956779  Size: FS
Master Electrical Component List
Control Module References
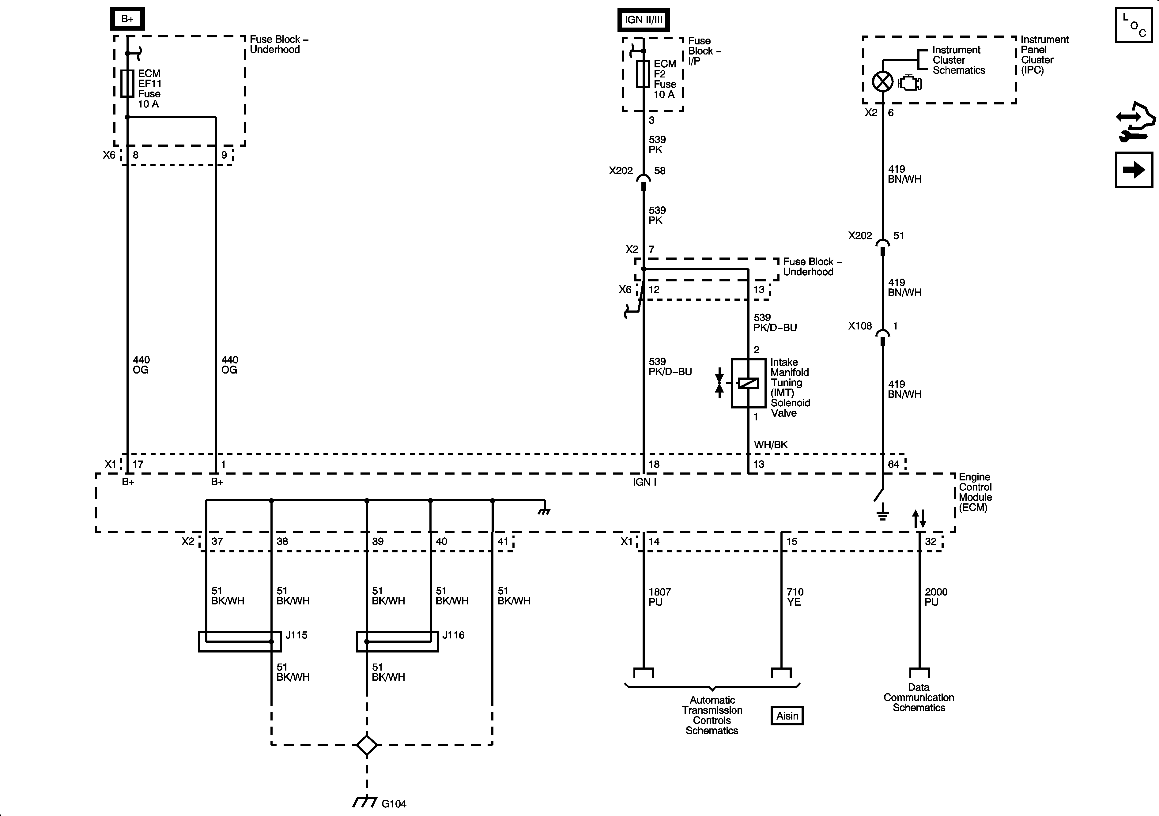
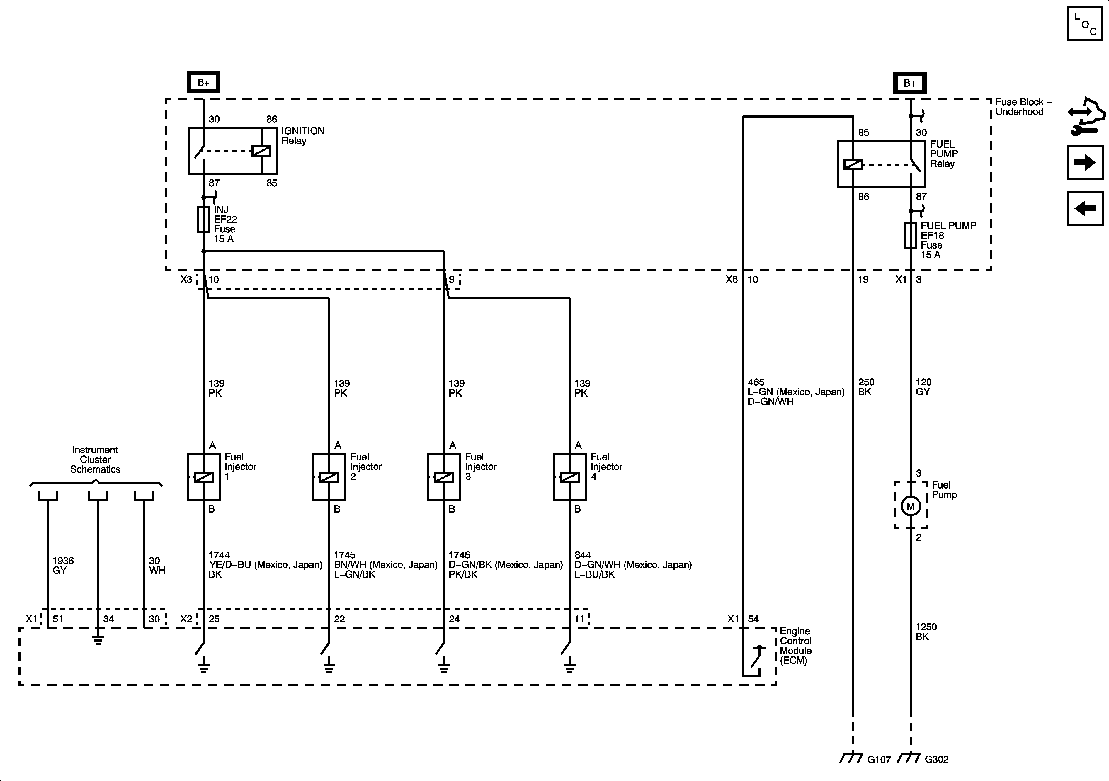
Fuel Pump and Injectors
EGR Valve, MAP, ECT, IAT Sensors
Fuse Block - Underhood B+ Bus, 1 of 3
Blower Controls
G104
Figure 8:

Fuel Pump and Injectors


Object Number: 1956782  Size: FS
Master Electrical Component List
Control Module References
Controlled/Monitored Subsystem references
CKP, CMP, Knock, Rough Road Sensors
Fuse Block - Underhood B+ Bus, 1 of 3
Power, Ground, I/P Illumination, and Door Open Indicators
G106, G107
G302
Figure 9:

Controlled/Monitored Subsystem References


Object Number: 1956784  Size: FS
Master Electrical Component List
Control Module References
Fuel Pump and Injectors
Power, Ground, Wheel Speed Sensors
Power, Ground, I/P Illumination, and Door Open Indicators
Single Fan
Blower Controls
Blower Controls

Engine Controls Schematics w/o Throttle Actuators Controls

Figure 1:

Module Power, Ground, Serial Data, Malfunction Indicator Lamp (MIL)


Object Number: 1956701  Size: FS
Master Electrical Component List
Control Module References
Engine Data Sensors - Pressure and Temperature
Fuse Block - Underhood B+ Bus, 1 of 3
Fuse Block - Underhood B+ Bus, 1 of 3
Fuse Block - Underhood B+ Bus, 1 of 3
Power, Ground, I/P Illumination, and Door Open Indicators
G104
Module Power, Ground, Malfunction Indicator Lamp (MIL), Hold Lamp, and Serial Data
Data Communication
Figure 2:

Engine Data Sensors - Pressure and Temperature


Object Number: 1956703  Size: FS
Master Electrical Component List
Control Module References
Oxygen Sensors (O2S)
Module Power, Ground, Sensor Data, Malfunction Indicator Lamp (MIL)
D16
Figure 3:

Oxygen Sensors (O2S)


Object Number: 1956706  Size: FS
Master Electrical Component List
Control Module References
Ignition System
Engine Data Sensors - Pressure and Temperature
Fuse Block - Underhood B+ Bus, 1 of 3
Figure 4:

Ignition System


Object Number: 1956707  Size: FS
Master Electrical Component List
Control Module References
CKP, CMP, Knock, Rough Road Sensors
Oxygen Sensors (O2S)
Fuse Block - Underhood B+ Bus, 1 of 3
Power, Ground, I/P Illumination, and Door Open Indicators
Figure 5:

CKP, CMP, Knock, Rough Road Sensors


Object Number: 1956708  Size: FS
Master Electrical Component List
Control Module References
Fuel Pump and Fuel Injectors
Ignition System
Fuse Block - Underhood B+ Bus, 1 of 3
Engine Data Sensors - Pressure and Temperature
Engine Data Sensors - Pressure and Temperature
G106, G107
G104
Figure 6:

Fuel Pump and Fuel Injectors


Object Number: 1956709  Size: FS
Master Electrical Component List
Control Module References
Fuel Controls - Evap Controls
CKP, CMP, Knock, Rough Road Sensors
Fuse Block - Underhood B+ Bus, 1 of 3
Fuse Block - Underhood B+ Bus, 1 of 3
Power, Ground, I/P Illumination, and Door Open Indicators
G106, G107
G302
Figure 7:

Fuel Controls - EVAP Controls


Object Number: 1956711  Size: FS
Master Electrical Component List
Control Module References
Device Controls
Fuel Pump and Fuel Injectors
Fuse Block - Underhood B+ Bus, 1 of 3
Fuse Block - Underhood B+ Bus, 1 of 3
Park Lamps and License Plate Lamps
Engine Data Sensors - Pressure and Temperature
Figure 8:

Device Controls


Object Number: 1956713  Size: FS
Master Electrical Component List
Control Module References
Controlled/Monitored Subsystem References
Fuel Controls - Evap Controls
Fuse Block - Underhood B+ Bus, 1 of 3
G104
Figure 9:

Controlled/Monitored Subsystem References


Object Number: 1956715  Size: FS
Master Electrical Component List
Control Module References
Device Controls
Power, Ground, Wheel Speed Sensors
Power, Ground, I/P Illumination, and Door Open Indicators
Single Fan
Blower Controls
Blower Controls