GM Service Manual Online
For 1990-2009 cars only
Makes
🢒
Holden
🢒
2008
🢒
Viva
🢒
Diagnostic Navigation
🢒
Vehicle Diagnostic Information
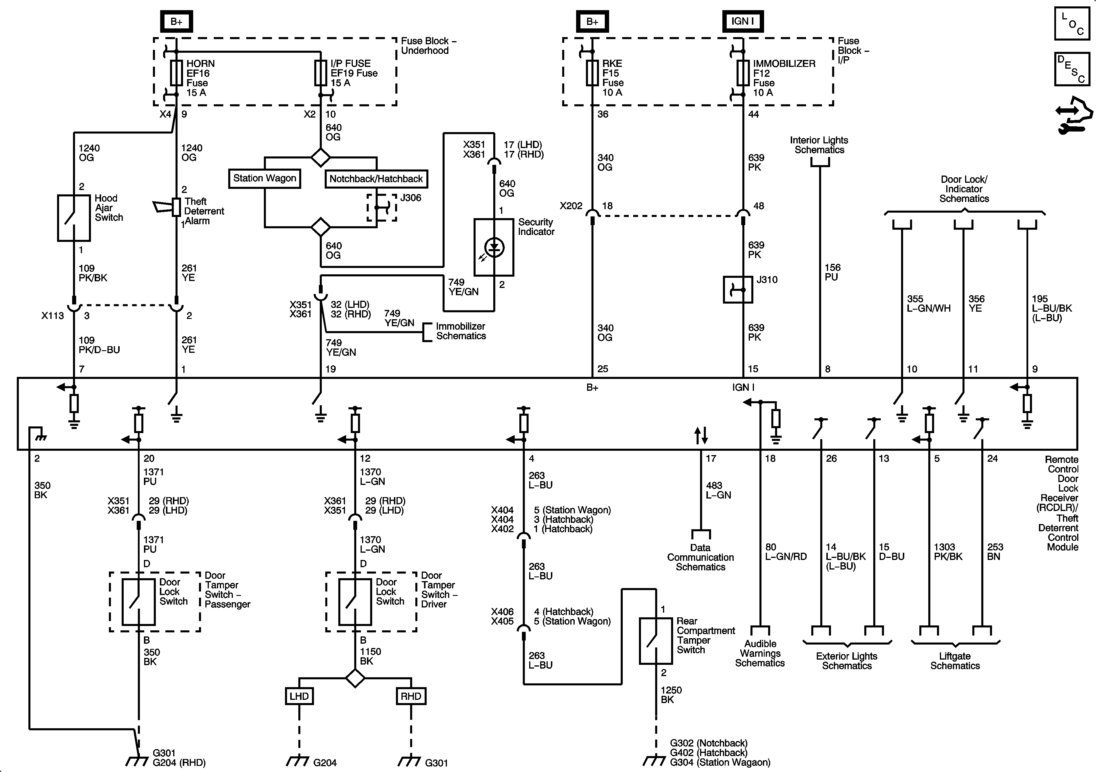
🢒 Theft Deterrent System Schematics
Master Electrical Component List
Control Module References
Fuse Block - Underhood B+ Bus, 1 of 3
Fuse Block - Underhood B+ Bus, 1 of 3
Fuse Block - Underhood B+ Bus, 1 of 3
Fuse Block - Underhood B+ Bus, 1 of 3
Door Lock/Indicators
Wiper System - Notchback
Data Communication
Audible Warnings
Turn Signal, Hazard, High Beam Indicator - PRNDL Illumination
Release Systems
G101
G101
G101
G204, G301
G204, G301
G302
G402
G304