GM Service Manual Online
For 1990-2009 cars only
Figure 1:

Blower Controls


Object Number: 1956012  Size: FS
Master Electrical Component List
Air Temperature Description and Operation
Control Module References
Compressor Controsl Sirius D4
Fuse Block - Underhood B+ Bus, 1 of 3
Fuse Block - Underhood B+ Bus, 1 of 3
Air Delivery and Temperature Controls
G101
G101
G201 - 1 of 2
G203
Figure 2:

Compressor Controls - Sirius D4


Object Number: 1956013  Size: FS
Master Electrical Component List
Air Temperature Description and Operation
Control Module References
Compressor Controls MR-140
Blower Controls
Fuse Block - Underhood B+ Bus, 1 of 3
Fuse Block - Underhood B+ Bus, 1 of 3
Module Power, Ground, Sensor Data, Malfunction Indicator Lamp (MIL)
CKP, CMP, Knock, Rough Road Sensors
G102
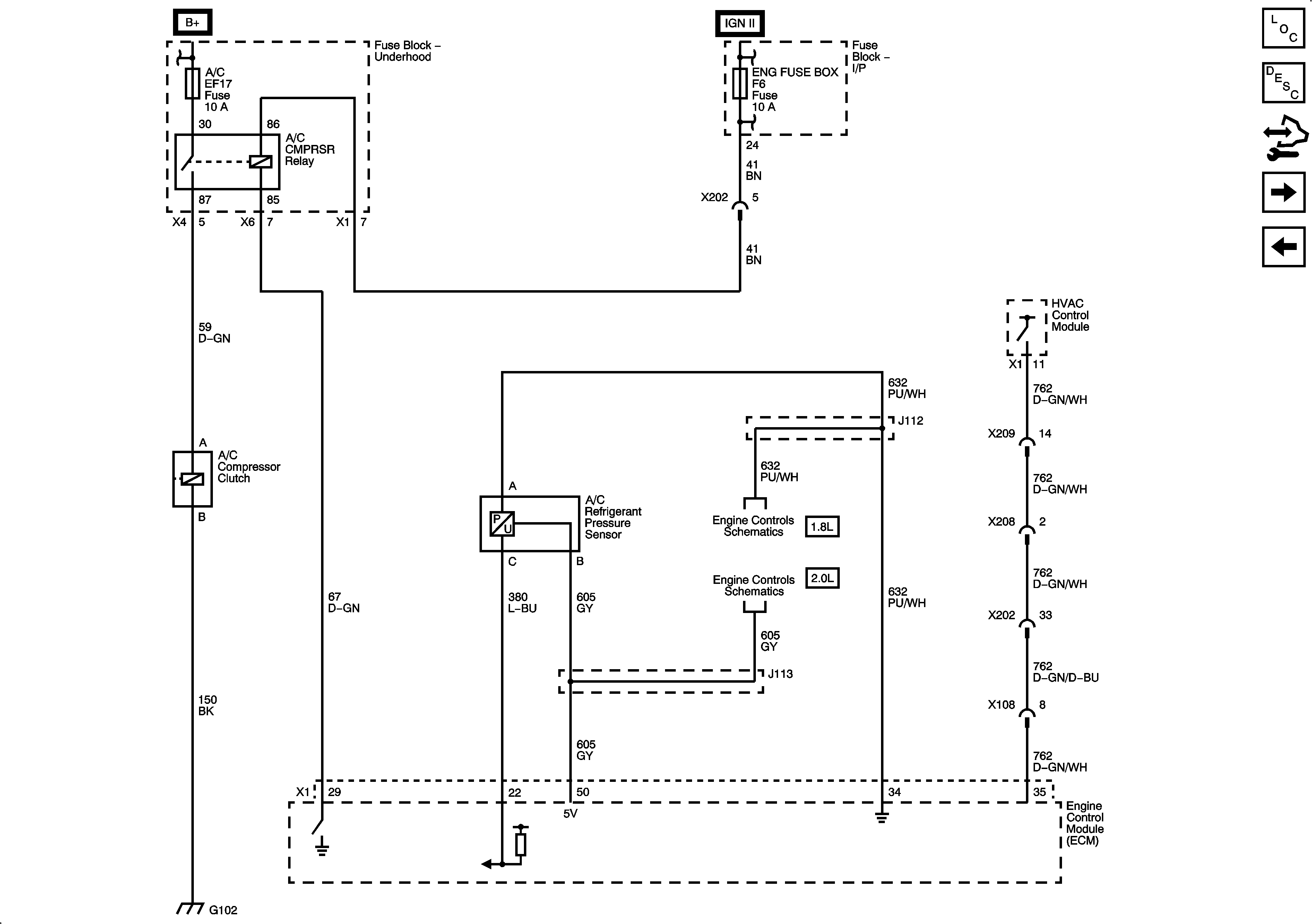
Figure 3:

Compressor Controls - MR-140


Object Number: 1956014  Size: FS
Master Electrical Component List
Air Temperature Description and Operation
Control Module References
Compressor Controls HV-240
Compressor Controsl Sirius D4
Fuse Block - Underhood B+ Bus, 1 of 3
Fuse Block - Underhood B+ Bus, 1 of 3
Module Power, Ground, Serial Data, Malfunction Indicator Lamp (MIL)
with Throttle Actuator Control
G102
Figure 4:

Compressor Controls - HV-240


Object Number: 1956018  Size: FS
Master Electrical Component List
Air Temperature Description and Operation
Control Module References
Compressor Controls Diesel
Compressor Controls MR-140
Fuse Block - Underhood B+ Bus, 1 of 3
Fuse Block - Underhood B+ Bus, 1 of 3
Module Power, Ground, Sensor Data, Malfunction Indicator Lamp (MIL)
G102
Figure 5:

Compressor Controls - Diesel


Object Number: 1956021  Size: FS
Master Electrical Component List
Air Temperature Description and Operation
Control Module References
Air Delivery and Temperature Controls
Compressor Controls HV-240
Fuse Block - Underhood B+ Bus, 1 of 3
Fuse Block - Underhood B+ Bus, 1 of 3
G102
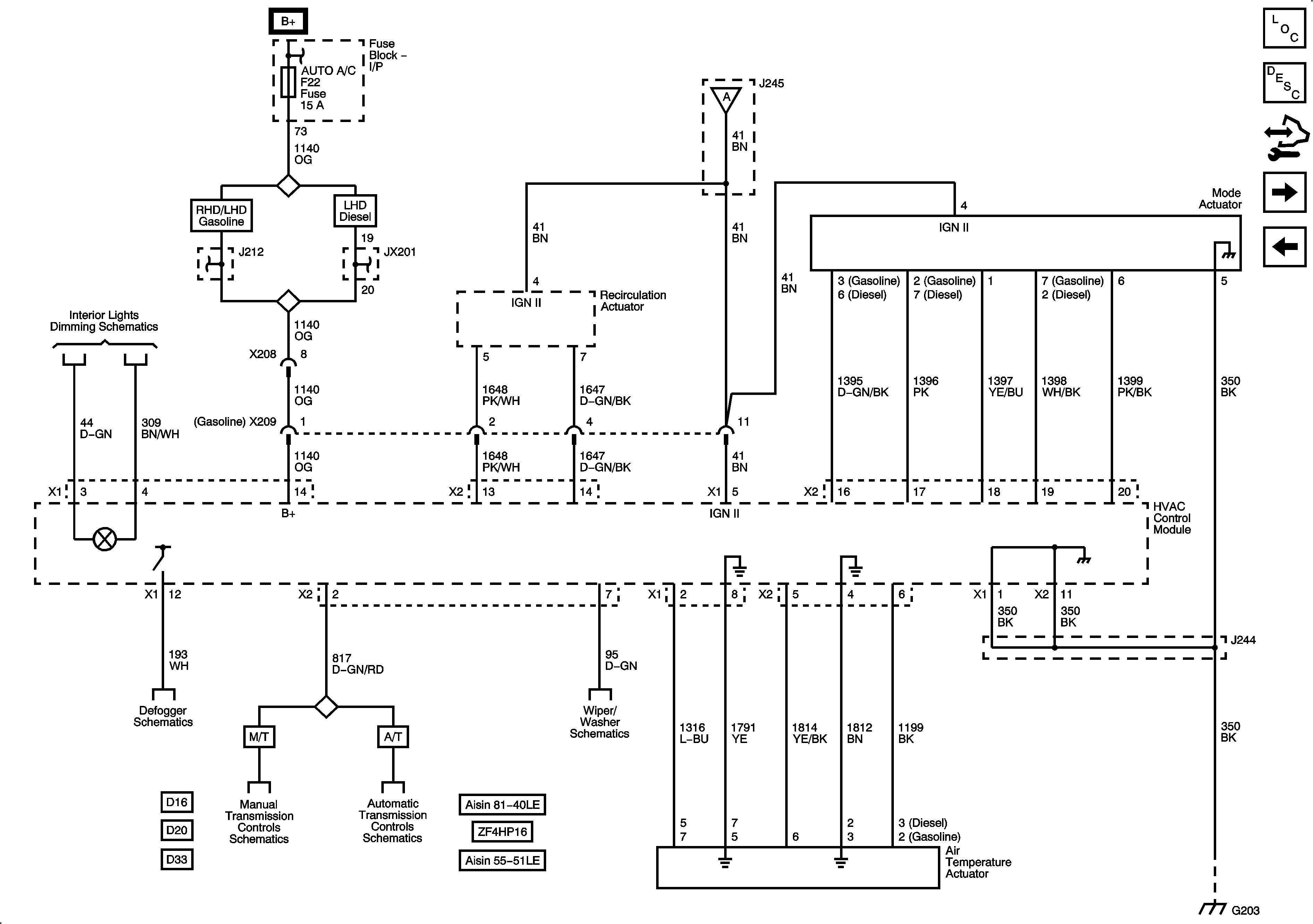
Figure 6:

Air Delivery and Temperature Controls


Object Number: 1956022  Size: FS
Master Electrical Component List
Air Temperature Description and Operation
Control Module References
HVAC Sensors
Compressor Controls Diesel
Fuse Block - Underhood BATT MAIN, IGN 1, IGN 2 Fuses, Ignition Switch, Fuse Block-I/P RADIO, IMMOBILIZER, DLC, A/C CLK, HAZARD, RKE, TCM, REAR FOG Fuses
Defogger Schematics
D16
D20
D20
Vehicle Speed and Input Speed Sensors
Vehicle Speed Signal
Input Shaft, Output Shaft, and Vehicle Speed Sensors (VSS)
G203
G203
Figure 7:

Sensors


Object Number: 1956026  Size: FS
Master Electrical Component List
Air Temperature Description and Operation
Control Module References
Air Delivery and Temperature Controls