GM Service Manual Online
For 1990-2009 cars only

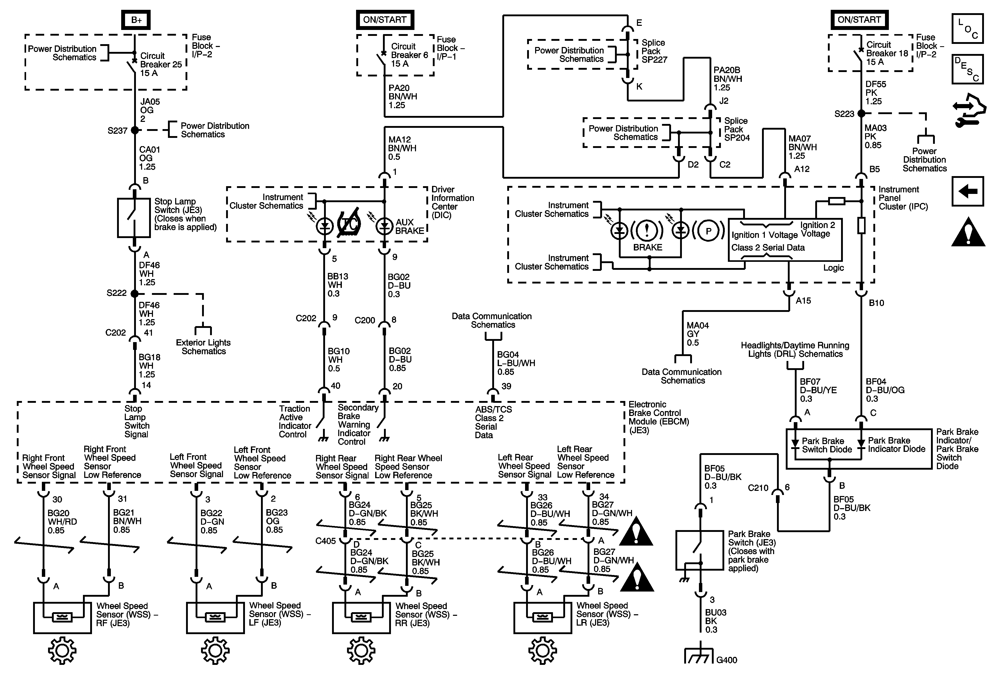
Driver Information Center (DIC), Electronic Brake Control Module (EBCM), Instrument Panel Cluster (IPC), Park Brake and Stop Lamp Switches, and Wheel Speed Sensors (WSS)

Driver Information Center (DIC), Electronic Brake Control Module (EBCM), Instrument Panel Cluster (IPC), Park Brake and Stop Lamp Switches, and Wheel Speed Sensors (WSS)


Object Number: 1842392  Size: FS
Master Electrical Component List
ABS Description and Operation
Control Module References
Electronic Brake Control Module (EBCM), Power Brake (P/B) Booster Pump Motor, Relays and Switches
Antilock Brake System Schematic Icons
Fuse Block 2: Fuses 9, 11, 12, 13, and 14, Fuse Block I/P 1: Circuit Breaker 11, and Fuse Block I/P 2: Circuit Breakers 25 and 26
Fuse Block 2: Fuses 9, 11, 12, 13, and 14, Fuse Block I/P 1: Circuit Breaker 11, and Fuse Block I/P 2: Circuit Breakers 25 and 26
Fuse Block 1: Fuses 6 and 7, Fuse Block 2: Fuse 8, and Fuse Block I/P 2: Circuit Breakers 17, 18, 20, 21, 22, and 24
Stop Lamps
Driver Information Center (DIC)
Fuse Block I/P 1: Circuit Breaker 6
Fuse Block I/P 1: Circuit Breaker 6
Power, Ground, and Serial Data
Power, Ground, and Serial Data
Controller Area Network (CAN) Connector and Data Link Connector (DLC)
Controller Area Network (CAN) Connector and Data Link Connector (DLC)
Headlights/Daytime Running Lights 1 of 2
G400 and G402 - 6 of 8