GM Service Manual Online
For 1990-2009 cars only
Makes
🢒
Isuzu
🢒
2007
🢒
Isuzu MD F-Series
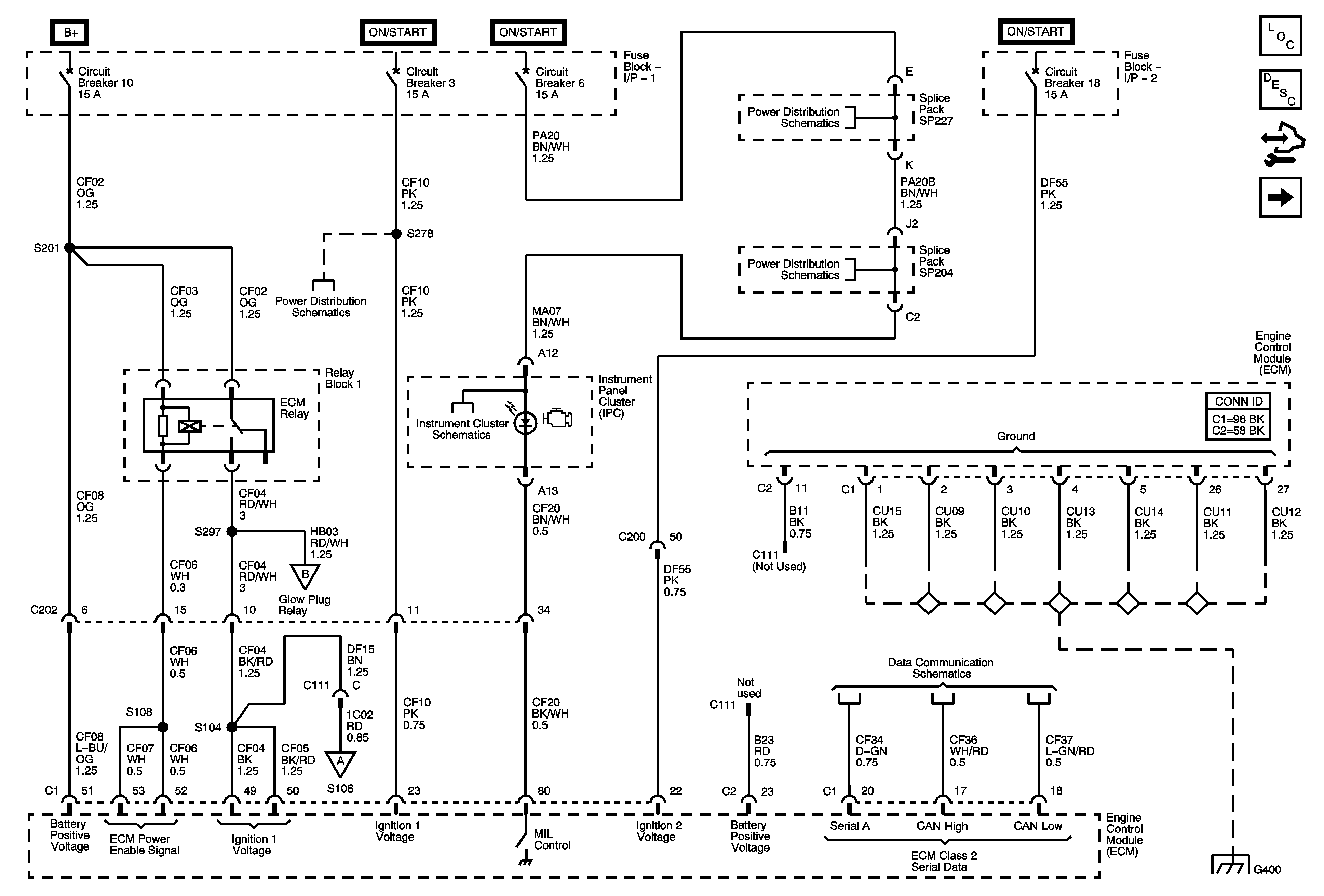
🢒 Module Power, Ground, Serial Data, and MIL
Module Power, Ground, Serial Data, and MIL
Module Power, Ground, Serial Data, and MIL
Master Electrical Component List
Engine Control Component Description
Control Module References
Engine Data Sensors - 5-Volt and Low Reference
Fuse Block I/P 1: Circuit Breakers 2 and 3
Engine Data Sensors - EGR Valve and Glow Plug Controls
Engine Data Sensors - Pressure, Temperature, and Turbocharger Controls - 2 of 2
Power, Ground, and Serial Data
Fuse Block I/P 1: Circuit Breaker 6
Fuse Block I/P 1: Circuit Breaker 6
Controller Area Network (CAN) Connector and Data Link Connector (DLC)
Splice Packs and Modules - 1 of 2
G400 and G402 - 8 of 8