GM Service Manual Online
For 1990-2009 cars only
Figure 1:

DLC, Ground, MIL and Power


Object Number: 1573835  Size: FS
Master Electrical Component List
Engine Control Module Description
Control Module References
5-Volt and Low References
Engine Controls Schematic Icons
Underhood Fuse Block - B+
Underhood Fuse Block RUN/CRANK Relay, ABS, IGN 1, INJ, PCM IGN 1 and TRANS Fuses
Underhood Fuse Block - B+
Underhood Fuse Block IBCM 1, Body Control Module (BCM), AIRBAG (BATT), CLUSTER/THEFT, HVAC CTRL (BATT), IGN SENSOR and RADIO Fuses
Underhood Fuse Block IBCM 1, Body Control Module (BCM), AIRBAG (BATT), CLUSTER/THEFT, HVAC CTRL (BATT), IGN SENSOR and RADIO Fuses
Underhood Fuse Block IBCM 1, Body Control Module (BCM), AIRBAG (BATT), CLUSTER/THEFT, HVAC CTRL (BATT), IGN SENSOR and RADIO Fuses
G103, G104 and G105
Power, Ground, Serial Data, High Speed GMLAN
G109
Figure 2:

5-Volt and Low References


Object Number: 1573836  Size: FS
Master Electrical Component List
Engine Control Module Description
Control Module References
MAF, VSS and Extended Brake Travel Switch
DLC, Ground, MIL and Power
Engine Controls Schematic Icons
Figure 3:

MAF, VSS and Extended Brake Travel Switch


Object Number: 1573838  Size: FS
Master Electrical Component List
Engine Control Module Description
Control Module References
Heated Oxygen Sensors
5-Volt and Low References
Engine Controls Schematic Icons
Underhood Fuse Block A/C CLUTCH Relay, PWR/TRN Relay, A/C CLU, EMISSION 1, ETC, IGN MOD and IMTV/DOD Fuses
DLC, Ground, MIL and Power
Turn Signals and Stop Lamps
G103, G104 and G105
Figure 4:

Heated Oxygen Sensors


Object Number: 1573840  Size: FS
Master Electrical Component List
Engine Control Module Description
Control Module References
Electronic Throttle Controls
MAF, VSS and Extended Brake Travel Switch
Engine Controls Schematic Icons
Underhood Fuse Block A/C CLUTCH Relay, PWR/TRN Relay, A/C CLU, EMISSION 1, ETC, IGN MOD and IMTV/DOD Fuses
DLC, Ground, MIL and Power
Figure 5:

Electronic Throttle Controls


Object Number: 1573841  Size: FS
Master Electrical Component List
Throttle Actuator Control (TAC) System Description
Control Module References
Ignition Coils/Modules
Heated Oxygen Sensors
Engine Controls Schematic Icons
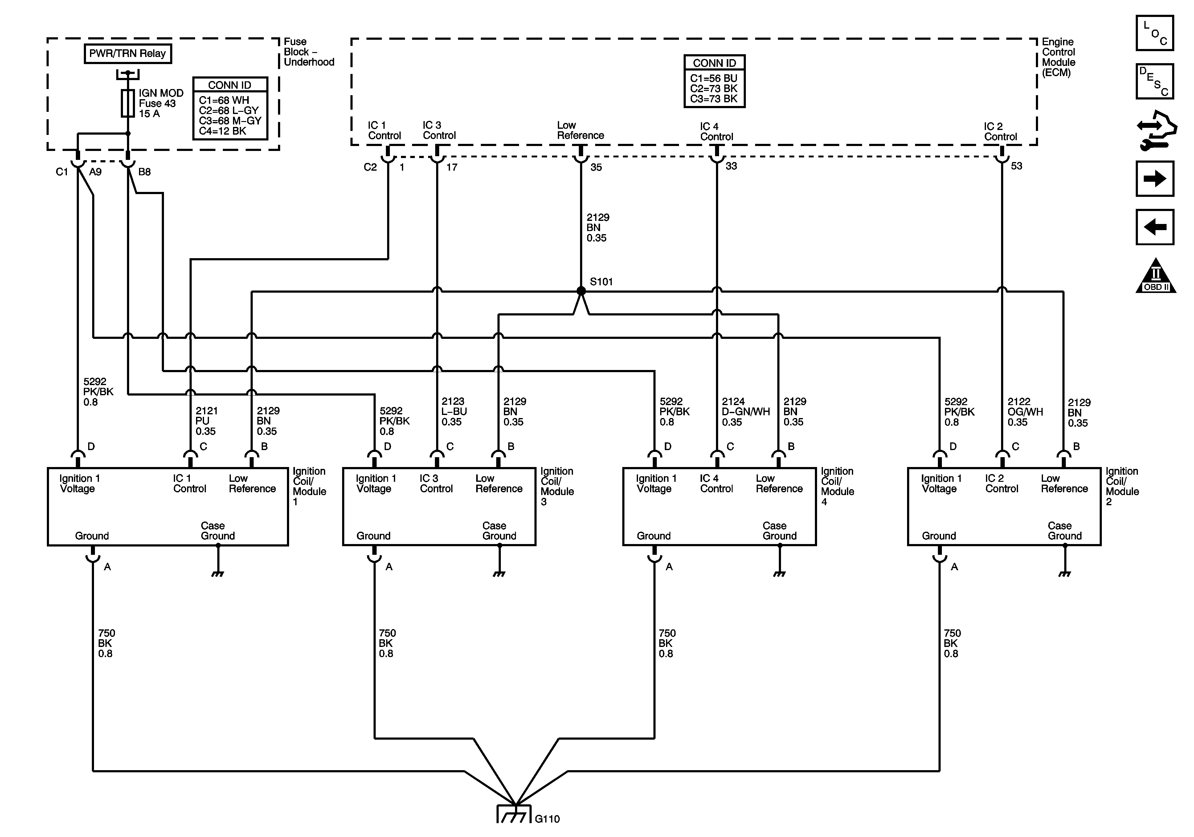
Figure 6:

Ignition Coils/Modules


Object Number: 1573842  Size: FS
Master Electrical Component List
Electronic Ignition (EI) System Description
Control Module References
Ignition Sensors
Electronic Throttle Controls
Engine Controls Schematic Icons
DLC, Ground, MIL and Power
G110 (LE5)
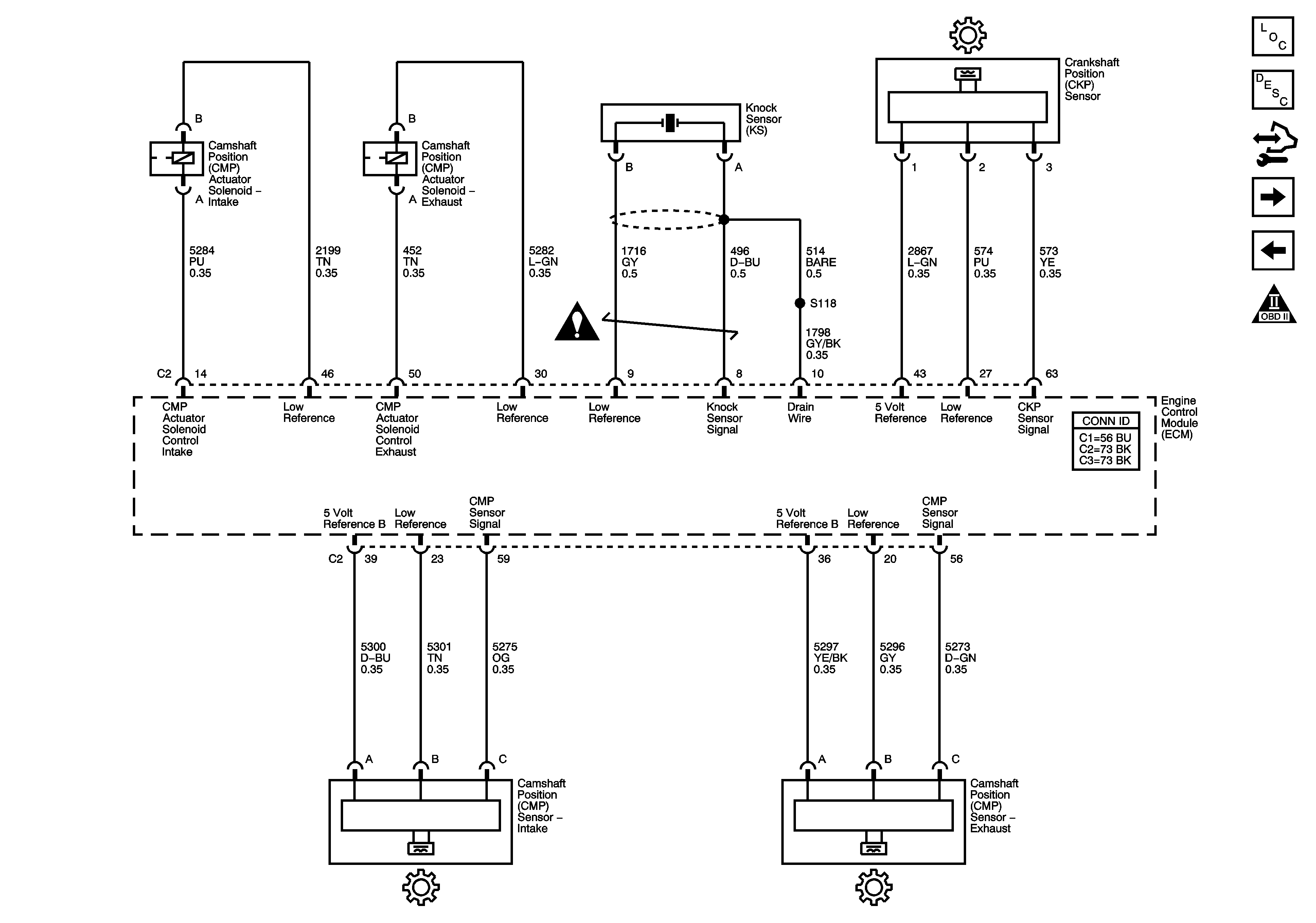
Figure 7:

Ignition Sensors


Object Number: 1573844  Size: FS
Master Electrical Component List
Camshaft Actuator System Description
Control Module References
Fuel Injectors and Fuel Pump
Ignition Coils/Modules
Engine Controls Schematic Icons
Engine Controls Schematic Icons
Figure 8:

Fuel Injectors and Fuel Pump


Object Number: 1573845  Size: FS
Master Electrical Component List
Fuel System Description
Control Module References
EVAP Controls and FTP Sensor
Ignition Sensors
Engine Controls Schematic Icons
Underhood Fuse Block RUN/CRANK Relay, ABS, IGN 1, INJ, PCM IGN 1 and TRANS Fuses
DLC, Ground, MIL and Power
Underhood Fuse Block RBEC 2, RUN RLY, Body Control Module (BCM), HVAC BLOWER HIGH Relay, RUN Relay, HVAC BLOWER, HVAC CTRL (IGN) Rear Fuse Block FUEL Relay, PARK LP Relay, TRUNK Relay, DRV ST, EMISSIO
Underhood Fuse Block RBEC 2, RUN RLY, Body Control Module (BCM), HVAC BLOWER HIGH Relay, RUN Relay, HVAC BLOWER, HVAC CTRL (IGN) Rear Fuse Block FUEL Relay, PARK LP Relay, TRUNK Relay, DRV ST, EMISSIO
Underhood Fuse Block RBEC 2, RUN RLY, Body Control Module (BCM), HVAC BLOWER HIGH Relay, RUN Relay, HVAC BLOWER, HVAC CTRL (IGN) Rear Fuse Block FUEL Relay, PARK LP Relay, TRUNK Relay, DRV ST, EMISSIO
Indicators
G302
G301
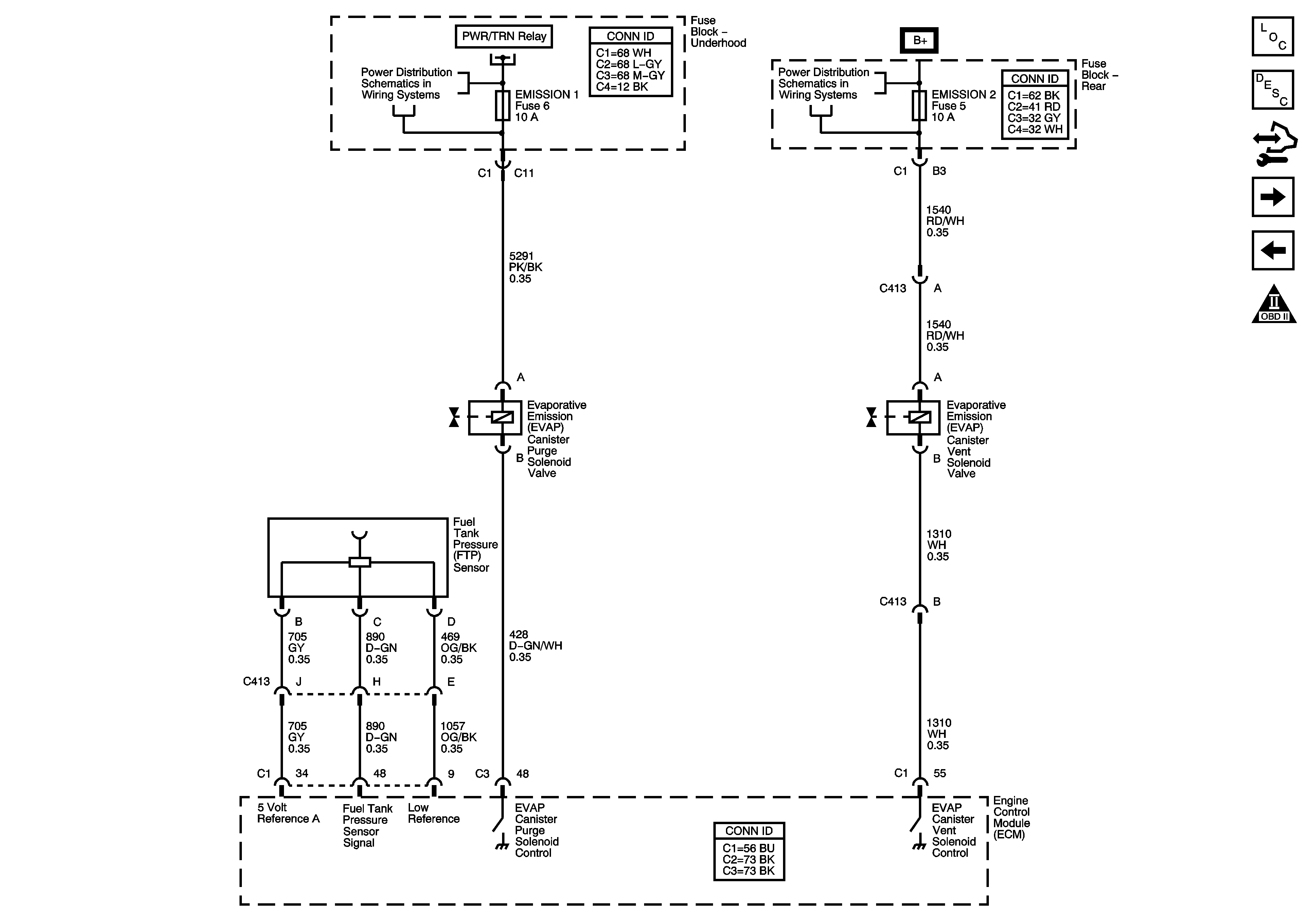
Figure 9:

EVAP Controls and FTP Sensor


Object Number: 1573848  Size: FS
Master Electrical Component List
Evaporative Emission Control System Description
Control Module References
Controlled/Monitored Subsystem References
Fuel Injectors and Fuel Pump
Engine Controls Schematic Icons
Underhood Fuse Block A/C CLUTCH Relay, PWR/TRN Relay, A/C CLU, EMISSION 1, ETC, IGN MOD and IMTV/DOD Fuses
DLC, Ground, MIL and Power
Underhood Fuse Block RBEC 2, RUN RLY, Body Control Module (BCM), HVAC BLOWER HIGH Relay, RUN Relay, HVAC BLOWER, HVAC CTRL (IGN) Rear Fuse Block FUEL Relay, PARK LP Relay, TRUNK Relay, DRV ST, EMISSIO
Figure 10:

Controlled/Monitored Subsystem References


Object Number: 1573850  Size: FS
Master Electrical Component List
Engine Control Module Description
Control Module References
EVAP Controls and FTP Sensor
Engine Controls Schematic Icons
Starting System - LE5/LZ9
Charging System
Air Temperature and Mode Controls
Ambient Air Temperature Sensor and Compressor Controls
Cooling Fans
Indicators
Internal Mode Switch (IMS)