| Figure 1: |
Power, Ground, MIL, and DLC
|
| Figure 2: |
Ignition Controls
|
| Figure 3: |
Fuel Controls
|
| Figure 4: |
Engine Data Sensors
|
| Figure 5: |
EVAP and EGR Controls
|
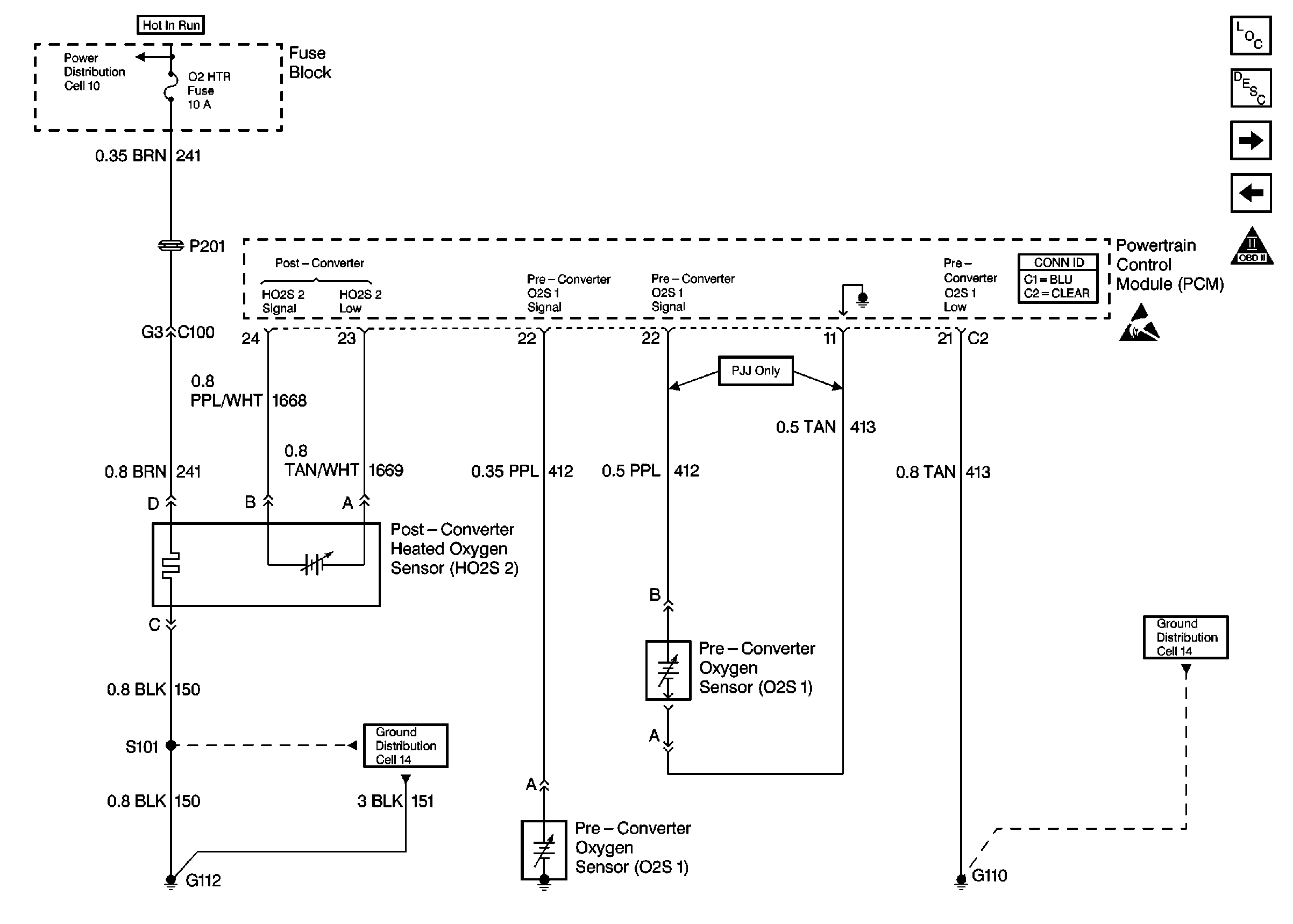
| Figure 6: |
Oxygen Sensors
|
| Figure 7: |
IAC Valve, Generator, TR and Coolant Switches
|
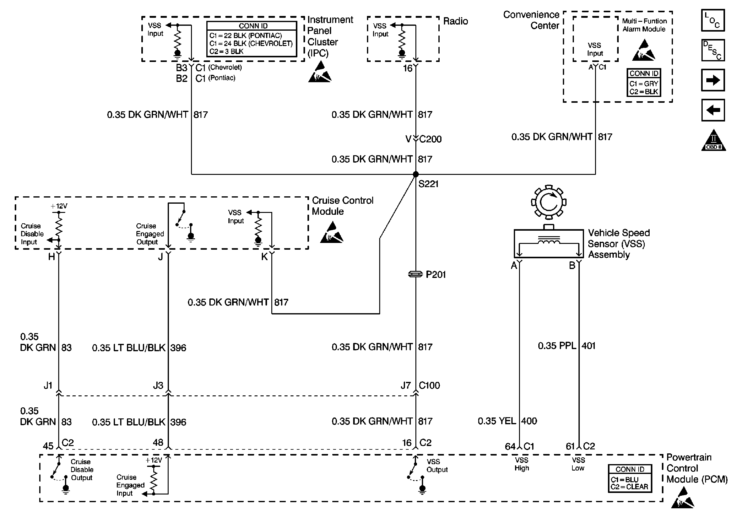
| Figure 8: |
VSS and Cruise Control
|
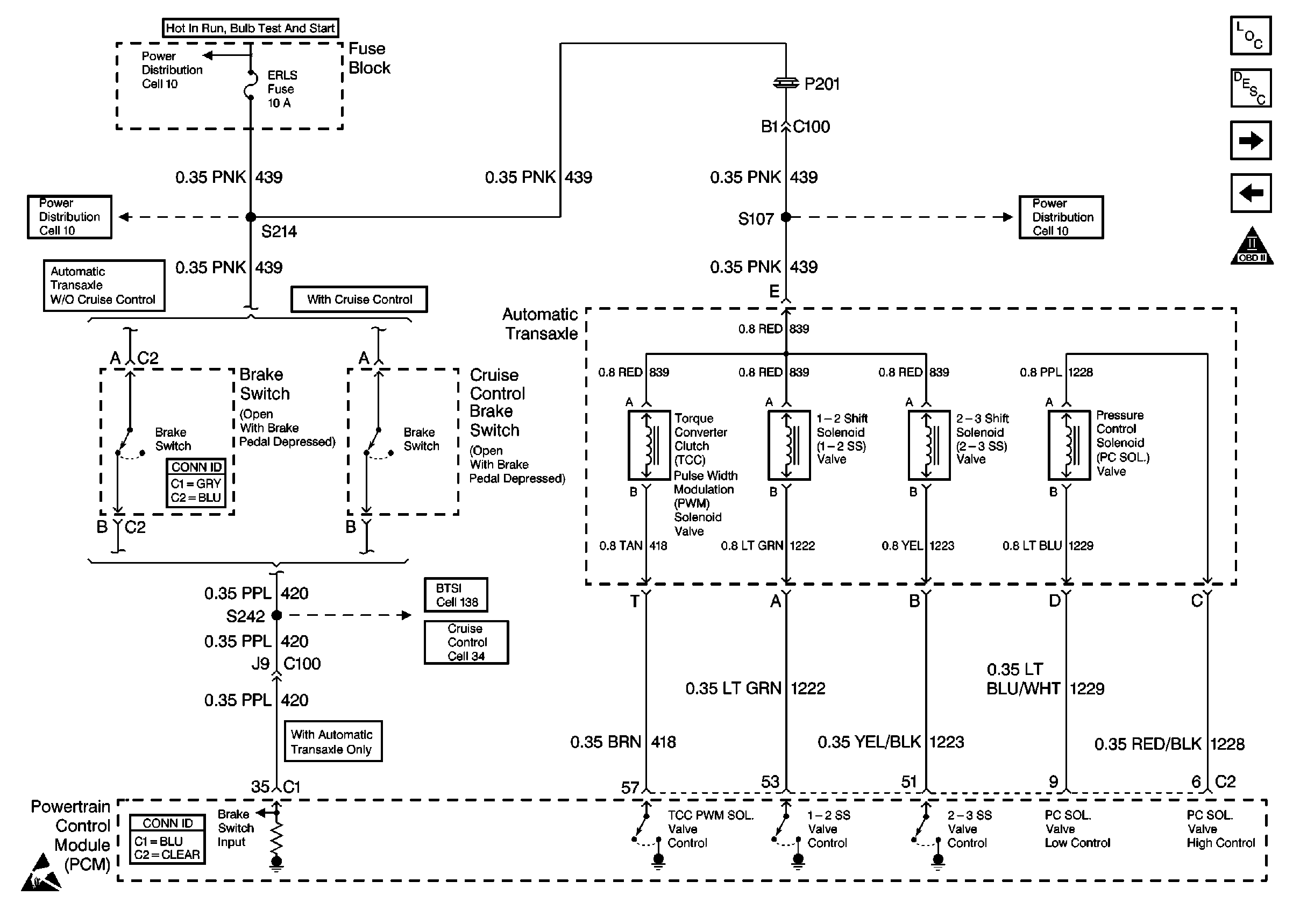
| Figure 9: |
Transaxle Controls (Solenoids)
|
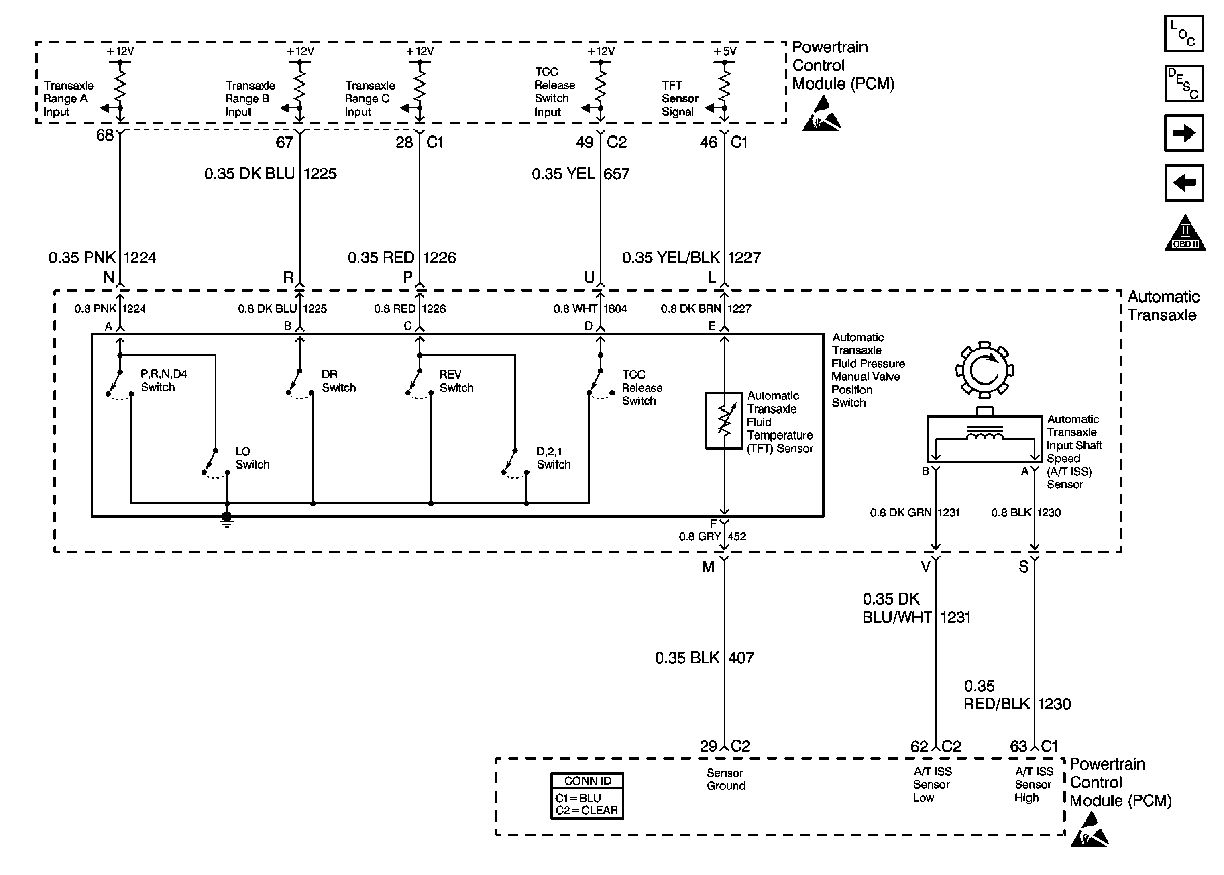
| Figure 10: |
Transaxle Controls (Switches)
|
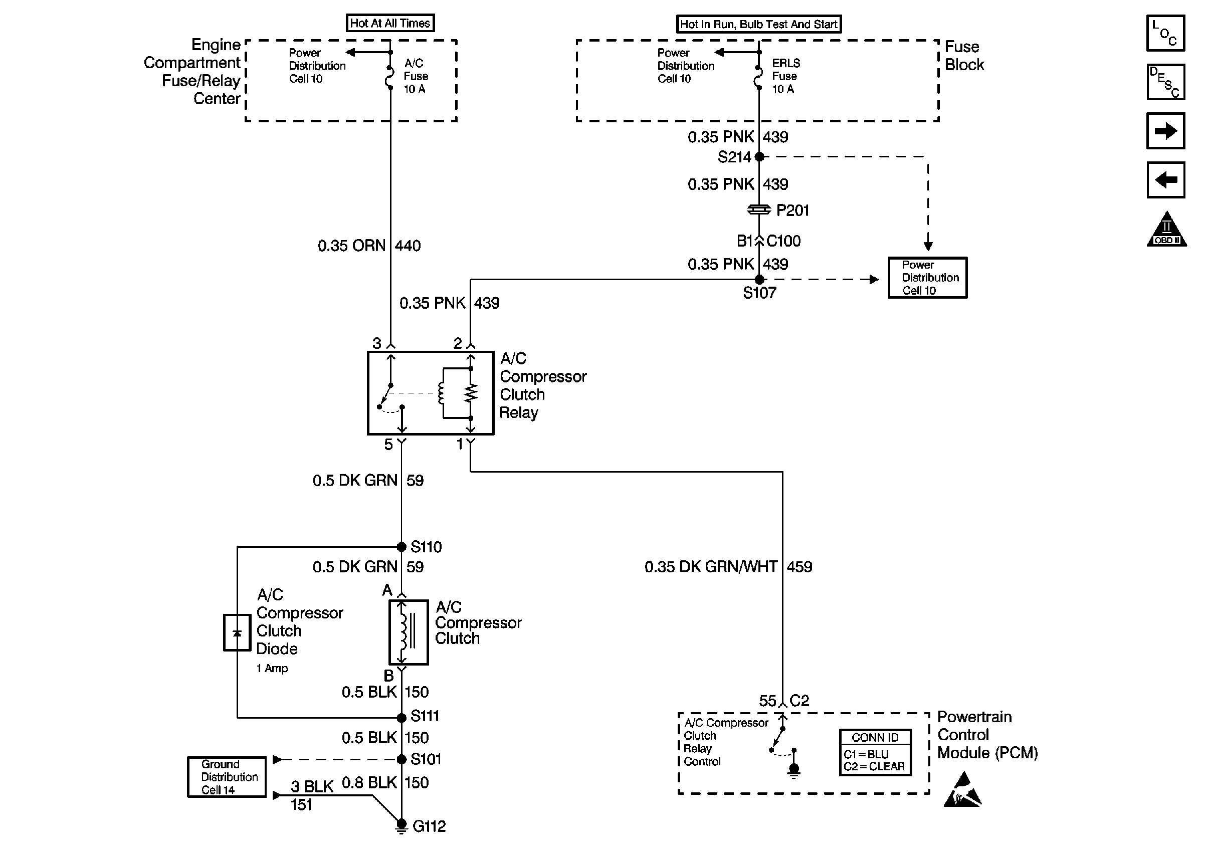
| Figure 11: |
A/C Controls
|
| Figure 12: |
Cooling Fan Controls
|