GM Service Manual Online
For 1990-2009 cars only
Figure 1:

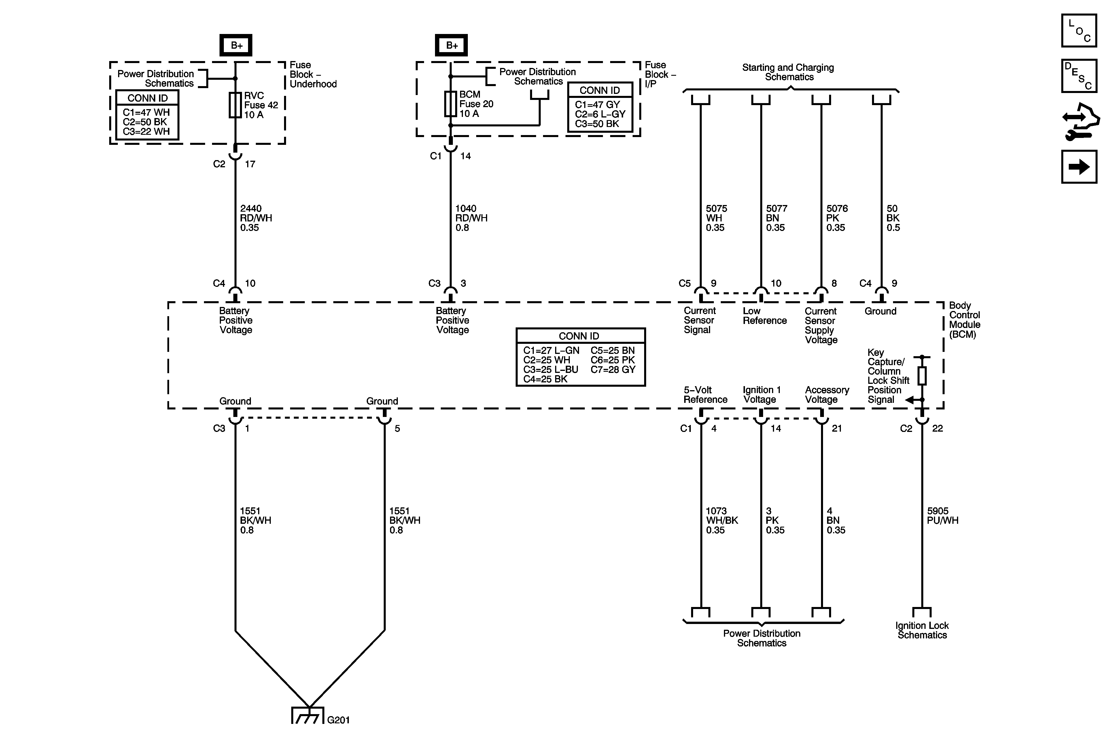
Power and Ground, Starting and Charging


Object Number: 1805020  Size: FS
Master Electrical Component List
Body Control System Description and Operation
Control Module References
Exterior Lights, Radio, ABS, Auto Transmission, and Data Communications
BATT 1, CNSTR VENT, CLSTR, HVAC BLWR, INFOTMNT, INT LAMP, ONSTAR, REAR DEFOG and RVC Fuses
AMP, BCM, CHMSL/DM/LAMP, HVAC/RFA and RDO Fuse
Charging
G201
Figure 2:

Exterior Lights, Radio, Data Communications, ABS, and Automatic Transmission


Object Number: 1804981  Size: FS
Master Electrical Component List
Body Control System Description and Operation
Control Module References
Shift Lock, Headlights, Cruise, Wipers, I/P, and Audible Warnings
Power and Ground, Starting and Charging
Fog Lights Schematics
Left Park Lamps
Turn Signal Lamps
Trailer Tow Connector
Steering Wheel Controls (UK3)
Stop Lamps
Serial Data, Traction Switch, and Instrument Panel
Power and Ground
Low Speed GMLAN
High Speed GMLAN
Figure 3:

Shift Lock, Headlights, Cruise, Wipers, I/P, and Audible Warnings


Object Number: 1804986  Size: FS
Master Electrical Component List
Body Control System Description and Operation
Control Module References
Interior Lights, Door Locks, Exterior Lights, Release Systems, Windows, Remote Functions, and Horns
Exterior Lights, Radio, ABS, Auto Transmission, and Data Communications
Shift Lock Control Schematics
Headlights/Daytime Running Lights (DRL) Schematics
Cruise Control Schematics
Front Wiper/Washer
Indicators
Audible Warnings Schematics
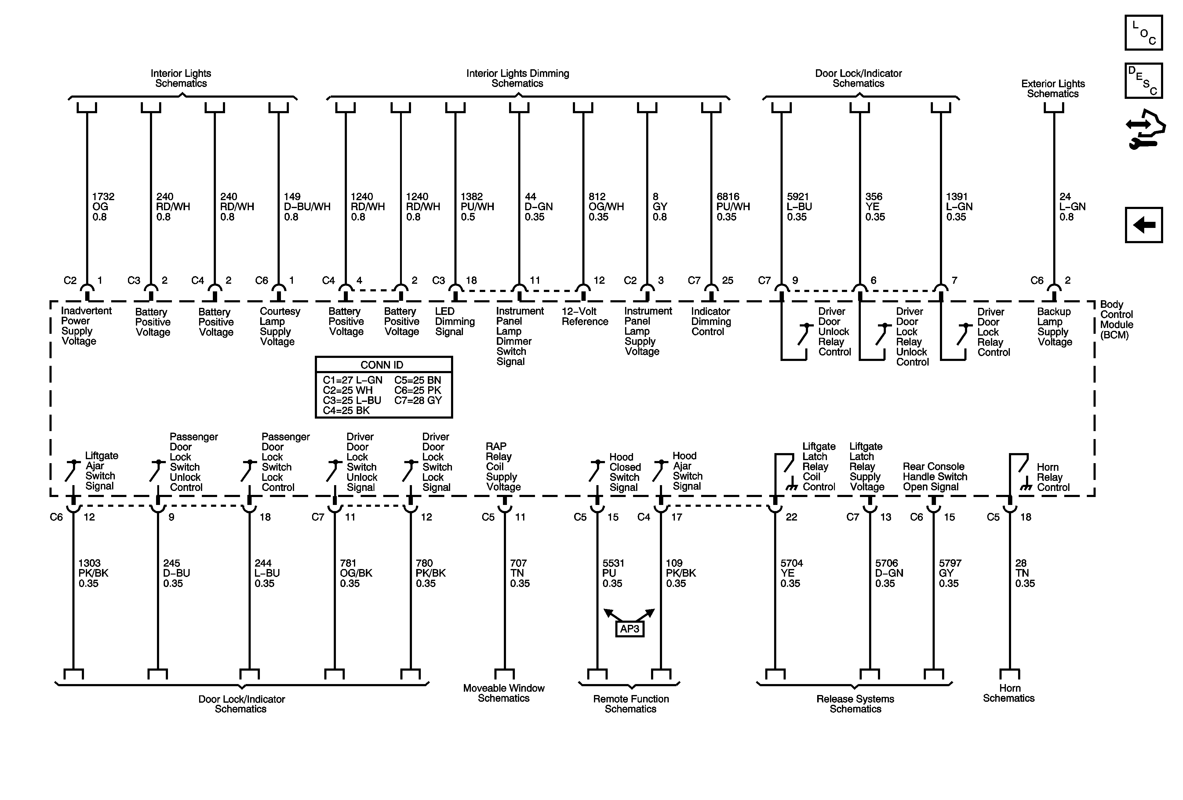
Figure 4:

Interior Lights, Door Locks, Exterior Lights, Release Systems, Movable Windows, Remote Functions and Horns


Object Number: 1804997  Size: FS
Master Electrical Component List
Body Control System Description and Operation
Control Module References
Shift Lock, Headlights, Cruise, Wipers, I/P, and Audible Warnings
Interior Lights Schematics
Interior Lights Dimming Schematics
Door Lock Motors and Relays
Backup Lamps
Release Systems Schematics
Moveable Window Schematics
Remote Functions Schematics
Release Systems Schematics
Horn Schematics