GM Service Manual Online
For 1990-2009 cars only
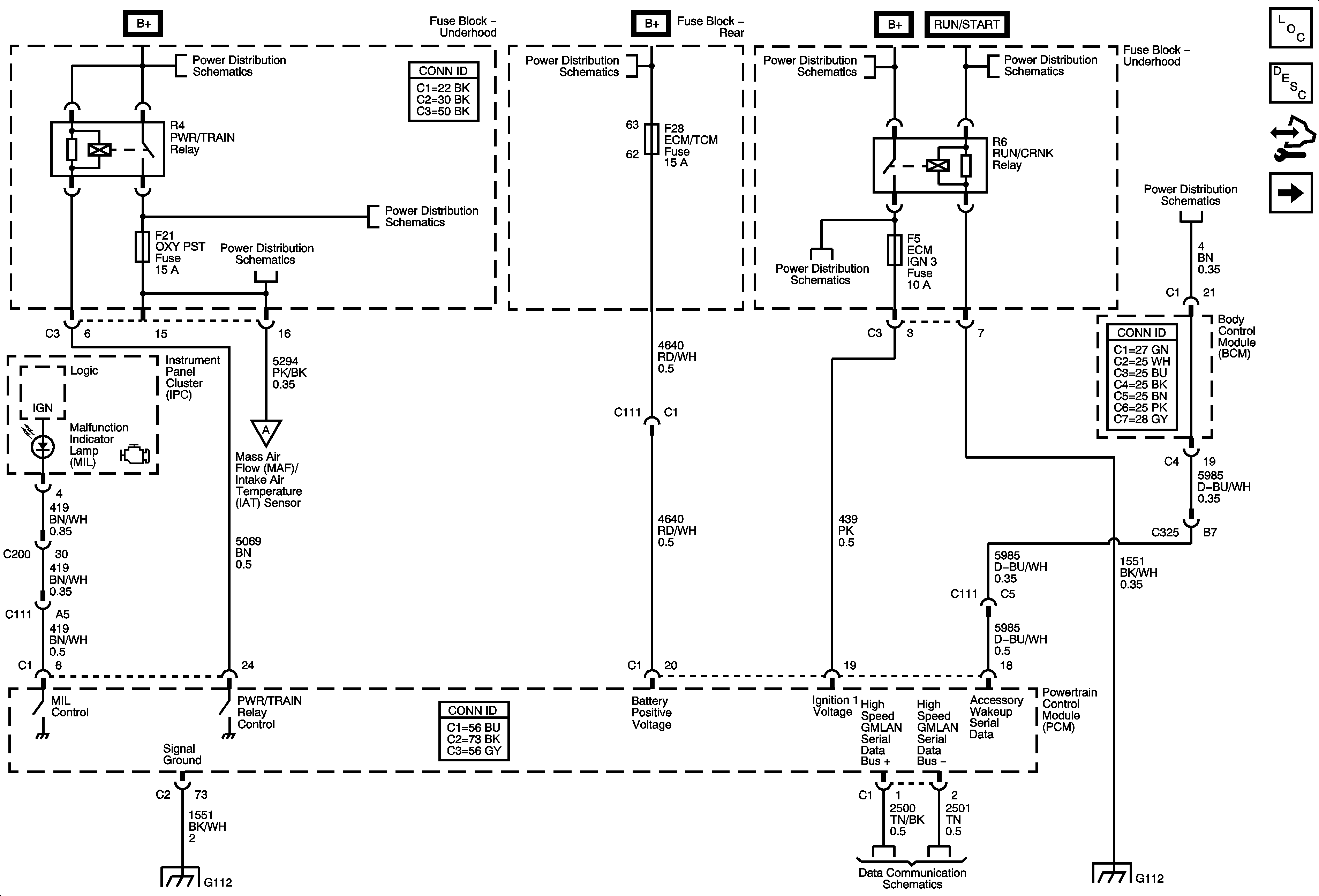
Figure 1:

Power, Ground, MIL and DLC


Object Number: 1791679  Size: FS
Master Electrical Component List
Powertrain Control Module Description
Control Module References
Engine Data Sensors - 5V Reference Bussing
Underhood Fuse Block B+
AIR PUMP, AIR/SOL, A/C, COOL/FAN 2, COOL/FAN, COOL/FAN 1 Relays, INJ/COIL, OXY PST Fuses
Underhood Fuse Block B+
Rear Fuse Block B+
Underhood Fuse Block B+
Underhood Fuse Block B+
RUN/CRANK Relay, TRANS IGN 3, AIRBAG IGN 3, HVAC/IPC, ECM IGN 3 Fuses
IGN SWTCH, STR/WHL/ILLUM Fuses
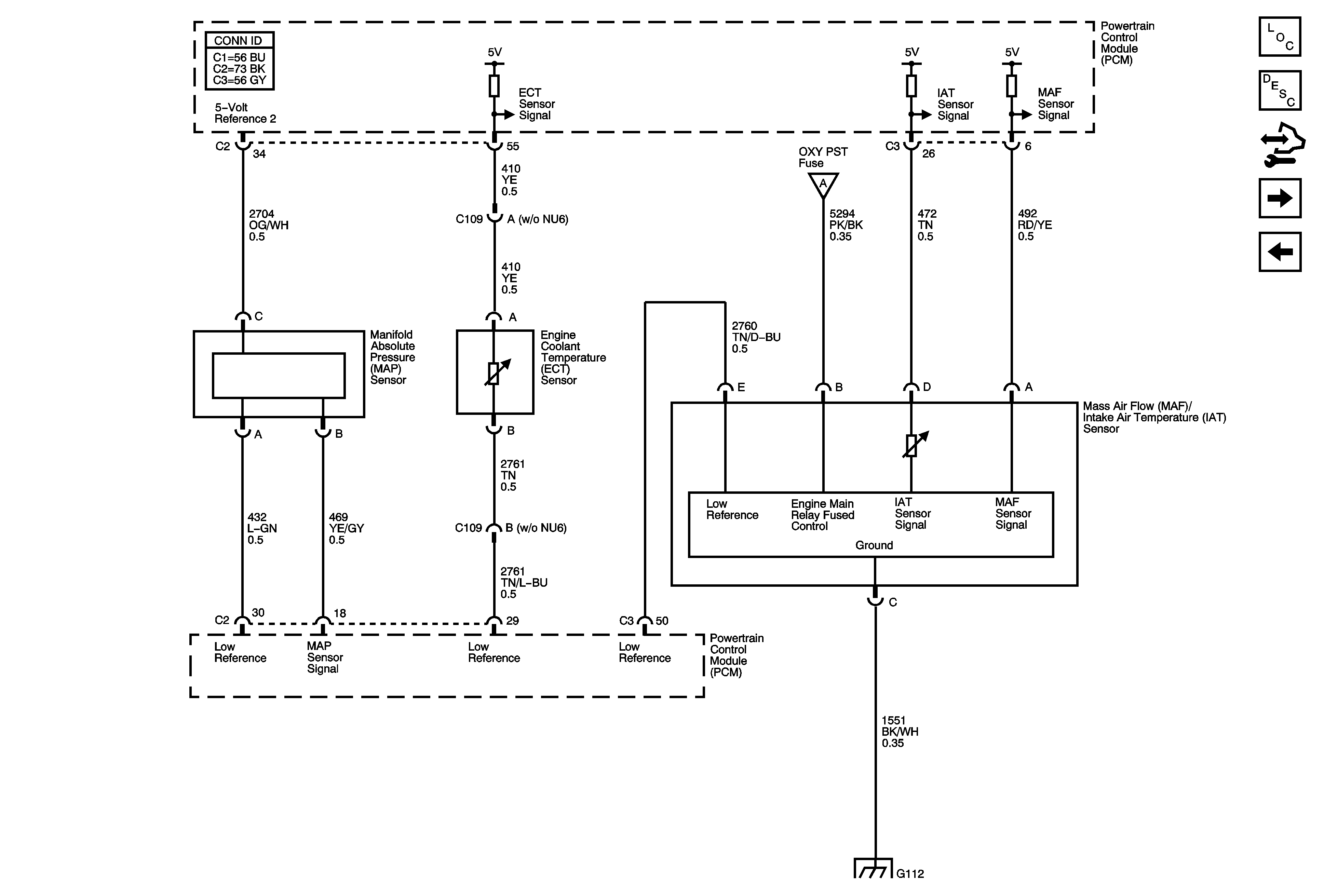
Engine Data Sensors - Pressure, Temp, and MAF/IAT
PWR/TRAIN, AIR PUMP, AIR/SOL Relays, ECM/CRNK, INJ/COIL, PWR TRN, AIR PUMP, AIR/SOL Fuses
G112 (L26)
High Speed Serial Data
G112 (L26)
Figure 2:

Engine Data Sensors, 5-Volt Reference Bussing


Object Number: 1791729  Size: FS
Master Electrical Component List
Powertrain Control Module Description
Control Module References
Engine Data Sensors - Pressure, Temp, and MAF/IAT
Power, Ground, and DLC
Figure 3:

Engine Data Sensors - Pressure, Temp and MAF/IAT


Object Number: 1791793  Size: FS
Master Electrical Component List
Powertrain Control Module Description
Control Module References
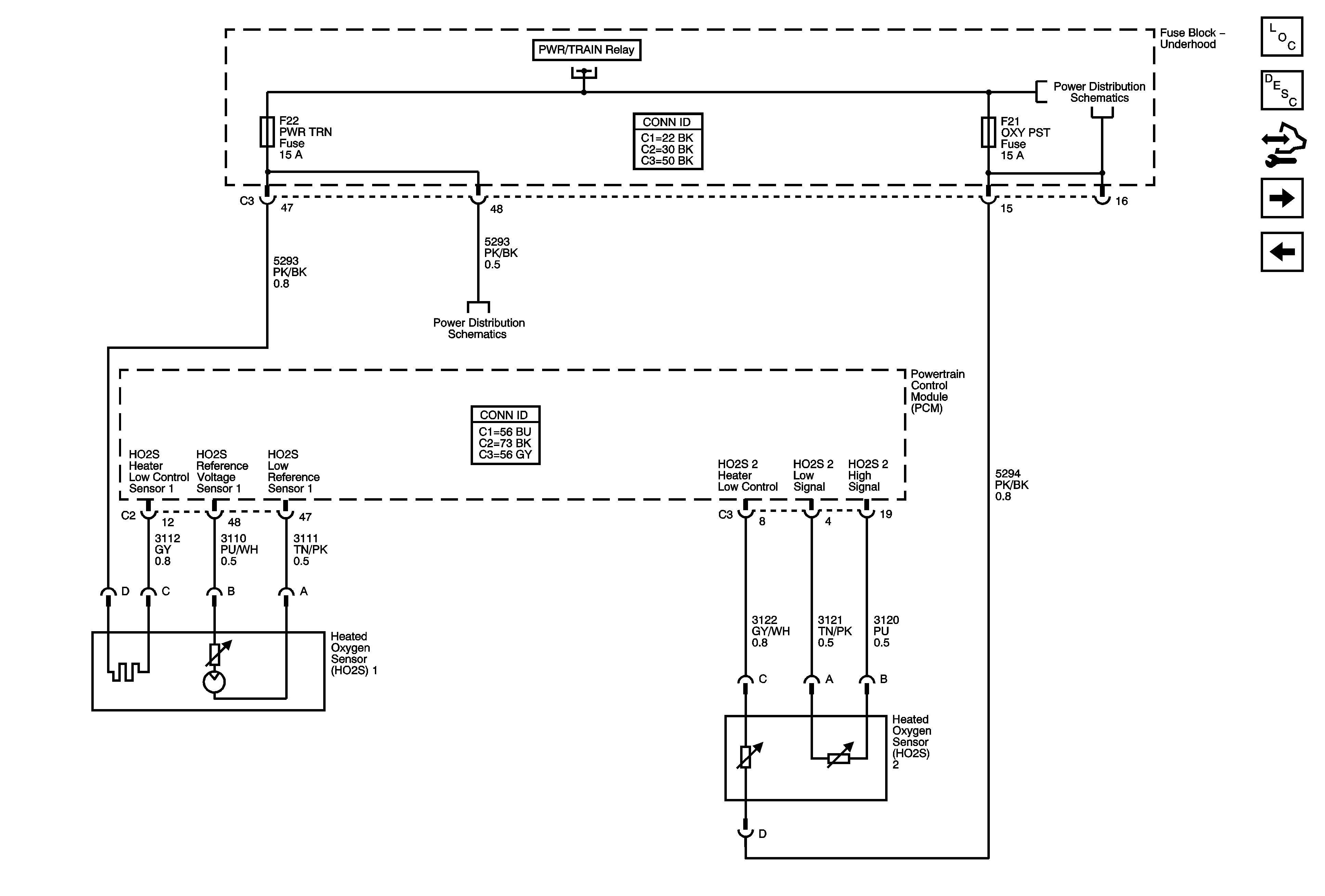
Engine Data Sensors, HO2s
Engine Data Sensors - 5V Reference Bussing
Power, Ground, and DLC
G112 (L26)
Figure 4:

Engine Data Sensors, HO2S


Object Number: 1791822  Size: FS
Master Electrical Component List
Powertrain Control Module Description
Control Module References
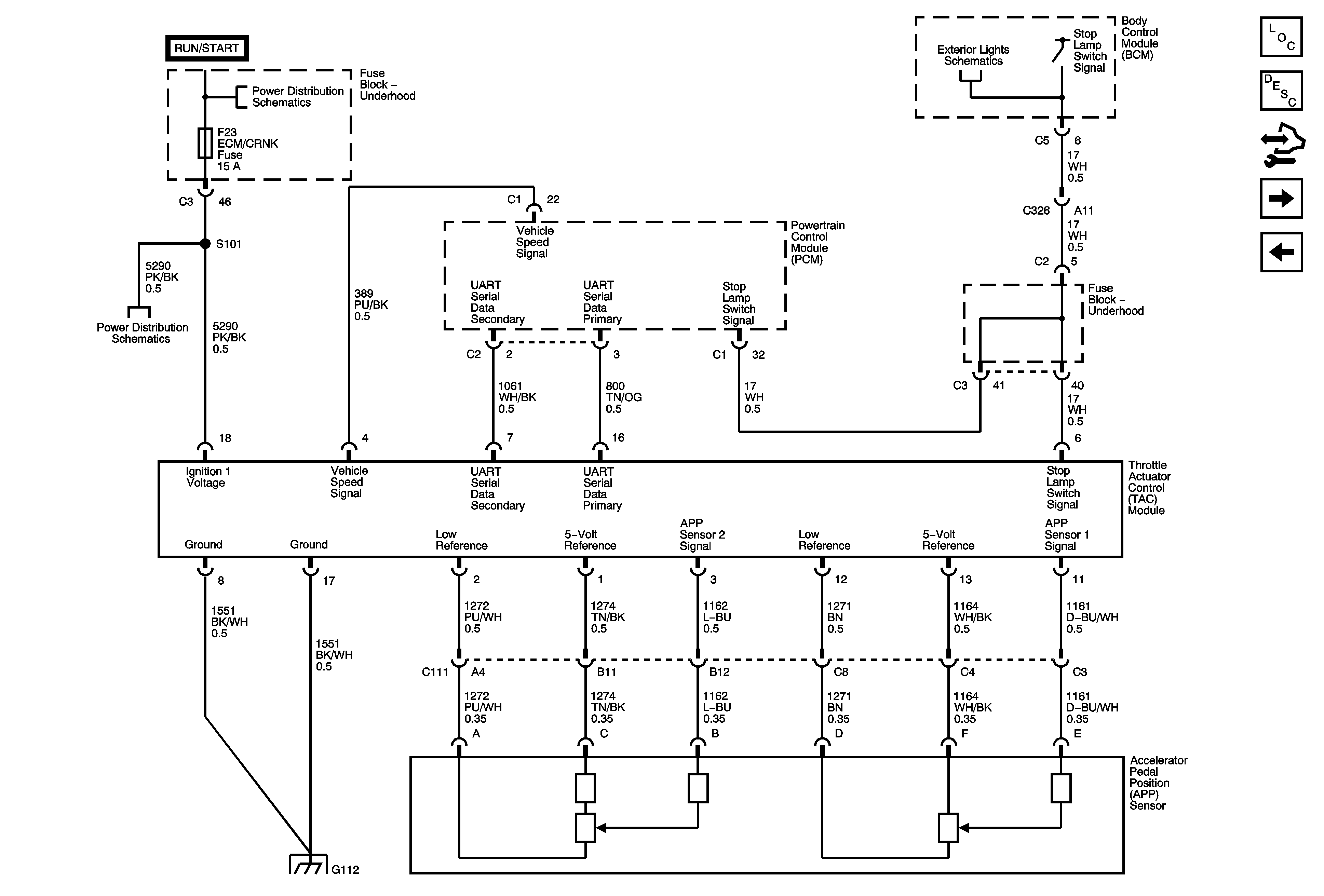
Engine Data Sensors - APP and TAC
Engine Data Sensors - Pressure, Temp, and MAF/IAT
PWR/TRAIN, AIR PUMP, AIR/SOL Relays, ECM/CRNK, INJ/COIL, PWR TRN, AIR PUMP, AIR/SOL Fuses
Underhood Fuse Block B+
AIR PUMP, AIR/SOL, A/C, COOL/FAN 2, COOL/FAN, COOL/FAN 1 Relays, INJ/COIL, OXY PST Fuses
Figure 5:

Engine Data Sensors, APP and TAC


Object Number: 1791825  Size: FS
Master Electrical Component List
Throttle Actuator Control (TAC) System Description
Control Module References
Ignition Controls - CKP, CMP, Knock Sensors
Engine Data Sensors, HO2s
PWR/TRAIN, AIR PUMP, AIR/SOL Relays, ECM/CRNK, INJ/COIL, PWR TRN, AIR PUMP, AIR/SOL Fuses
Underhood Fuse Block B+
Rear Stop/Turn Signal Lamps
G112 (L26)
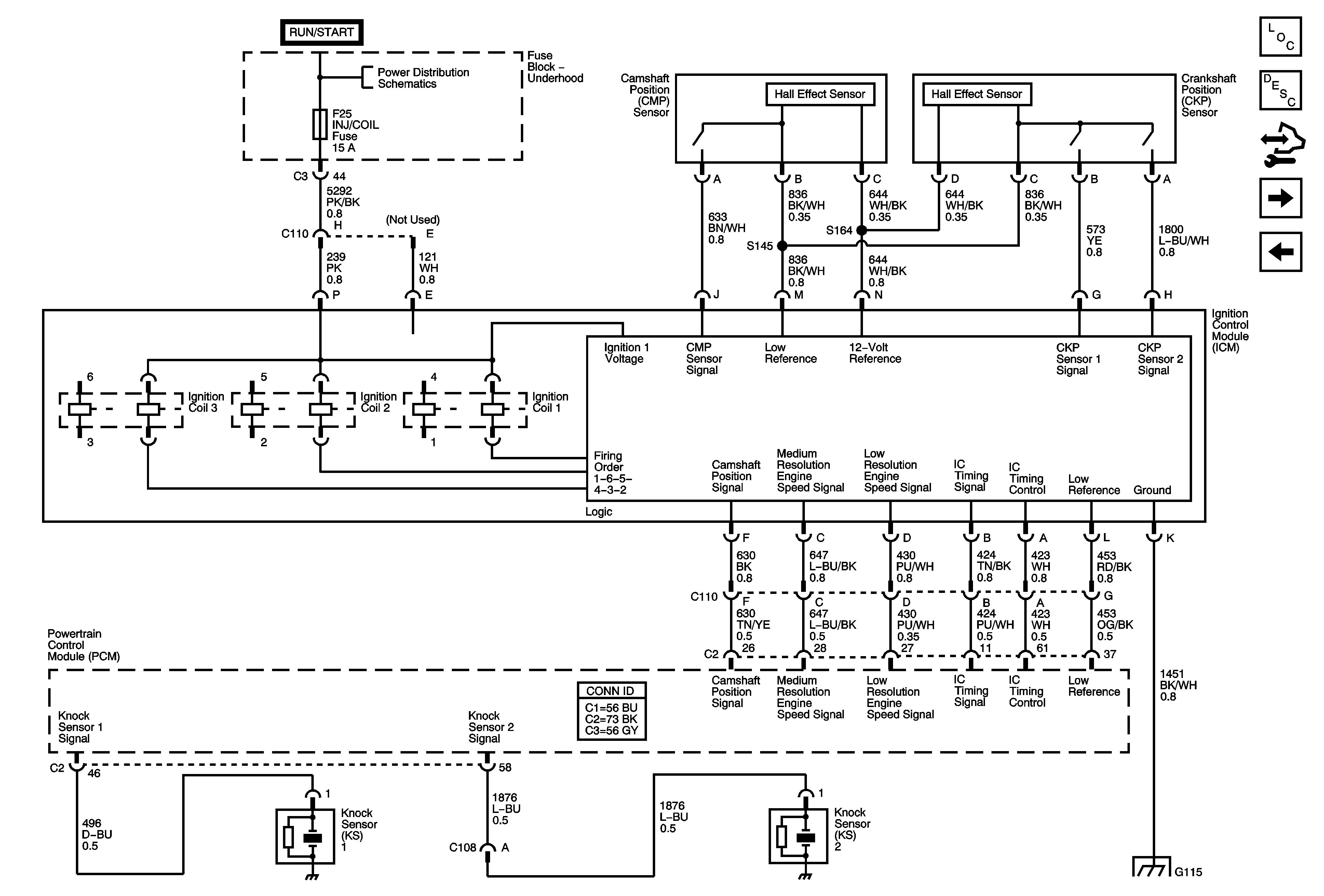
Figure 6:

Ignition Controls, CKP, CMP, Knock Sensors


Object Number: 1791827  Size: FS
Master Electrical Component List
Electronic Ignition (EI) System Description
Control Module References
Fuel Controls
Engine Data Sensors - APP and TAC
Underhood Fuse Block B+
G101, G110, G111, G114, G115, G302, G303, G306, G307
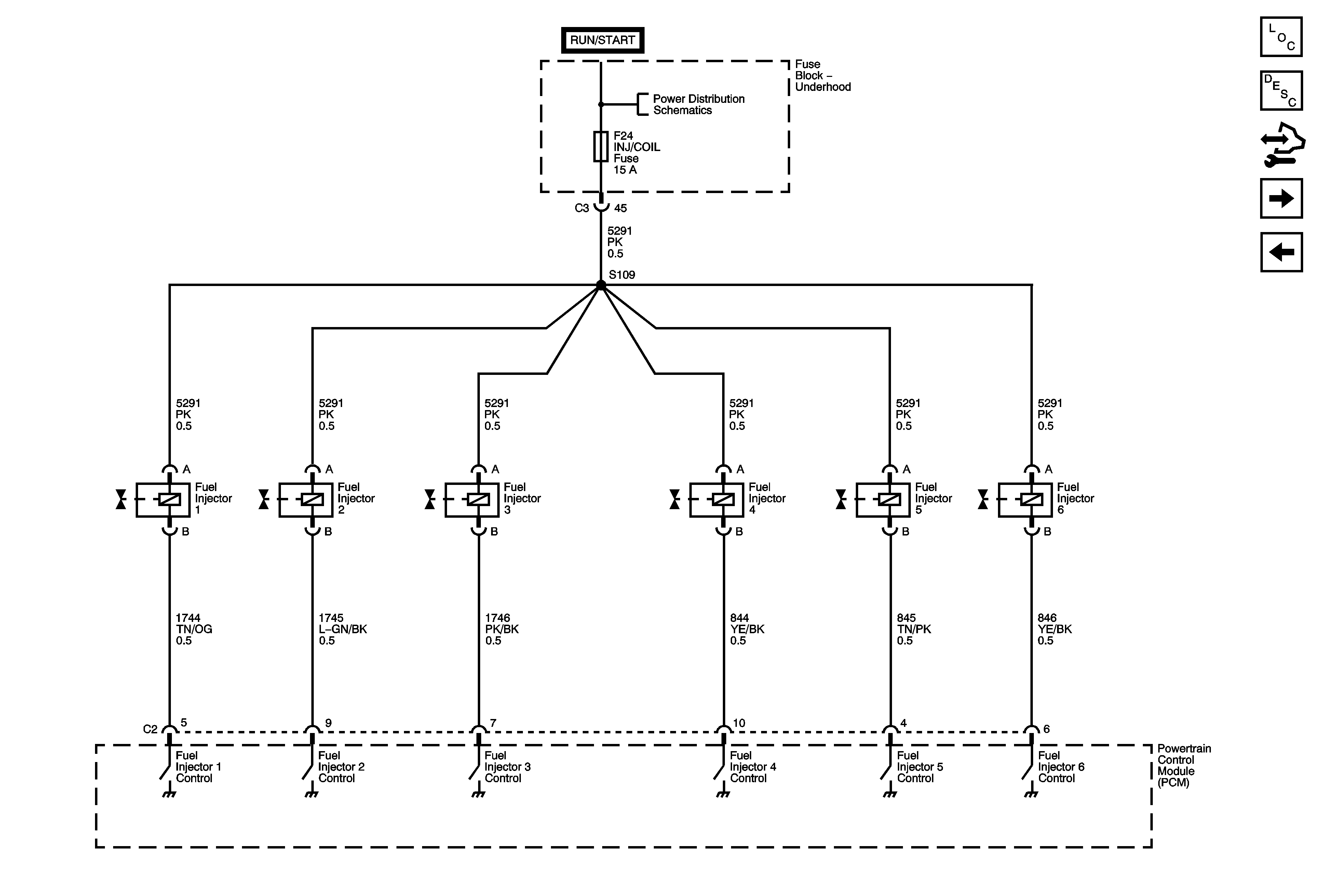
Figure 7:

Fuel Controls


Object Number: 1791830  Size: FS
Master Electrical Component List
Fuel System Description
Control Module References
EVAP Controls, Fuel Pump, FTP Sensor
Ignition Controls - CKP, CMP, Knock Sensors
Underhood Fuse Block B+
Figure 8:

EVAP Controls, Fuel Pump, FTP Sensor


Object Number: 1791832  Size: FS
Master Electrical Component List
Evaporative Emission Control System Description
Control Module References
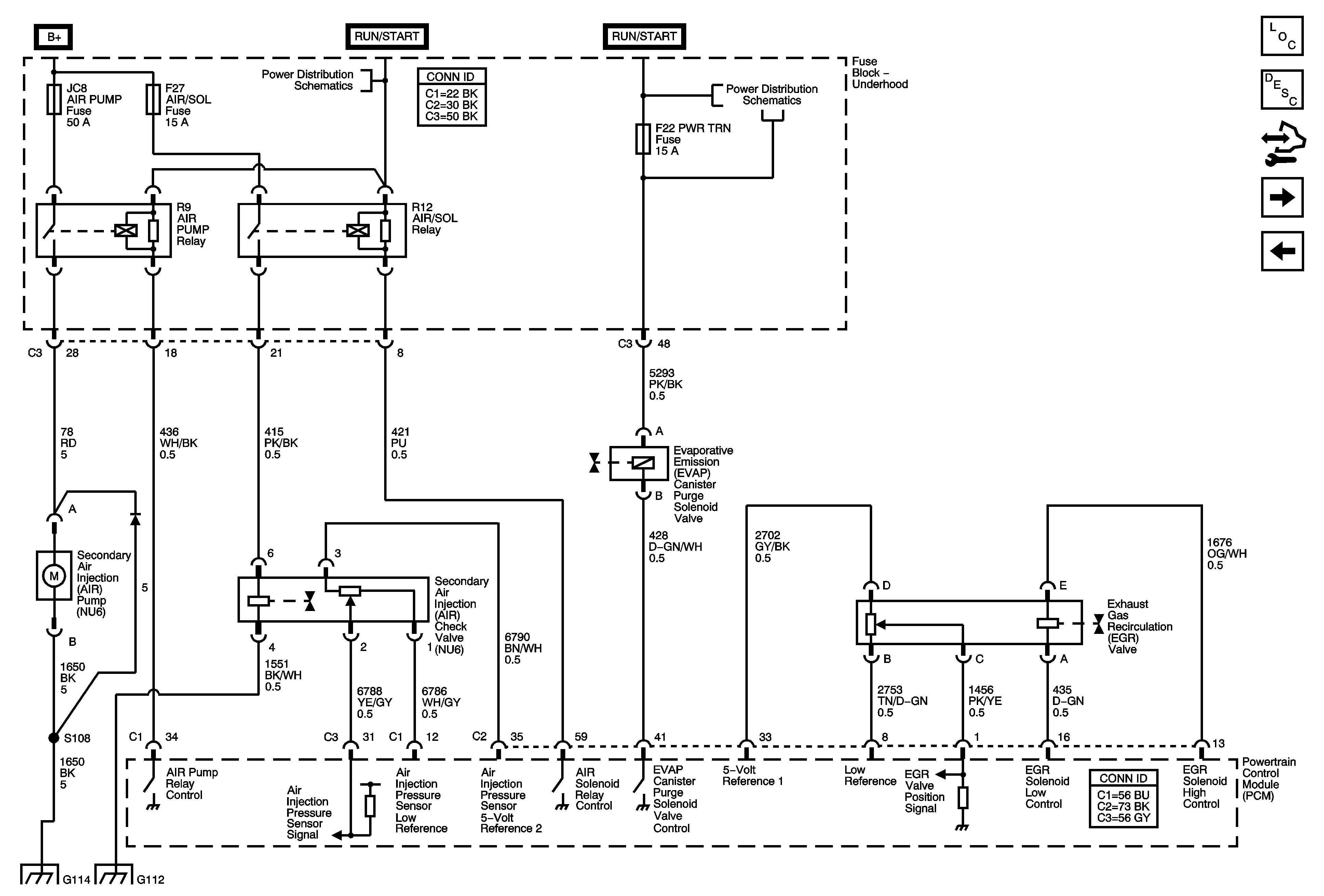
EGR, Secondary Air Injection (AIR)
Fuel Controls
Rear Fuse Block B+
Engine Data Sensors - 5V Reference Bussing
G301
G403
Engine Data Sensors - 5V Reference Bussing
Figure 9:

EGR, Secondary Air Injection (AIR)


Object Number: 1791834  Size: FS
Master Electrical Component List
Secondary Air Injection System Description
Control Module References
Controlled and Monitored Subsystem References
EVAP Controls, Fuel Pump, FTP Sensor
Underhood Fuse Block B+
Underhood Fuse Block B+
G101, G110, G111, G114, G115, G302, G303, G306, G307
G112 (L26)
Figure 10:

Controlled/Monitored Subsystem References


Object Number: 1791836  Size: FS
Master Electrical Component List
Powertrain Control Module Description
Control Module References
Automatic Transmission Controls References
EGR, Secondary Air Injection (AIR)
Compressor Controls
Engine Cooling Schematics
Shift Lock Control Schematics
Starting 1 of 2
Charging
Oil, Fuel Level
Oil, Fuel Level
Figure 11:

Automatic Transmission Controls References


Object Number: 1791839  Size: FS
Master Electrical Component List
Powertrain Control Module Description
Control Module References
Controlled and Monitored Subsystem References
Stop Lamp Signal, TFT Sensor and TCC, Shift Solenoids
Transmission Internal Mode Switch (IMS)
VSS and AT ISS Sensors, Pressure Control Solenoid Valve, and TCC Release Switch