GM Service Manual Online
For 1990-2009 cars only
Figure 1:

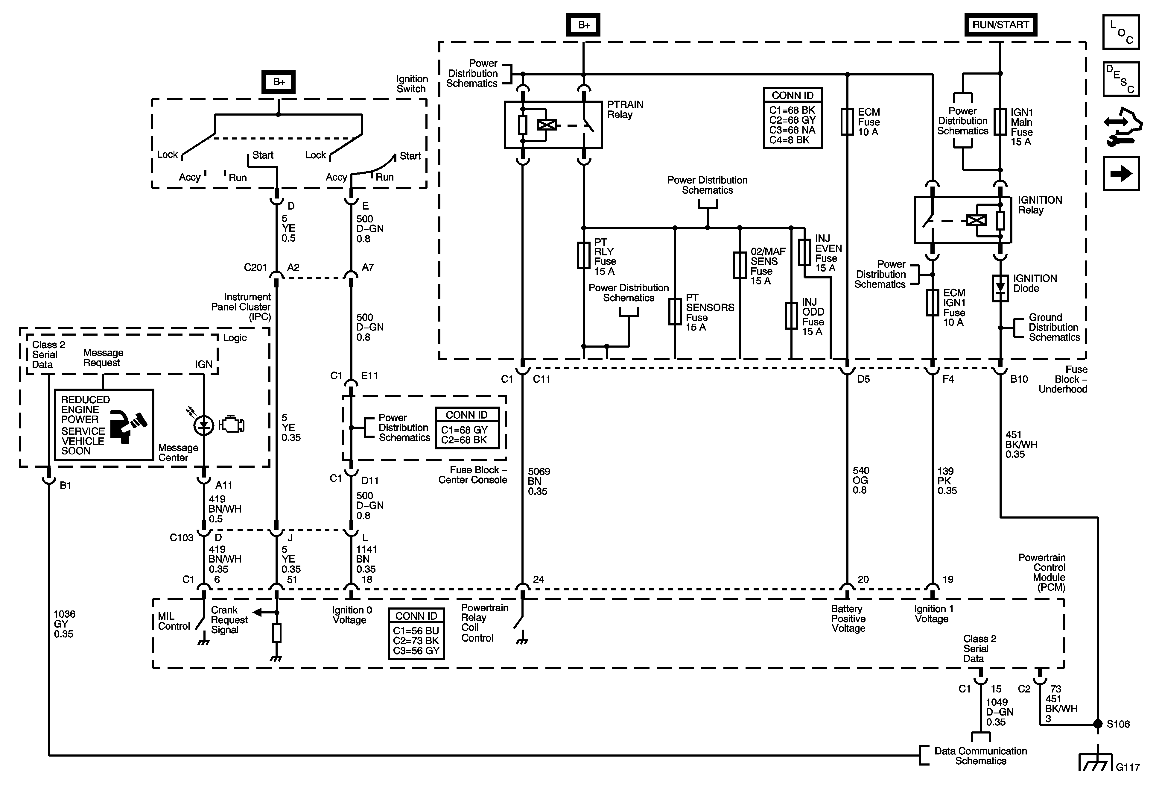
Module Power, Ground, Serial Data, and MIL


Object Number: 1740865  Size: FS
Master Electrical Component List
Powertrain Control Module Description
Control Module References
Engine Data Sensors-5-Volt and Low Reference
Ignition Switch-ACCY/RUN/START and RUN and START Bus Bars, HVAC BLWR, IPC/BCM/PK3, PK3, and PRK LCK IGN Fuses
B+ Bus 2 of 2
PTRAIN Relay-2 of 2, BTSI, PT RLY, and PT SENSORS Fuses
PTRAIN Relay-2 of 2, BTSI, PT RLY, and PT SENSORS Fuses
IGNITION Relay, ABS, AWD, ECM IGN1, and TRANS Fuses
CRUISE, IGN1 MAIN, and TRN SIG Fuses
G117
Data Communication Schematics
G117
Figure 2:

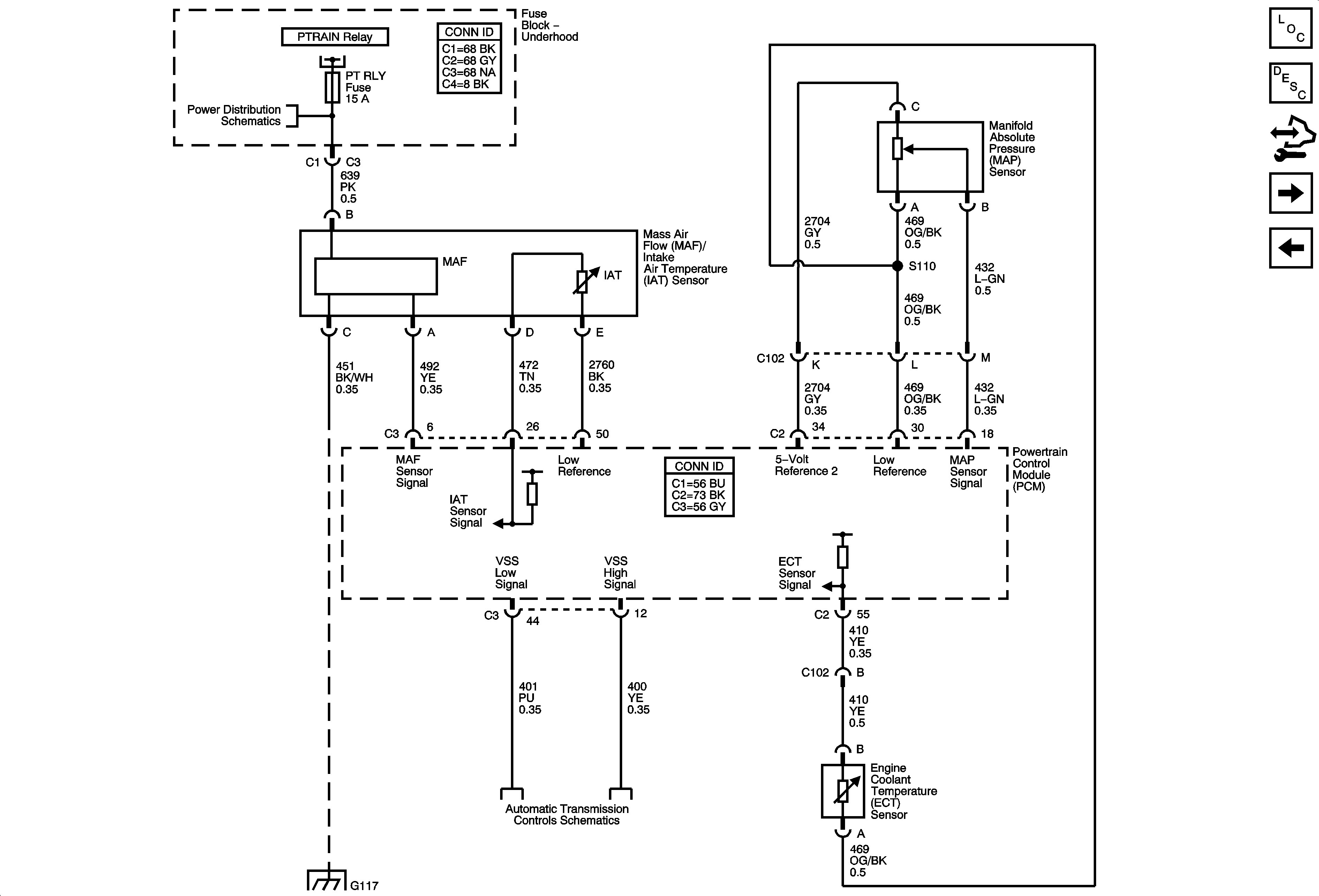
Engine Data Sensors - 5-Volt and Low Reference


Object Number: 1740866  Size: FS
Master Electrical Component List
Powertrain Control Module Description
Control Module References
Engine Data Sensors-Pressure, Temperature, and VSS
Module Power, Ground, Serial Data, and MIL
Figure 3:

Engine Data Sensors - Pressure, Temperature, and VSS


Object Number: 1740867  Size: FS
Master Electrical Component List
Powertrain Control Module Description
Control Module References
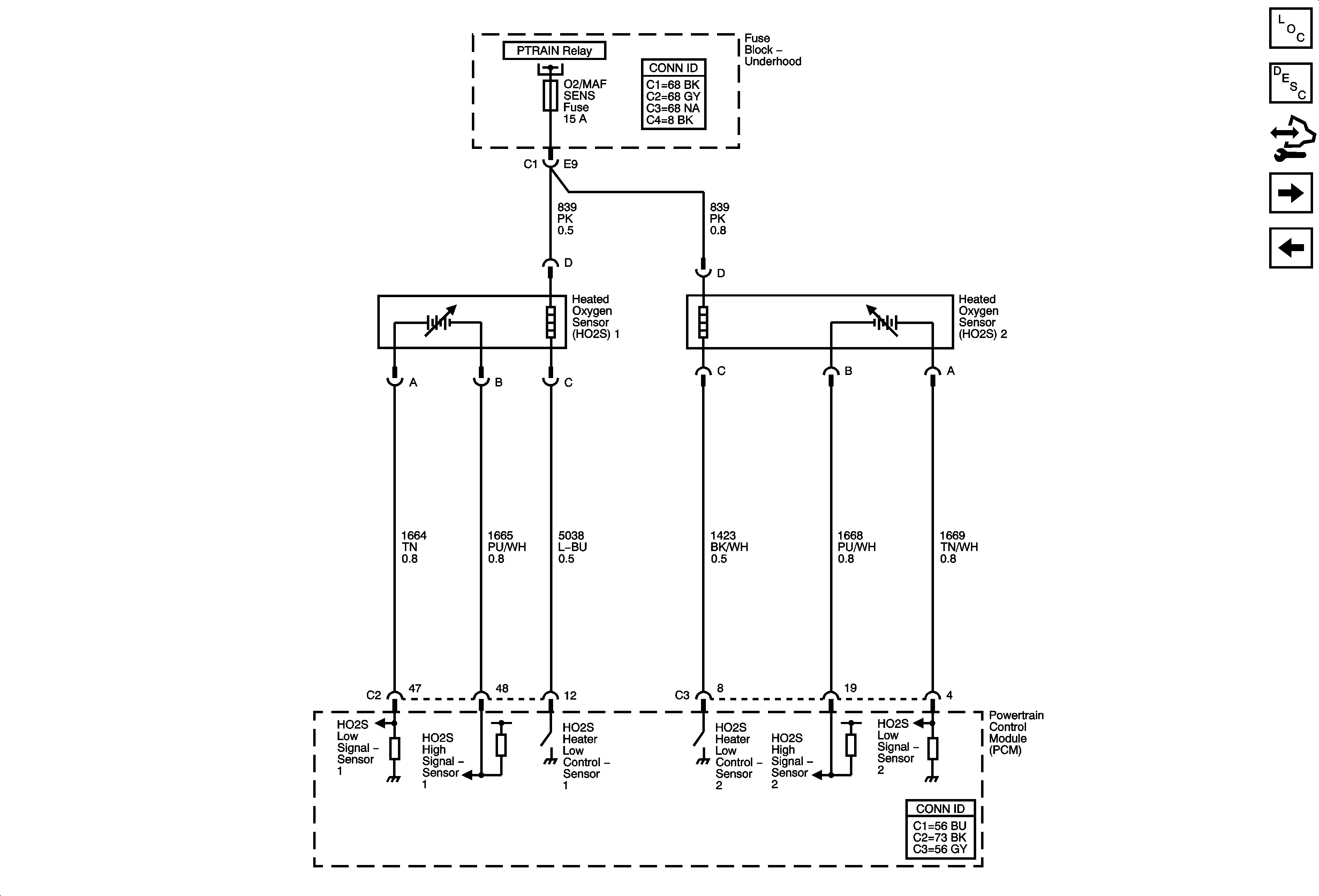
Engine Data Sensors-Oxygen Sensors
Engine Data Sensors-5-Volt and Low Reference
Module Power, Ground, Serial Data, and MIL
PTRAIN Relay-2 of 2, BTSI, PT RLY, and PT SENSORS Fuses
ISS, Pressure Control, and VSS
G117
Figure 4:

Engine Data Sensors - Oxygen Sensors


Object Number: 1740868  Size: FS
Master Electrical Component List
Powertrain Control Module Description
Control Module References
Engine Data Sensors-Throttle Actuator Controls
Engine Data Sensors-Pressure, Temperature, and VSS
Module Power, Ground, Serial Data, and MIL
Figure 5:

Engine Data Sensors - Throttle Actuator Controls


Object Number: 1740869  Size: FS
Master Electrical Component List
Powertrain Control Module Description
Control Module References
Ignition Controls-Ignition System
Engine Data Sensors-Oxygen Sensors
Module Power, Ground, Serial Data, and MIL
PTRAIN Relay-2 of 2, BTSI, PT RLY, and PT SENSORS Fuses
Hazard, Stop, and Turn Signal Lamp Control
Gages
G117
Figure 6:

Ignition Controls - Ignition System


Object Number: 1740870  Size: FS
Master Electrical Component List
Powertrain Control Module Description
Control Module References
Fuel Controls-Fuel Pump Controls
Engine Data Sensors-Throttle Actuator Controls
Module Power, Ground, Serial Data, and MIL
DLC, Indicators, and Traction Control Switch
G100, and G111
Figure 7:

Fuel Controls - Fuel Pump Controls


Object Number: 1740872  Size: FS
Master Electrical Component List
Powertrain Control Module Description
Control Module References
Fuel Controls-Fuel Injectors
Ignition Controls-Ignition System
B+ Bus 1 of 2
G117
Gages
G117
G303-1 of 2
Figure 8:

Fuel Controls - Fuel Injectors


Object Number: 1740875  Size: FS
Master Electrical Component List
Fuel System Description
Control Module References
EGR and Fuel Controls-EVAP Controls
Fuel Controls-Fuel Pump Controls
Module Power, Ground, Serial Data, and MIL
Figure 9:

EGR and Fuel Controls - EVAP Controls


Object Number: 1740879  Size: FS
Master Electrical Component List
Evaporative Emission Control System Description
Control Module References
Controlled/Monitored Subsystem References
Fuel Controls-Fuel Injectors
Module Power, Ground, Serial Data, and MIL
B+ Bus 1 of 2
Gages
Figure 10:

Controlled/Monitored Subsystem References


Object Number: 1740881  Size: FS
Master Electrical Component List
Powertrain Control Module Description
Control Module References
Transmission Controlled References
EGR and Fuel Controls-EVAP Controls
DLC, Indicators, and Traction Control Switch
Cruise Control Schematics
Compressor Controls
Compressor Controls
Cranking
Charging
Engine Oil Pressure
Fans
Figure 11:

Transmission Controlled References


Object Number: 1740884  Size: FS
Master Electrical Component List
Powertrain Control Module Description
Control Module References
Controlled/Monitored Subsystem References
Shift Solenoids, TCC and TFT
Internal Mode Switch
ISS, Pressure Control, and VSS