GM Service Manual Online
For 1990-2009 cars only
Makes
🢒
Cadillac
🢒
2001
🢒
Catera
🢒
Suspension
🢒
Automatic Level Control
🢒 Body Control System Schematics
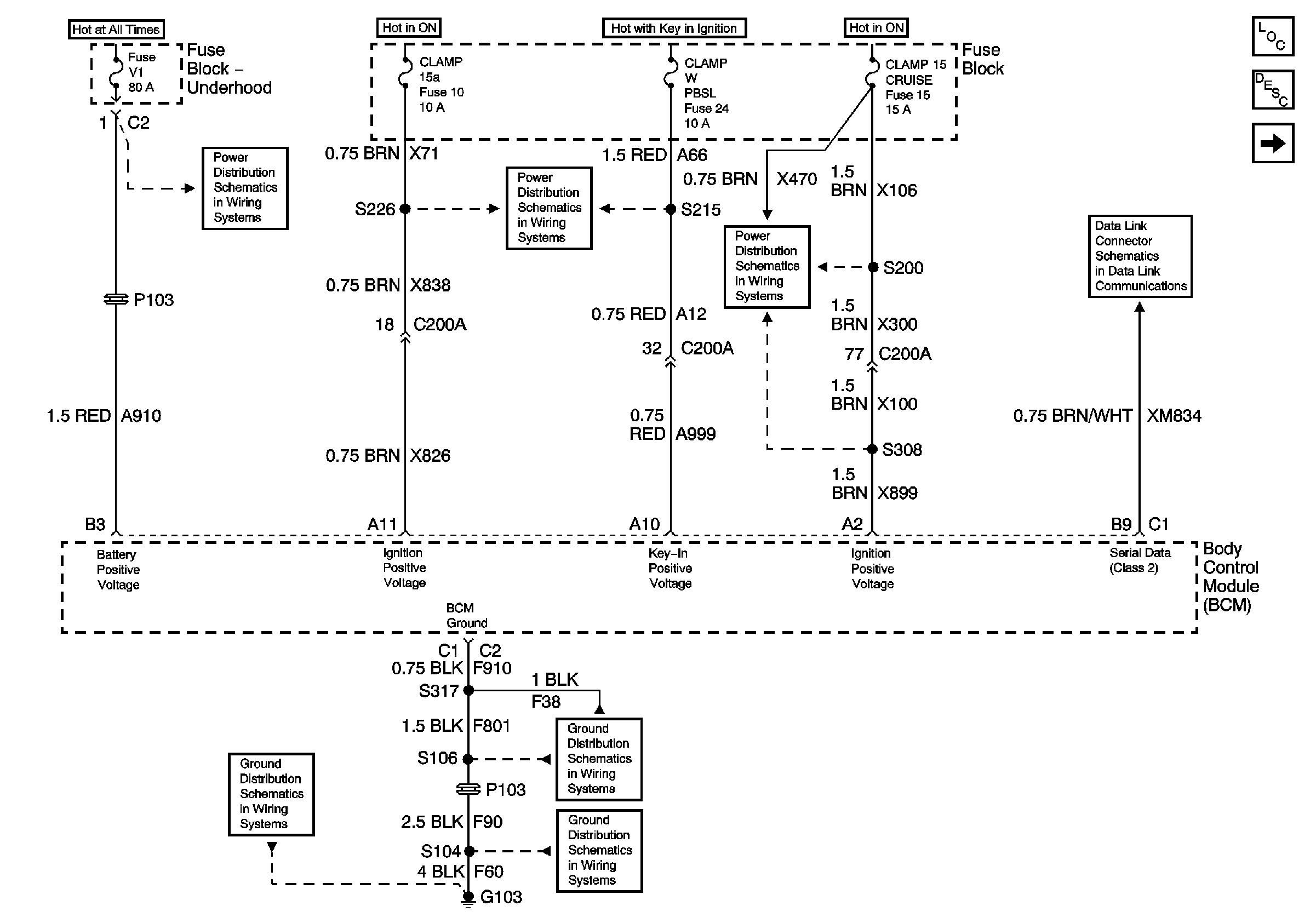
Figure
1:
Power, Ground, and DLC
Master Electrical Component List
Body Control System Operation
System References 1 of 2
Battery Cable Bus
Underhood Fuse Block Fuses V1 and V4, and Ignition Switch
Underhood Fuse Block Fuses V1 and V4, and Ignition Switch
Underhood Fuse Block Fuses V1 and V4, and Ignition Switch
Underhood Fuse Block Fuses V1 and V4, and Ignition Switch
Fuse Block Fuses 10 and 24
Fuse Block Fuse 15
DLC Pins 2, 4, 5, 16
G103 (1 of 8)
G103 (5 of 8)
G103 (3 of 8)
Figure
2:
References
Master Electrical Component List
Body Control System Operation
System References 2 of 2
Power, Ground, and DLC
Inadvertant Power
Rear Compartment Lid Release
Fuel Door Release
Automatic Transmission Shift Lock Control Switch
Security Indicator, Door Signals, Lighting and Horn Controls
Windshield Wipers and Washer Pump
Horns
Central Locking Relay K135
Switches
Power, Ground, BCM, DLC, and SIR Lamp
Figure
3:
References Lighting
Master Electrical Component List
Body Control System Operation
System References 1 of 2
Interior Lamps Relay and Door Jamb Switches
Park Lamp Relay and Headlamp Switch
DRL and Headlamp Relays High Beam
Low Beam Relay K131 and Turn Signal Switch
Headlamp Switch, BCM, Heater and A/C Control and Instrument Cluster
Indicators