GM Service Manual Online
For 1990-2009 cars only
Figure 1:

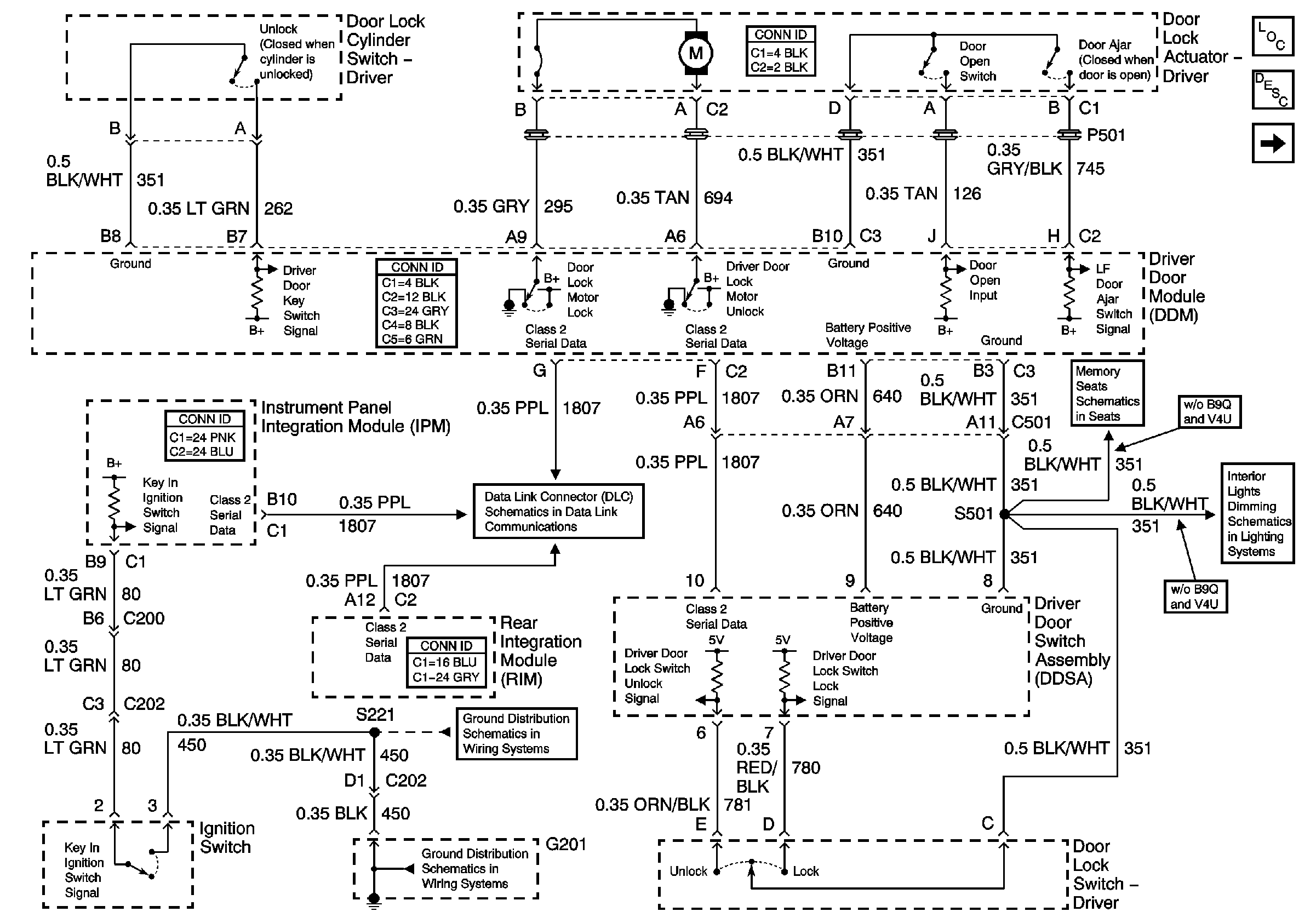
Driver Door Power Door Lock


Object Number: 663312  Size: FS
Master Electrical Component List
Power Door Locks Description and Operation
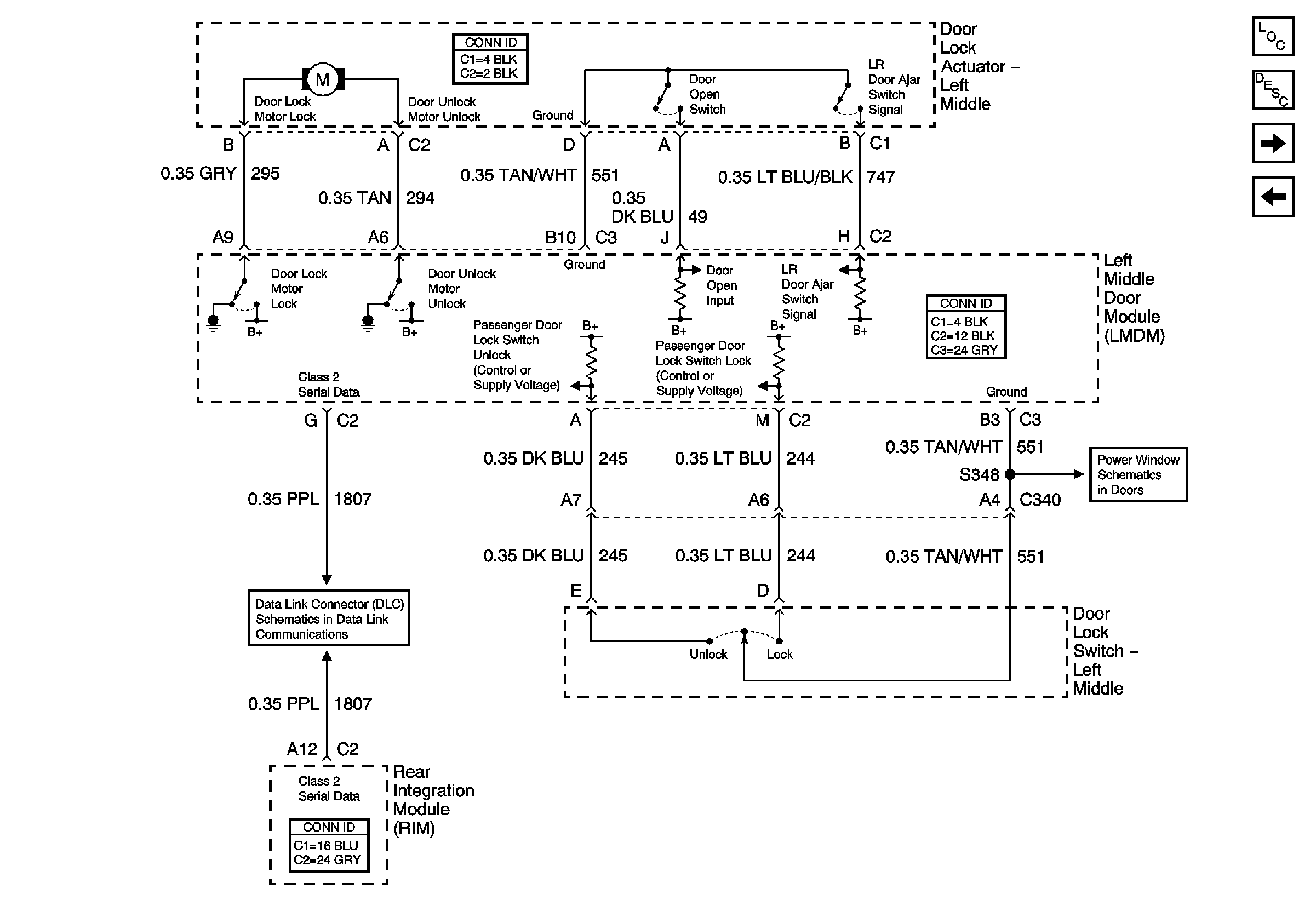
Left Middle Door Power Door Lock (w/V4U)
Memory Function Switch
Front Door Dimming
G201
G201
Class 2 Serial Data (1 of 3)
Figure 2:

Left Middle Door Power Door Lock (w/V4U)


Object Number: 663314  Size: FS
Master Electrical Component List
Power Door Locks Description and Operation
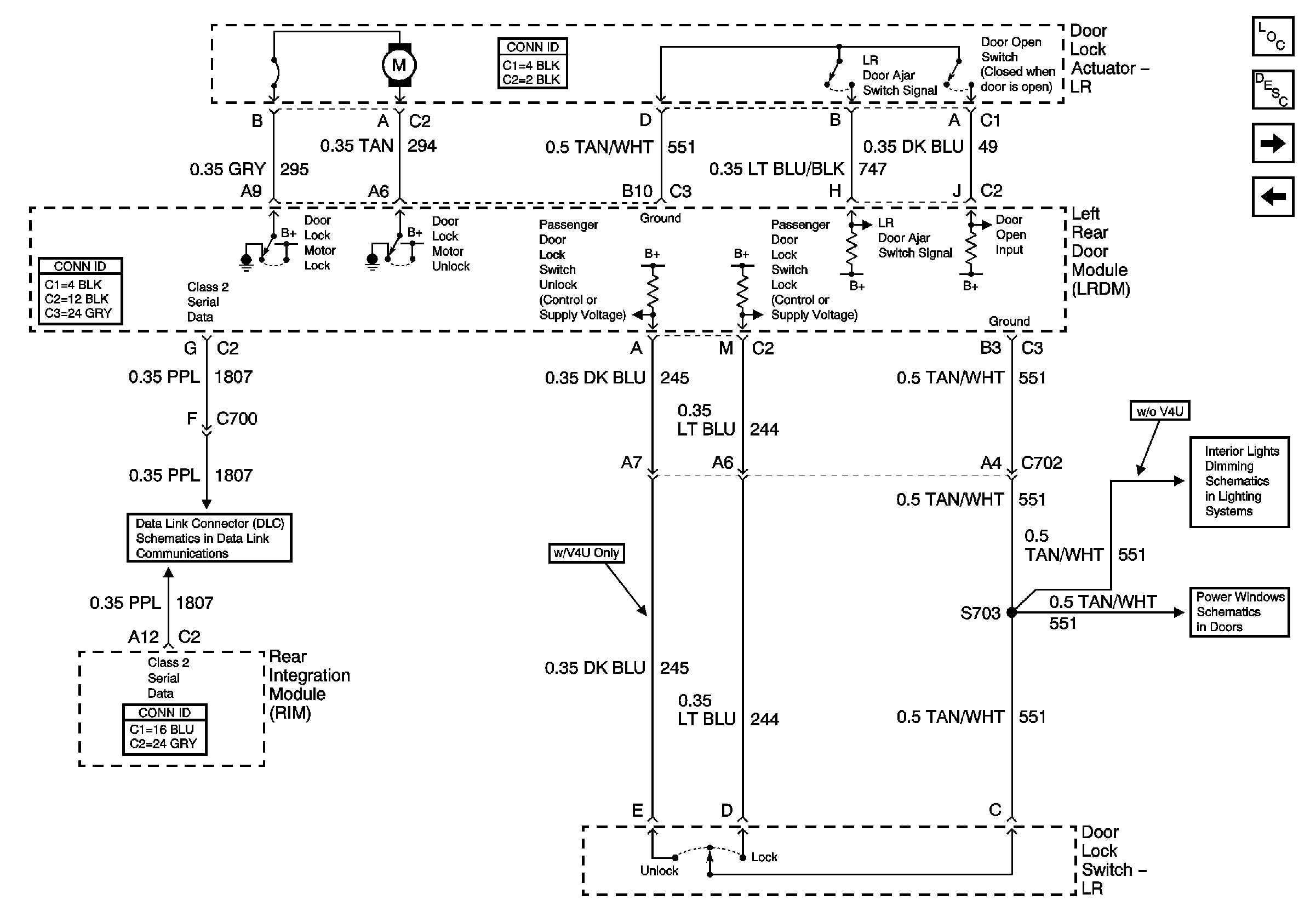
Left Rear Door Power Door Lock
Driver Door Power Door Lock
Left Middle Door Power Window
Class 2 Serial Data (1 of 3)
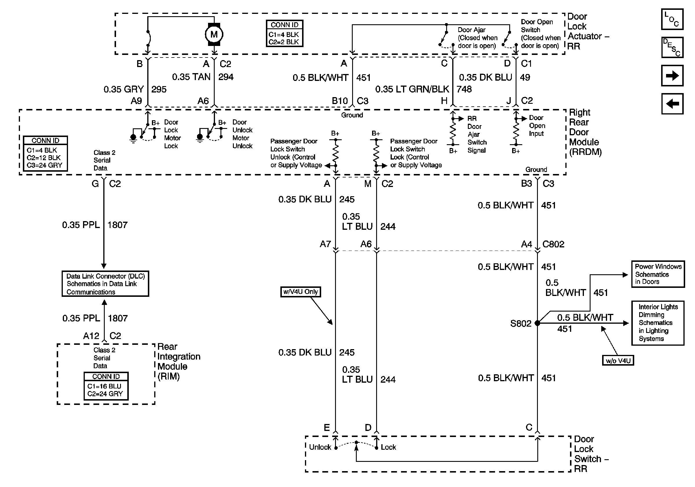
Figure 3:

Left Rear Door Power Door Lock


Object Number: 663315  Size: FS
Master Electrical Component List
Power Door Locks Description and Operation
Right Front Door Power Door Lock
Left Middle Door Power Door Lock (w/V4U)
Rear Door Dimming
Class 2 Serial Data (1 of 3)
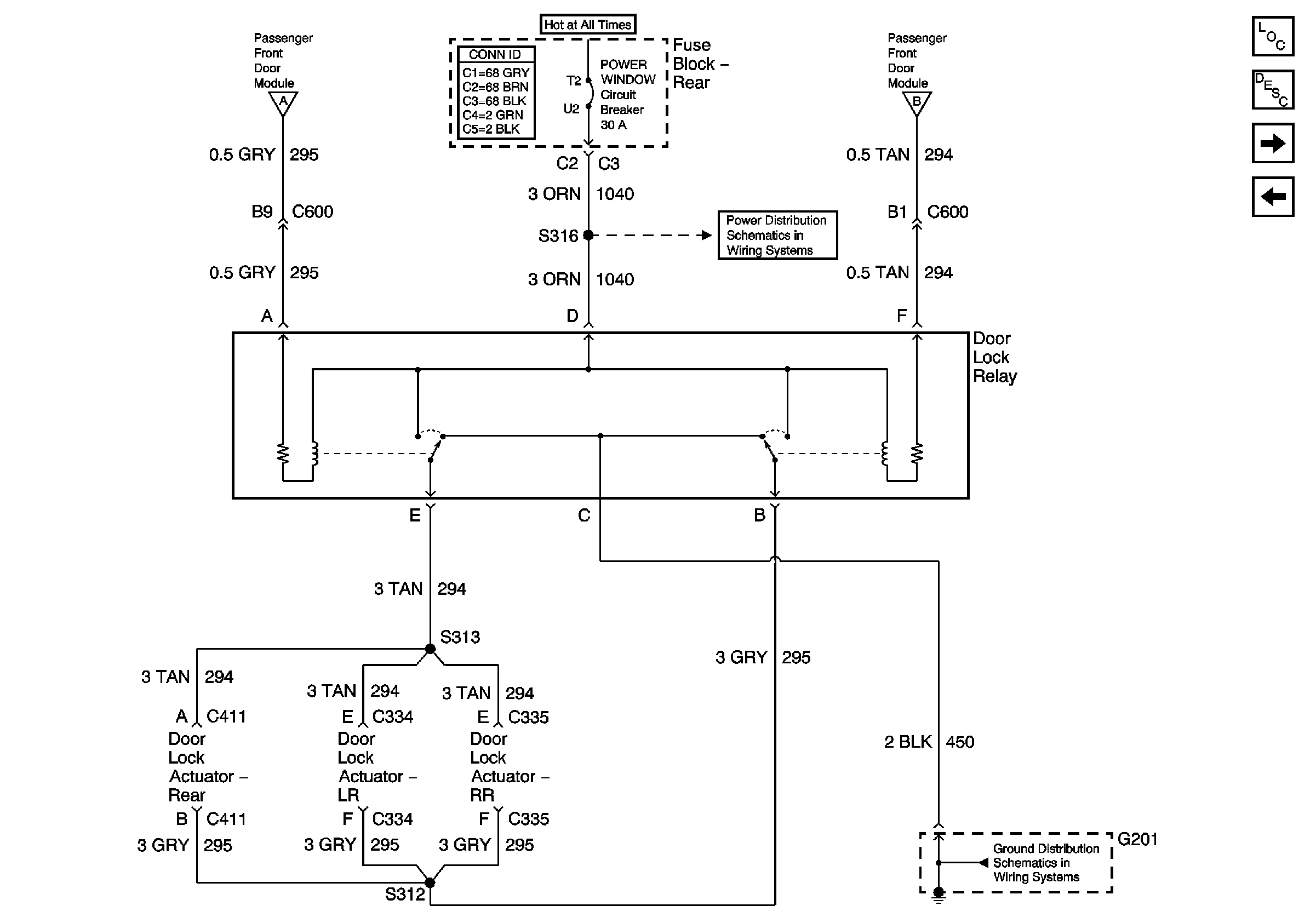
Figure 4:

Right Front Door Power Door Lock


Object Number: 663316  Size: FS
Master Electrical Component List
Power Door Locks Description and Operation
Right Front Door Power Door Lock (w/B9Q)
Left Rear Door Power Door Lock
Front Door Dimming
Right Power Window
Class 2 Serial Data (1 of 3)
Figure 5:

Right Front Door Power Door Lock (w/B9Q)


Object Number: 663317  Size: FS
Master Electrical Component List
Power Door Locks Description and Operation
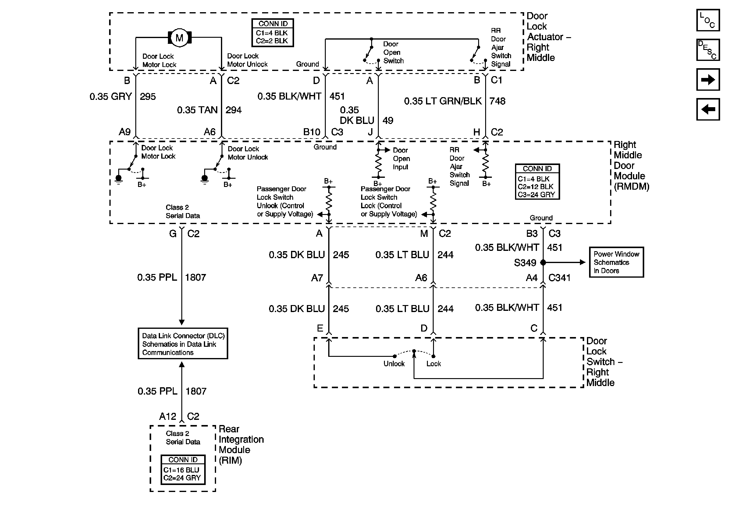
Right Middle Door Power Door Lock (w/V4U)
Right Front Door Power Door Lock
G201 IP Harness and Console Harness
PWR Window Circuit Breaker
Figure 6:

Right Middle Door Power Door Lock (w/V4U)


Object Number: 663320  Size: FS
Master Electrical Component List
Power Door Locks Description and Operation
Right Rear Door Power Door Lock (w/o B9Q)
Right Front Door Power Door Lock (w/B9Q)
Right Middle Door Power Window
Class 2 Serial Data (2 of 3)
Figure 7:

Right Rear Door Power Door Lock (w/o B9Q)


Object Number: 663321  Size: FS
Master Electrical Component List
Power Door Locks Description and Operation
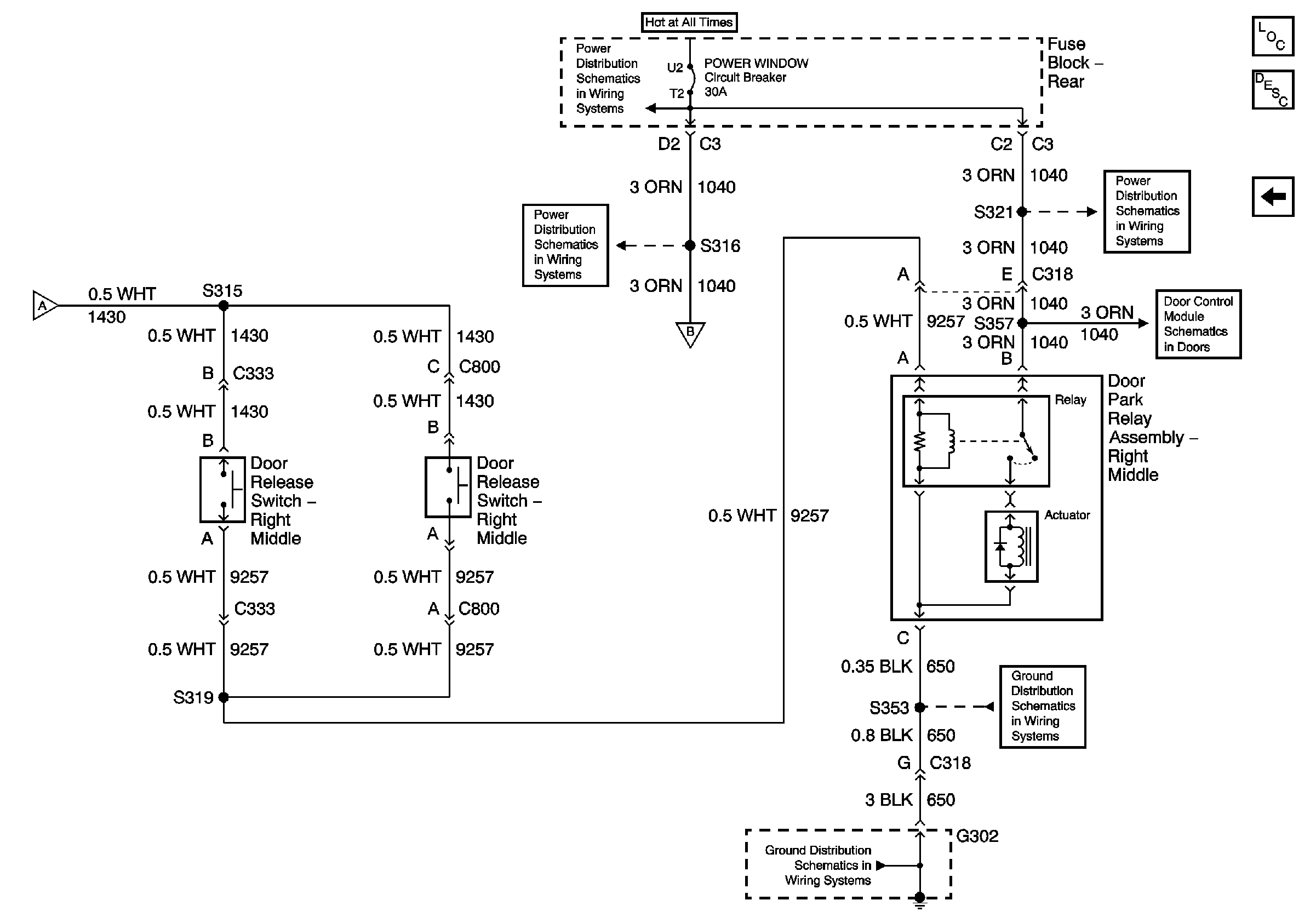
Power Door Locks Middle Door Release (w/V4U) 1 of 2
Right Middle Door Power Door Lock (w/V4U)
Right Power Window
Rear Door Dimming
Class 2 Serial Data (2 of 3)
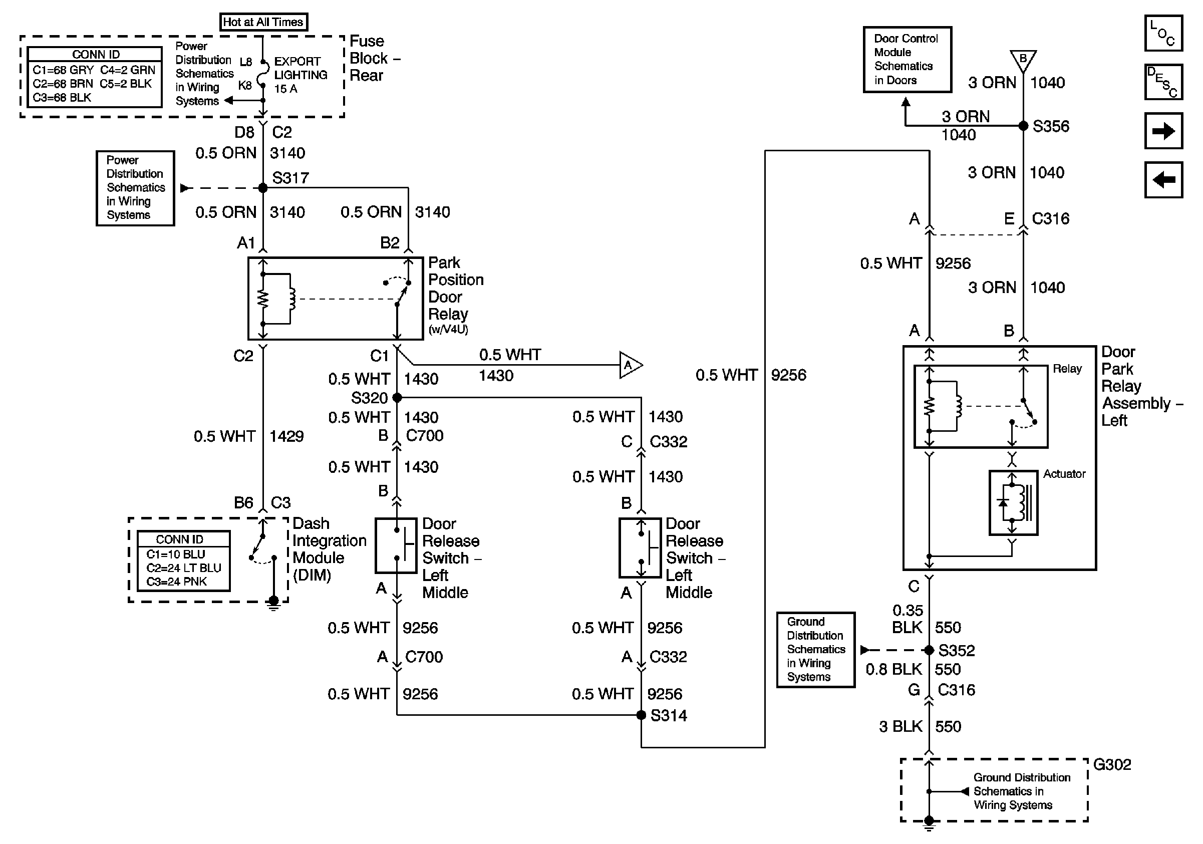
Figure 8:

Power Door Locks Middle Door Release (w/V4U) 1 of 2


Object Number: 663322  Size: FS
Master Electrical Component List
Power Door Locks Description and Operation
Power Door Locks Middle Door Release (w/V4U) 2 of 2
Right Rear Door Power Door Lock (w/o B9Q)
G302 V4U/B9Q
G302 V4U/B9Q
Audio Amp and Export LTG/LK Fuses
Audio Amp and Export LTG/LK Fuses
Left Middle Door Module (LMDM) Power and Ground Inputs and Outputs
Figure 9:

Power Door Locks Middle Door Release (w/V4U) 2 of 2


Object Number: 663325  Size: FS
Master Electrical Component List
Power Door Locks Description and Operation
Power Door Locks Middle Door Release (w/V4U) 1 of 2
PWR Window Circuit Breaker
Right Middle Door Module (RMDM) Power, Ground Inputs and Outputs
G302 V4U/B9Q
G302 V4U/B9Q
PWR Window Circuit Breaker
PWR Window Circuit Breaker