GM Service Manual Online
For 1990-2009 cars only
Figure 1:

Cell 82: Class 2


Object Number: 318329  Size: FS
Instrument Cluster and HUD Components
Instrument Cluster Description
Cell 82: PCM
Handling ESD Sensitive Parts Notice
Ground Distribution Schematics
Ground Distribution Schematics
Power Distribution Schematics
Power Distribution Schematics
Power Distribution Schematics
Power Distribution Schematics
Power Distribution Schematics
Power Distribution Schematics
Figure 2:

Cell 82: PCM


Object Number: 318326  Size: FS
Instrument Cluster and HUD Components
Instrument Cluster Description
Cell 82:Power and Indicator Inputs
Cell 82: Class 2
Handling ESD Sensitive Parts Notice
Handling ESD Sensitive Parts Notice
Data Link Connector Schematics
Cruise Control Schematics
Data Link Connector Schematics
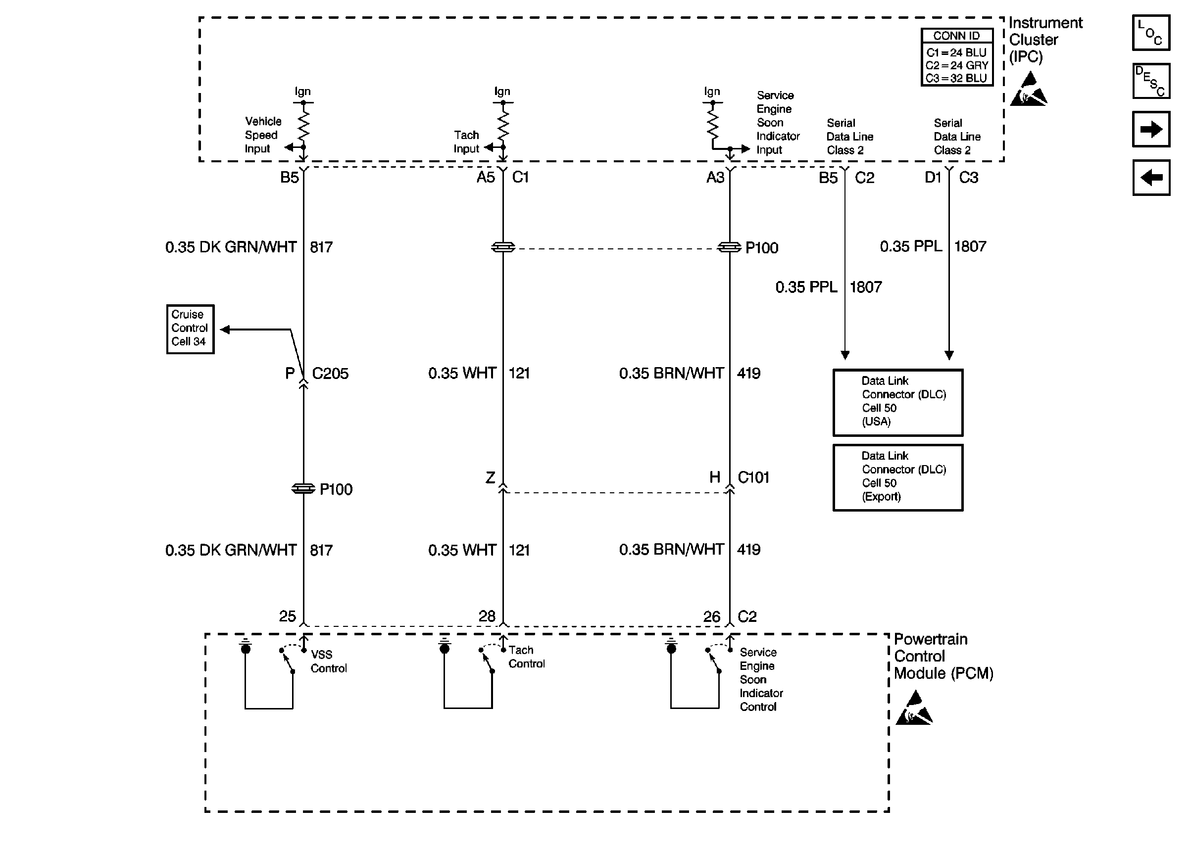
Figure 3:

Cell 82:Power and Indicator Inputs


Object Number: 318324  Size: FS
Instrument Cluster and HUD Components
Instrument Cluster Description
Cell 82: Ignition Lock Cylinder
Handling ESD Sensitive Parts Notice
Seat Belt Schematics
Ground Distribution Schematics
Ground Distribution Schematics
SIR Handling Caution
Data Link Connector Schematics
Data Link Connector Schematics
Ground Distribution Schematics
Ground Distribution Schematics
Figure 4:

Cell 82: Ignition Lock Cylinder


Object Number: 318331  Size: FS
Instrument Cluster and HUD Components
Instrument Cluster Description
Cell 82: Interior Lights Dimming and Park Lamp Switch Inputs, Light SeNsor
Cell 82:Power and Indicator Inputs
Handling ESD Sensitive Parts Notice
Wiper/Washer System (Pulse) Schematics w/ CE1
Wiper/Washer System (Pulse) Schematics w/o CE1
Starting and Charging Schematics
Figure 5:

Cell 82: Interior Lights Dimming and Park Lamp Switch Inputs, Light Sensor


Object Number: 318333  Size: FS
Instrument Cluster and HUD Components
Instrument Cluster Description
Cell 82: Fog Lamp Switches, Twilight, EBTCM, Release Systems
Cell 82: Ignition Lock Cylinder
Handling ESD Sensitive Parts Notice
Interior Lights Dimming Schematics
Interior Lights Dimming Schematics
Interior Lights Dimming Schematics
Interior Lights Dimming Schematics
Interior Lights Dimming Schematics
Interior Lights Dimming Schematics
Exterior Lights Schematics
Interior Lights Dimming Schematics
Exterior Lights Schematics
Exterior Lights Schematics
Headlights Schematics
Headlights Schematics
Headlights Schematics
Headlights Schematics
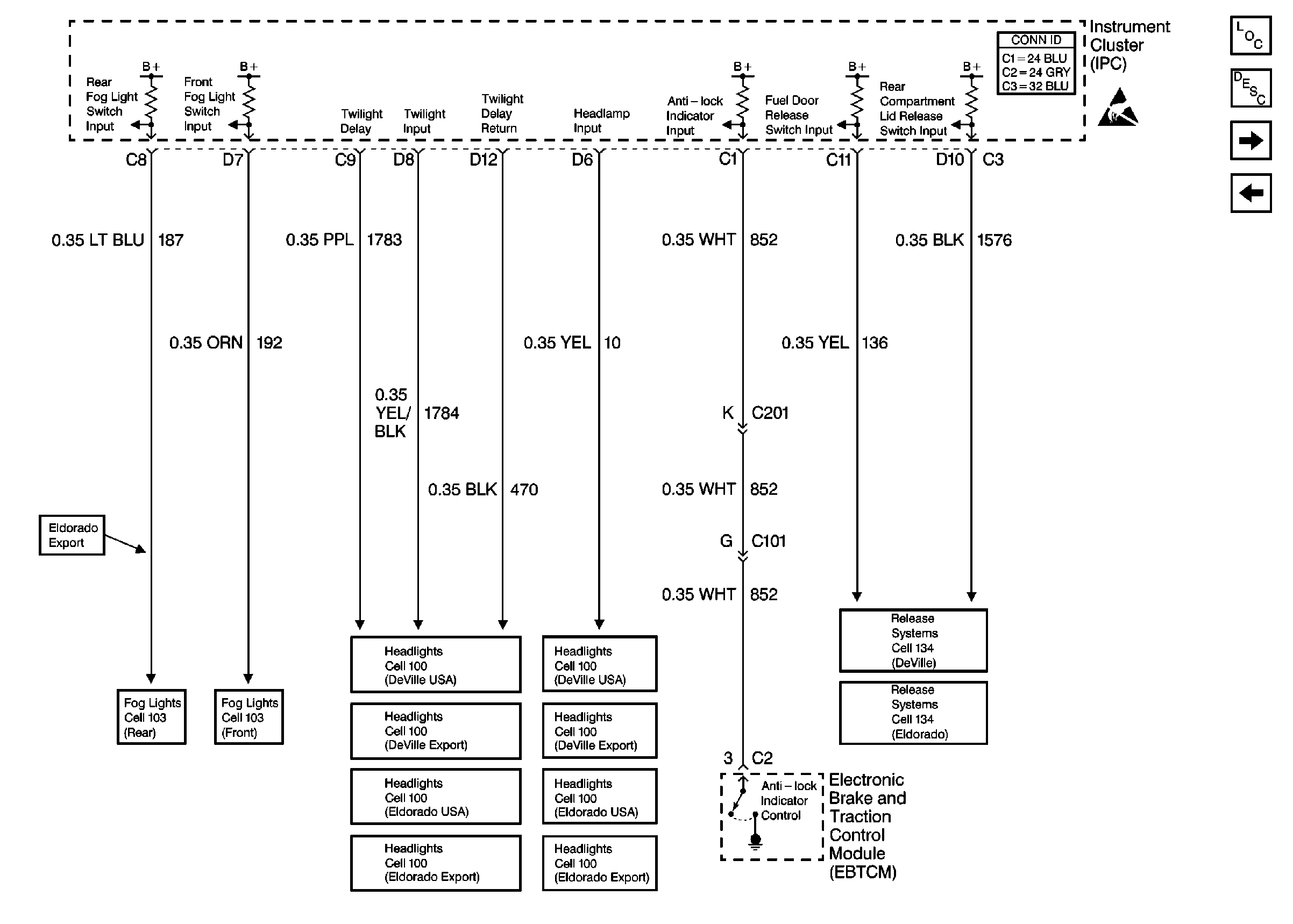
Figure 6:

Cell 82: Fog Lamp Switches, Twilight, EBTCM, Release Systems


Object Number: 318335  Size: FS
Instrument Cluster and HUD Components
Instrument Cluster Description
Cell 82: Fog Lamp Switches, Twilight, EBTCM, Release Systems
Cell 82: Interior Lights Dimming and Park Lamp Switch Inputs, Light SeNsor
Handling ESD Sensitive Parts Notice
Fog Lights Schematics
Fog Lights Schematics
Headlights Schematics
Headlights Schematics
Headlights Schematics
Headlights Schematics
Headlights Schematics
Headlights Schematics
Headlights Schematics
Headlights Schematics
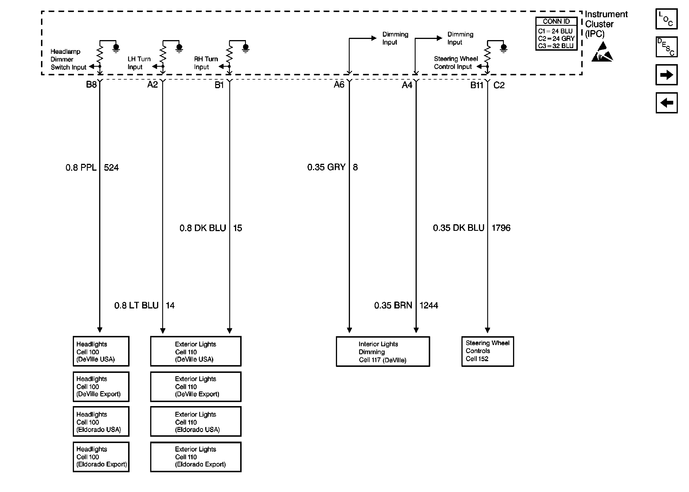
Figure 7:

Cell 82: Fog Lamp Switches, Twilight, EBTCM, Release Systems


Object Number: 318336  Size: FS
Instrument Cluster and HUD Components
Instrument Cluster Description
Cell 82: Door Switches
Cell 82: Fog Lamp Switches, Twilight, EBTCM, Release Systems
Handling ESD Sensitive Parts Notice
Headlights Schematics
Headlights Schematics
Headlights Schematics
Headlights Schematics
Exterior Lights Schematics
Exterior Lights Schematics
Exterior Lights Schematics
Exterior Lights Schematics
Interior Lights Dimming Schematics
Steering Wheel Controls Schematics
Figure 8:

Cell 82: Door Switches


Object Number: 318338  Size: FS
Instrument Cluster and HUD Components
Instrument Cluster Description
Cell 81: Electronic PRNDL (with D55)
Cell 82: Fog Lamp Switches, Twilight, EBTCM, Release Systems
Data Link Connector Schematics
Data Link Connector Schematics
Handling ESD Sensitive Parts Notice
Ground Distribution Schematics
Ground Distribution Schematics
Ground Distribution Schematics
Ground Distribution Schematics
Ground Distribution Schematics
Ground Distribution Schematics
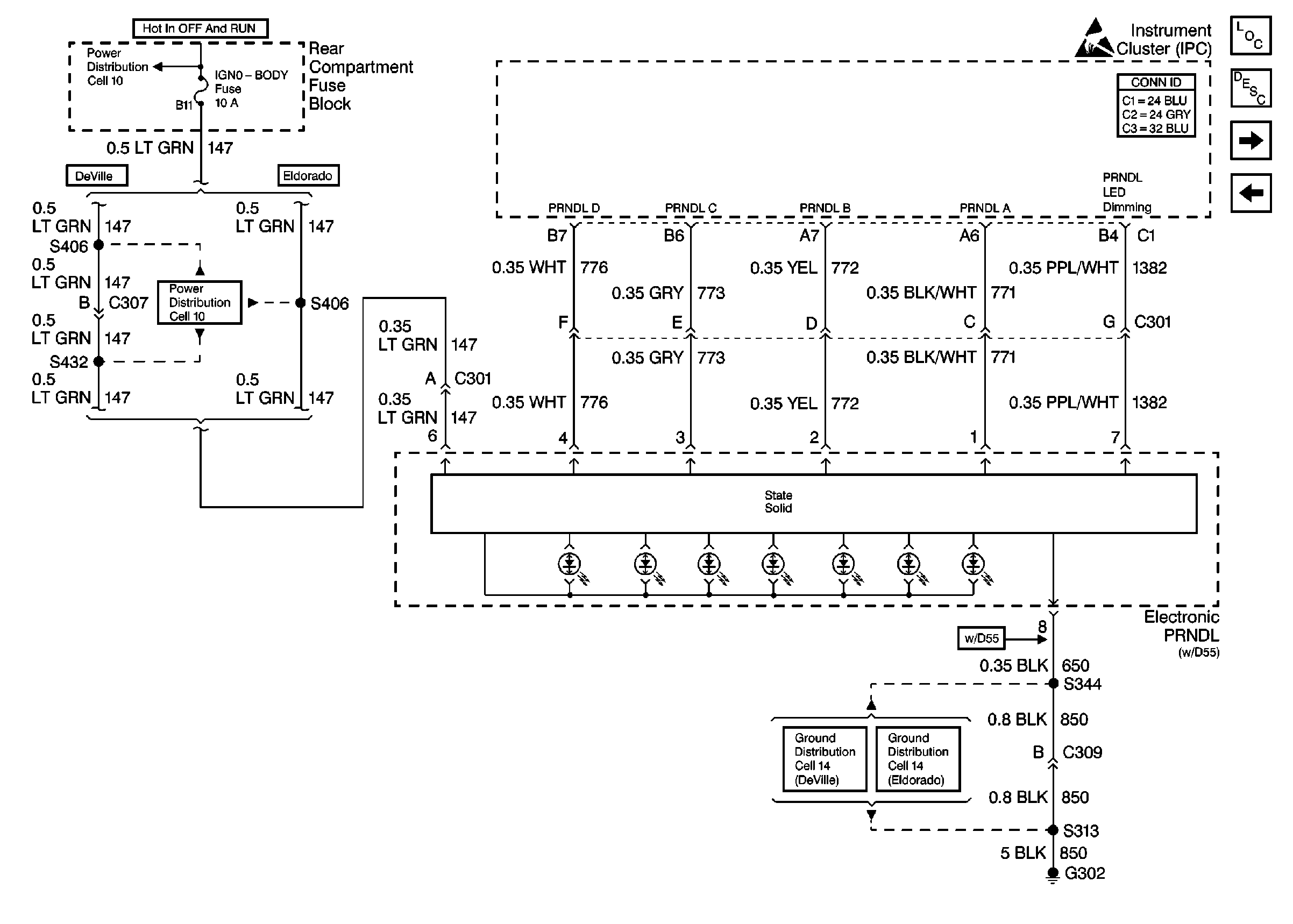
Figure 9:

Cell 81: Electronic PRNDL (with D55)


Object Number: 318339  Size: FS
Instrument Cluster and HUD Components
Instrument Cluster Description
Cell 82: Driver Information Center Switch (with D55)
Cell 82: Door Switches
Handling ESD Sensitive Parts Notice
Ground Distribution Schematics
Ground Distribution Schematics
Power Distribution Schematics
Power Distribution Schematics
Figure 10:

Cell 82: Driver Information Center Switch (with D55)


Object Number: 318340  Size: FS
Instrument Cluster and HUD Components
Instrument Cluster Description
Cell 81: Electronic PRNDL (with D55)
Handling ESD Sensitive Parts Notice
Interior Lights Dimming Schematics
Interior Lights Dimming Schematics
Ground Distribution Schematics
Ground Distribution Schematics
Ground Distribution Schematics
Ground Distribution Schematics
Figure 11:

Cell 76: Left Front Seat Belt Switch, Left Door Jamb Switch


Object Number: 318341  Size: FS
Instrument Cluster and HUD Components
Instrument Cluster Description
Cell 76: Key-in-Ignition, Engine Oil Pressure, Coolant Level, and Headlamp Switches
Handling ESD Sensitive Parts Notice
Data Link Connector Schematics
Data Link Connector Schematics
Ground Distribution Schematics
Ground Distribution Schematics
Ground Distribution Schematics
Ground Distribution Schematics
Ground Distribution Schematics
Cruise Control Schematics