GM Service Manual Online
For 1990-2009 cars only
Makes
🢒
Cadillac
🢒
2007
🢒
SRX
🢒
HVAC
🢒
HVAC - Automatic
🢒 HVAC Schematics
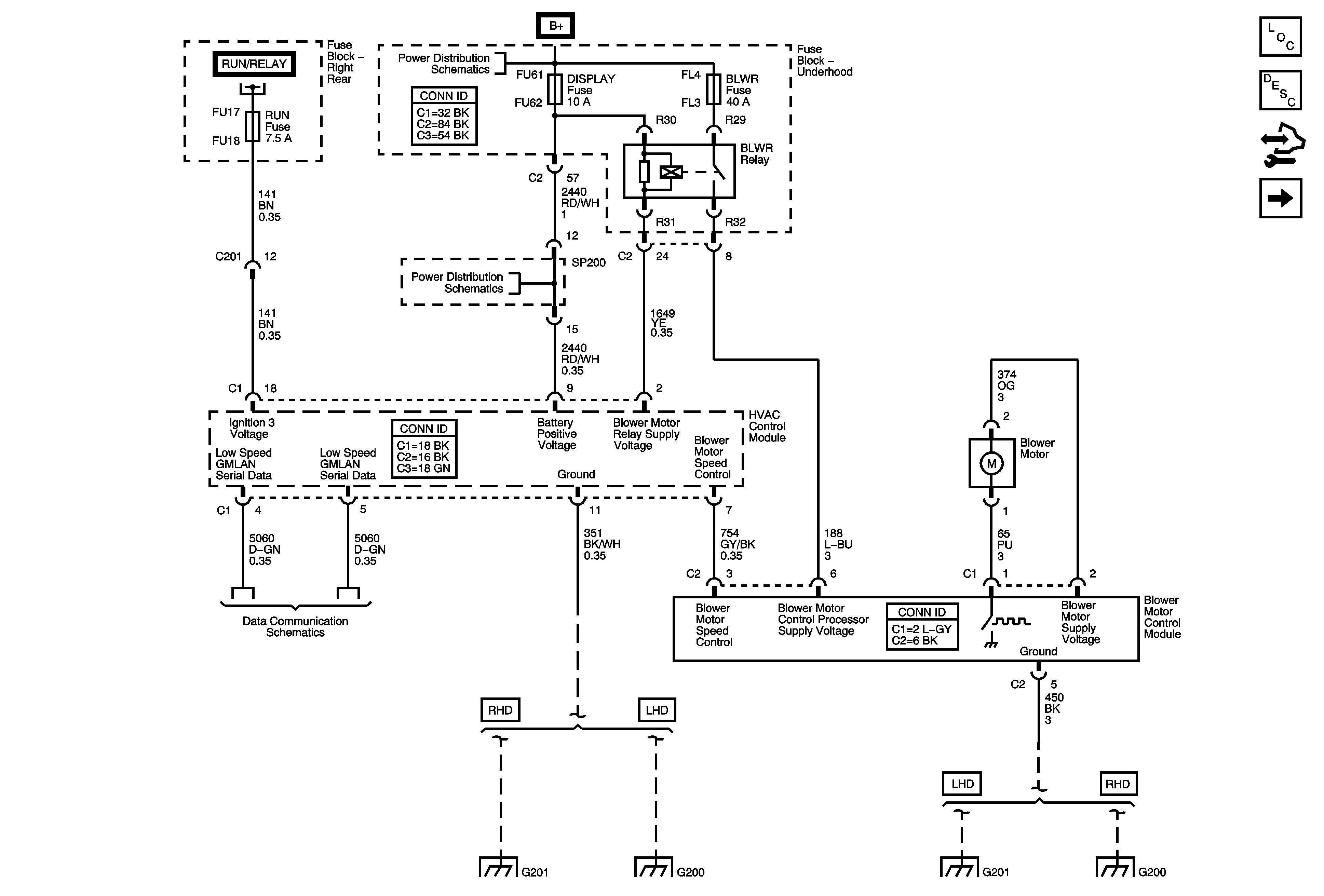
Figure
1:
Blower Controls
Master Electrical Component List
Air Delivery Description and Operation
Control Module References
A/C Compressor Controls
Ignition Power Modes - RUN
Underhood Fuse Block B+ Bus - 1 of 2
AUX OUTLET Fuse, BLWR Relay, CIG Fuse, DISPLAY Fuse, ECM BATT Fuse, and TCM BATT Fuse
Low Speed GMLAN Serial Data 1 of 2
G201 (RHD)
G200 (1 of 2) LHD
G201 (LHD)
G200 1 OF 2 (RHD)
Figure
2:
A/C Compressor Controls
Master Electrical Component List
Air Delivery Description and Operation
Control Module References
Air Delivery and Temp Controls
Blower Controls
Underhood Fuse Block B+ Bus - 1 of 2
Power, Ground, Serial Data and MIL
Module Power, Ground, Serial Data and MIL
Low Speed GMLAN Serial Data 1 of 2
ECM 1 Fuse, EMISSION 1 Fuse, EMISSION 2 Fuse, and PWR/TRN Relay (LH2)
ECM 1 Fuse, EMISSION 1 Fuse, EMISSION 2 Fuse, and PWR/TRN Relay (LY7)
High Speed GMLAN
G100 (LH2)
G106, G111, G306
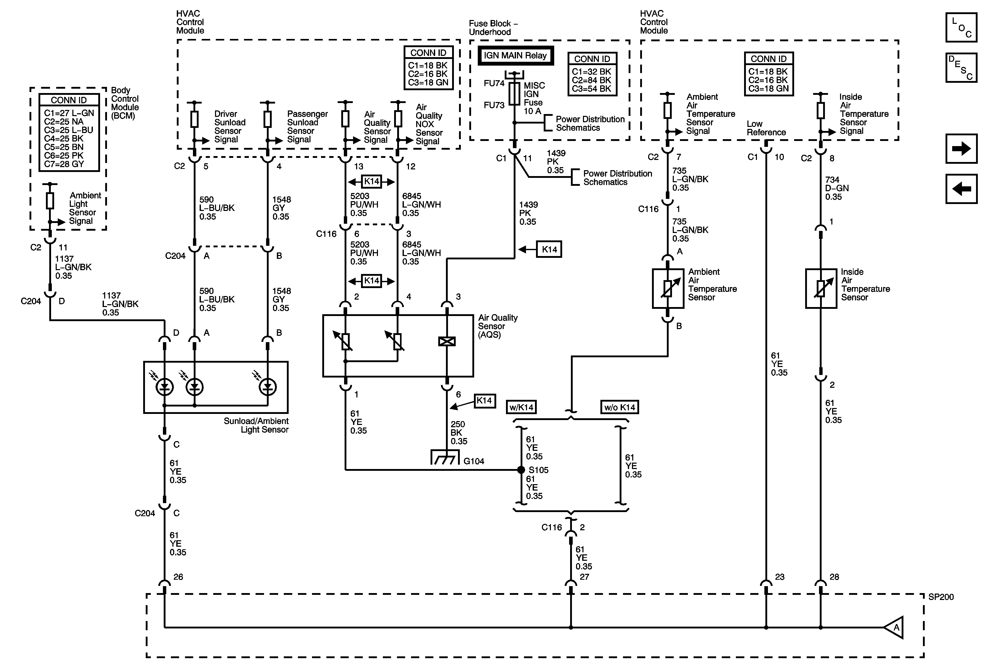
Figure
3:
Air Delivery and Temperature Controls
Master Electrical Component List
Air Delivery Description and Operation
Control Module References
Air Sensors
A/C Compressor Controls
Air Sensors
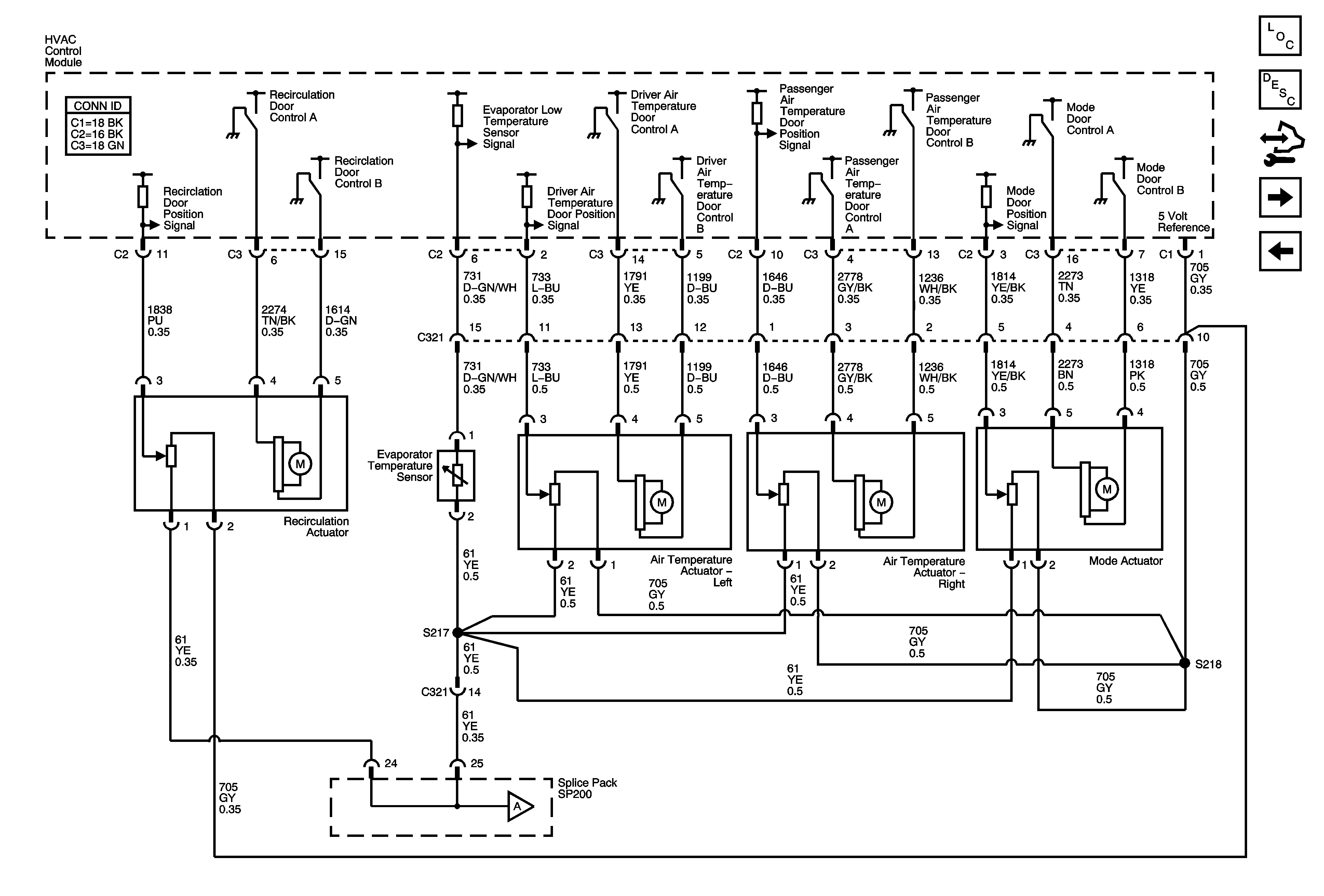
Figure
4:
Air Sensors
Master Electrical Component List
Air Temperature Description and Operation
Auxiliary Blower Motor (C57)
Air Delivery and Temp Controls
Ignition Power Modes - RUN
IGN MAIN Relay, ABS IGN Fuse, AIRBAG Fuse, ECM TCM IGN Fuse, and MISC IGN Fuse
IGN MAIN Relay, ABS IGN Fuse, AIRBAG Fuse, ECM TCM IGN Fuse, and MISC IGN Fuse
G104 (2 of 2)
Air Delivery and Temp Controls
Figure
5:
Auxiliary Blower Motor (C57)
Master Electrical Component List
Air Delivery Description and Operation
Control Module References
Air Sensors
Right Rear Fuse Block B+ Bus
Ignition Power Modes - RUN
Right Rear Fuse Block B+ Bus
G102, G105, G107, G108, G109, G110
G401 (1 of 3)
G401 (1 of 3)