GM Service Manual Online
For 1990-2009 cars only
Makes
🢒
Cadillac
🢒
2007
🢒
SRX
🢒 Indicators
Indicators
Indicators
Master Electrical Component List
Indicator/Warning Message Description and Operation
Control Module References
Gages
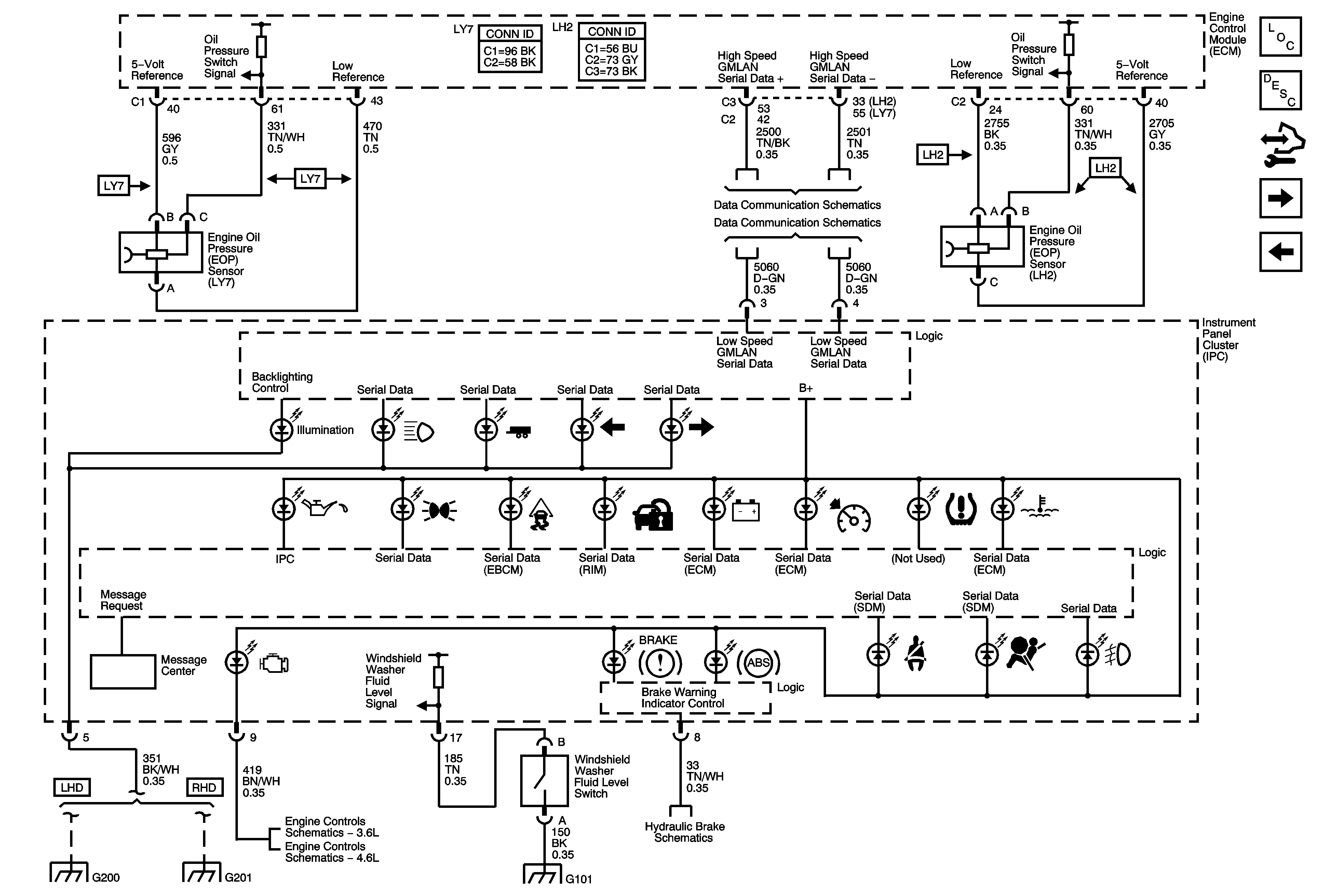
Power, Ground, Serial Data, Odometer
High Speed GMLAN
Low Speed GMLAN Serial Data 1 of 2
Module Power, Ground, Serial Data and MIL
Power, Ground, Serial Data and MIL
Hydraulic Brakes Schematics
G200 (1 of 2) LHD
G201 (RHD)
G101