GM Service Manual Online
For 1990-2009 cars only
Makes
🢒
Cadillac
🢒
2007
🢒
SRX
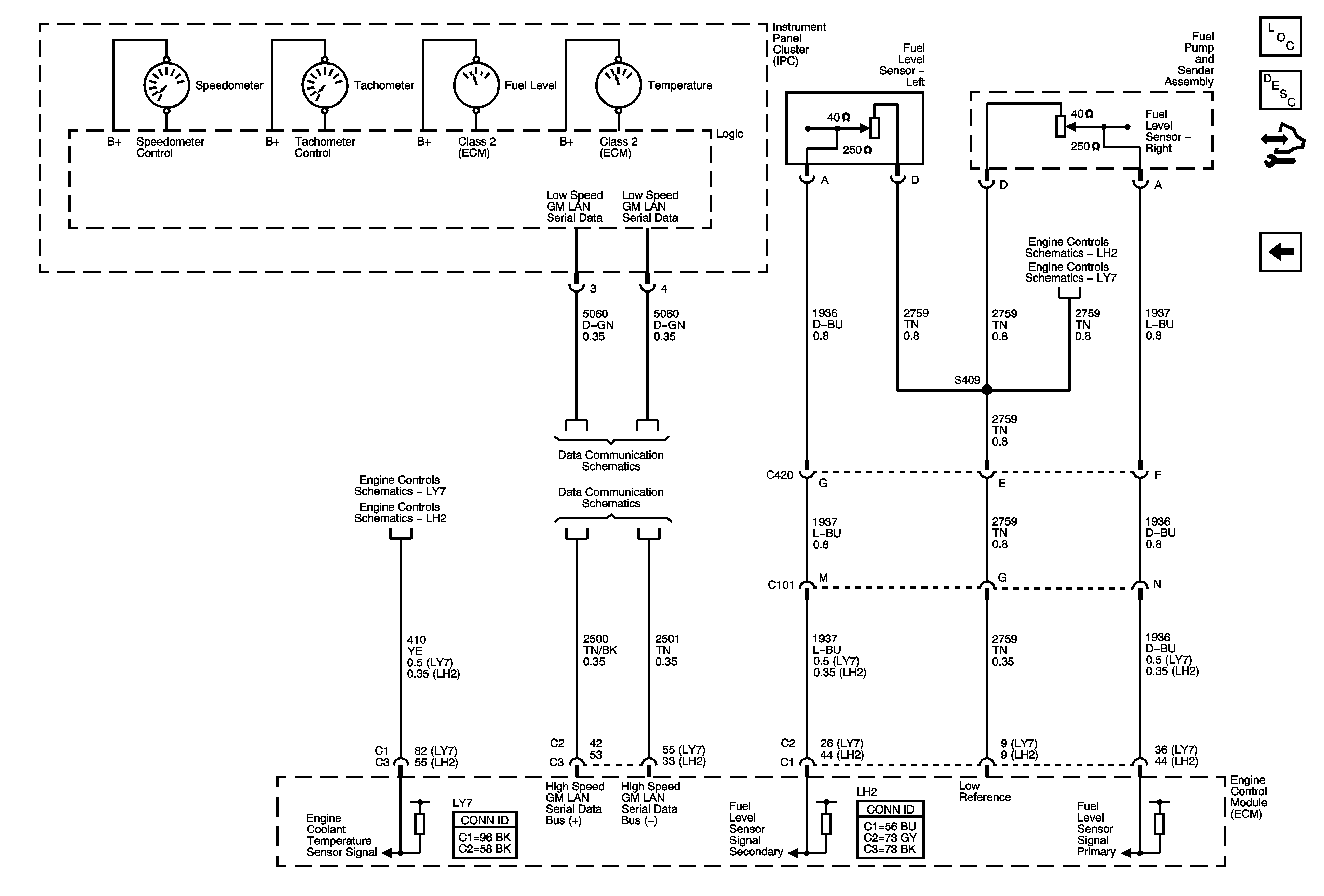
🢒 Gages
Gages
Gages
Master Electrical Component List
Instrument Cluster Description and Operation
Control Module References
Indicators
Data Sensors - 5 Volt and Low Reference
Engine Data Sensors - 5 Volt Reference
Engine Data Sensors - MAF and Engine Coolant Temp Sensor
Engine Data Sensors - MAF, MAP, and Engine Coolant Temp (ECT) Sensors
Low Speed GMLAN Serial Data 1 of 2
High Speed GMLAN