GM Service Manual Online
For 1990-2009 cars only

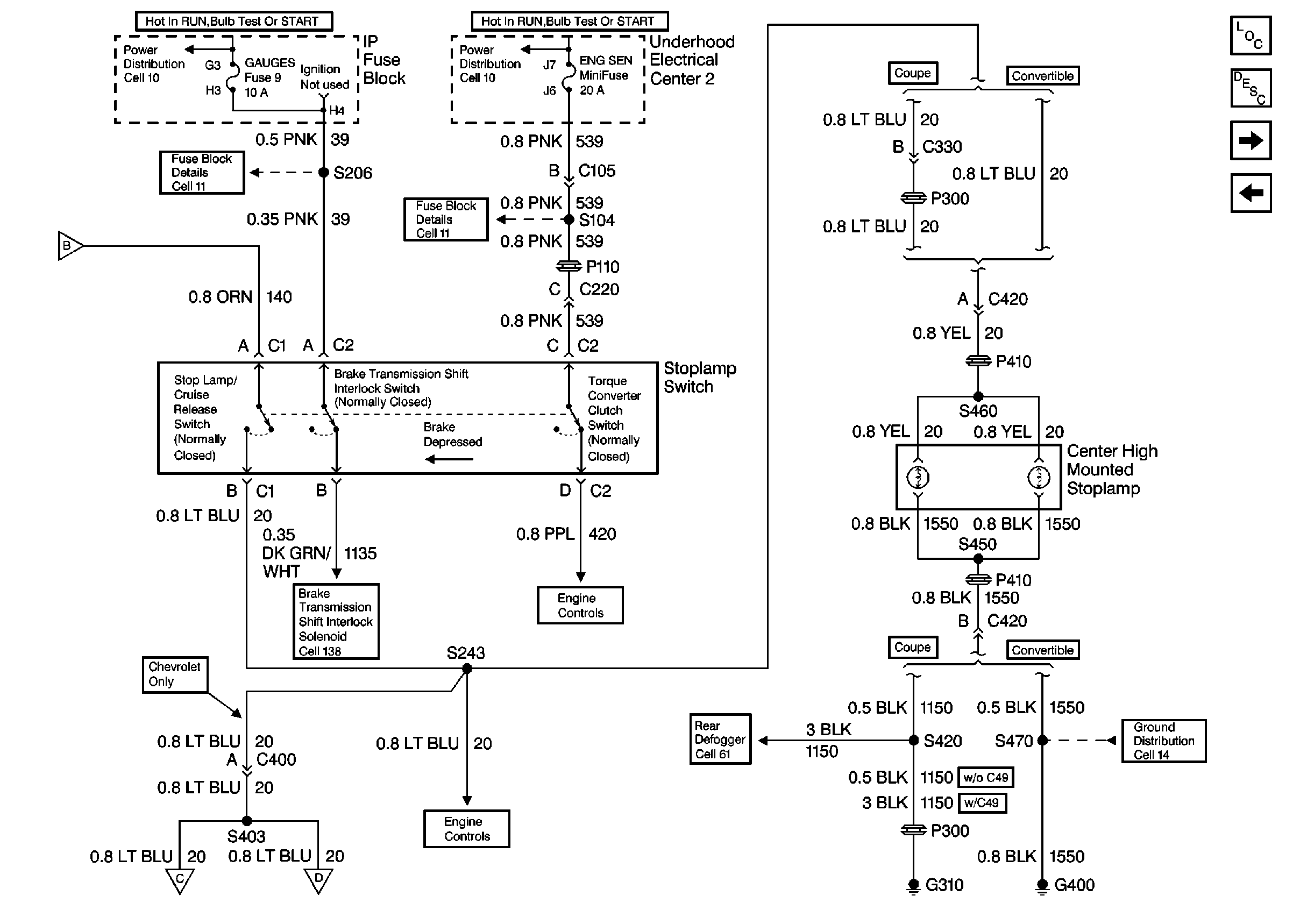
Exterior Lights Schematics Domestic

Figure 1:

Tail/Stop/Turnlamps Cell 110


Object Number: 312248  Size: FS
I/P Fuses 1, 2, 5 and 6
Fusible Links, IP Fuse Block, and Underhood Electrical Centers
Park/Turnlamps, Foglamps Relay, Side Marker Lamps Cell 110
G200 DRL, HVAC, Rear Defog
Handling ESD Sensitive Parts Notice
BCM and Headlamp Dimmer Switch
Park/Turnlamps, Foglamps Relay, Side Marker Lamps Cell 110
Chevrolet: Taillamps, Tail/Stop Turnlamps, Tail/Stoplamps, License Lamp Cell 110
Chevrolet: Taillamps, Tail/Stop Turnlamps, Tail/Stoplamps, License Lamp Cell 110
Center High Mounted Stoplamp Cell 110
Center High Mounted Stoplamp Cell 110
Center High Mounted Stoplamp Cell 110
Exterior Lights Circuit Description
Lighting Systems Components
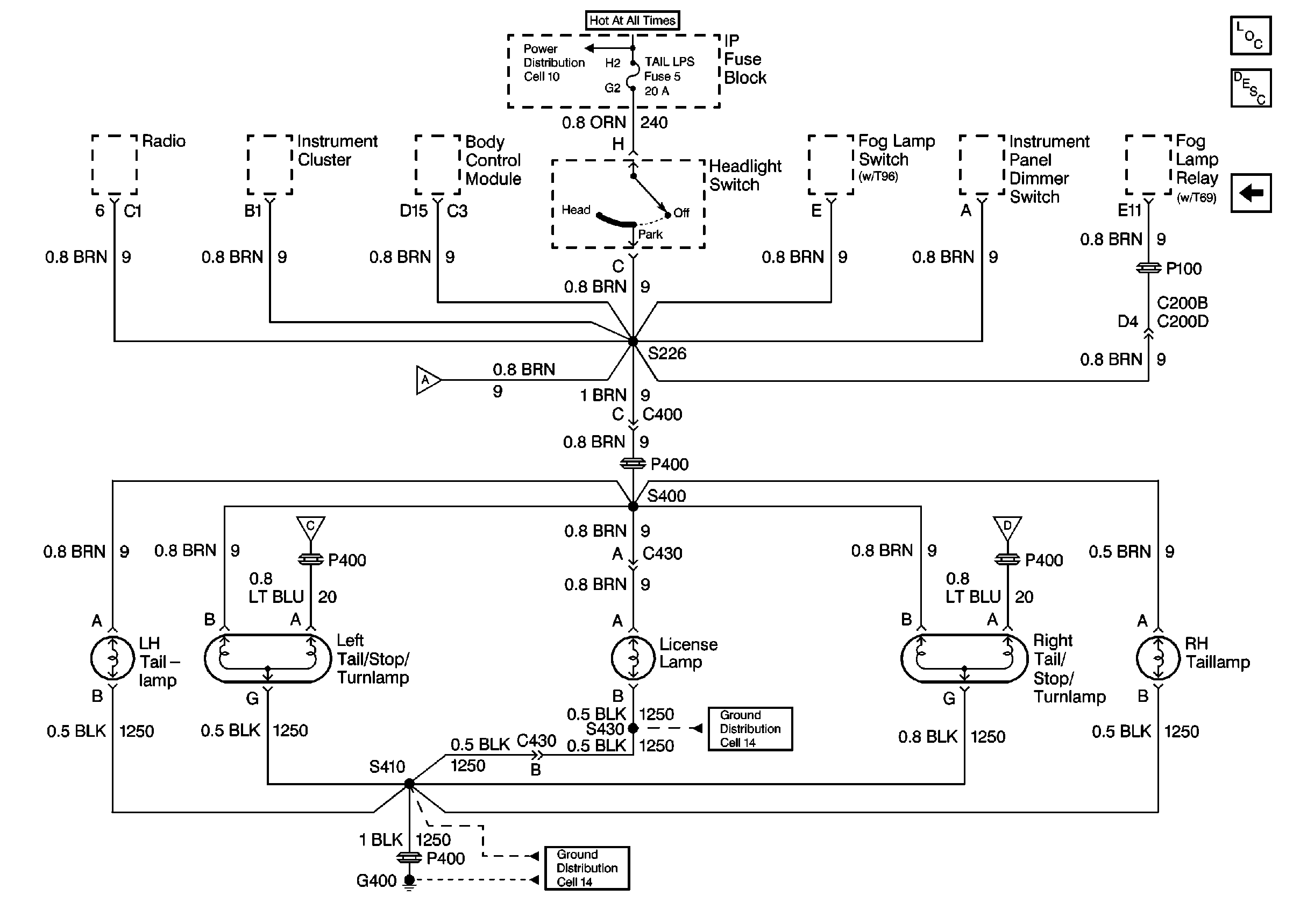
Figure 2:

Center High Mounted Stoplamp Cell 110


Object Number: 312252  Size: FS
Fusible Links, IP Fuse Block, and Underhood Electrical Centers
I/P Fuses 7, 9, 10 and 11
Tail/Stop/Turnlamps Cell 110
Tail/Stop/Turnlamps Cell 110
Cell 138
Chevrolet: Taillamps, Tail/Stop Turnlamps, Tail/Stoplamps, License Lamp Cell 110
Chevrolet: Taillamps, Tail/Stop Turnlamps, Tail/Stoplamps, License Lamp Cell 110
U/H Center 2: ENG SEN Fuse
Ignition Switch and Underhood Electrical Center 2
Cell 61
Tail/Stop/Turnlamps Cell 110
Park/Turnlamps, Foglamps Relay, Side Marker Lamps Cell 110
Exterior Lights Circuit Description
Lighting Systems Components
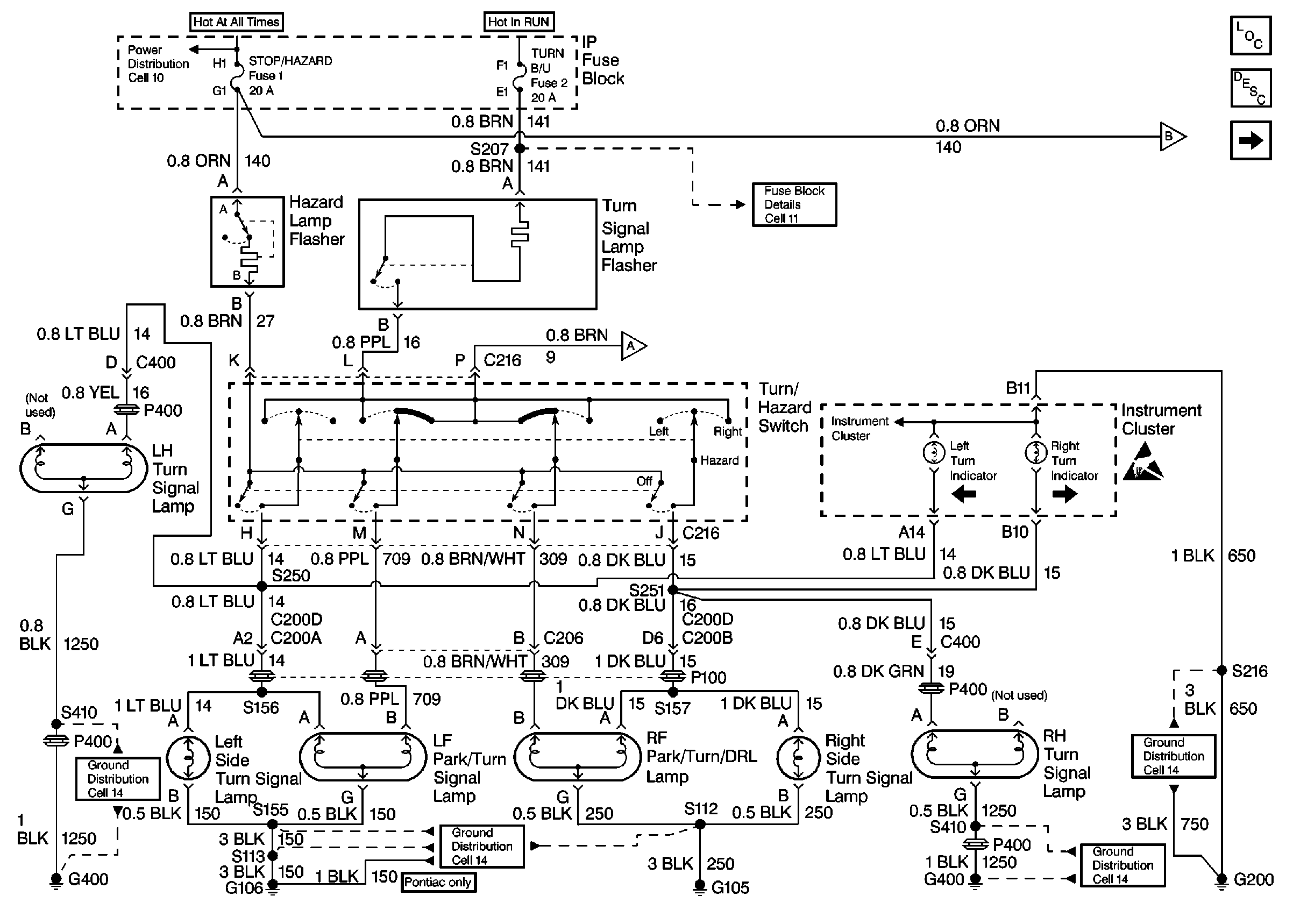
Figure 3:

Park/Turnlamps, Foglamps Relay, Side Marker Lamps Cell 110


Object Number: 312254  Size: FS
Tail/Stop/Turnlamps Cell 110
Handling ESD Sensitive Parts Notice
Chevrolet: Taillamps, Tail/Stop Turnlamps, Tail/Stoplamps, License Lamp Cell 110
G106
G105
Handling ESD Sensitive Parts Notice
Chevrolet: Headlamps Cell 102
Tail/Stop/Turnlamps Cell 110
Lighting Systems Components
Exterior Lights Circuit Description
Chevrolet: Taillamps, Tail/Stop Turnlamps, Tail/Stoplamps, License Lamp Cell 110
Center High Mounted Stoplamp Cell 110
Figure 4:

Chevrolet: Taillamps, Tail/Stop Turnlamps, Tail/Stoplamps, License Lamp Cell 110


Object Number: 312256  Size: FS
Fusible Links, IP Fuse Block, and Underhood Electrical Centers
Tail/Stop/Turnlamps Cell 110
Center High Mounted Stoplamp Cell 110
MIL Control Circuit
Center High Mounted Stoplamp Cell 110
Tail/Stop/Turnlamps Cell 110
Park/Turnlamps, Foglamps Relay, Side Marker Lamps Cell 110
Pontiac: Taillamps, Outboard Tail/Stop Turnlamps, Inboard Tail/Stop Turnlamps, License Lamp Cell 110
Exterior Lights Circuit Description
Lighting Systems Components
Figure 5:

Pontiac: Taillamps, Outboard Tail/Stop Turnlamps, Inboard Tail/Stop Turnlamps, License Lamp Cell 110


Object Number: 312259  Size: FS
Lighting Systems Components
Exterior Lights Circuit Description
Chevrolet: Taillamps, Tail/Stop Turnlamps, Tail/Stoplamps, License Lamp Cell 110
Tail/Stop/Turnlamps Cell 110
G400 Chevrolet
Tail/Stop/Turnlamps Cell 110
Fusible Links, IP Fuse Block, and Underhood Electrical Centers

Exterior Lights Schematics Japan

Figure 1:

Chevrolet: Side Turn Signal Lamps, Park/Turn Signal Lamps, RF Park/Turn/DRL Lamp, Turn Signal Lamps Cell 110


Object Number: 367230  Size: FS
Fusible Links, IP Fuse Block, and Underhood Electrical Centers
I/P Fuses 1, 2, 5 and 6
Chevrolet: Center High Mounted Stoplamp Cell 110
Chevrolet: Center High Mounted Stoplamp Cell 110
Exterior Lights Circuit Description
Lighting Systems Components
Chevrolet: Taillamps, Tail/Stop/Turnlamps, License Lamp Cell 110
BCM and Headlamp Dimmer Switch
Handling Electrostatic Discharge Sensitive Parts Notice
G200 DRL, HVAC, Rear Defog
G400 Pontiac
G106
G400 Chevrolet
Figure 2:

Chevrolet: Center High Mounted Stoplamp Cell 110


Object Number: 367231  Size: FS
Fusible Links, IP Fuse Block, and Underhood Electrical Centers
I/P Fuses 7, 9, 10 and 11
Chevrolet: Side Turn Signal Lamps, Park/Turn Signal Lamps, RF Park/Turn/DRL Lamp, Turn Signal Lamps Cell 110
Battery and Underhood Electrical Center 1
U/H Center 2: ENG SEN Fuse
Cell 138
Brake Switch, TCC Solenoid
Chevrolet: Taillamps, Tail/Stop/Turnlamps, License Lamp Cell 110
Chevrolet: Taillamps, Tail/Stop/Turnlamps, License Lamp Cell 110
Cruise Control Switch and Power for TAC Module
G305, G310, G320
G400 Pontiac
Chevrolet: Side Turn Signal Lamps, Park/Turn Signal Lamps, RF Park/Turn/DRL Lamp, Turn Signal Lamps Cell 110
Chevrolet: Taillamps, Tail/Stop/Turnlamps, License Lamp Cell 110
Exterior Lights Circuit Description
Lighting Systems Components
Figure 3:

Chevrolet: Taillamps, Tail/Stop/Turnlamps, License Lamp Cell 110


Object Number: 367236  Size: FS
Fusible Links, IP Fuse Block, and Underhood Electrical Centers
Chevrolet: Side Turn Signal Lamps, Park/Turn Signal Lamps, RF Park/Turn/DRL Lamp, Turn Signal Lamps Cell 110
Chevrolet: Center High Mounted Stoplamp Cell 110
Chevrolet: Center High Mounted Stoplamp Cell 110
G400 Chevrolet
G400 Chevrolet
Lighting Systems Components
Exterior Lights Circuit Description
Chevrolet: Center High Mounted Stoplamp Cell 110

Exterior Lights Schematics Europe and Scandanavia

Figure 1:

Chevrolet: Side Marker Lamps, LF Park/Turn Lamp, RF Park/Turn/DRL Lamp Cell 110


Object Number: 367222  Size: FS
Fusible Links, IP Fuse Block, and Underhood Electrical Centers
I/P Fuses 1, 2, 5 and 6
Chevrolet: Center High Mounted Stoplamp, Taillamps, Tail/Stop Lamps Cell 110
Lighting Systems Components
Exterior Lights Circuit Description
Chevrolet: Center High Mounted Stoplamp, Taillamps, Tail/Stop Lamps Cell 110
G200 DRL, HVAC, Rear Defog
BCM and Headlamp Dimmer Switch
G200 DRL, HVAC, Rear Defog
G105
G106
Chevrolet: Rear Turn Lamps, Tail/Stop Lamps, License Lamps Cell 110
Chevrolet: Rear Turn Lamps, Tail/Stop Lamps, License Lamps Cell 110
Handling Electrostatic Discharge Sensitive Parts Notice
Figure 2:

Chevrolet: Center High Mounted Stoplamp, Taillamps, Tail/Stop Lamps Cell 110


Object Number: 367226  Size: FS
I/P Fuses 7, 9, 10 and 11
Chevrolet: Side Marker Lamps, LF Park/Turn Lamp, RF Park/Turn/DRL Lamp Cell 110
Cruise Control Switch and Power for TAC Module
Chevrolet: Rear Turn Lamps, Tail/Stop Lamps, License Lamps Cell 110
G305, G310, G320
G400 Pontiac
G400 Pontiac
Chevrolet: Rear Turn Lamps, Tail/Stop Lamps, License Lamps Cell 110
Brake Switch, TCC Solenoid
Cell 138
U/H Center 2: ENG SEN Fuse
Ignition Switch and Underhood Electrical Center 2
Lighting Systems Components
Exterior Lights Circuit Description
Chevrolet: Rear Turn Lamps, Tail/Stop Lamps, License Lamps Cell 110
Chevrolet: Side Marker Lamps, LF Park/Turn Lamp, RF Park/Turn/DRL Lamp Cell 110
Figure 3:

Chevrolet: Rear Turn Lamps, Tail/Stop Lamps, License Lamps Cell 110


Object Number: 367229  Size: FS
Fusible Links, IP Fuse Block, and Underhood Electrical Centers
Lighting Systems Components
Exterior Lights Circuit Description
Chevrolet: Center High Mounted Stoplamp, Taillamps, Tail/Stop Lamps Cell 110
Chevrolet: Side Marker Lamps, LF Park/Turn Lamp, RF Park/Turn/DRL Lamp Cell 110
Chevrolet: Center High Mounted Stoplamp, Taillamps, Tail/Stop Lamps Cell 110
Chevrolet: Center High Mounted Stoplamp, Taillamps, Tail/Stop Lamps Cell 110
Pontiac Cell 103
G400 Chevrolet
Chevrolet: Center High Mounted Stoplamp, Taillamps, Tail/Stop Lamps Cell 110
Pontiac Cell 103
Chevrolet: Center High Mounted Stoplamp, Taillamps, Tail/Stop Lamps Cell 110
Chevrolet: Side Marker Lamps, LF Park/Turn Lamp, RF Park/Turn/DRL Lamp Cell 110