GM Service Manual Online
For 1990-2009 cars only
Figure 1:

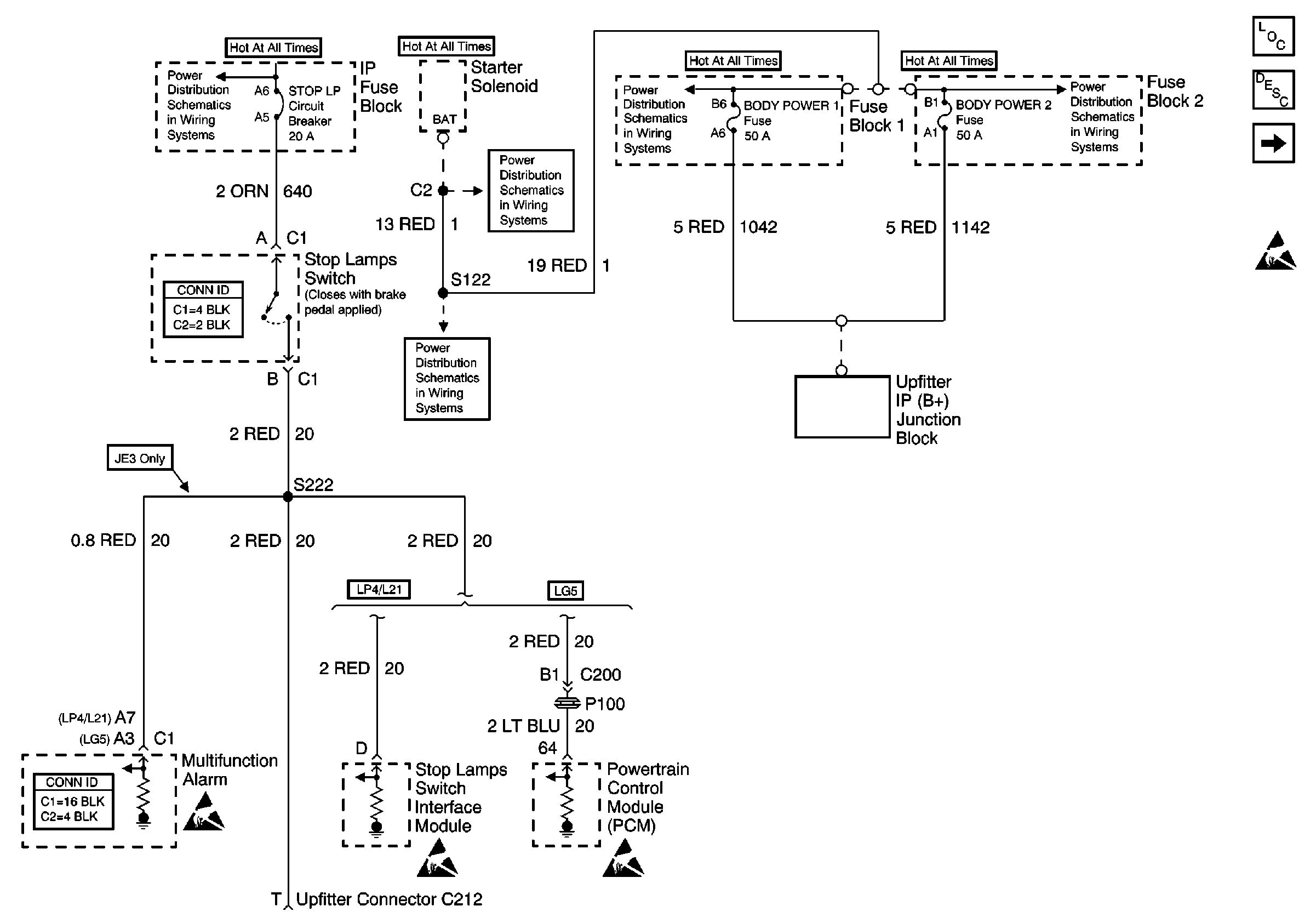
Upfitter Connector C212--Terminal T and Upfitter IP (B+) Junction Block


Object Number: 631587  Size: FS
Power and Grounding Components Upfitter Provisions
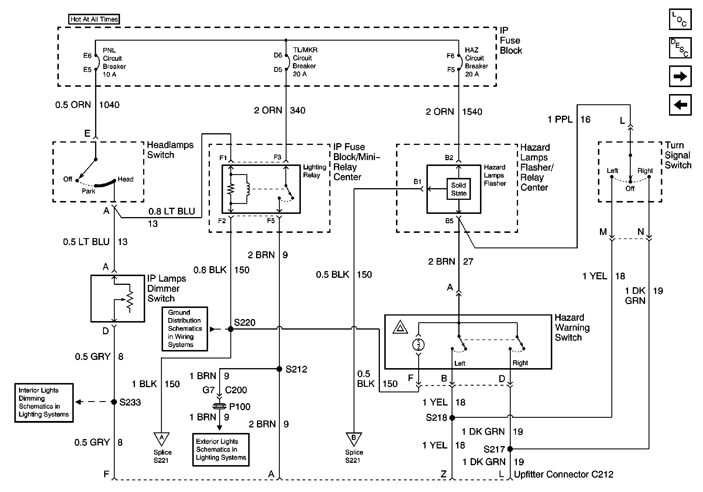
Upfitter Connector C212-Terminals A, F, L and Z
Handling ESD Sensitive Parts Notice
Battery, HORN/STOP, HD LP SW, IGN SW 1 Fuses, BRK, HORNS, STOP LP CircUit Breakers
Engine Controls Connector End Views
Instrument Panel, Gages, and Console Connector End Views
Battery, HORN/STOP, HD LP SW, IGN SW 1 Fuses, BRK, HORNS, STOP LP CircUit Breakers
Battery, HORN/STOP, HD LP SW, IGN SW 1 Fuses, BRK, HORNS, STOP LP CircUit Breakers
Handling ESD Sensitive Parts Notice
Handling ESD Sensitive Parts Notice
ENGINE, AUX, BODY POWER 1 Fuses, ENG, ECM, FUEL, AUX 2, AUX 1, ETM, PCM Circuit Breakers
BODY POWER 2, PCM/INJECTORS, ABS, IGN SW 2, STARTER, LIGHTING Fuses, EVEN INJ, ODD INJ, TL/MKR, PNL, HAZ Circuit Breakers
Figure 2:

Upfitter Connector C212--Terminals A, F, L and Z


Object Number: 631589  Size: FS
Power and Grounding Components Upfitter Provisions
Upfitter Connector C212-Terminals D, G, K, R, and V
Upfitter Connector C212-Terminal T and Upfitter IP (B+) Junction BlocK
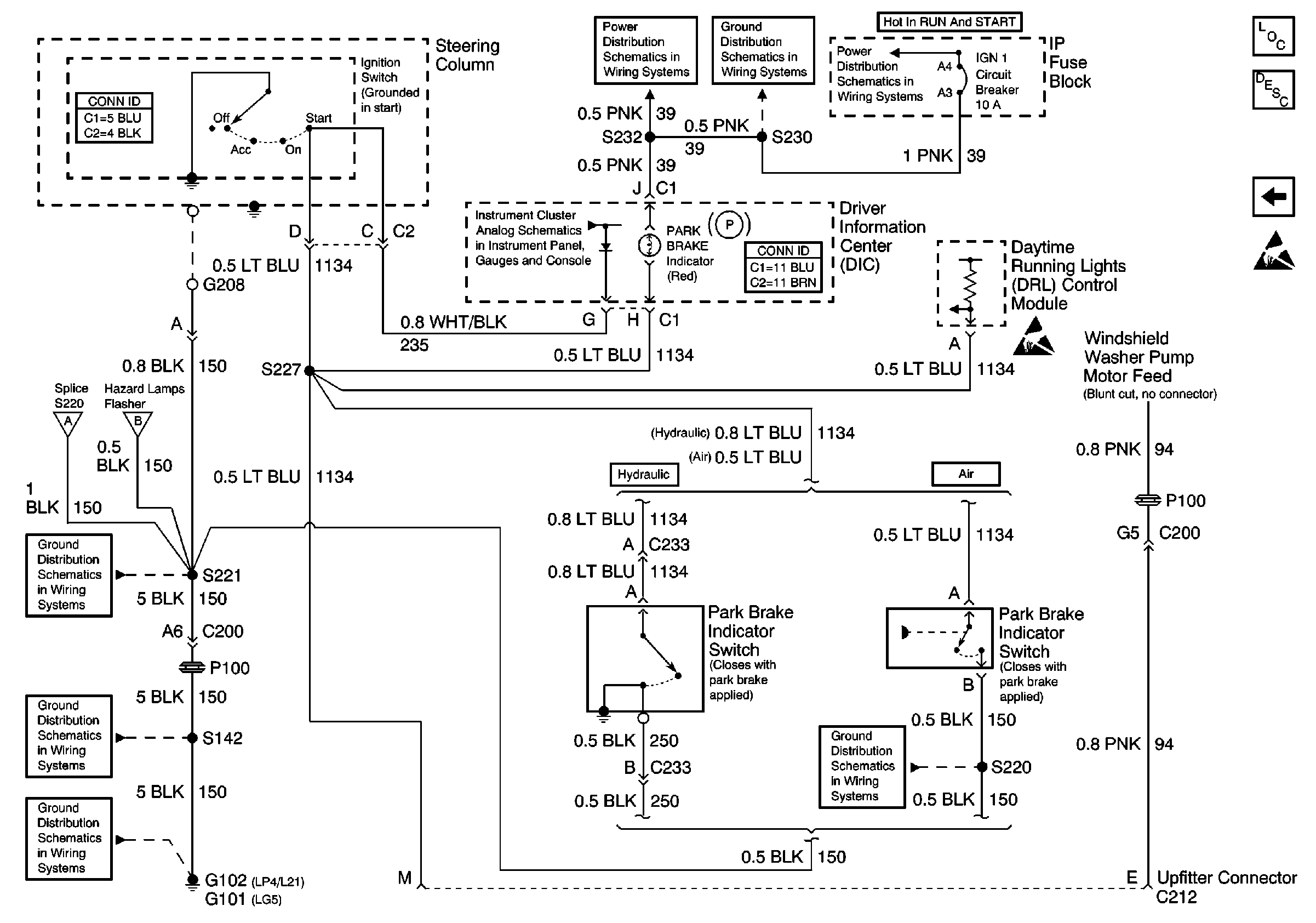
Upfitter Connector C212-Terminals E and M
Upfitter Connector C212-Terminals E and M
Interior Lights
Gasoline Engine, S220
Upfitter Connector C212-Terminals E and M
Park Lamps
Upfitter Connector C212-Terminals E and M
Figure 3:

Upfitter Connector C212--Terminals D, G, K, R, and V


Object Number: 631591  Size: FS
Power and Grounding Components Upfitter Provisions
Upfitter Connector C212-Terminals E and M
Upfitter Connector C212-Terminals A, F, L and Z
AUX 2, CHASSIS, B/U, AUX 1 Circuit Breakers
IGN 3 Circuit Breaker
Transmission Controls Connector End Views
Starting Circuit (1 of 2)
Figure 4:

Upfitter Connector C212--Terminals E and M


Object Number: 631593  Size: FS
Power and Grounding Components Upfitter Provisions
Upfitter Connector C212-Terminals D, G, K, R, and V
Handling ESD Sensitive Parts Notice
Engine Electrical Connector End Views
Upfitter Connector C212-Terminals A, F, L and Z
Gasoline Engine, S221
Gasoline Engine, G102
IGN 1 Circuit Breaker (2 of 2)
IGN 1 Circuit Breaker (1 of 2)
IGN 1 Circuit Breaker (1 of 2)
Instrument Panel, Gages, and Console Connector End Views
Handling ESD Sensitive Parts Notice
Gasoline Engine, S220