GM Service Manual Online
For 1990-2009 cars only
Figure 1:

Cell 20: Power and Grounding, MIL, and DLC


Object Number: 346022  Size: FS
Engine Controls Components
Powertrain Control Module Description
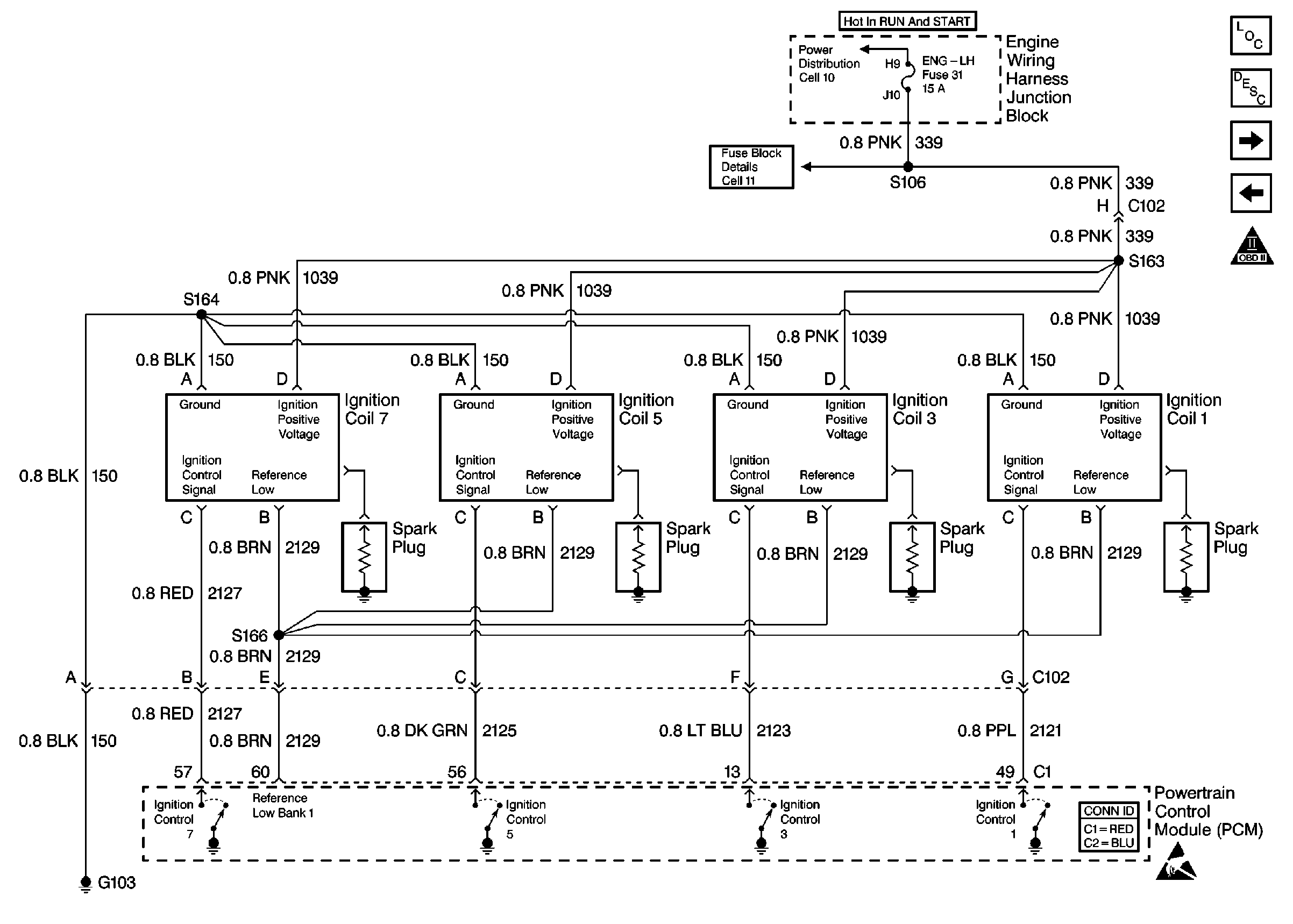
Cell 20: Ignition System 1 - Coils/Modules Bank 1
OBD II Symbol Description Notice
Cell 10: Battery, Starter, Junction Block
Cell 10: Junction Block
Cell 10: Ignition Switch, Fuse Block
Cell 10: Junction Block
Cell 10: Fuse Block, Headlamp Switch
Cell 11: GAUGES, TURN/BU, and TAC fuses
Cell 81: Indicators
Handling ESD Sensitive Parts Notice
Handling ESD Sensitive Parts Notice
Cell 44: ABS Inputs and Outputs
Cell 14: G102
Cell 14: G200
Cell 14: G102
Figure 2:

Cell 20: Ignition System 1 -- Coils/Modules Bank 1


Object Number: 346023  Size: FS
Engine Controls Components
Electronic Ignition (EI) System Description
Cell 20: Ignition System 2 - Coils/Modules Bank 2
Cell 20: Power and Grounding, MIL, and DLC
OBD II Symbol Description Notice
Cell 11: ENG-LH, PCM-I, and ENG-RH fuses
Cell 10: Junction Block
Handling ESD Sensitive Parts Notice
Figure 3:

Cell 20: Ignition System 2 -- Coils/Modules Bank 2


Object Number: 346025  Size: FS
Engine Controls Components
Electronic Ignition (EI) System Description
Cell 20: Ignition System 3 - KS, CKP, CMP, and Tachometer
Cell 20: Ignition System 1 - Coils/Modules Bank 1
OBD II Symbol Description Notice
Cell 10: Junction Block
Cell 11: ENG-LH, PCM-I, and ENG-RH fuses
Handling ESD Sensitive Parts Notice
Figure 4:

Cell 20: Ignition System 3 -- KS, CKP, CMP, and Tachometer


Object Number: 346027  Size: FS
Engine Controls Components
Information Sensors/Switches Description w/TAC
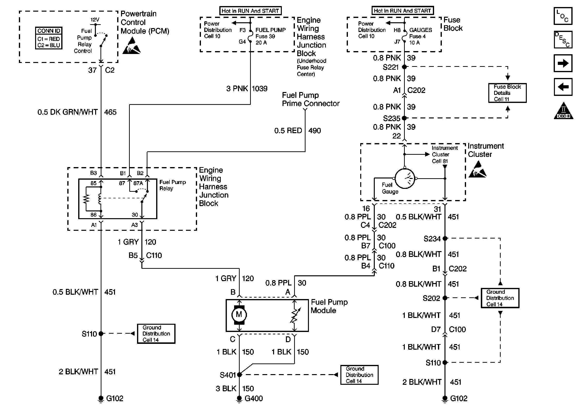
Cell 20: Fuel Controls 1 - Fuel Pump, Sender, Gauge
Cell 20: Ignition System 2 - Coils/Modules Bank 2
OBD II Symbol Description Notice
Cell 10: Junction Block
Cell 11: GAUGES, TURN/BU, and TAC fuses
Cell 81: Gauges
Handling ESD Sensitive Parts Notice
Cell 14: G102
Handling ESD Sensitive Parts Notice
Figure 5:

Cell 20: Fuel Controls 1 -- Fuel Pump, Sender, Gauge


Object Number: 346030  Size: FS
Engine Controls Components
Fuel Supply Component Description
Cell 20: Fuel Controls 2 - Fuel Injectors
Cell 20: Ignition System 3 - KS, CKP, CMP, and Tachometer
OBD II Symbol Description Notice
Handling ESD Sensitive Parts Notice
Cell 10: Junction Block
Cell 10: Junction Block
Cell 11: GAUGES, TURN/BU, and TAC fuses
Figure 6:

Cell 20: Fuel Controls 2 -- Fuel Injectors


Object Number: 346031  Size: FS
Engine Controls Components
Fuel Metering System Component Description
Cell 20: Engine Data Sensors 1 - MAP, ECT, and IAT
Cell 20: Fuel Controls 1 - Fuel Pump, Sender, Gauge
OBD II Symbol Description Notice
Cell 11: ENG-LH, PCM-I, and ENG-RH fuses
Cell 10: Junction Block
Cell 11: ENG-LH, PCM-I, and ENG-RH fuses
Handling ESD Sensitive Parts Notice
Figure 7:

Cell 20: Engine Data Sensors 1 -- MAP, ECT, and IAT


Object Number: 346033  Size: FS
Engine Controls Components
Information Sensors/Switches Description w/TAC
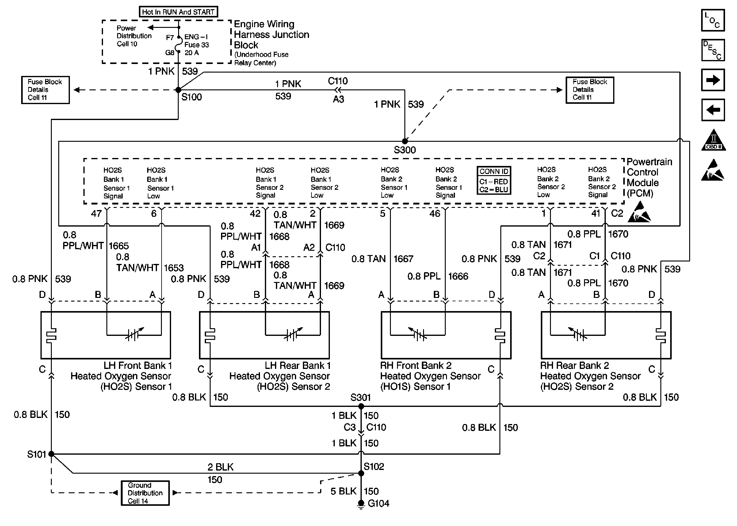
Cell 20: Engine Data Sensors 2 - HO2S
Cell 20: Fuel Controls 2 - Fuel Injectors
OBD II Symbol Description Notice
Handling ESD Sensitive Parts Notice
Handling ESD Sensitive Parts Notice
Figure 8:

Cell 20: Engine Data Sensors 2 -- HO2S


Object Number: 346035  Size: FS
Engine Controls Components
Information Sensors/Switches Description w/TAC
Cell 20: Engine Data Sensors 3 - MAF, VSS, and Speedometer
Cell 20: Engine Data Sensors 1 - MAP, ECT, and IAT
OBD II Symbol Description Notice
Cell 11: ALT/START, AUTO PARK, and ENG-I fuses
Cell 10: Junction Block
Cell 11: ALT/START, AUTO PARK, and ENG-I fuses
Cell 14: G104
Figure 9:

Cell 20: Engine Data Sensors 3 -- MAF, VSS, and Speedometer


Object Number: 346038  Size: FS
Engine Controls Components
Information Sensors/Switches Description w/TAC
Cell 20: EVAP and EGR
Cell 20: Engine Data Sensors 2 - HO2S
OBD II Symbol Description Notice
Cell 10: Junction Block
Cell 11: ALT/START, AUTO PARK, and ENG-I fuses
Cell 10: Junction Block
Cell 11: GAUGES, TURN/BU, and TAC fuses
Cell 81: Gauges
Handling ESD Sensitive Parts Notice
Handling ESD Sensitive Parts Notice
Cell 14: G102
Handling ESD Sensitive Parts Notice
Cell 14: G102
Cell 14: G102
Figure 10:

Cell 20: EVAP and EGR


Object Number: 346040  Size: FS
Engine Controls Components
Information Sensors/Switches Description w/TAC
Cell 20: Throttle Control
Cell 20: Engine Data Sensors 3 - MAF, VSS, and Speedometer
OBD II Symbol Description Notice
Handling ESD Sensitive Parts Notice
Cell 11: ALT/START, AUTO PARK, and ENG-I fuses
Cell 10: Junction Block
Handling ESD Sensitive Parts Notice
Figure 11:

Cell 20: Throttle Control


Object Number: 346044  Size: FS
Engine Controls Components
Throttle Actuator Control (TAC) System Description
Cell 20: Accelerator Pedal Position Sensor and Cruise Control
Cell 20: EVAP and EGR
OBD II Symbol Description Notice
Cell 11: GAUGES, TURN/BU, and TAC fuses
Cell 10: Junction Block
Handling ESD Sensitive Parts Notice
Handling ESD Sensitive Parts Notice
Cell 14: G102
Handling ESD Sensitive Parts Notice
Handling ESD Sensitive Parts Notice
Cell 81: Indicators
Figure 12:

Cell 20: Accelerator Pedal Position Sensor and Cruise Control


Object Number: 346045  Size: FS
Engine Controls Components
Throttle Actuator Control (TAC) System Description
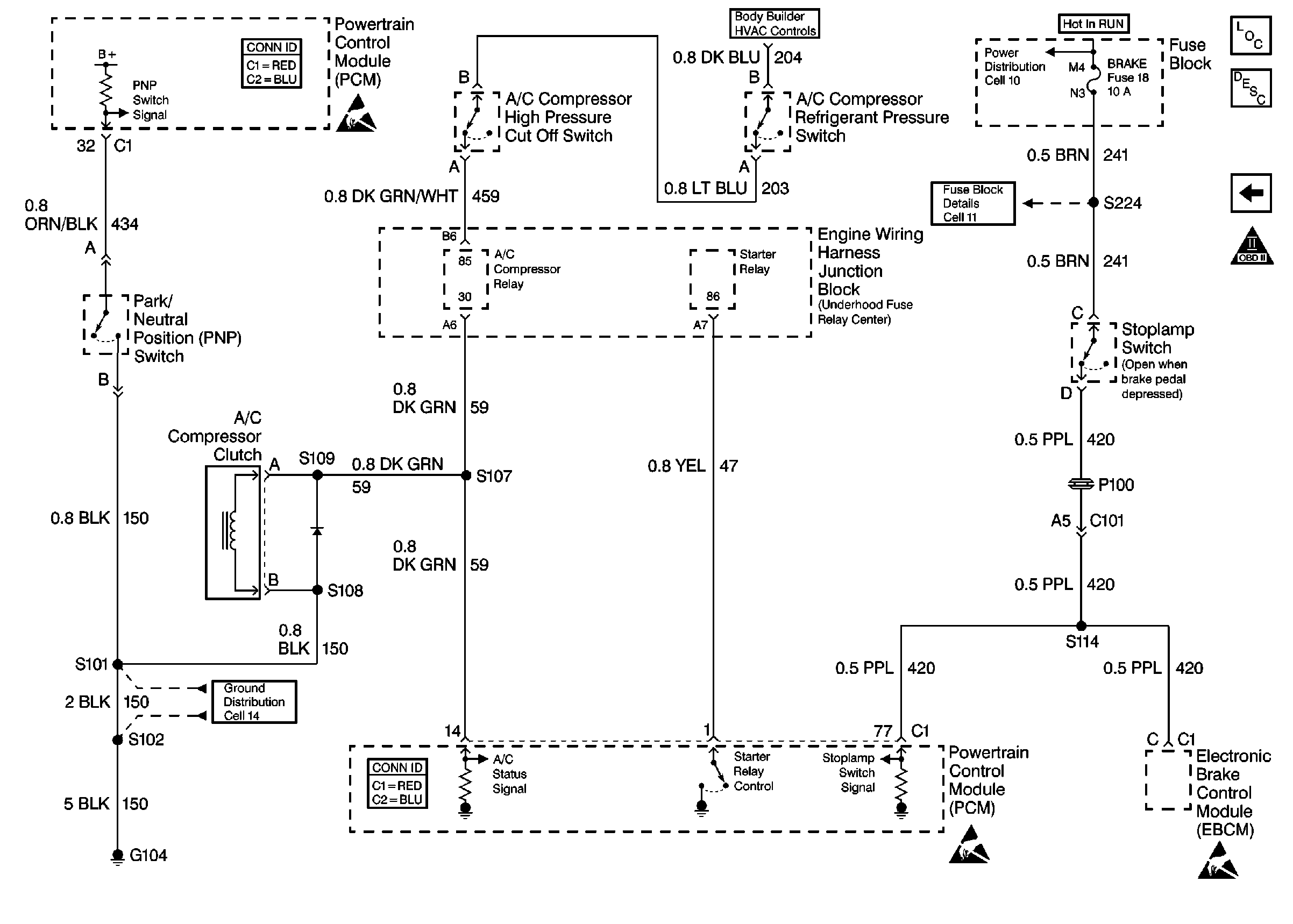
Cell 20: A/C, ABS, and Starter Relay Interfaces
Cell 20: Throttle Control
OBD II Symbol Description Notice
Cell 10: Ignition Switch, Fuse Block
Cell 10: Fuse Block, Headlamp Switch
Cell 11: ILLUM, RADIO BATT, CIG LTR, AUX PWR, and STOP HZRD fuses, PWR ACCY 1 CKT BRKR
Cell 110: Exterior Lights Fuses
Handling ESD Sensitive Parts Notice
Figure 13:

Cell 20: A/C, ABS, and Starter Relay Interfaces


Object Number: 346048  Size: FS
Engine Controls Components
Relays and Sensors Description
Cell 20: Accelerator Pedal Position Sensor and Cruise Control
OBD II Symbol Description Notice
Handling ESD Sensitive Parts Notice
Cell 11: CRUISE, BRAKE, STEP, JACK, RADIO/ACC, and WIPER fuses, PWR ACCY 2 CKT BRKR
Cell 10: Ignition Switch, Fuse Block
Handling ESD Sensitive Parts Notice
Handling ESD Sensitive Parts Notice