GM Service Manual Online
For 1990-2009 cars only
Figure 1:

Power, Ground, DLC, Tachometer and Speedometer


Object Number: 872305  Size: FS
Master Electrical Component List
Instrument Cluster Description and Operation
Indicators
G104
G104
Fuse Block-I/P Fuses 15, 16, 13, 20 and 19
Fuse Block-I/P Fuses 15, 16, 13, 20 and 19
Figure 2:

Indicators


Object Number: 690468  Size: FS
Master Electrical Component List
Instrument Cluster Description and Operation
Temperature, Fuel Level and Oil Pressure Gauges
Power, Ground, Tachometer and Speedometer
Fog Lamp Switch
Star Connectors
Module Power, Ground, Serial Data and MIL
Solenoid Controls and TFT Sensor
Seat Belts Schematics
Brake Warning System Schematic
Engine Cooling Schematic
Wipers/Washers System Schematic
Hazard Warning Switch and Turn Signal Switch
Rear Fog Lamps - Europ
G201
G201
Figure 3:

Temperature, Fuel Level and Oil Pressure Gages


Object Number: 1221956  Size: FS
Master Electrical Component List
Instrument Cluster Description and Operation
Driver Information Center, Engine Oil Temperature Gauge Sensor and Dimmer Switch
Indicators
Star Connectors
Fuel Controls - Evap Controls
G401
G106 and G105
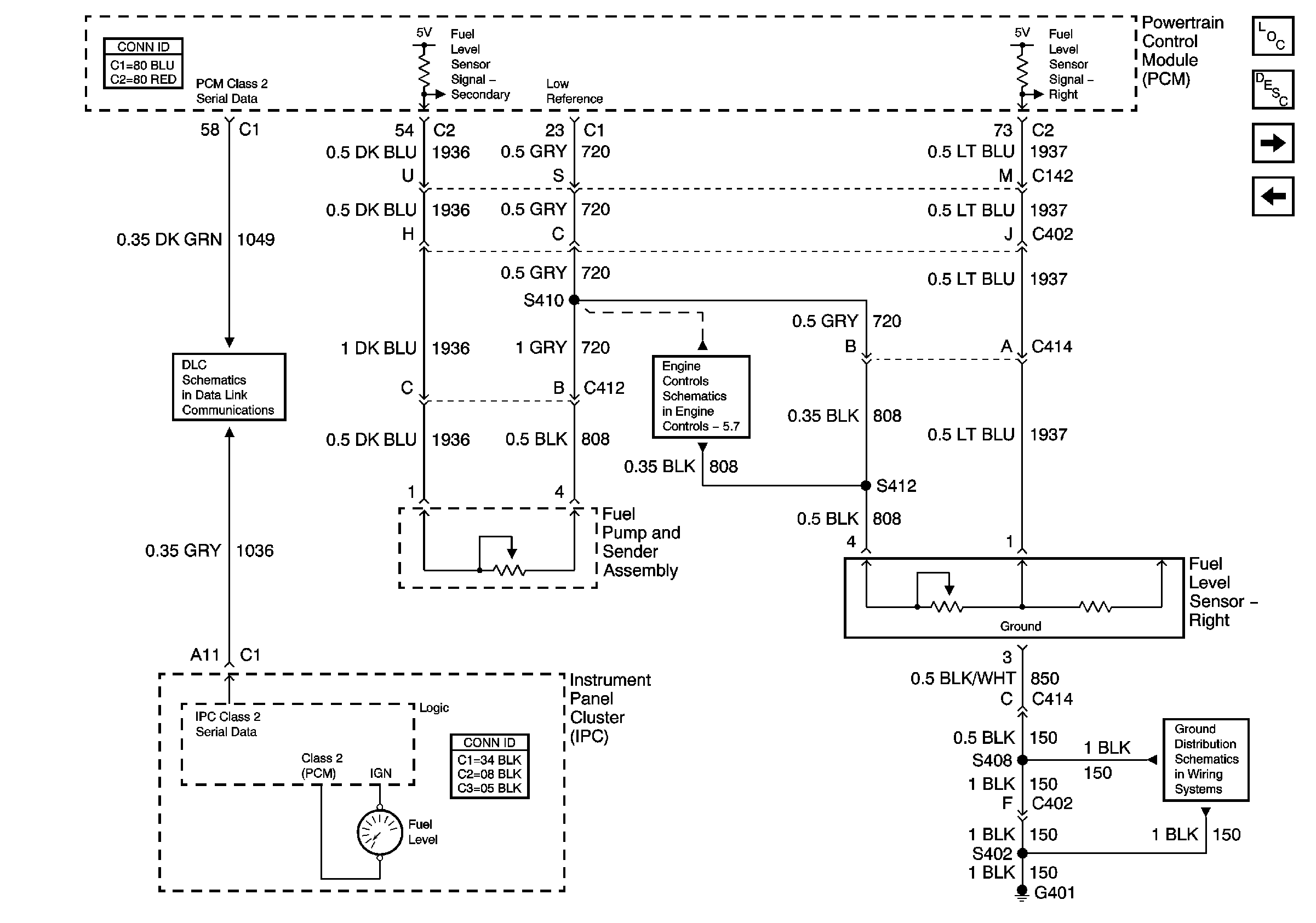
Figure 4:

Fuel Level Signals (W/FFS)


Object Number: 894496  Size: FS
Figure 5:

Driver Information Center, Engine Oil Temperature Gage Sensor and Dimmer Switch


Object Number: 690478  Size: FS
Master Electrical Component List
Instrument Cluster Description and Operation
Temperature, Fuel Level and Oil Pressure Gauges
Star Connectors