GM Service Manual Online
For 1990-2009 cars only
Figure 1:

Transmission Control Module (TCM) Power, Ground, Serial Data, Hold Mode Indicator Control


Object Number: 1257044  Size: FS
Master Electrical Component List
Transmission Control Module (TCM) - Engine Control Module (ECM) Communications
STOP LAMPS, HI BEAM PASSING, ECM Fuses
WPR, TCM BTSI, BCM ABS, CLSTR AUTO A/C, WSWA Fuses
WPR, TCM BTSI, BCM ABS, CLSTR AUTO A/C, WSWA Fuses
STOP LAMPS, HI BEAM PASSING, ECM Fuses
WPR, TCM BTSI, BCM ABS, CLSTR AUTO A/C, WSWA Fuses
G103 (2.0L MR140)
DLC Schematics
G103 (2.0L MR140)
G103 (2.0L MR140)
G201, G202, SP203
G201, G202, SP203
Figure 2:

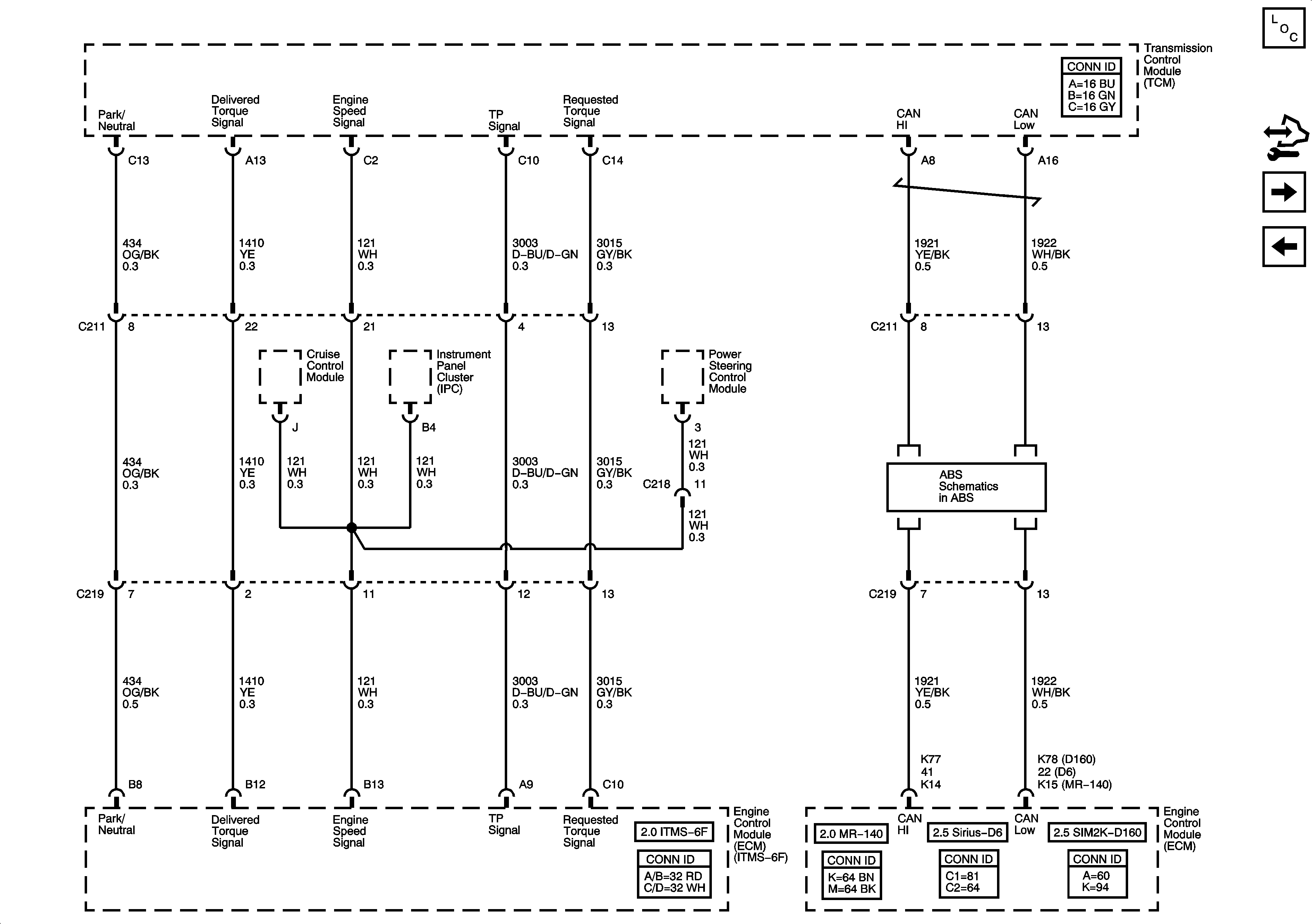
Transmission Control Module (TCM) - Engine Control Module (ECM) Communications


Object Number: 1692694  Size: FS
Master Electrical Component List
Shift and Pressure Control solenoids
Transmission Control Module (TCM) Power, Ground, Serial Data, Hold Mode Indicator Control
Serial Data, CAN Resistor, Oil Feeding Connector
Figure 3:

Shift and Pressure Control Solenoids


Object Number: 1461096  Size: FS
Master Electrical Component List
Vehicle Speed Signal
Transmission Control Module (TCM) - Engine Control Module (ECM) Communications
STOP LAMPS, HI BEAM PASSING, ECM Fuses
EBCM, Power, Ground, Indicator Lamps, Stop Lamp Switch, Traction Control Switch
Stop Lamps
Stop Lamps
Figure 4:

Park/Neutral Position (PNP) Switch


Object Number: 1685637  Size: FS
Master Electrical Component List
Park/Neutral Position Switch
Shift and Pressure Control solenoids
Figure 5:

Park/Neutral Position (PNP) Switch


Object Number: 1685638  Size: FS
Master Electrical Component List
Vehicle Speed Signal
IGN 1, Fuse, Ignition Switch, I/P Fuse Block, - LTR, HTD SEAT, CLK, RADIO, AIR BAG, BCK/UP, CRUISE, ECM Fuses
WPR, TCM BTSI, BCM ABS, CLSTR AUTO A/C, WSWA Fuses
Starting System
WPR, TCM BTSI, BCM ABS, CLSTR AUTO A/C, WSWA Fuses
G103 (2.0L MR140)
Backup Lamps
G103 (2.0L MR140)