GM Service Manual Online
For 1990-2009 cars only
Figure 1:

Door Lock Indicators, Power, Ground, Data Link, and Engine References


Object Number: 1769523  Size: FS
Master Electrical Component List
Body Control System Description and Operation
Control Module References
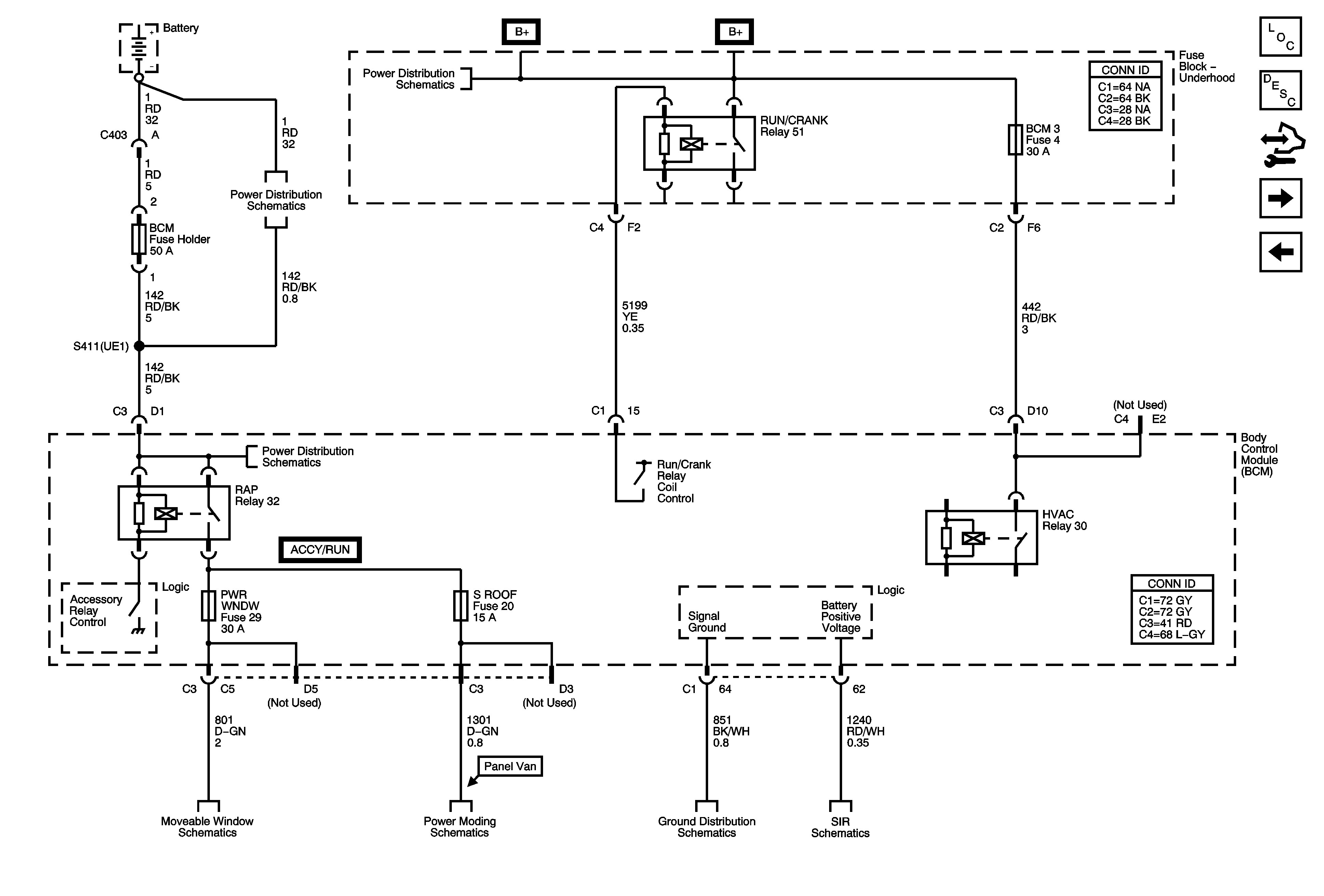
Run/Crank, RAP, HVAC Relays, BCM3, PWR Windows, Sunroof Fuses
Underhood Fuse Block - RUN/CRANK Relay, I/P IGN, PRK/NEUT, HTD/SEAT/BKC/UP, ABS (10A), ECM TRANS, ABS (30A), EPS, BCM2, BCM3, FRT AUX PWR OUTLET, S-BAND Fuses
Body Control Module - BCM2, HVAC/PK3, CLUSTER, IGN SW, STOP LPS, and AMP Fuses
Body Control Module - RAP, DRIVER DOOR UNLOCK PCB, DOOR UNLOCK PCB, DOOR LOCK PCB, and INTERIOR LAMPS PCB Relays, RDO, PWR WINDW, DR LCK, INT LIGHT, ECM/TCM, SDM, S ROOF and SPARE Fuses
High Speed GMLAN
DLC Power, Ground, and Low Speed GMLAN
Body Control Module - BCM2, HVAC/PK3, CLUSTER, IGN SW, STOP LPS, and AMP Fuses
Interior Lights
Door Lock Indicators
G201, G203
Figure 2:

RUN/CRANK, RAP, HVAC Relays, BCM3, PWR WNDW, SROOF Fuses


Object Number: 1769534  Size: FS
Master Electrical Component List
Body Control System Description and Operation
Control Module References
SIR, Shift Lock Control, ABS, Brake Warning, Cruise Control, Keyless Entry, Wiper Washer, Engine Controls
Door Lock Indicators, Power, Ground, Data Link, and Engine References
Underhood Fuse Block - B+ Bus
Underhood Fuse Block - RUN/CRANK Relay, I/P IGN, PRK/NEUT, HTD/SEAT/BKC/UP, ABS (10A), ECM TRANS, ABS (30A), EPS, BCM2, BCM3, FRT AUX PWR OUTLET, S-BAND Fuses
Body Control Module - RAP, DRIVER DOOR UNLOCK PCB, DOOR UNLOCK PCB, DOOR LOCK PCB, and INTERIOR LAMPS PCB Relays, RDO, PWR WINDW, DR LCK, INT LIGHT, ECM/TCM, SDM, S ROOF and SPARE Fuses
Power Windows
Power Moding Schematics - Retained Accessory Power (RAP)
G402
Indicators, Power, Ground, Pretensioners, and Front Air Bag Modules
Figure 3:

SIR, Shift Lock Control, ABS, Brake Warning, Cruise Control, Keyless Entry, Wiper/Washer, Engine Controls


Object Number: 1769536  Size: FS
Master Electrical Component List
Body Control System Description and Operation
Control Module References
Lighting System References
Run/Crank, RAP, HVAC Relays, BCM3, PWR Windows, Sunroof Fuses
Power, Ground, MIL and DLC
Power, Ground, MIL and DLC
TCM Power, Ground
G301, G306
Ambient Air Temperature Sensor, EOP Sensor, Fuel Level Sensor, and Indicators
Compressor Controls
Brake Warning System
Power, Ground, and Switches
Charging
Automatic Transmission Shift Lock Control
Rear Wiper/Washer Control
Seat Belts
Keyless Entry
Figure 4:

Lighting System References


Object Number: 1769540  Size: FS
Master Electrical Component List
Body Control System Description and Operation
Control Module References
Body Rear End, Defogger, Headlights, DRL, Horns, and Wiper/Washer References
SIR, Shift Lock Control, ABS, Brake Warning, Cruise Control, Keyless Entry, Wiper Washer, Engine Controls
Fog Lamps
Inputs
Park/Turn Signal/DRL, License and Side Marker Lamps
Dimmer Switch, Radio, Hazard, Fog Lamp, Steering Wheel Controls and Rear Wiper/Washer Switches
Interior Lights
Dimmer Switch, Radio, Hazard, Fog Lamp, Steering Wheel Controls and Rear Wiper/Washer Switches
HVAC Control Module, Console Flood Lamp, A/T Shift Lock Control Solenoid, Door Lock Switches, and Outside Rearview Mirror
Headlights/Daytime Running Lights (DRL)
Park/Turn Signal/DRL, License and Side Marker Lamps
Center High Mounted Stop Lamp, B+
Figure 5:

Body Rear End, Defogger, Headlights, DRL, Horns, and Wiper/Washer References


Object Number: 1769543  Size: FS
Master Electrical Component List
Body Control System Description and Operation
Control Module References
Lighting System References
Content Theft Deterrent
Rear Defogger
Horns
Front Wiper/Washer Control
Liftgate/Rear Access Panel Schematics (Panel Van) 1 of 2
Liftgate (Except Panel Van)
Headlights/Daytime Running Lights (DRL)