GM Service Manual Online
For 1990-2009 cars only
Figure 1:

Instrument Panel Cluster 1 of 2


Object Number: 1841300  Size: FS
Master Electrical Component List
Instrument Cluster Description and Operation
Control Module References
Instrument Panel Cluster - 2 of 2
TRANS Fuse/Circuit Breaker
RDO/CHIME, CHMSL, and PWR POST Fuses/Circuit Breakers
RDO/CHIME, CHMSL, and PWR POST Fuses/Circuit Breakers
AUX WIRE and IGN 4 - Fuses/Circuit Breakers
Ignition Switch - RUN and ACC/RUN Busses
AIRBAG, GAUGES, LT REAR TURN/STOP, and RT REAR TURN/STOP Fuses/Circuit Breakers
Ignition Switch - OFF/RUN/START, RUN/START, and START Busses
Park and Marker Lamps
Headlights/Daytime Running Lamps (DRL) Schematics
Hazard, Stop, and Turn Signal Controls
Interior Lights Dimming Schematics
Fuse Block, IGN-A Relay, Ground, Serial Data and MIL
Module Power, Ground, Serial Data, and MIL
Modular Power, Ground, Serial Data, and MIL
Module Ground, Serial Data, and MIL
Fuse Block, IGN-A Relay, Ground, Serial Data and MIL
Module Ground, Serial Data, and MIL, Wait to Start, Water in Fuel Indicators
Headlights/Daytime Running Lamps (DRL) Schematics
Air Brake Warning System
Audible Warning Schematics
Hydraulic Brakes
Air Brake Warning System
G101 - 2 of 2
Figure 2:

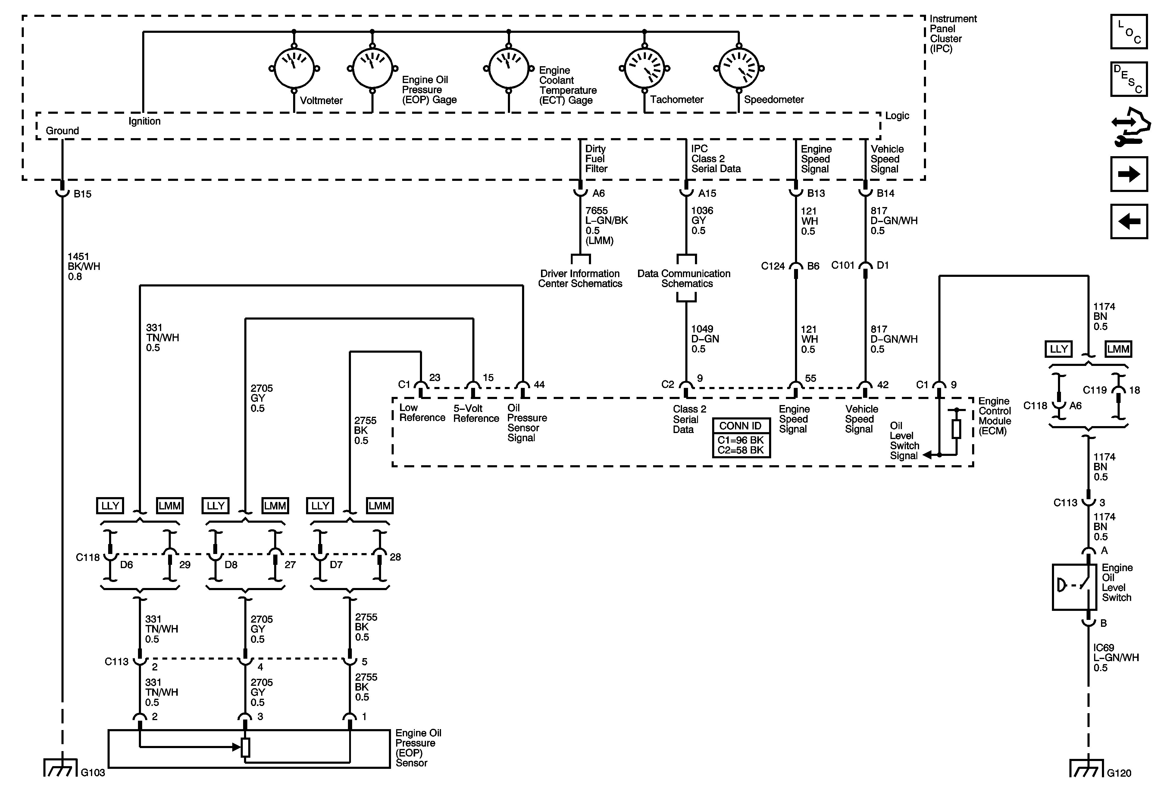
Instrument Panel Cluster 2 of 2


Object Number: 1841306  Size: FS
Master Electrical Component List
Instrument Cluster Description and Operation
Control Module References
Instrument Panel Cluster - LLY/LMM
Instrument Panel Cluster - 1 of 2
G103 - 1 of 2, G105, and G106
Splice Pack SP203
Engine Data Sensors - Pressure and Temperature
G100 - L18
Figure 3:

Instrument Panel Cluster LLY/LMM


Object Number: 1856649  Size: FS
Master Electrical Component List
Instrument Cluster Description and Operation
Control Module References
Fuel Gage
Instrument Panel Cluster - 2 of 2
G103 - 1 of 2, G105, and G106
2007 MD-560C Driver Information System Schematics - DIC
Splice Pack SP203
G100 - L18
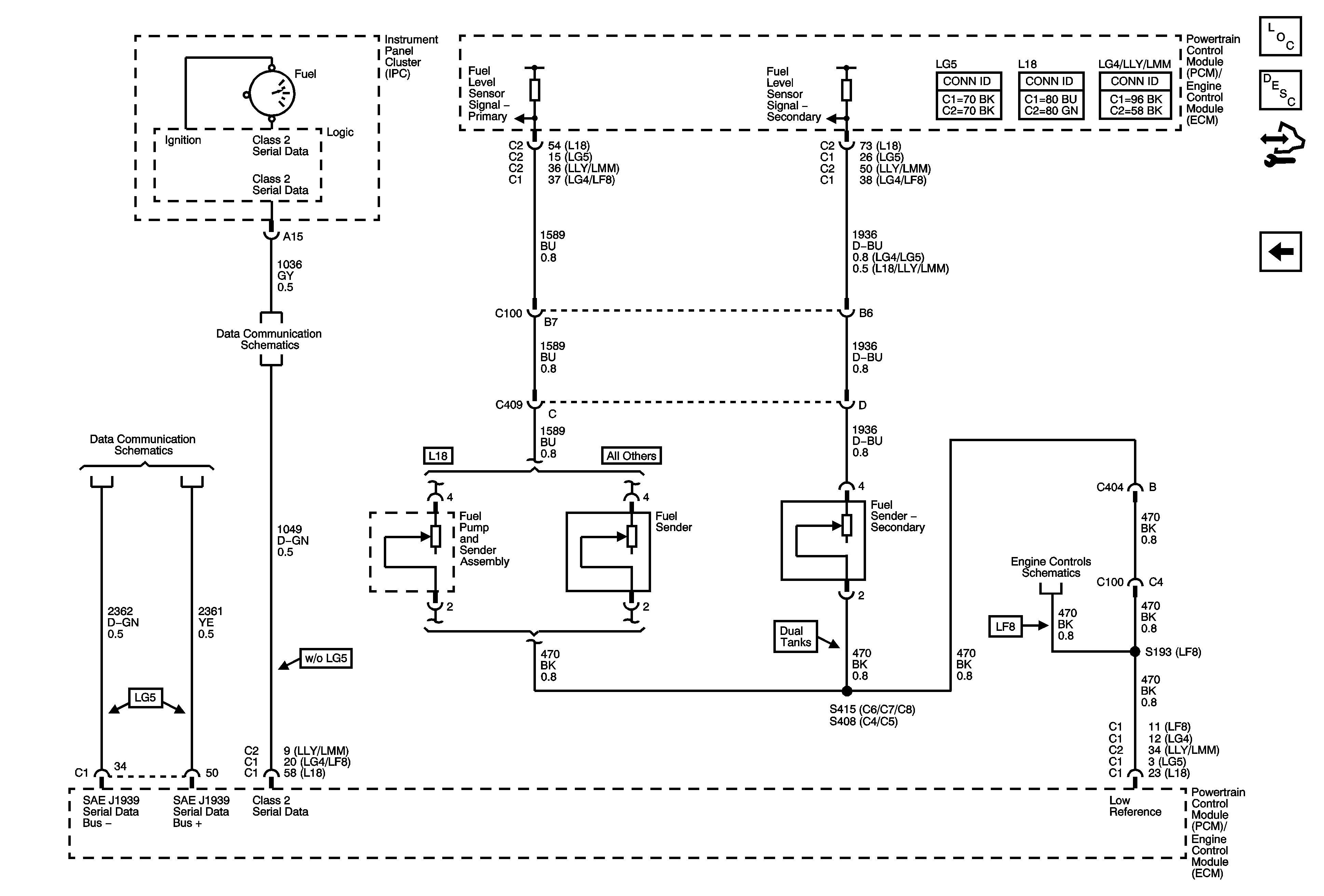
Figure 4:

Fuel Gage


Object Number: 1841320  Size: FS
Master Electrical Component List
Instrument Cluster Description and Operation
Control Module References
Instrument Panel Cluster - LLY/LMM
J1939 Serial Data, 2 of 2 - L18 w/JE4, LG4, LG5
Splice Pack SP203
Engine Data Sensors - Manifold, and Engine Oil Pressure, Turbocharger Vane Position, and Intake Throttle