GM Service Manual Online
For 1990-2009 cars only
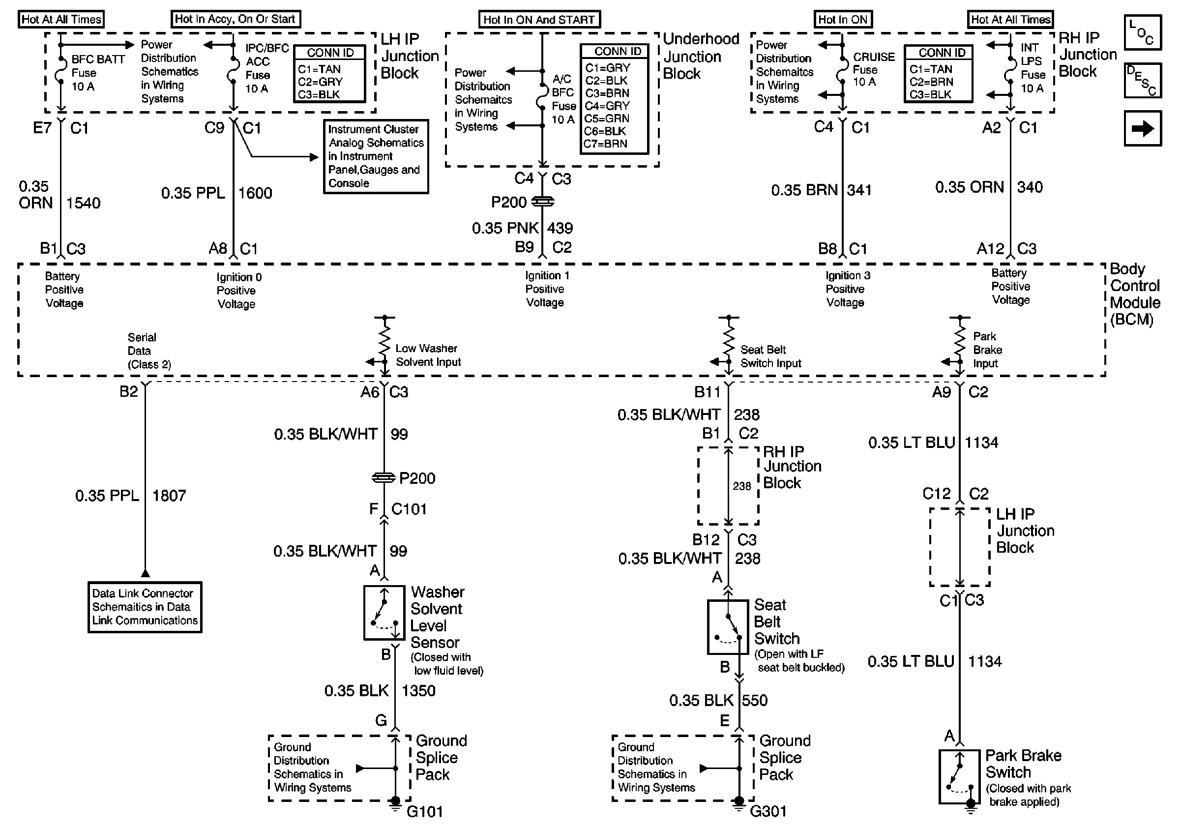
Figure 1:

Power Circuits, Washer Solvent Level Sensor, Seat Belt Switch, Park Brake Switch and Class 2 Data Link


Object Number: 527999  Size: FS
Body Control Module Components
Body Control System Operation
Ignition Switch and Left Front Door Ajar Switch
Power Distribution Schematics
Power Distribution Schematics
Power Distribution Schematics
Ground Distribution Schematics
Ground Distribution Schematics
Data Link Connector Schematics
Instrument Cluster: Analog Schematics
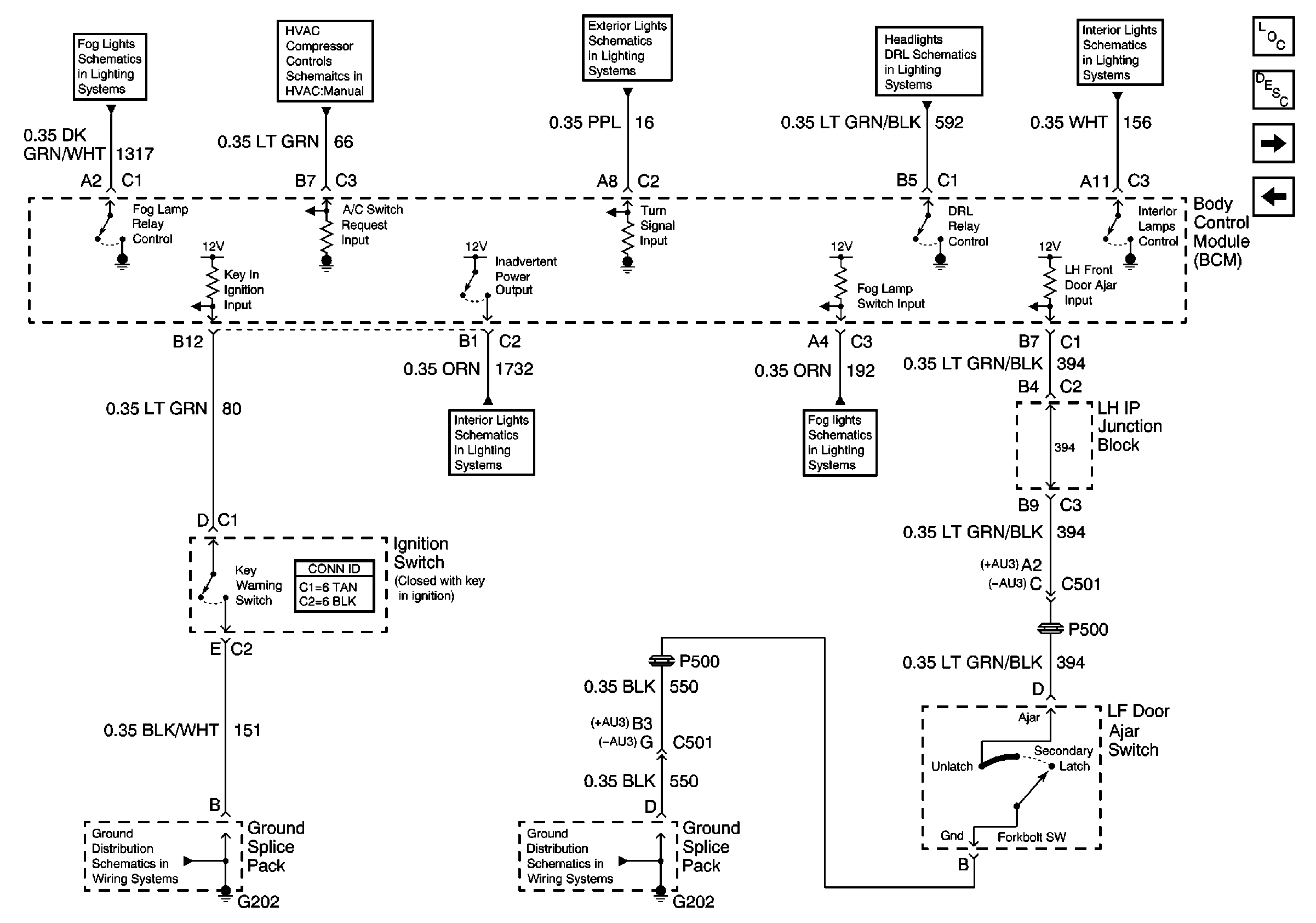
Figure 2:

Ignition Switch and Left Front Door Ajar Switch


Object Number: 528004  Size: FS
Body Control Module Components
Body Control System Operation
Fog Lights Schematics
HVAC Compressor Control Schematics
Exterior Lights Schematics
Headlights/Daytime Running Lights (DRL) Schematics
Interior Lights Schematics
Door Lock and Unlock Controls, Horn Relay Control, Rear Lid Release Switch and Brake Fluid Level Switch
Power Circuits, Washer Solvent Level Sensor, Seat Belt Switch, Park Brake Switch and Class 2 Data Link
Interior Lights Schematics
Fog Lights Schematics
Ground Distribution Schematics
Ground Distribution Schematics
Figure 3:

Door Lock and Unlock Controls, Horn Relay Control, Rear Lid Release Switch and Brake Fluid Level Switch


Object Number: 614545  Size: FS
Body Control Module Components
Body Control System Operation
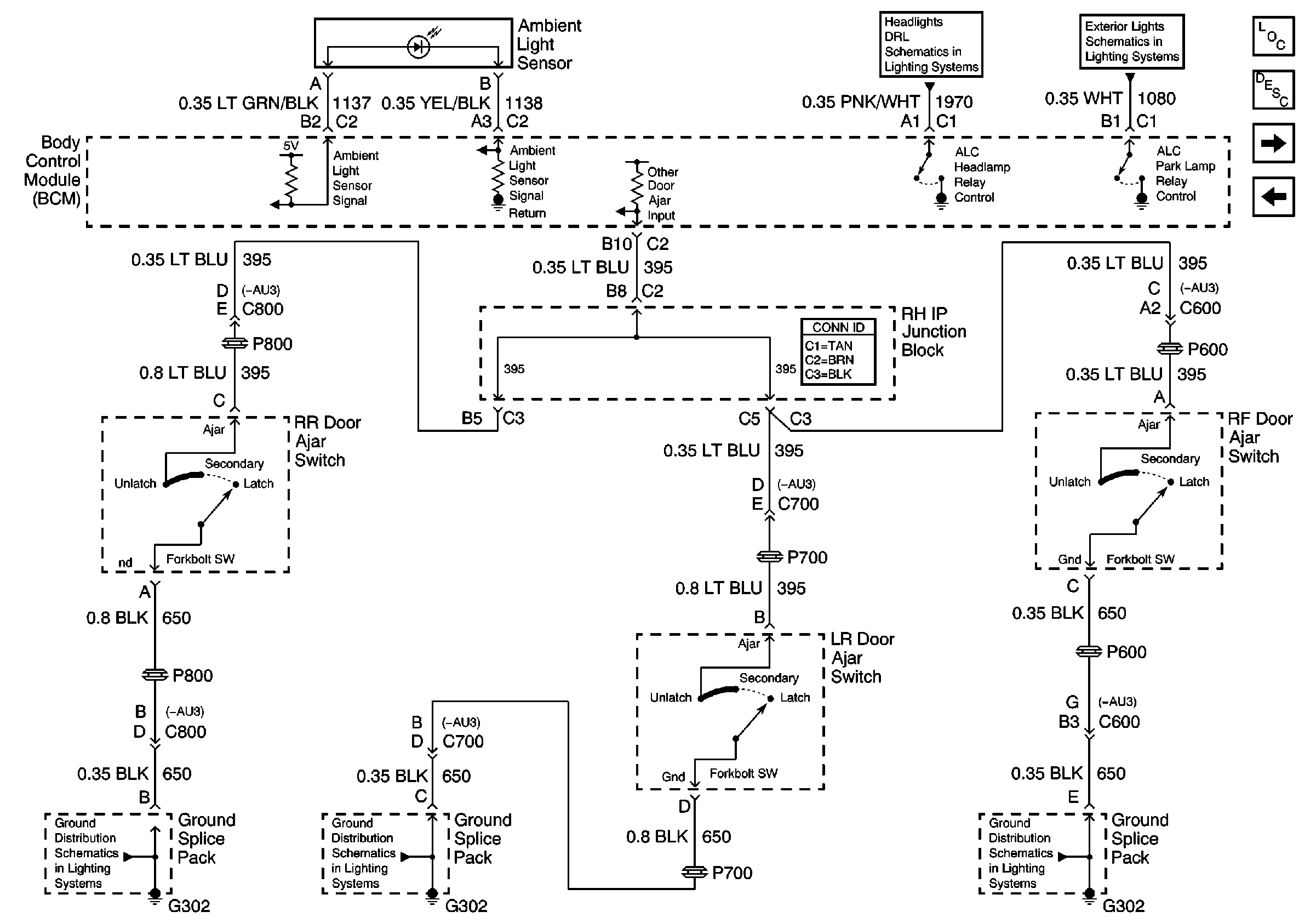
Right Rear, Left Rear, Right Front Door Ajar Switches and Ambient Light SensOR
Ignition Switch and Left Front Door Ajar Switch
Door Lock/Indicator Schematics
Door Lock/Indicator Schematics
Door Lock/Indicator Schematics
Horn Schematics
Ground Distribution Schematics
Ground Distribution Schematics
Release Systems Schematics
Keyless Entry Schematics
Figure 4:

Right Rear, Left Rear, Right Front Door Ajar Switches and Ambient Light Sensor


Object Number: 528006  Size: FS
Body Control Module Components
Body Control System Operation
Instrument Cluster, Passlock ™ Cylinder, Lighting Inputs and Coolant LeVEL Switch
Door Lock and Unlock Controls, Horn Relay Control, Rear Lid Release Switch and Brake Fluid Level Switch
Headlights/Daytime Running Lights (DRL) Schematics
Exterior Lights Schematics
Ground Distribution Schematics
Ground Distribution Schematics
Ground Distribution Schematics
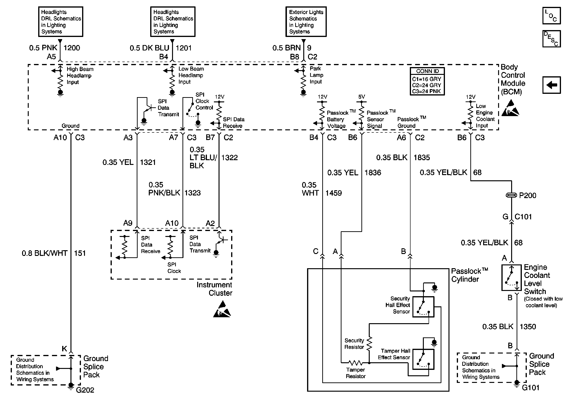
Figure 5:

Instrument Cluster, Passlockā„¢ Cylinder, Lighting Inputs and Coolant Level Switch


Object Number: 528009  Size: FS
Body Control Module Components
Body Control System Operation
Right Rear, Left Rear, Right Front Door Ajar Switches and Ambient Light SensOR
Headlights/Daytime Running Lights (DRL) Schematics
Headlights/Daytime Running Lights (DRL) Schematics
Exterior Lights Schematics
Ground Distribution Schematics
Ground Distribution Schematics