GM Service Manual Online
For 1990-2009 cars only
Figure 1:

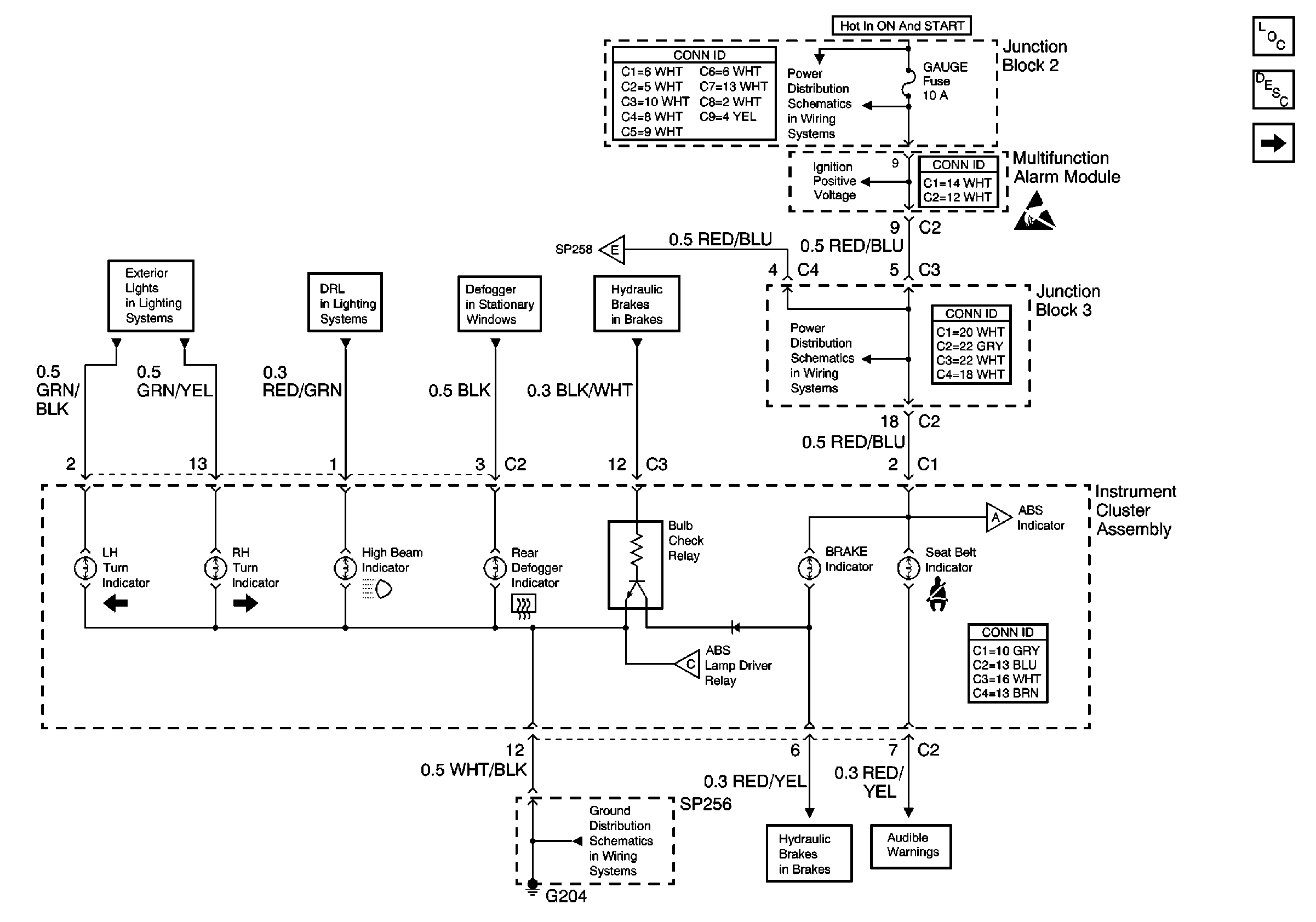
Turn, High Beam, Defogger, Brake, and Seat Belt Indicator


Object Number: 626198  Size: FS
Instrument Panel, Gages, and Console Component Views
Instrument Cluster Circuit Description
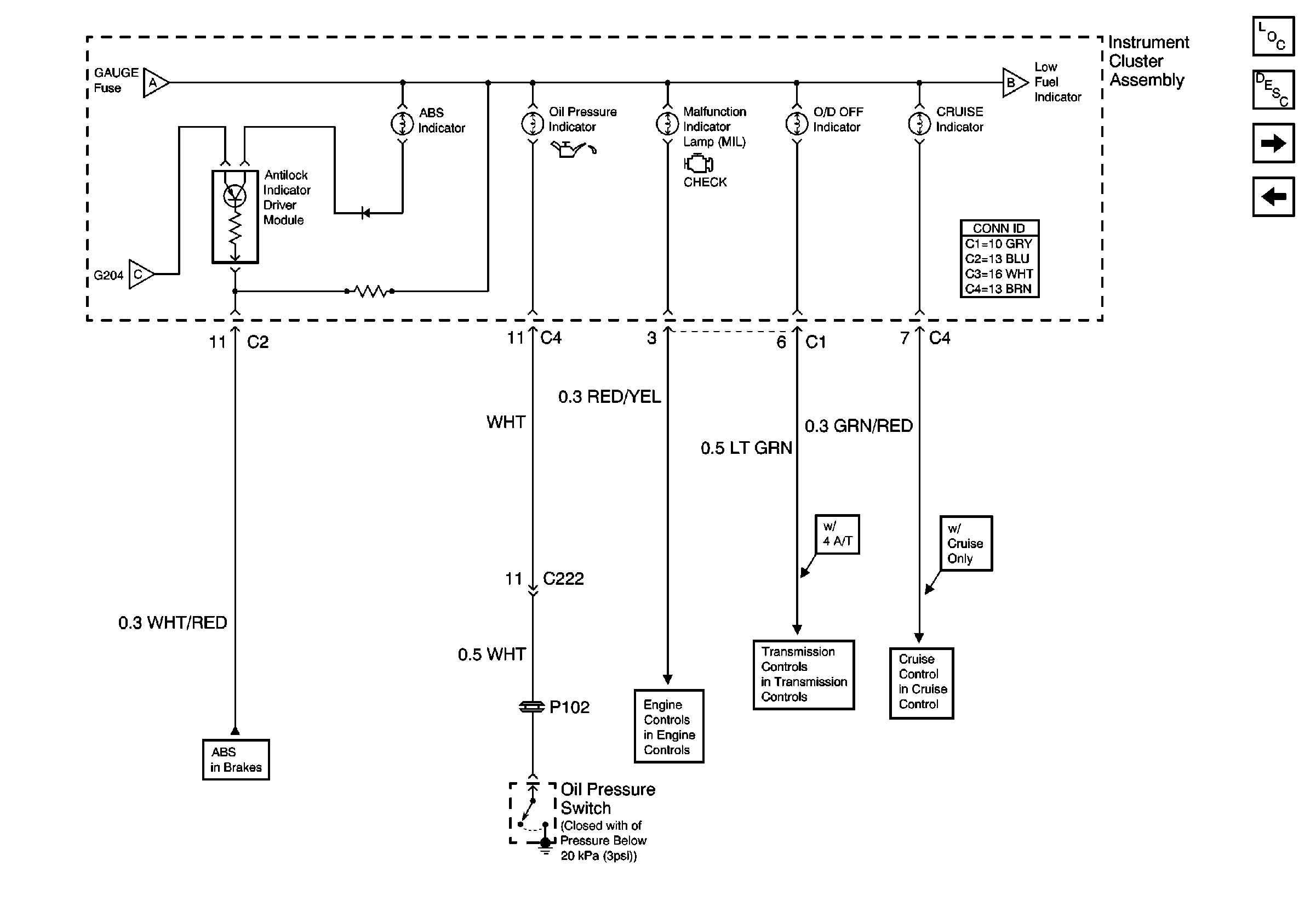
ABS, Oil Pressure, MIL, O/D OFF, and Cruise Indicators
Handling ESD Sensitive Parts Notice
Cell 10: Gauge Fuse
Cell 10: Gauge Fuse
Cell 14: G204 and SP256
Cell 41
Cell 41
Cell 61
Cell 76: Ignition Key Alarm Switch, Door open Indicator, and Seat Belt Indicator
Cell 110: Hazard Switch, Turn/Hazard Flasher, and Turn Signal Switch
Cell 102: Light Switch, Dimmer Switch DRL Control Module
Figure 2:

ABS, Oil Pressure, MIL, O/D OFF, and Cruise Indicators


Object Number: 626201  Size: FS
Instrument Panel, Gages, and Console Component Views
Instrument Cluster Circuit Description
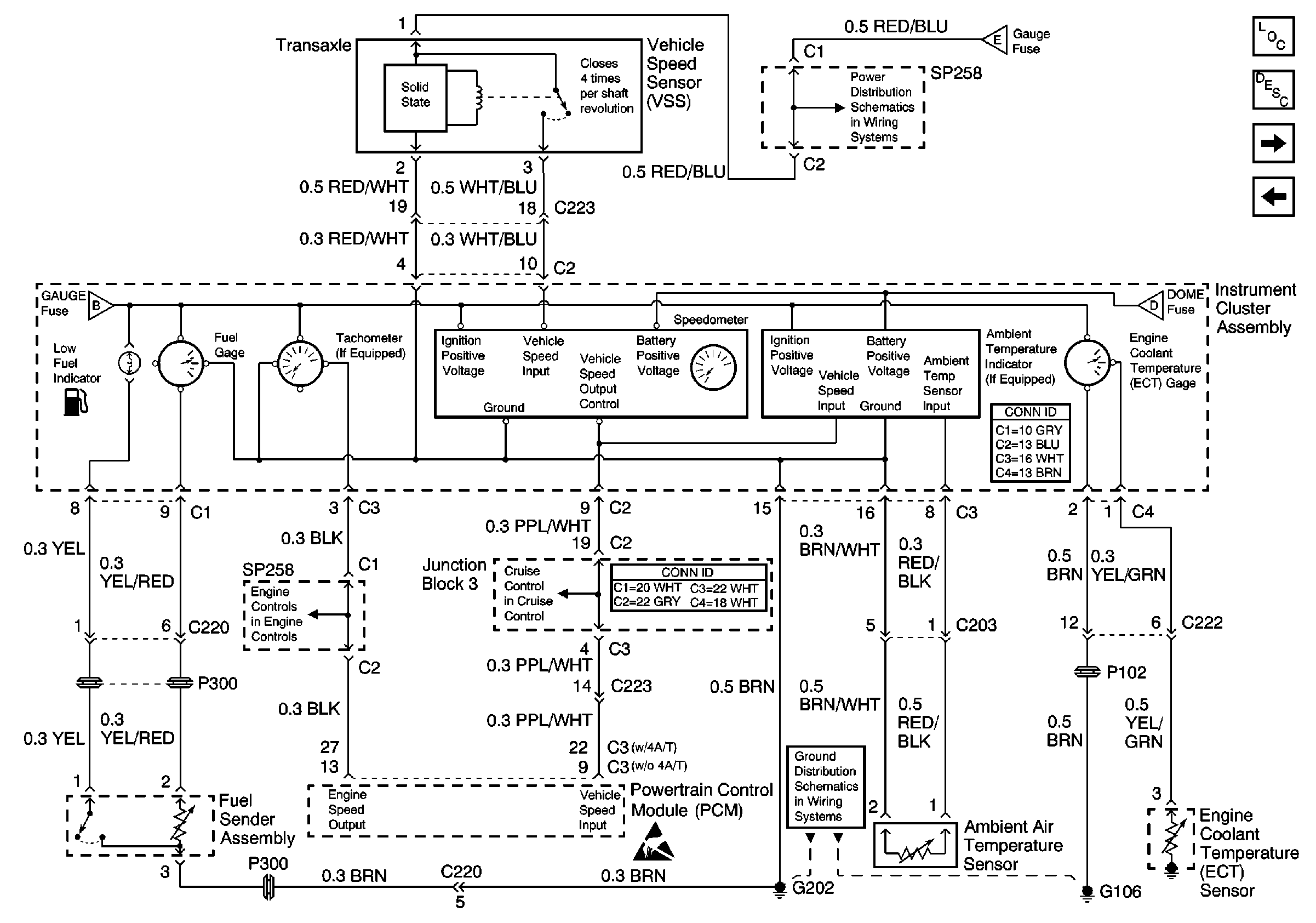
Temperature Gauge, Speedometer, and Low Fuel Indicator
Turn, High Beam, Defogger, Brake, and Seat Belt Indicator
Cell 44: ABS Indicator Control, ABS Lamp Driver Relay, ABS Warning Indicator, and BPMV
Cell 20: MIL and DLC
Cell 39: EFI Relay and PCM
Cell 34: Cruise Control Servo, PNP Switch, CPP Interrupt Switch, and Stoplamp Switch
Figure 3:

Temperature Gauge, Speedometer, and Low Fuel Indicator


Object Number: 626208  Size: FS
Instrument Panel, Gages, and Console Component Views
Instrument Cluster Circuit Description
Illumination Lamps, Door Open, Air Bag, and Charge Indicators
ABS, Oil Pressure, MIL, O/D OFF, and Cruise Indicators
Handling ESD Sensitive Parts Notice
Cell 10: Gauge Fuse
Cell 14: G105 and G106 (1 of 2)
Cell 20: Tachometer
Cell 34: Vehicle Speed Sensor
Figure 4:

Illumination Lamps, Door Open, Air Bag, and Charge Indicators


Object Number: 626210  Size: FS
Instrument Panel, Gages, and Console Component Views
Instrument Cluster Circuit Description
Temperature Gauge, Speedometer, and Low Fuel Indicator
Handling ESD Sensitive Parts Notice
Cell 10: Alt-S, AM2, Dome, EFI, Hazard, Horn, and Main Fuses
Cell 10: Alt-S, AM2, Dome, EFI, Hazard, Horn, and Main Fuses
Cell 10: Alt-S, AM2, Dome, EFI, Hazard, Horn, and Main Fuses
Cell 47: AIR BAG Indicator and Inflatable Restraint Sensing and Diagnostic Module
Cell 47: AIR BAG Indicator and Inflatable Restraint Sensing and Diagnostic Module
Cell 117: Ashtray, Cigar Lighter, and Manual Selector Illumination Lamps
Cell 117: Ashtray, Cigar Lighter, and Manual Selector Illumination Lamps
Cell 30: Battery, CPP Switch, Fusible Link, Ignition Switch, ST Relay, and Starter
Cell 30: Battery, CPP Switch, Fusible Link, Ignition Switch, ST Relay, and Starter