GM Service Manual Online
For 1990-2009 cars only

Engine Controls Schematics European Emissions

Figure 1:

Module Power, Ground, Serial Data, Malfunction Indicator Lamp (MIL)


Object Number: 1456546  Size: FS
Master Electrical Component List
Engine Data Sensors Pressure and Temperature
Underhood Fuse Block ECM Fuse
I/P Fuse Block ECM Fuse
Power Steering, Shift Program, Air Bag, Seat Belt, Oil Pressure, MIL, ABS, TCS, Parking Brake, and Charing Warning Lamps
I/P Fuse Block ECM Fuse
Module Power, Ground, Malfunction Indicator Lamp, Hold Lamp and Serial Data
Data Link Connector Schematics
G104, G103, G105
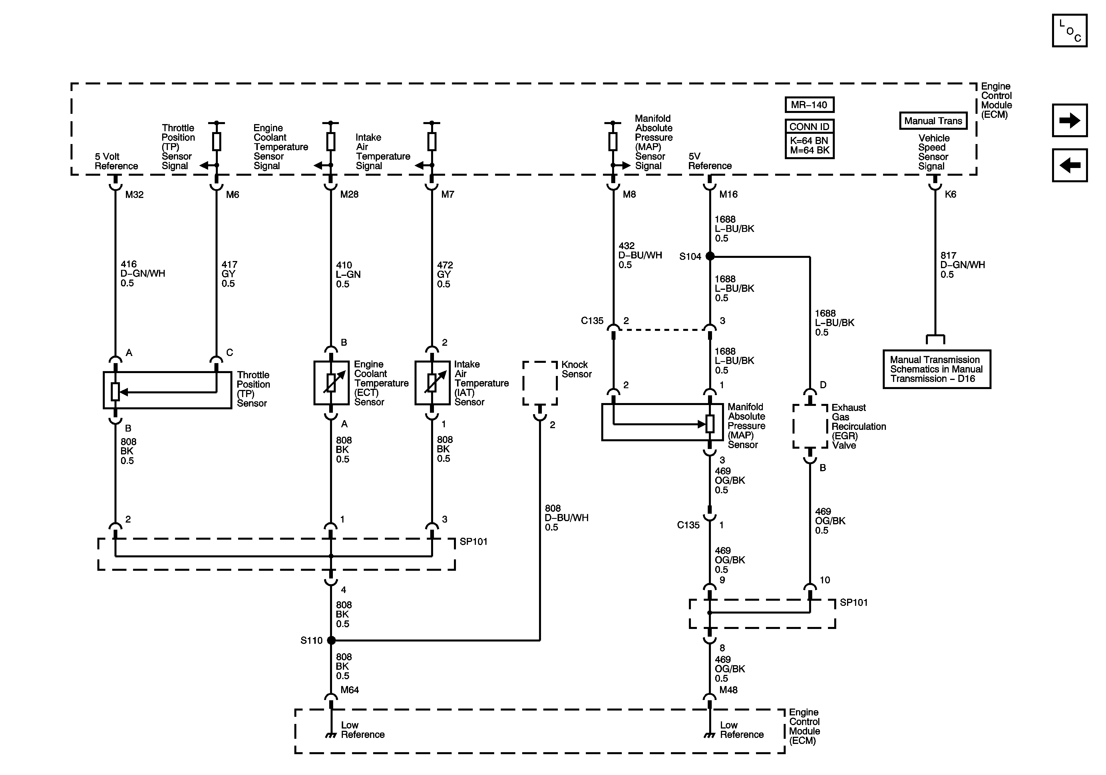
Figure 2:

Engine Data Sensors - Pressure and Temperature


Object Number: 1650841  Size: FS
Master Electrical Component List
Oxygen Sensors
Euro Emission MR140 Module Power, Ground Serial Data, Malfunction Indicator Lamp
Manual Transmission Schematics - D16
Figure 3:

Oxygen Sensors (O2S)


Object Number: 1471520  Size: FS
Master Electrical Component List
Ignition System
Engine Data Sensors Pressure and Temperature
Underhood Fuse Block MAIN Relay and ECM, ENG SNSR, and INJ Fuses MR-140
Figure 4:

Ignition System


Object Number: 1471521  Size: FS
Master Electrical Component List
CKP, CMP, Rough Road Sensors
Oxygen Sensors
Underhood Fuse Block FUEL PUMP Relay and FUEL PUMP and IGN COIL Fuses
Power, Ground and Gages 1.8L/2.0L
Figure 5:

CKP, CMP, Knock, Rough Road Sensors


Object Number: 1471522  Size: FS
Master Electrical Component List
Fuel Pump and Fuel Injectors
Ignition System
Underhood Fuse Block MAIN Relay and ECM, ENG SNSR, and INJ Fuses MR-140
Engine Data Sensors Pressure and Temperature
Compressor Controls MR 140
Compressor Controls MR-140
G104 HV-240
Figure 6:

Fuel Pump and Fuel Injectors


Object Number: 1471523  Size: FS
Master Electrical Component List
Fuel Controls EVAP Controls
CKP, CMP, Rough Road Sensors
Underhood Fuse Block MAIN Relay and ECM, ENG SNSR, and INJ Fuses 1.5L
Underhood Fuse Block MAIN Relay and ECM, ENG SNSR, and INJ Fuses 1.5L
Power, Ground and Gages 1.8L/2.0L
G201 (1 of 2)
G303, G401
Figure 7:

Fuel Controls - EVAP Controls


Object Number: 1471524  Size: FS
Master Electrical Component List
Device Controls
Fuel Pump and Fuel Injectors
Underhood Fuse Block MAIN Relay and ECM, ENG SNSR, and INJ Fuses 1.5L
Figure 8:

Device Controls


Object Number: 1471526  Size: FS
Master Electrical Component List
Controlled/Monitored Subsystem References
Fuel Controls EVAP Controls
Underhood Fuse Block FUEL PUMP Relay and FUEL PUMP and IGN COIL Fuses
Underhood Fuse Block FUEL PUMP Relay and FUEL PUMP and IGN COIL Fuses
G104 HV-240
Figure 9:

Controlled/Monitored Subsystem References


Object Number: 1471527  Size: FS
Master Electrical Component List
Device Controls
Compressor Controls MR 140
Warning Lamps, Serial Data, Rough Road
Power, Ground and Gages 1.8L/2.0L
MR-140
Compressor Controls MR-140

Engine Controls Schematics Non-European Emissions

Figure 1:

Module Power, Ground, Serial Data, Malfunction Indicator Lamp (MIL)


Object Number: 1471574  Size: FS
Master Electrical Component List
TP, ECT, IAT, MAP, Oxygen Sensors
Underhood Fuse Block ECM Fuse
I/P Fuse Block ECM Fuse
Power Steering, Shift Program, Air Bag, Seat Belt, Oil Pressure, MIL, ABS, TCS, Parking Brake, and Charing Warning Lamps
I/P Fuse Block ECM Fuse
I/P Fuse Block ECM Fuse
Module Power, Ground, Malfunction Indicator Lamp, Hold Lamp and Serial Data
Data Link Connector Schematics
G104 HV-240
Figure 2:

TP, ECT, IAT, MAP, Oxygen Sensors (O2S)


Object Number: 1650843  Size: FS
Master Electrical Component List
Ignition System
Non Euro Emission Module Power, Ground Serial Data, Malfunction Indicator Lamp
Manual Transmission Schematics - D16
Figure 3:

Ignition System


Object Number: 1471548  Size: FS
Master Electrical Component List
CKP, CMP, Knock Sensors
TP, ECT, IAT, MAP, Oxygen Sensors
Underhood Fuse Block FUEL PUMP Relay and FUEL PUMP and IGN COIL Fuses
Power, Ground and Gages 1.8L/2.0L
Figure 4:

CKP, CMP, Knock


Object Number: 1471549  Size: FS
Master Electrical Component List
Fuel Pump and Fuel Injectors
Ignition System
Underhood Fuse Block MAIN Relay and ECM, ENG SNSR, and INJ Fuses 1.5L
CKP, CMP, Rough Road Sensors
G104 HV-240
Figure 5:

Fuel Pump and Fuel Injectors


Object Number: 1471551  Size: FS
Master Electrical Component List
EGR, EVAP, IAC, Octane Selection Switch
CKP, CMP, Knock Sensors
Underhood Fuse Block MAIN Relay and ECM, ENG SNSR, and INJ Fuses 1.5L
Underhood Fuse Block MAIN Relay and ECM, ENG SNSR, and INJ Fuses 1.5L
Power, Ground and Gages 1.8L/2.0L
G303, G401
Figure 6:

EGR, EVAP, IAC, Octane Selection Switch


Object Number: 1471552  Size: FS
Master Electrical Component List
Controlled/Monitored Subsystem References
Fuel Pump and Fuel Injectors
Underhood Fuse Block MAIN Relay and ECM, ENG SNSR, and INJ Fuses 1.5L
Underhood Fuse Block MAIN Relay and ECM, ENG SNSR, and INJ Fuses 1.5L
G104 HV-240
Figure 7:

Controlled/Monitored Subsystem References


Object Number: 1471578  Size: FS
Master Electrical Component List
EGR, EVAP, IAC, Octane Selection Switch
Power, Ground and Gages 1.8L/2.0L
HV-240
Compressor Controls MR 140
Compressor Controls MR-140