GM Service Manual Online
For 1990-2009 cars only
Figure 1:

Power, Ground, Serial Data, and MIL


Object Number: 1248033  Size: FS
Master Electrical Component List
Powertrain Control Module Description
5 Volt and Low Reference
OBD II Symbol Description Notice
B+ Bus - Underhood Fuse Block
COILS, AIR, EAP, TBC 1, PCM B, LOW HDLP-RT, LOW HDLP-LT, HI HDLP-LT, and HI HDLP-RT Fuses
PCM I and AIR SOL Fuses - 4.2L
ACCY/RUN and RUN/START Bus Bars
IGN E, TBC IGN 1, BACKUP, BTSI, and TRLR B/U Fuses
ACCY/RUN/START, RUN, and START Bus Bars
IGN 0, TBC IG, TBC ACC, FRT WPR, and RAIN Fuses
IGN E, TBC IGN 1, BACKUP, BTSI, and TRLR B/U Fuses
PCM I and AIR SOL Fuses - 4.2L
Power, Ground, Serial Data, and MIL
IGN 0, TBC IG, TBC ACC, FRT WPR, and RAIN Fuses
G108
Power, Ground, Data Link Connector, and SP205
Figure 2:

5-Volt and Low Reference


Object Number: 1248035  Size: FS
Master Electrical Component List
Powertrain Control Module Description
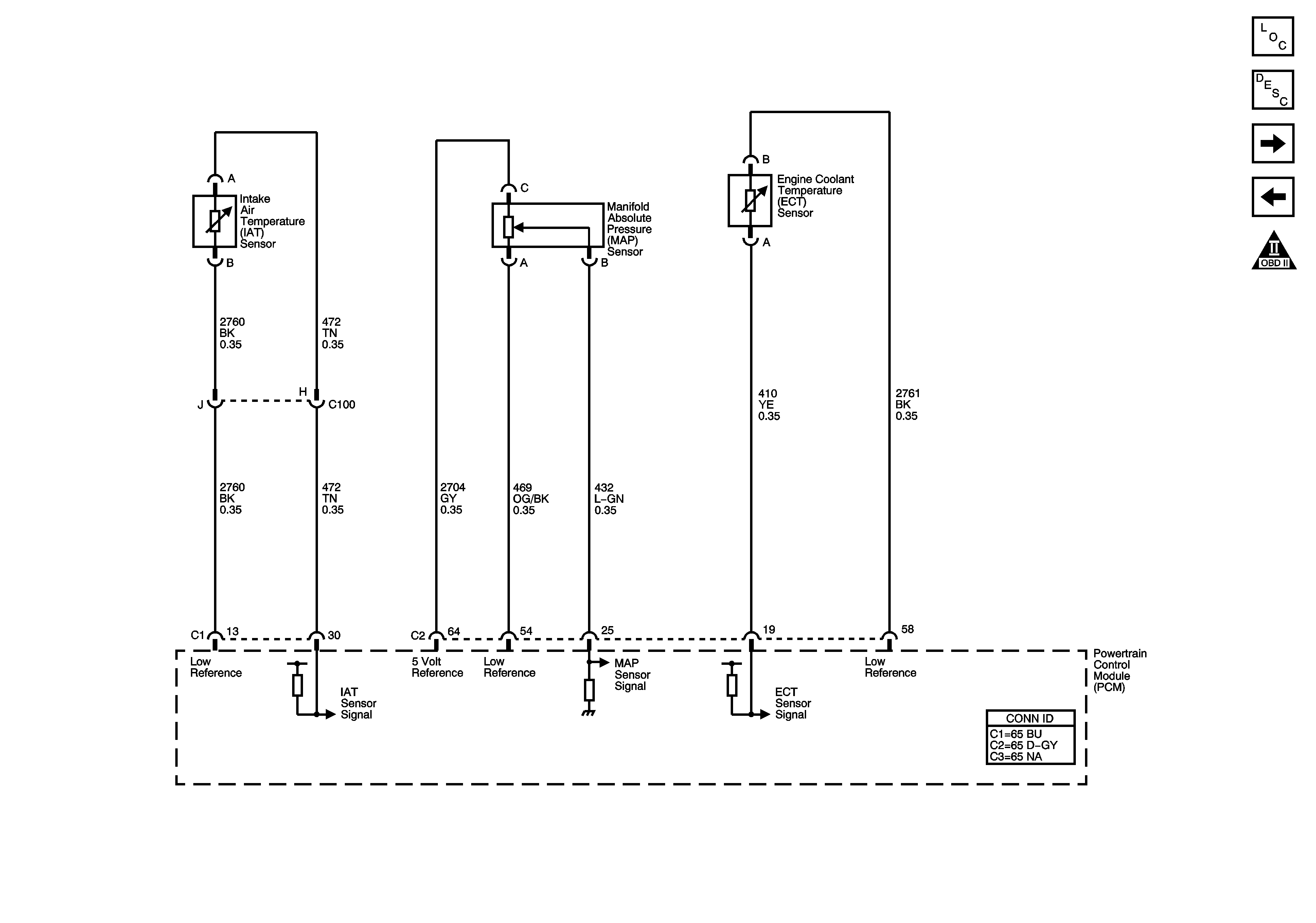
Engine Data Sensors - Pressure and Temperature
Power, Ground, Serial Data, and MIL
OBD II Symbol Description Notice
Figure 3:

Engine Data Sensors - Pressure and Temperature


Object Number: 1248036  Size: FS
Master Electrical Component List
Air Intake System Description
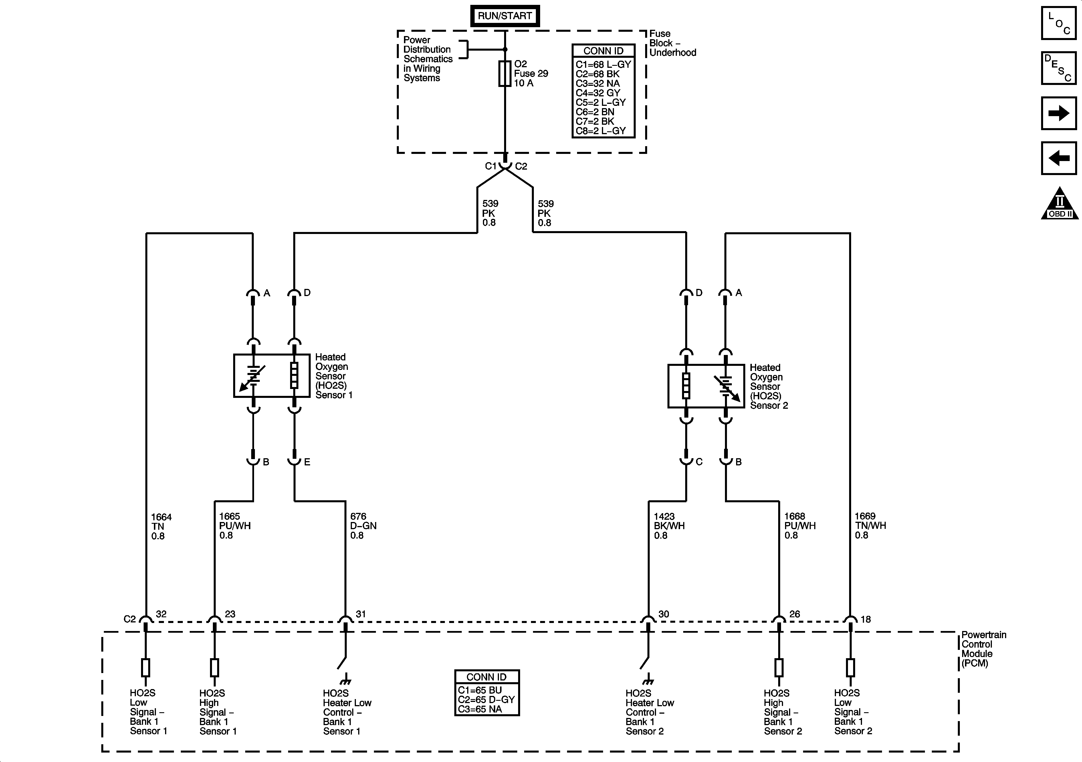
Engine Data Sensors - Oxygen Sensors
5 Volt and Low Reference
OBD II Symbol Description Notice
Figure 4:

Engine Data Sensors - Oxygen Sensors


Object Number: 1248037  Size: FS
Master Electrical Component List
Powertrain Control Module Description
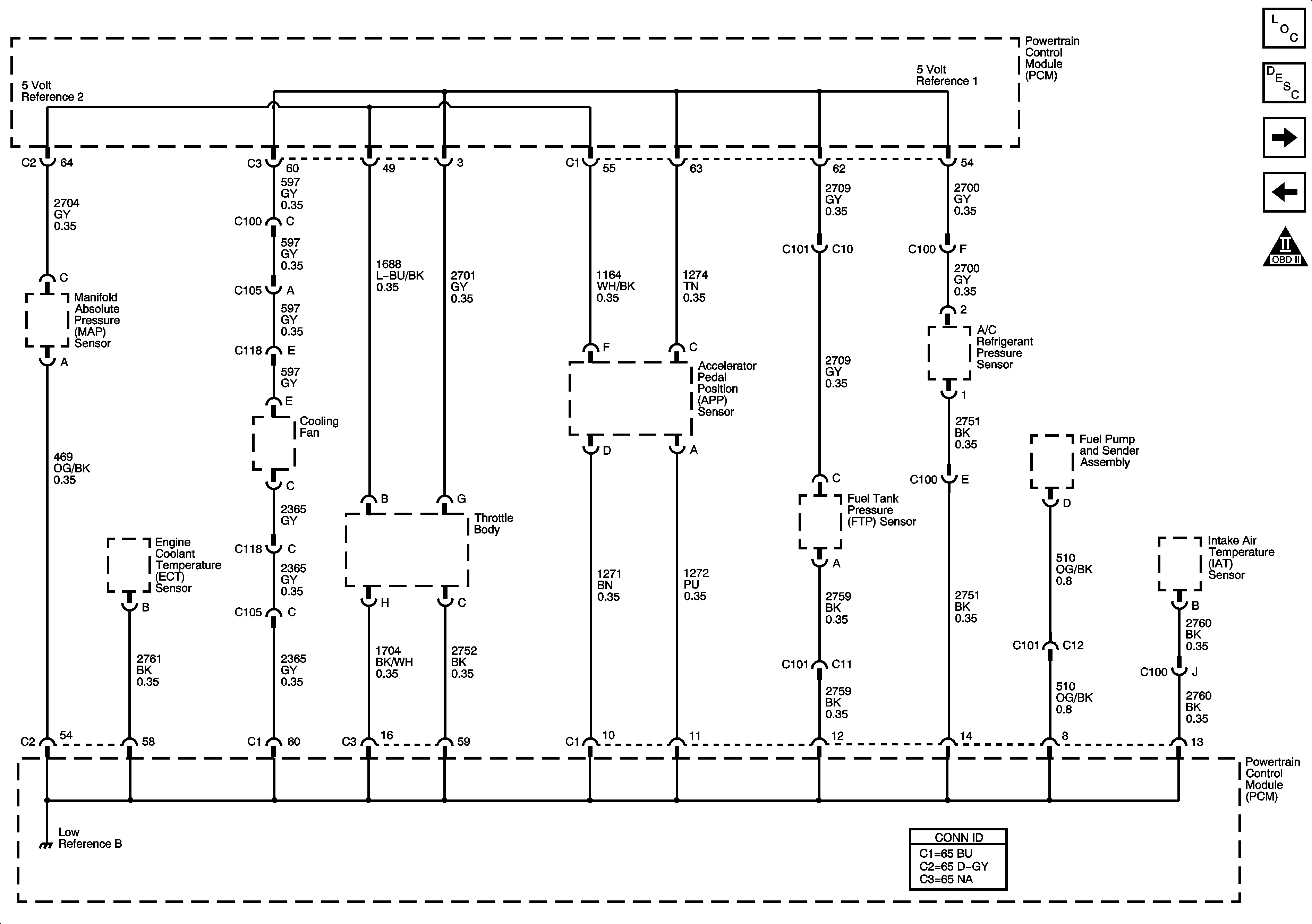
Engine Data Sensors - Throttle Actuator Controls and VSS
Engine Data Sensors - Pressure and Temperature
OBD II Symbol Description Notice
ACCY/RUN and RUN/START Bus Bars
Figure 5:

Engine Data Sensors - Throttle Actuator Controls and VSS


Object Number: 1248039  Size: FS
Master Electrical Component List
Throttle Actuator Control (TAC) System Description
Ignition Controls - Ignition System
Engine Data Sensors - Oxygen Sensors
OBD II Symbol Description Notice
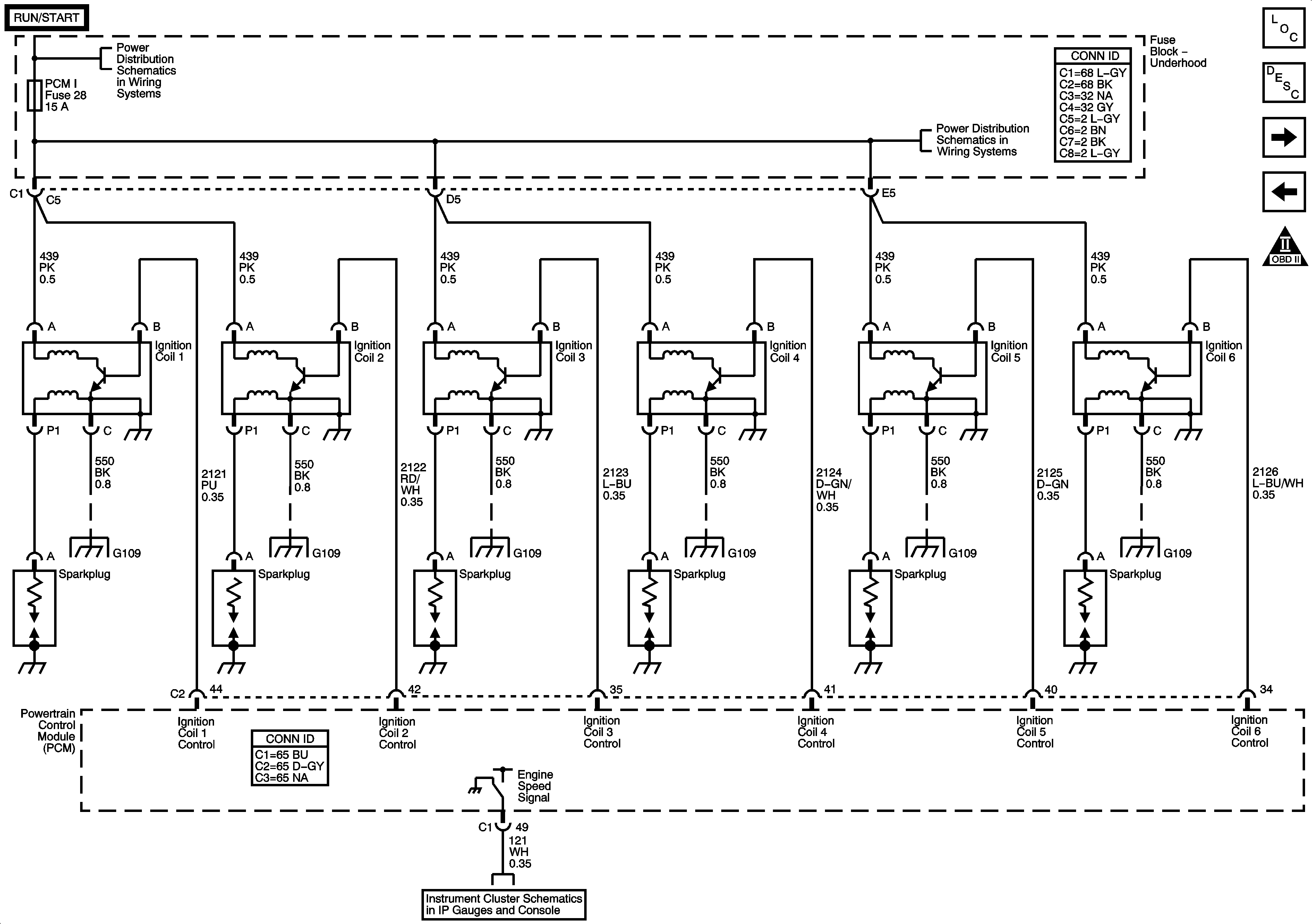
Figure 6:

Ignition Controls - Ignition System


Object Number: 1248041  Size: FS
Master Electrical Component List
Electronic Ignition (EI) System Description
Ignition Controls - Sensors
Engine Data Sensors - Throttle Actuator Controls and VSS
OBD II Symbol Description Notice
ACCY/RUN and RUN/START Bus Bars
PCM I and AIR SOL Fuses - 4.2L
G109
G109
G109
G109
G109
G109
Gages
Figure 7:

Ignition Controls - Sensors


Object Number: 1248045  Size: FS
Master Electrical Component List
Electronic Ignition (EI) System Description
Fuel Controls - Fuel Pump Controls and Fuel Injectors
Ignition Controls - Ignition System
OBD II Symbol Description Notice
Figure 8:

Fuel Controls - Fuel Pump Controls and Fuel Injectors


Object Number: 1248048  Size: FS
Master Electrical Component List
Fuel System Description
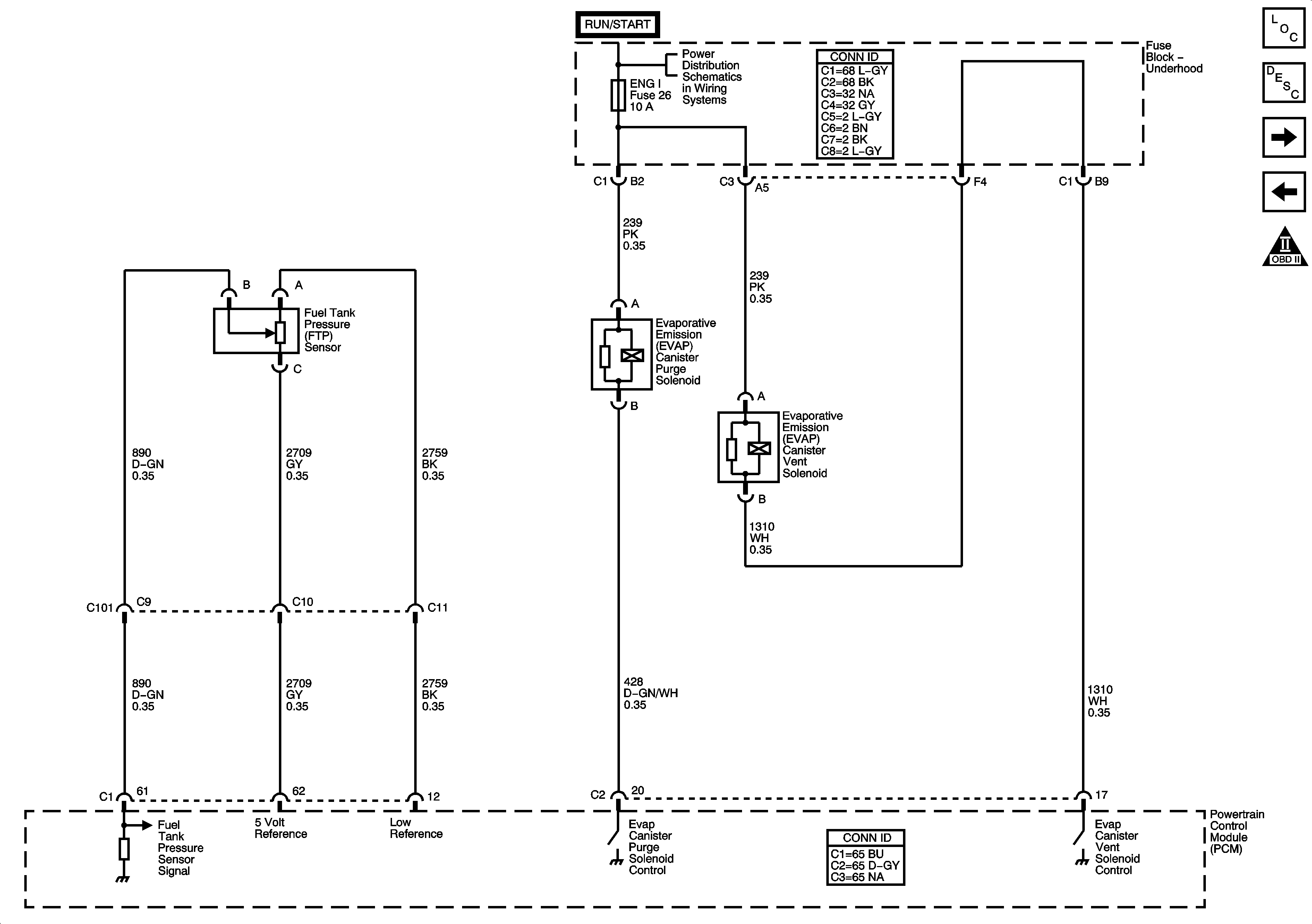
Fuel Controls - EVAP Controls
Ignition Controls - Sensors
OBD II Symbol Description Notice
ACCY/RUN and RUN/START Bus Bars
B+ Bus - Underhood Fuse Block
G104, G105, and G107
COILS, AIR, EAP, TBC 1, PCM B, LOW HDLP-RT, LOW HDLP-LT, HI HDLP-LT, and HI HDLP-RT Fuses
PCM I and AIR SOL Fuses - 4.2L
PCM I and AIR SOL Fuses - 4.2L
G201 - 2 of 2, and G305
Figure 9:

Fuel Controls - EVAP Controls


Object Number: 1248053  Size: FS
Master Electrical Component List
Fuel System Description
Device Controls (K18)
Fuel Controls - Fuel Pump Controls and Fuel Injectors
OBD II Symbol Description Notice
ACCY/RUN and RUN/START Bus Bars
Figure 10:

Device Controls (K18)


Object Number: 1248055  Size: FS
Master Electrical Component List
Secondary Air Injection System Description
Controlled/Monitored Subsystem References
Fuel Controls - EVAP Controls
OBD II Symbol Description Notice
B+ Bus - Underhood Fuse Block
ACCY/RUN and RUN/START Bus Bars
G201 - 2 of 2, and G305
G104, G105, and G107
Figure 11:

Controlled/Monitored Subsystem References


Object Number: 1248057  Size: FS
Master Electrical Component List
Powertrain Control Module Description
Transmission Control References - A/T
Device Controls (K18)
OBD II Symbol Description Notice
Compressor Controls
Compressor Controls
4.2L
Starting System
Charging System
Gages
Power, Ground, Serial Data, and Transfer Case Encoder Motor
04 S/T Utility Engine Cooling Schematics
EBCM Power, Ground, Serial Data, Indicator, and Signal Circuits
Figure 12:

Transmission Control References - A/T


Object Number: 1248061  Size: FS
Master Electrical Component List
Powertrain Control Module Description
Controlled/Monitored Subsystem References
OBD II Symbol Description Notice
Transmission Controls
Transmission Controls
Transmission Controls
Transmission Controls
EBCM Power, Ground, Serial Data, Indicator, and Signal Circuits
PNP Switch and Indicator