GM Service Manual Online
For 1990-2009 cars only
Figure 1:

Power, MIL, DLC, Ignition Switch and Ground


Object Number: 1771375  Size: FS
Master Electrical Component List
Engine Control Module Description
Control Module References
5-Volt and Low References
Underhood Fuse Block B+
Underhood Fuse Block RUN/CRANK Relay, ABS, IGN 1, INJ, PCM IGN 1 and TRANS Fuses
Underhood Fuse Block B+
Underhood Fuse Block IBCM 1 Fuse, BCM AIRBAG (BATT), CLUSTER/THEFT, HVAC CTRL (BATT), IGN SENSOR and RADIO Fuses and Ignition Switch
Underhood Fuse Block IBCM 1 Fuse, BCM AIRBAG (BATT), CLUSTER/THEFT, HVAC CTRL (BATT), IGN SENSOR and RADIO Fuses and Ignition Switch
Underhood Fuse Block IBCM 1 Fuse, BCM AIRBAG (BATT), CLUSTER/THEFT, HVAC CTRL (BATT), IGN SENSOR and RADIO Fuses and Ignition Switch
G103, G104, and G105
Power, Ground, High Speed GMLAN Serial Data
G109
Figure 2:

5-Volt and Low References


Object Number: 1771381  Size: FS
Master Electrical Component List
Engine Control Module Description
Control Module References
MAF/IAT, MAP, ECT Sensors
Power, MIL, DLC, Ignition Switch and Ground
Figure 3:

MAF/IAT, MAP, ECT Sensors


Object Number: 1771386  Size: FS
Master Electrical Component List
Engine Control Module Description
Control Module References
Heated Oxygen Sensors
5-Volt and Low References
Underhood Fuse Block A/C CLUTCH and PWR/TRN Relays, EMISSION 1, ETC, IGN MOD and IMTV/DOD Fuses
Turn Signals and Stop Lamps
Brake Pedal Position Sensor and Stop Lamp Switch Signal
G103, G104, and G105
Figure 4:

Heated Oxygen Sensors


Object Number: 1771390  Size: FS
Master Electrical Component List
Engine Control Module Description
Control Module References
Electronic Throttle Controls
MAF/IAT, MAP, ECT Sensors
Underhood Fuse Block A/C CLUTCH and PWR/TRN Relays, EMISSION 1, ETC, IGN MOD and IMTV/DOD Fuses
Figure 5:

Electronic Throttle Controls


Object Number: 1771395  Size: FS
Master Electrical Component List
Throttle Actuator Control (TAC) System Description
Control Module References
Ignition System
Heated Oxygen Sensors
Engine Controls Schematic Icons
Figure 6:

Ignition System


Object Number: 1771398  Size: FS
Master Electrical Component List
Electronic Ignition (EI) System Description
Control Module References
Fuel Injectors and Fuel Pump
Electronic Throttle Controls
Underhood Fuse Block A/C CLUTCH and PWR/TRN Relays, EMISSION 1, ETC, IGN MOD and IMTV/DOD Fuses
Engine Controls Schematic Icons
Engine Controls Schematic Icons
G106
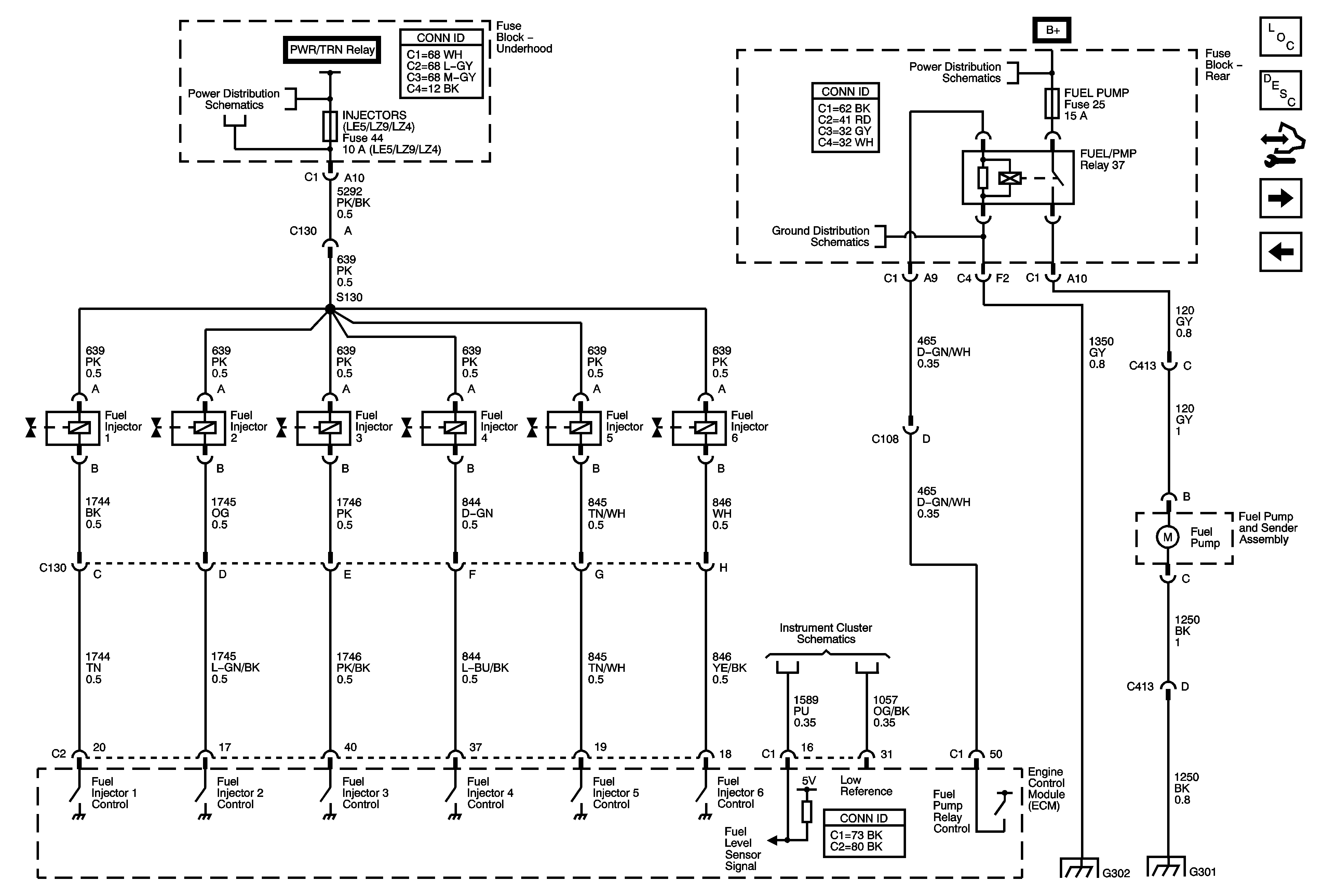
Figure 7:

Fuel Injectors and Fuel Pump


Object Number: 1771469  Size: FS
Master Electrical Component List
Fuel System Description
Control Module References
EVAP Controls and FTP Sensor
Ignition System
Underhood Fuse Block A/C CLUTCH and PWR/TRN Relays, EMISSION 1, ETC, IGN MOD and IMTV/DOD Fuses
G302
Underhood Fuse Block RBEC 2 Fuse and RUN RLY, BCM HVAC BLOWER HIGH and RUN Relays, HVAC BLOWER and HVAC CTRL (IGN) Fuses, Rear Fuse Block FUEL, PARK LPS and TRUNK Relays, DRV ST, EMISSION 2, FOLDING T
Indicators
G302
G301
Figure 8:

EVAP Controls and FTP Sensor


Object Number: 1771471  Size: FS
Master Electrical Component List
Evaporative Emission Control System Description
Control Module References
Controlled/Monitored Subsystem References
Fuel Injectors and Fuel Pump
Underhood Fuse Block A/C CLUTCH and PWR/TRN Relays, EMISSION 1, ETC, IGN MOD and IMTV/DOD Fuses
Underhood Fuse Block RBEC 2 Fuse and RUN RLY, BCM HVAC BLOWER HIGH and RUN Relays, HVAC BLOWER and HVAC CTRL (IGN) Fuses, Rear Fuse Block FUEL, PARK LPS and TRUNK Relays, DRV ST, EMISSION 2, FOLDING T
Figure 9:

Controlled/Monitored Subsystem References


Object Number: 1771478  Size: FS
Master Electrical Component List
Engine Control Module Description
Control Module References
EVAP Controls and FTP Sensor
Charging System
Starting System - LZ4/LZ9
Charging System
Ambient Air Temperature Sensor and Compressor Controls
Cooling Fans
Indicators
PNP Switch (LZ4)