GM Service Manual Online
For 1990-2009 cars only
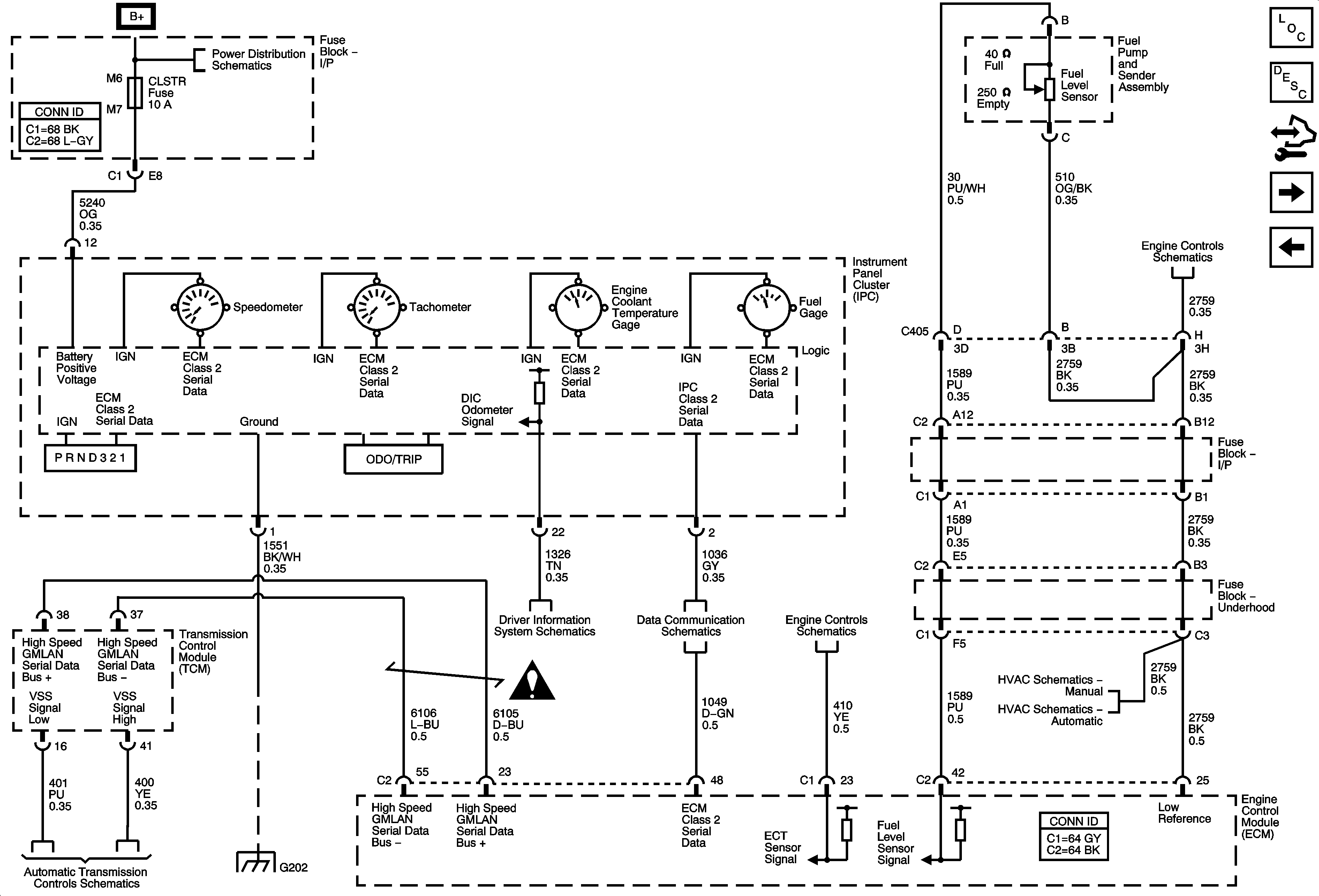
Figure 1:

Power, Ground, Serial Data, and Gages (L26)


Object Number: 1802476  Size: FS
Master Electrical Component List
Instrument Cluster Description and Operation
Control Module References
Power, Ground, Serial Data, and Gages LY7
Fuse Block - Underhood BATT MAIN 1 Fuse
EVAP, EGR, and FTP Controls
Driver Information System
Data Link Connector Schematics L26
PC Solenoid Valve, Fluid Pressure Manual Valve Position Switch, ISS and VSS Sensors (L26)
Pressure and Temperature Sensors
G202
Figure 2:

Power, Ground, Serial Data, and Gages (LY7)


Object Number: 1802480  Size: FS
Master Electrical Component List
Instrument Cluster Description and Operation
Control Module References
Ambient Air Temperature Sensor, Electronic Compass
Power, Ground, Serial Data, and Gages L26
Fuse Block - Underhood BATT MAIN 1 Fuse
EVAP Controls
Driver Information System
Displays and Gages Schematic Icons
Data Link Connector (DLC) Schematics LY7
Pressure and Temperature Sensors
Compressor Controls and Serial Data (LY7)
Compressor Controls and Serial Data (LY7)
PC Solenoid Valve, Fluid Pressure Manual Valve Position Switch, ISS and VSS Sensors (LY7)
G202
Figure 3:

Ambient Air Temperature Sensor, Electronic Compass Module, and Oil Level Switch


Object Number: 1802567  Size: FS
Master Electrical Component List
Instrument Cluster Description and Operation
Control Module References
Indicators U2E
Power, Ground, Serial Data, and Gages LY7
Fuse Block-Underhood B+ Bus
Fuse Block-Underhood B+ Bus
Fuse Block - Underhood ABS, TRANS SOL, PCM, SIR, and DIPSLAY Fuses, CRANK Relay, and Fuse Block - I/P CRUISE SW Fuse
Data Link Connector (DLC) Schematics LY7
Data Link Connector Schematics L26
Fuse Block - Underhood ABS, TRANS SOL, PCM, SIR, and DIPSLAY Fuses, CRANK Relay, and Fuse Block - I/P CRUISE SW Fuse
Defogger
G301
G101, G102, G103, G111, G112, and G113
Figure 4:

Indicators (U2E)


Object Number: 1802486  Size: FS
Master Electrical Component List
Instrument Cluster Description and Operation
Control Module References
Indicators UH8
Ambient Air Temperature Sensor, Electronic Compass
Data Link Connector Schematics L26
Passenger Presence System
Hydraulic Brakes/Brake Warning System
Module Power, Ground, Serial Data, and MIL
G101, G102, G103, G111, G112, and G113
Figure 5:

Indicators (UH8)


Object Number: 1802564  Size: FS
Master Electrical Component List
Instrument Cluster Description and Operation
Control Module References
Indicators U2E
Driver Information System
Data Link Connector (DLC) Schematics LY7
Data Link Connector Schematics L26
Seat Belts Schematics
Hydraulic Brakes/Brake Warning System
Module Power, Ground, Serial Data, and MIL
Module Power, Ground, Serial Data, and MIL
5 Volt and Low Reference Page 2 of 2
G101, G102, G103, G111, G112, and G113