GM Service Manual Online
For 1990-2009 cars only
Figure 1:

PCM Power and Ground


Object Number: 661380  Size: FS
Master Electrical Component List
Electronic Ignition (EI) System Description
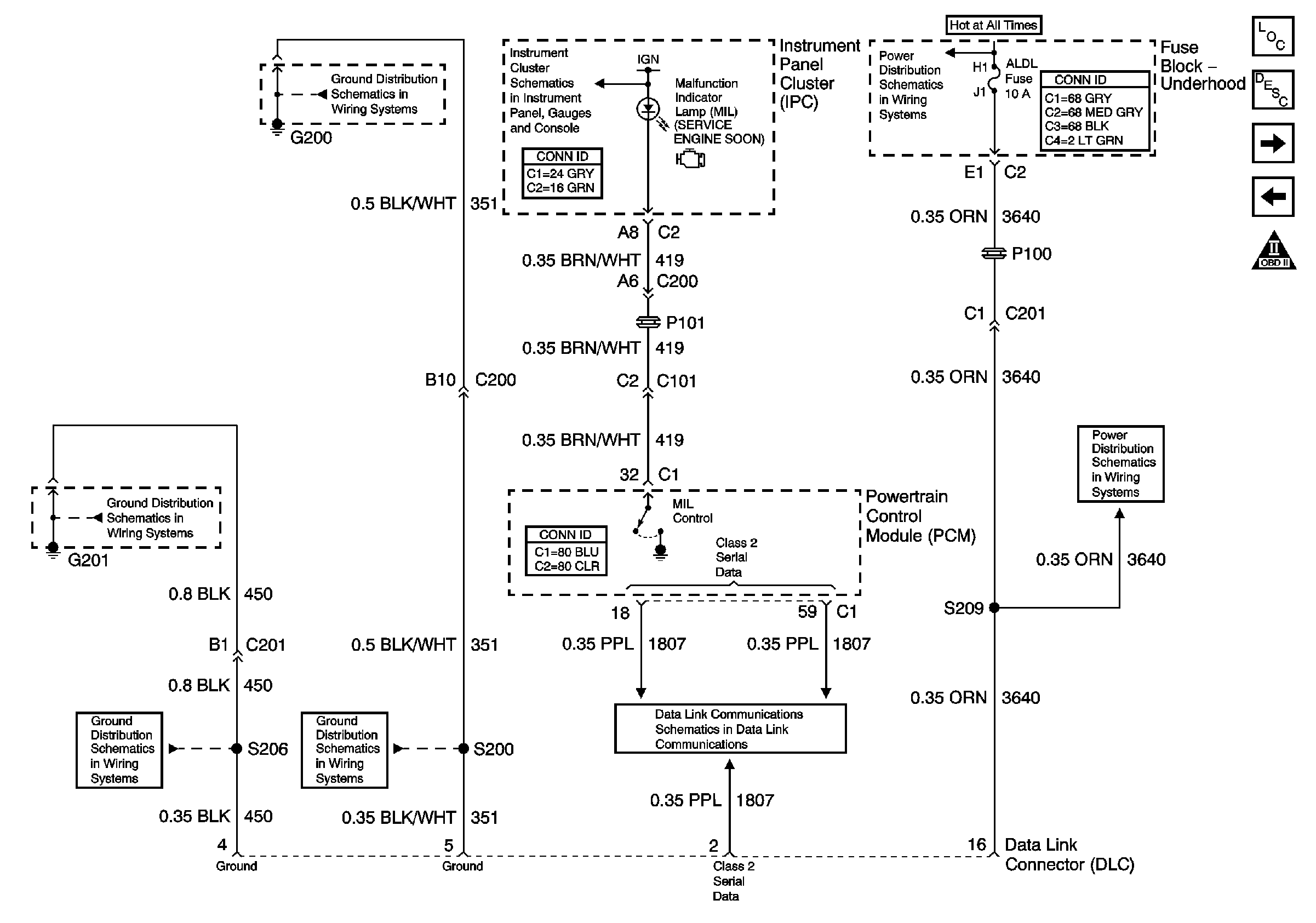
MIL Control and DLC
OBD II Symbol Description Notice
G100
Start Circuit Breaker, PCM, IGN and IGN 1 Fuses
ALDL, PCM BATT, IP Fuses
Starter Solenoid Controls
Ignition Switch
Ignition Switch
RR BLO, RR DR MDL, HVAC, Stop LP, IGN SW, and TSIG/HAZ Fuses
Ignition Switch
Figure 2:

MIL Control and DLC


Object Number: 661381  Size: FS
Master Electrical Component List
Electronic Ignition (EI) System Description
Ignition Control (IC) Module Front Bank
PCM Power and Ground
OBD II Symbol Description Notice
G201 IP Harness and Console Harness
G201 IP Harness and Console Harness
G200
G200
Brakes and Engine Indicators
Class 2 Serial Data (1 of 3)
ALDL, PCM BATT, IP Fuses
ALDL, PCM BATT, IP Fuses
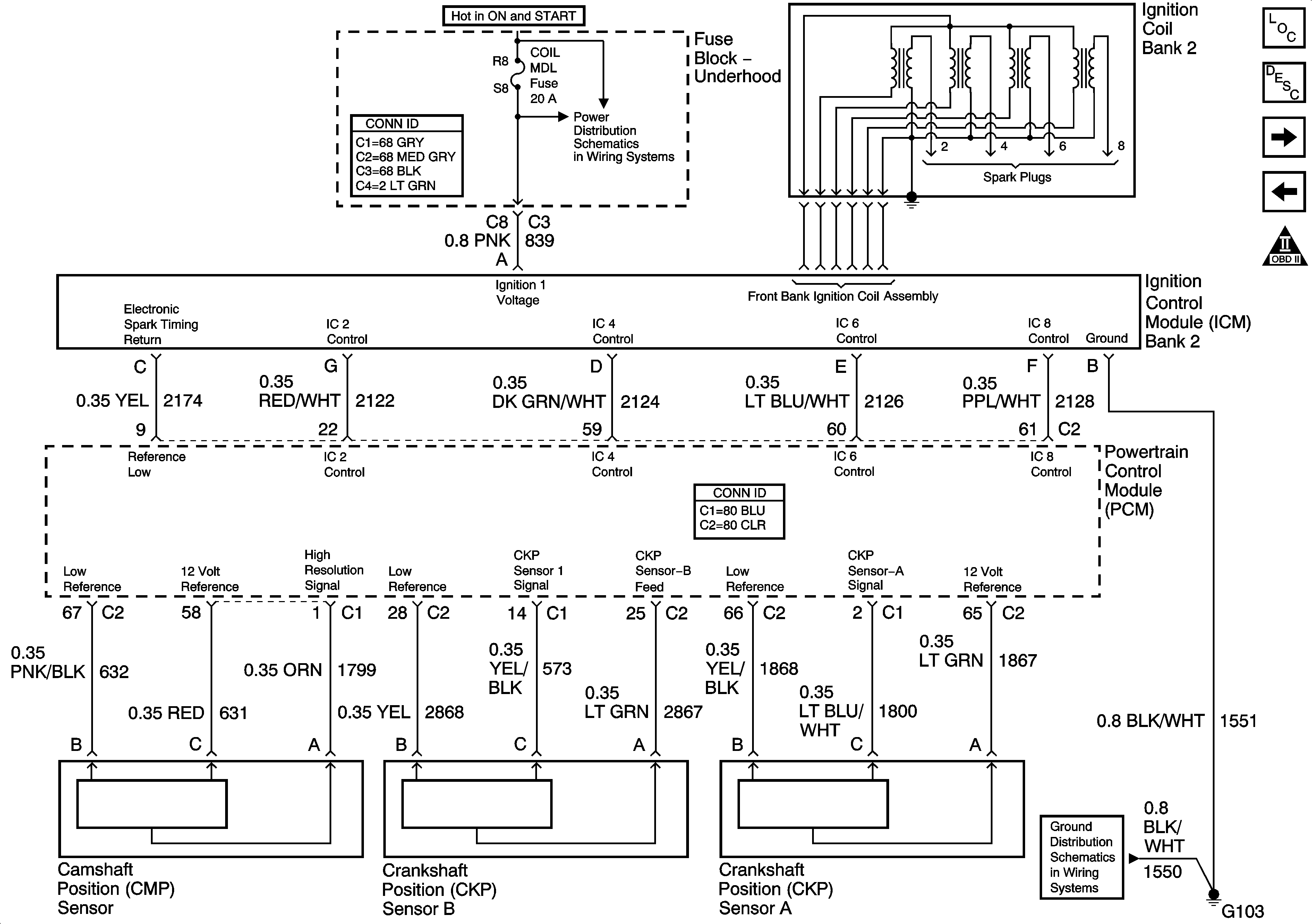
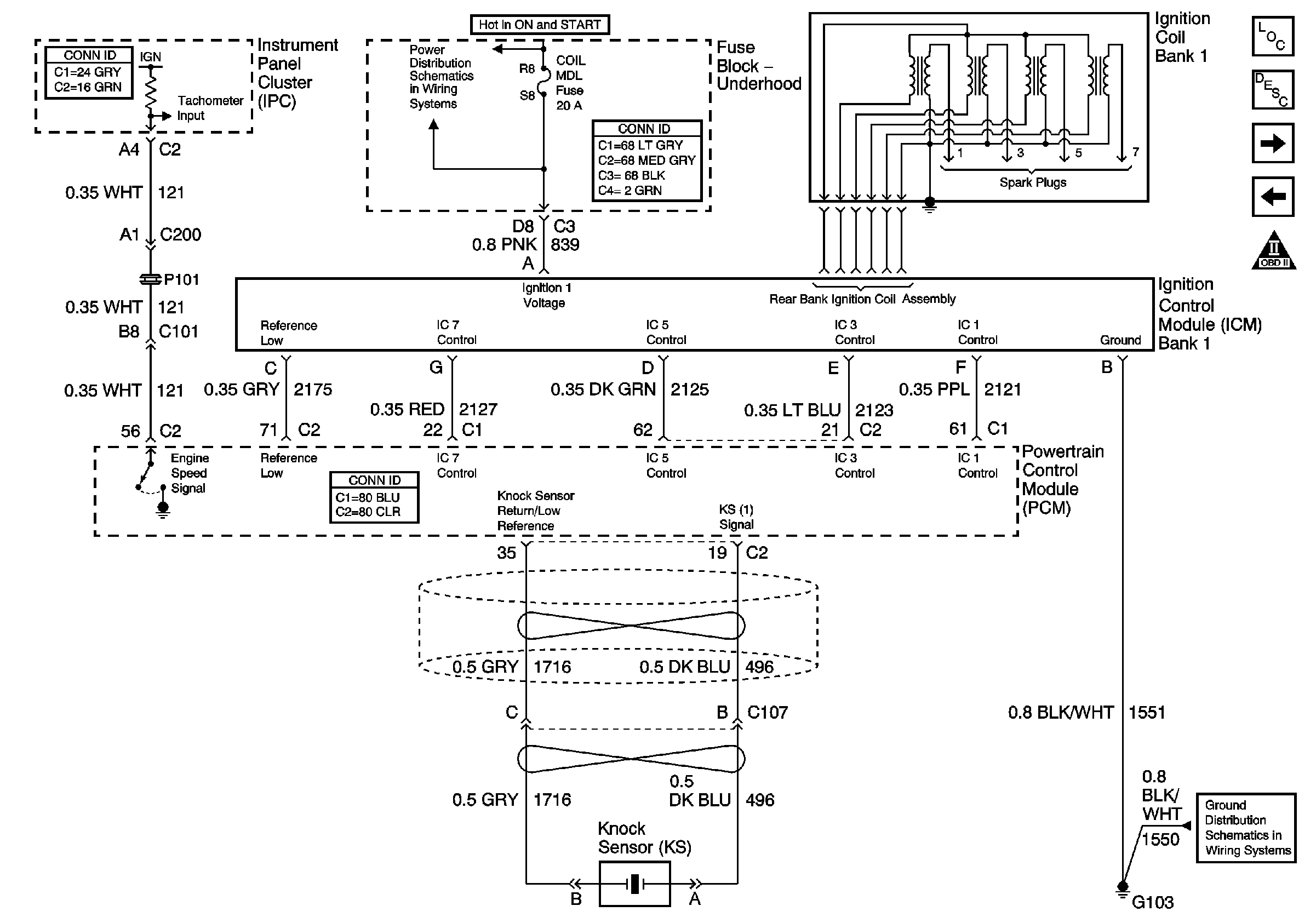
Figure 3:

Ignition Control (IC) Module Front Bank


Object Number: 661383  Size: FS
Master Electrical Component List
Electronic Ignition (EI) System Description
Ignition Control (IC) Module Rear Bank
MIL Control and DLC
OBD II Symbol Description Notice
Oxy Sen, CR Cont, MDL Coil, Trans Fuses
G102,G103,G105,G106,G110
Figure 4:

Ignition Control (IC) Module Rear Bank


Object Number: 661388  Size: FS
Master Electrical Component List
Electronic Ignition (EI) System Description
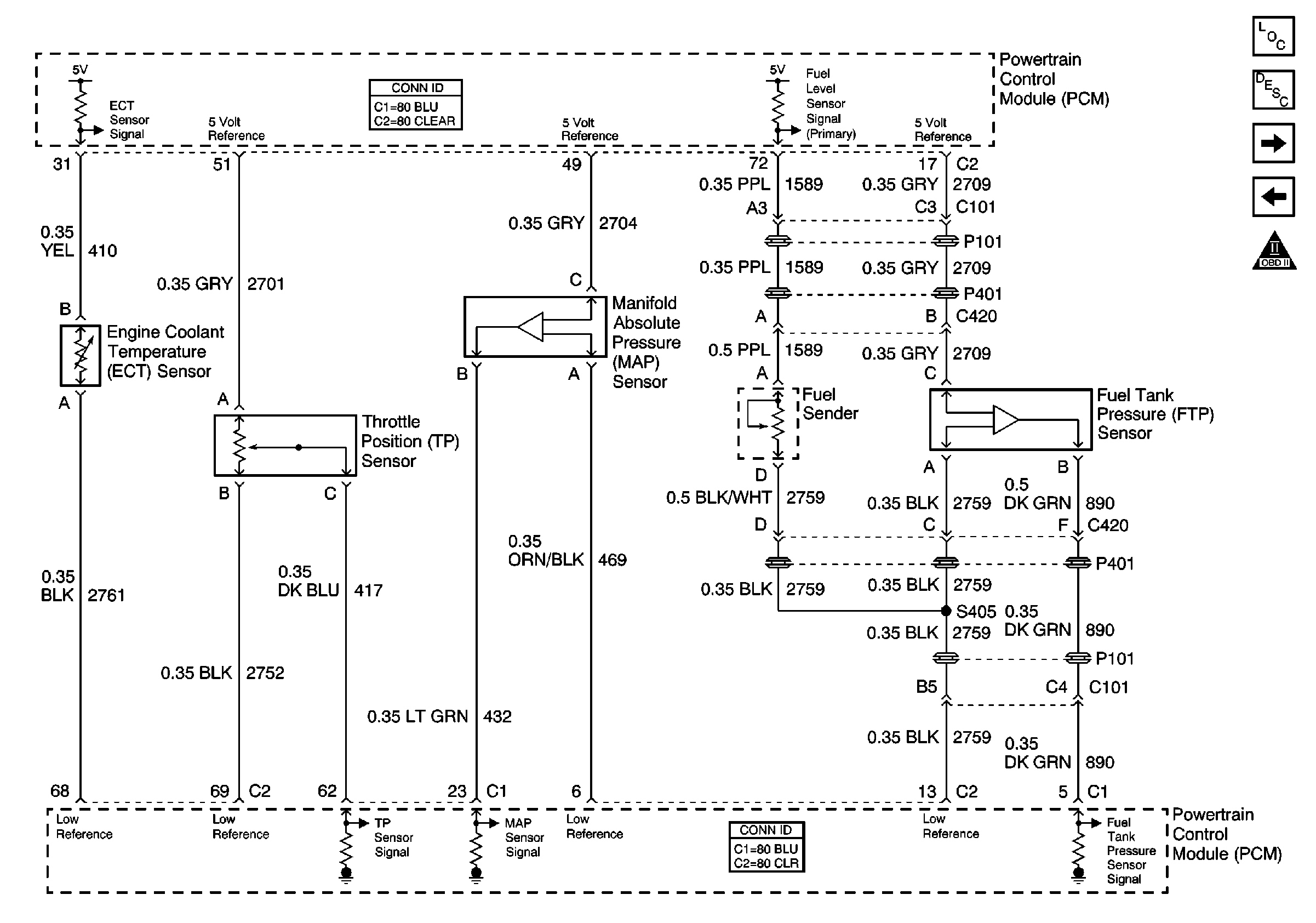
Engine and Fuel Tank Sensors
Ignition Control (IC) Module Front Bank
OBD II Symbol Description Notice
Oxy Sen, CR Cont, MDL Coil, Trans Fuses
Oxy Sen, CR Cont, MDL Coil, Trans Fuses
Figure 5:

Fuel Control


Object Number: 661392  Size: FS
Master Electrical Component List
Fuel System Description
Fuel Injectors
Ignition Control (IC) Module Rear Bank
OBD II Symbol Description Notice
F/PMP and REV/LK Fuses
G402 Headliner, Fuel Sender, V4U/B9Q
G100
G100
Figure 6:

Fuel Injectors


Object Number: 661393  Size: FS
Master Electrical Component List
Fuel System Description
Engine and Fuel Tank Sensors
Fuel Control
OBD II Symbol Description Notice
INJ 2 and INJ 1 Fuses
Figure 7:

Engine and Fuel Tank Sensors


Object Number: 661394  Size: FS
Master Electrical Component List
Fuel System Description
Heated Oxygen Sensors
Fuel Injectors
OBD II Symbol Description Notice
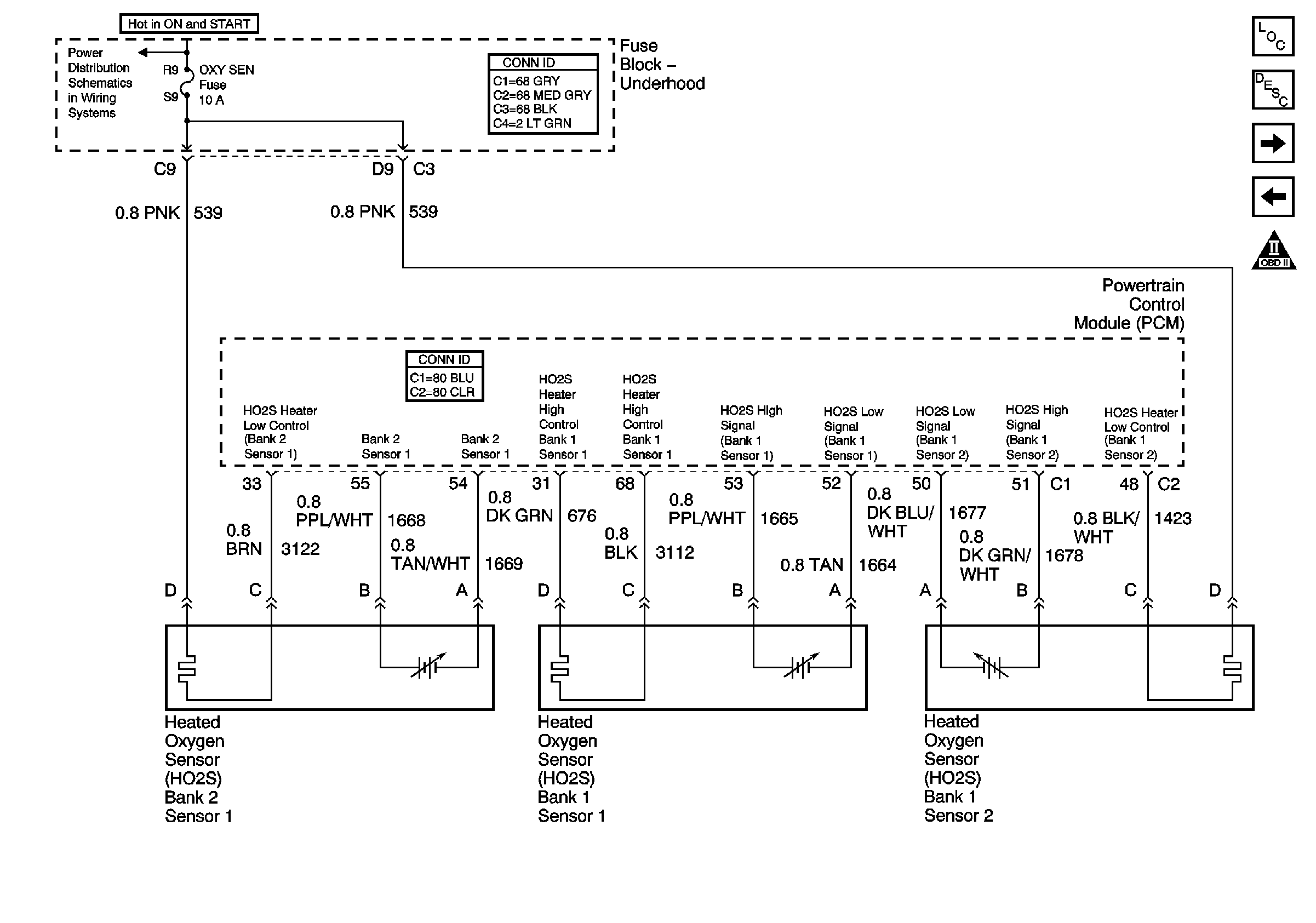
Figure 8:

Heated Oxygen Sensors


Object Number: 661395  Size: FS
Master Electrical Component List
Fuel System Description
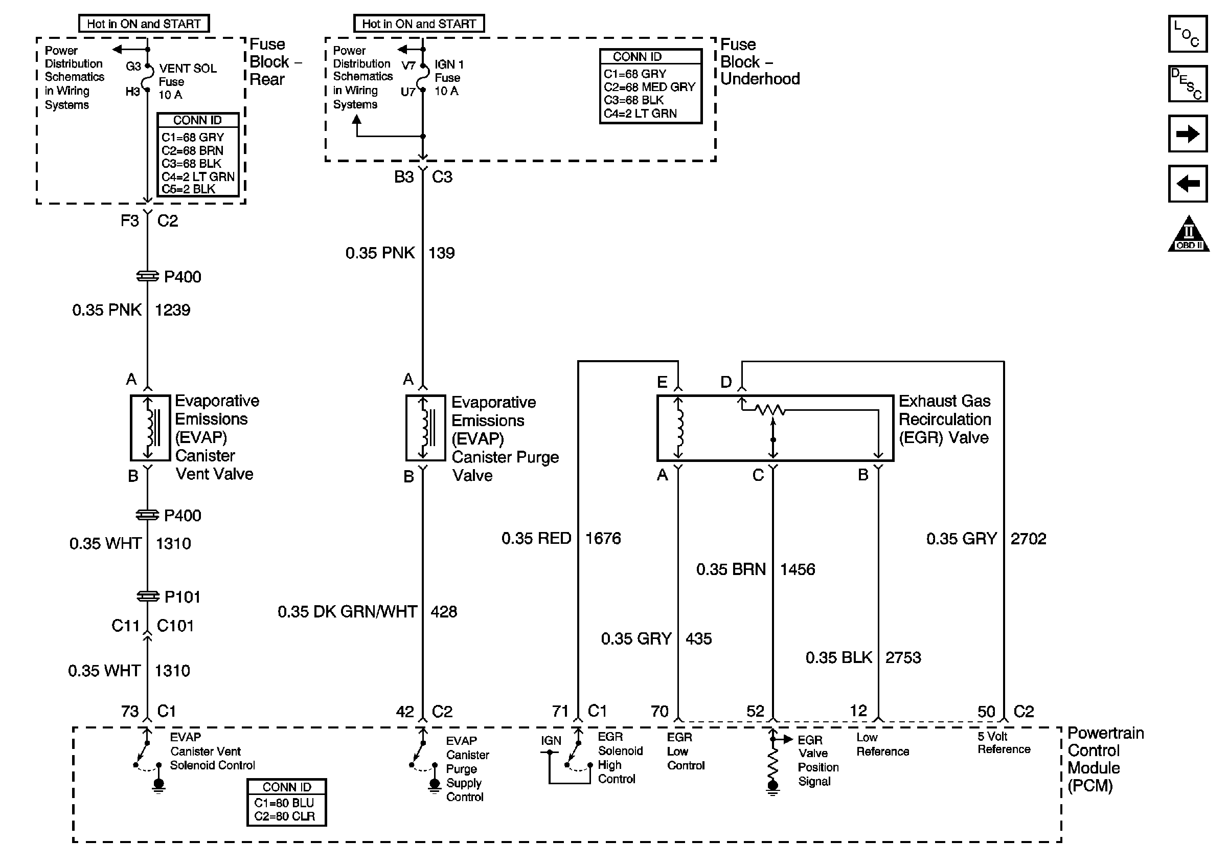
EVAP Valves and EGR Valve
Engine and Fuel Tank Sensors
OBD II Symbol Description Notice
Oxy Sen, CR Cont, MDL Coil, Trans Fuses
Figure 9:

EVAP Valves and EGR Valve


Object Number: 661397  Size: FS
Master Electrical Component List
Evaporative Emission Control System Description
MAF/IAT Sensors and IVA Valve
Heated Oxygen Sensors
OBD II Symbol Description Notice
SIR, Vent Sol, and IGN 1 Fuses
Start Circuit Breaker, PCM, IGN and IGN 1 Fuses
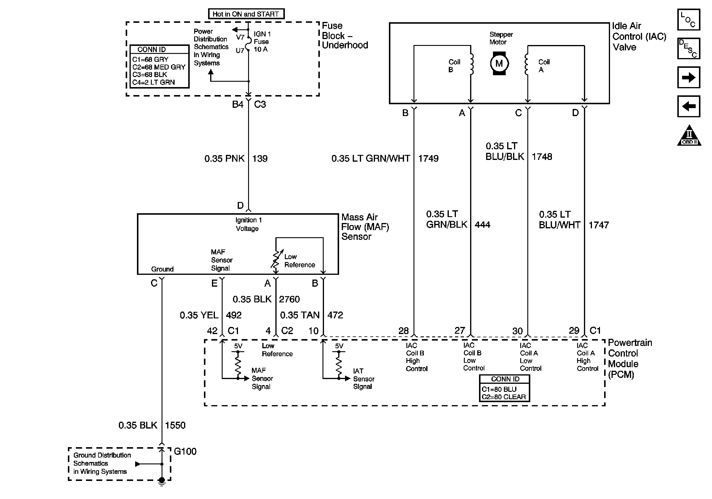
Figure 10:

MAF/IAT Sensors and IAC Valve


Object Number: 661399  Size: FS
Master Electrical Component List
Fuel System Description
Cruise Control and Vehicle Speed Signal
EVAP Valves and EGR Valve
OBD II Symbol Description Notice
G100
Start Circuit Breaker, PCM, IGN and IGN 1 Fuses
Figure 11:

Cruise Control and Vehicle Speed Signal


Object Number: 661401  Size: FS
Master Electrical Component List
Powertrain Control Module Description
A/C Clutch, A/C Pressure Sensor and Other Controls
MAF/IAT Sensors and IVA Valve
OBD II Symbol Description Notice
G101
Oxy Sen, CR Cont, MDL Coil, Trans Fuses
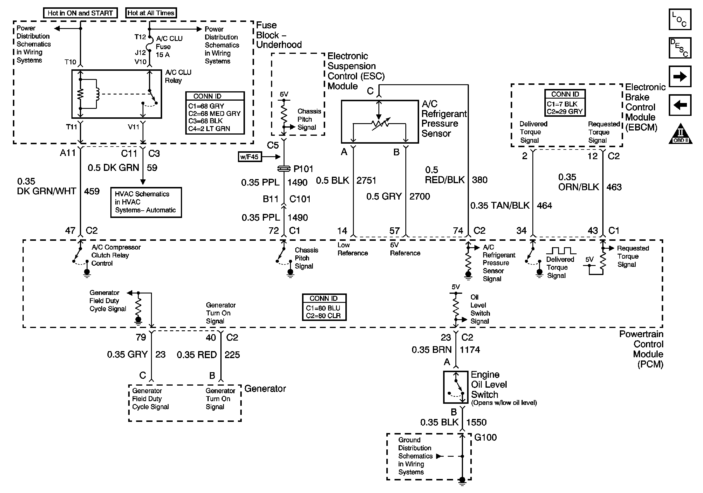
Figure 12:

A/C Clutch, A/C Pressure Sensor and Other Controls


Object Number: 661404  Size: FS
Master Electrical Component List
Powertrain Control Module Description
ABS/TCC Switch and Automatic Transaxle Solenoids
Cruise Control and Vehicle Speed Signal
OBD II Symbol Description Notice
Ignition Feeds to Underhood and Rear Fuse Blocks
HVAC Compressor Control
Ignition Feeds to Underhood and Rear Fuse Blocks
G100
Figure 13:

ABS/TCC Switch and Automatic Transaxle Solenoids


Object Number: 661409  Size: FS
Master Electrical Component List
Powertrain Control Module Description
Automatic Transaxle - Sensors
A/C Clutch, A/C Pressure Sensor and Other Controls
OBD II Symbol Description Notice
SIR, Vent Sol, and IGN 1 Fuses
Oxy Sen, CR Cont, MDL Coil, Trans Fuses
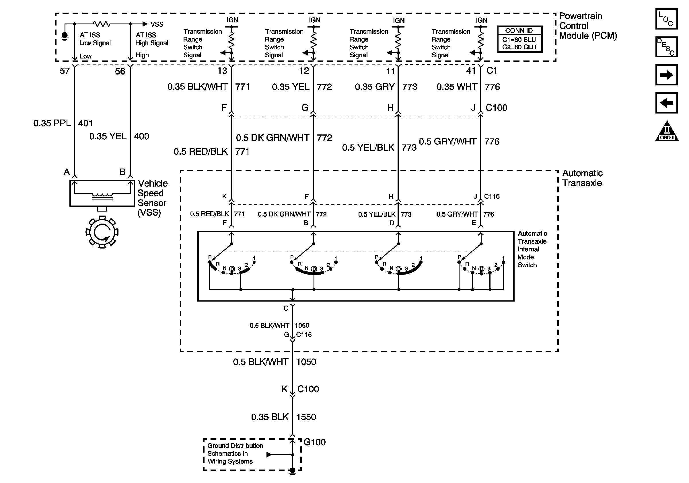
Figure 14:

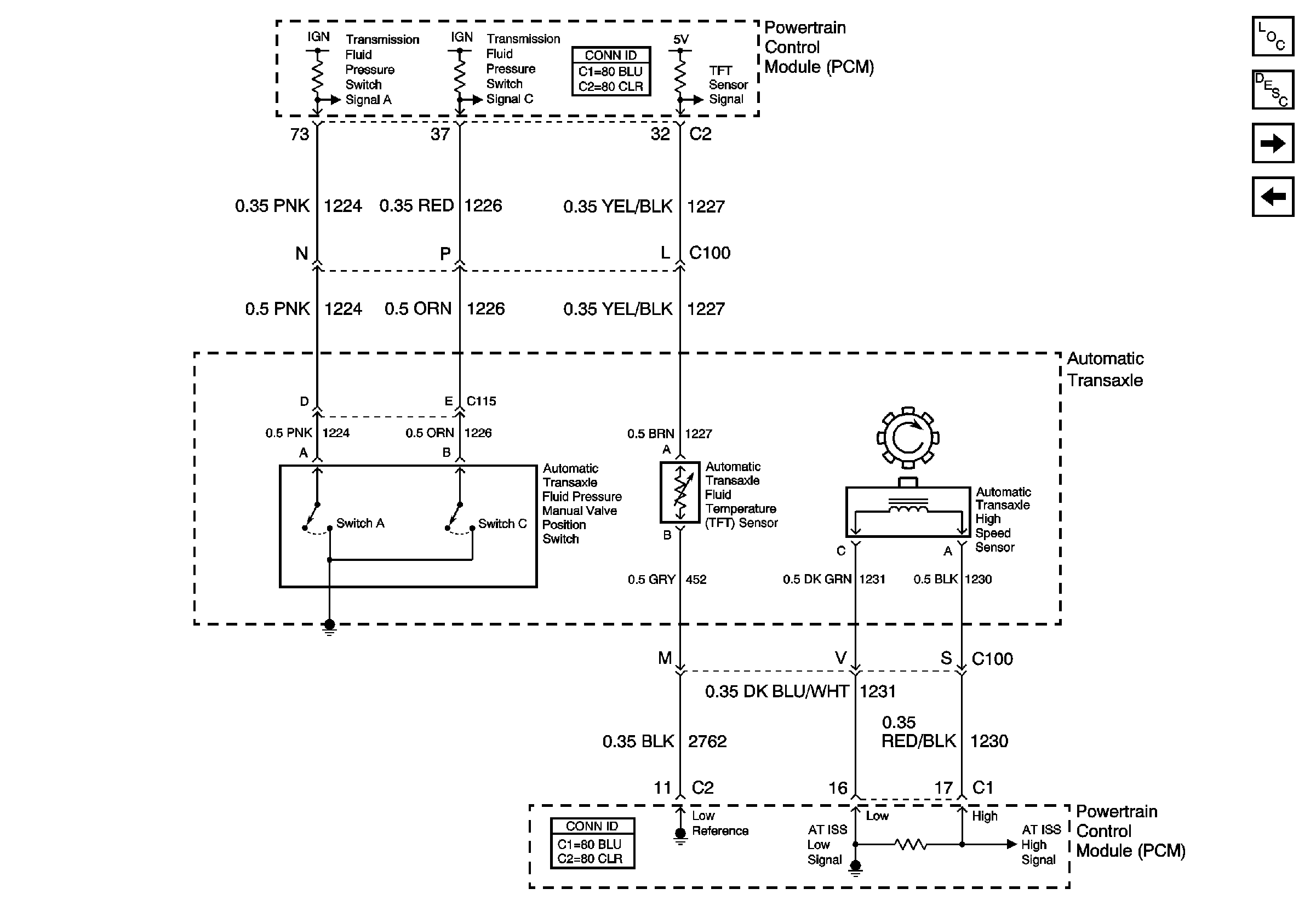
Automatic Transaxle -- Sensors


Object Number: 662021  Size: FS
Master Electrical Component List
Automatic Transmission Electrical Connector Description
IMS Switch and VSS
ABS/TCC Switch and Transaxle Solenoids
Figure 15:

Automatic Transaxle -- IMS Switch and VSS


Object Number: 661414  Size: FS
Master Electrical Component List
Powertrain Control Module Description
Secondary Air Injectors (AIR) Pump Motors w/NB6 California Emissions
Automatic Transaxle - Sensors
OBD II Symbol Description Notice
G100
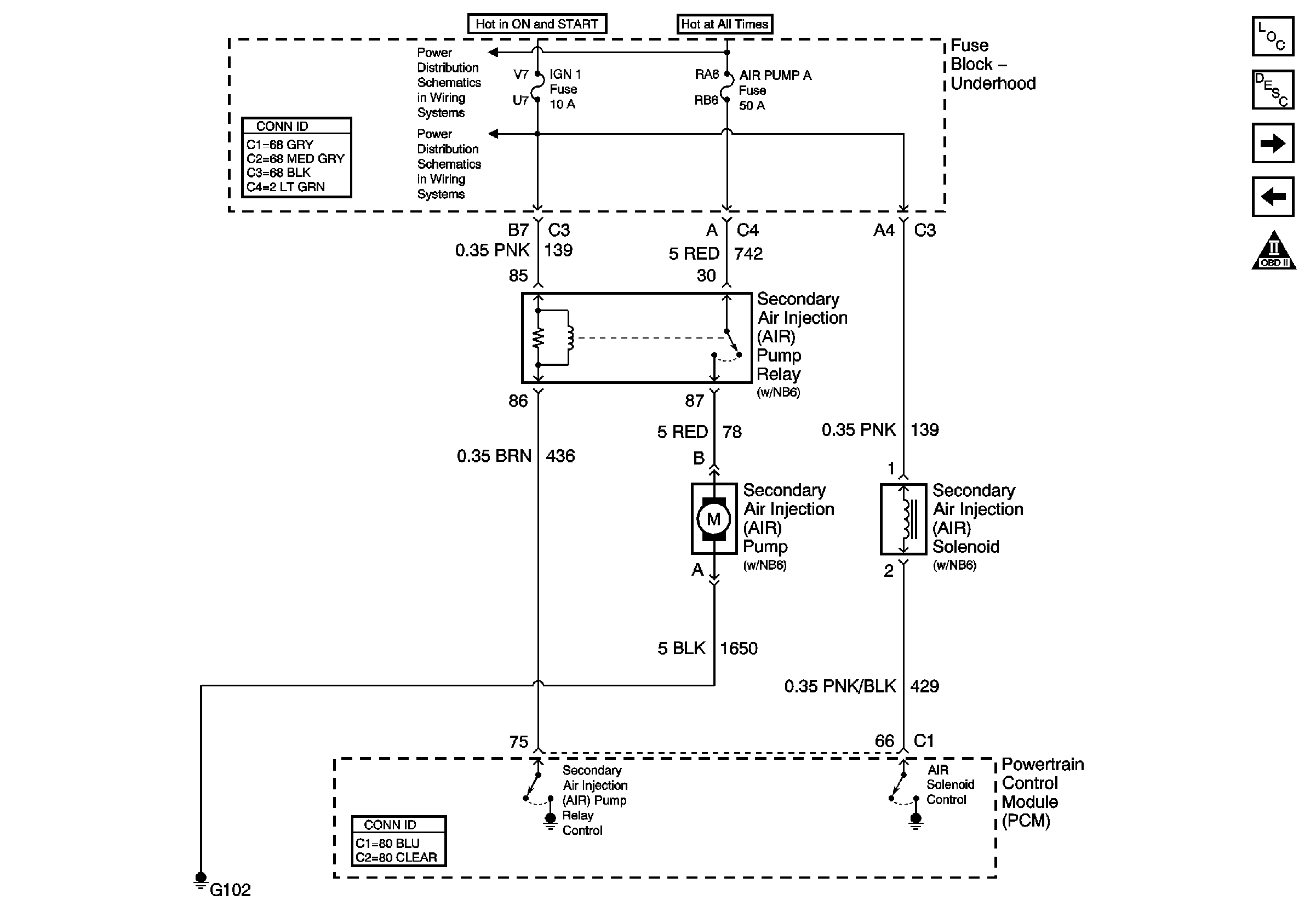
Figure 16:

Secondary Air Injectors (AIR) Pump Motors w/NB6 California Emmissions


Object Number: 665502  Size: FS
Master Electrical Component List
Secondary Air Injection System Description
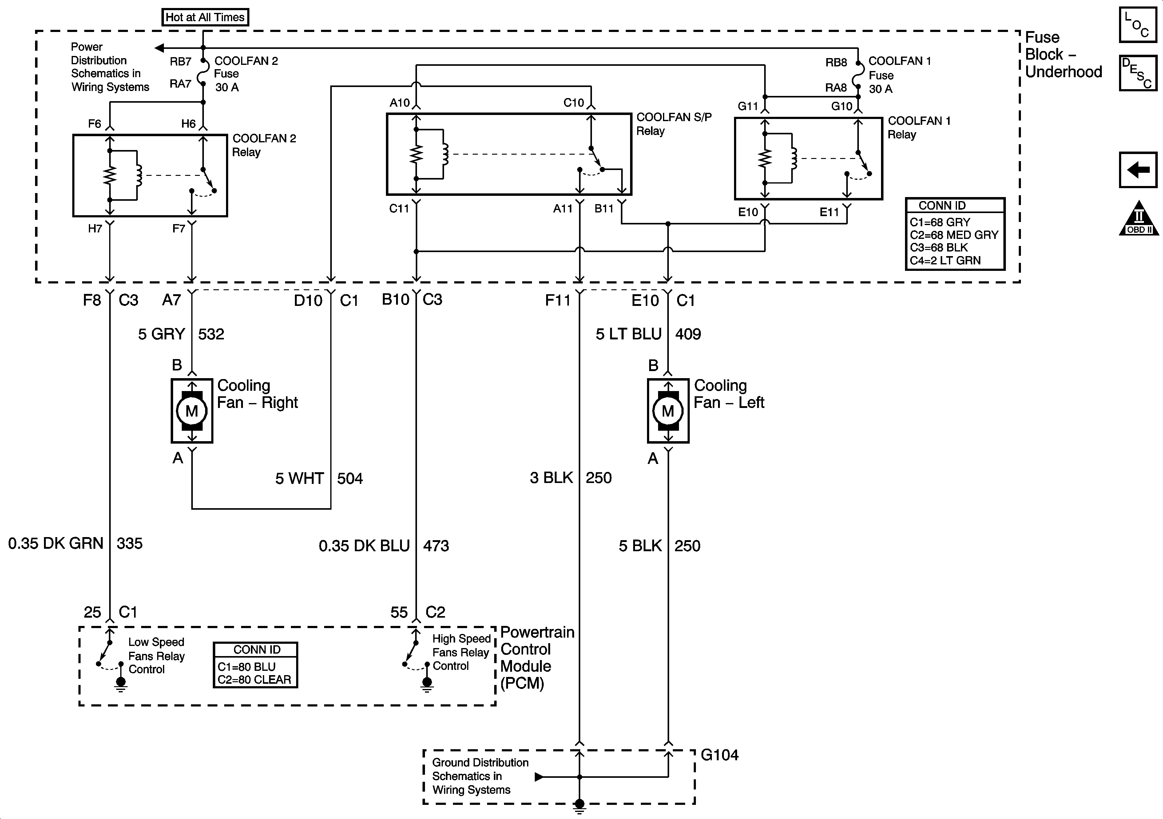
Cooling Fans and Relays
Automatic Transaxle - IMS Switch and VSS
OBD II Symbol Description Notice
G102,G103,G105,G106,G110
Underhood Fuse Block Battery Voltage
Start Circuit Breaker, PCM, IGN and IGN 1 Fuses
Figure 17:

Cooling Fans and Relays


Object Number: 661418  Size: FS
Master Electrical Component List
Powertrain Control Module Description
Secondary Air Injectors (AIR) Pump Motors w/NB6 California Emissions
OBD II Symbol Description Notice
Underhood Fuse Block Battery Voltage
G104